|
|
(21), (22) Заявка: 2007105646/28, 14.02.2007
(24) Дата начала отсчета срока действия патента:
14.02.2007
(43) Дата публикации заявки: 20.08.2008
(46) Опубликовано: 27.05.2009
(56) Список документов, цитированных в отчете о поиске:
RU 2285275 C1, 10.10.2006. RU 94030352, 27.06.1996. RU 2237979 C1, 27.03.2003. US 166681 A, 24.11.1992. DE 3712865, 03.11.1988.
Адрес для переписки:
394064, г.Воронеж, ул. Старых большевиков, 54А, ВВВАИУ
|
(72) Автор(ы):
Гревцев Алексей Игоревич (RU), Козирацкий Александр Юрьевич (RU), Козирацкий Юрий Леонтьевич (RU), Кулешов Павел Евгеньевич (RU), Кусакин Алексей Викторович (RU), Кущев Сергей Сергеевич (RU), Паринов Максим Леонидович (RU), Прохоров Дмитрий Владимирович (RU), Хаджиева Яха Яхъяевна (RU), Хакимов Наиль Тимерканович (RU)
(73) Патентообладатель(и):
Государственное образовательное учреждение высшего профессионального образования Воронежское высшее военное авиационное инженерное училище (военный институт) (RU)
|
(54) СПОСОБ ОПРЕДЕЛЕНИЯ НАПРАВЛЕНИЙ НА ИСТОЧНИКИ ОПТИЧЕСКОГО ИЗЛУЧЕНИЯ ПО РАССЕЯННОЙ В АТМОСФЕРЕ СОСТАВЛЯЮЩЕЙ
(57) Реферат:
Изобретение относится к области квантовой электроники и может быть использовано в прецизионных системах обеспечения вхождения в связь, в системах точного нацеливания узких оптических пучков, а также в системах определения направления на источники оптического излучения техники воздушного базирования. Способ основан на применении первого и второго оптико-электронных координаторов с матричными фотоприемниками, плоскости полей которых перпендикулярны. Осуществляют координатную привязку фотоэлементов первого оптико-электронного координатора в координатной плоскости x0z и фотоэлементов второго оптико-электронного координатора в координатной плоскости y0z. Устанавливают третий оптико-электронный координатор с матричным фотоприемником, плоскость поля которого ориентируют под углом 45° к плоскостям полей первого и второго оптико-электронных координаторов. Технический результат – возможность одновременного определения направлений на два и более источника оптического излучения по рассеянной в атмосфере составляющей. 4 ил.
Изобретение относится к области квантовой электроники и может быть использовано в прецизионных системах обеспечения вхождения в связь, в системах точного нацеливания узких оптических пучков, системах траекторных измерений, а также в системах определения направления на источники оптического излучения техники воздушного базирования.
Известен способ определения направления на источник оптического излучения по рассеянной в атмосфере составляющей (см., например, С.В.Голубев, В.П.Дунец, А.Ю.Козирацкий, Ю.Л.Козирацкий и др., Патент на изобретение RU 2285275 C1, G01S 17/06, 2006), основанный на применении первого и второго оптико-электронных координаторов (ОЭК) с матричными фотоприемниками, плоскости полей которых перпендикулярны, осуществлении координатной привязки фотоэлементов первого ОЭК в координатной плоскости x0z и фотоэлементов второго ОЭК в координатной плоскости y0z, определении угловых координат источника оптического излучения по формулам
, ,
где , – угол места и азимут источника оптического излучения; d – расстояние между верхней и нижней линейками фотоэлементов ОЭК; x=x1B-x1H, y=y1B-y1H; x1В и х1H – координаты верхнего и нижнего фотоэлементов линеек первого координатора, сигнал на выходе которых имеет максимальное значение; y2B и y2H – координаты верхнего и нижнего фотоэлементов линеек второго координатора, сигнал на выходе которых имеет максимальное значение. Основным недостатком способа является невозможность одновременного определения направлений на несколько источников оптического излучения, так как возникает неопределенность в принадлежности координат фотоэлементов пучкам.
Техническим результатом, на достижение которого направлено предлагаемое изобретение, является возможность одновременного определения направлений на два и более источника оптического излучения по рассеянной в атмосфере составляющей.
Технический результат достигается тем, что в известном способе определения направления на источник оптического излучения по рассеянной в атмосфере составляющей, основанном на применении первого и второго ОЭК с матричными фотоприемниками, плоскости полей которых перпендикулярны, осуществлении координатной привязки фотоэлементов первого ОЭК в координатной плоскости x0z и фотоэлементов второго ОЭК в координатной плоскости y0z, дополнительной установке третьего оптико-электронный координатора с матричным фотоприемником, плоскость поля которого ориентирована под углом 45° к плоскостям полей первого и второго оптико-электронных координаторов, осуществлении координатной привязки фотоэлементов третьего оптико-электронного координатора в декартовой системе координат относительно первого и второго оптико-электронных координаторов, определении координат k-ых и g-ых фотоэлементов соответственно верхней и нижней линеек первого оптико-электронного координатора, m-ых и s-ых фотоэлементов соответственно верхней и нижней линеек второго оптико-электронного координатора, j-ых, r-ых и n-ых фотоэлементов соответственно верхней , средней и нижней линеек третьего оптико-электронного координатора, сигналы на выходах которых имеют максимальные значения, где ; ; ; ; ; ; – присвоенные порядковые номера фотоэлементов, 1, 2 и 3 – номера ОЭК, В, С и Н – верхняя, средняя и нижняя линейки фотоэлементов ОЭК, N – количество оптических пучков, падающих на плоскости оптико-электронных координаторов, причем N<М, где М -количество фотоэлементов в линейке, равное числу координат, принятии j-ых номеров фотоэлементов верхней линейки третьего оптико-электронного координатора как j-ые номера источников оптического излучения, определении координат середин отрезков, соединяющих j-й фотоэлемент верхней линейки, с n-ми фотоэлементами нижней линейки по формулам
, ,
сравнении их с координатами r-ых фотоэлементов средней линейки третьего оптико-электронного координатора и, если координаты совпадают, то принимают решение о принадлежности фотоэлементов с координатами
нижней линейки третьего оптико-электронного координатора j-му пучку источника оптического излучения и изменяют n-ый номер фотоэлемента на соответствующий j-ый номер , определении разности k-ой абсциссы
фотоэлемента верхней линейки первого оптико-электронного координатора и m-ых ординат фотоэлементов верхней линейки второго оптико-электронного координатора, определении разности j-ой абсциссы и j-ой ординаты
фотоэлементов верхней линейки третьего оптико-электронного координатора, сравнении их и, если разности и совпадают, то принимают решение о принадлежности фотоэлементов с координатами и верхних линеек первого и второго оптико-электронных координаторов j-му пучку источника оптического излучения и изменяют k-ый и m-ый номера фотоэлементов на соответствующий j-й номер и , определении разности g-ой абсциссы фотоэлемента нижней линейки первого оптико-электронного координатора и s-ых ординат
фотоэлементов нижней линейки второго оптико-электронного координатора, определении разности y-ой абсциссы и j-ой ординаты фотоэлементов нижней линейки третьего оптико-электронного координатора, сравнении их, если разности и совпадают, то принимают решение о принадлежности фотоэлементов с координатами и нижних линеек первого и второго оптико-электронных координаторов j-му пучку источника оптического излучения и изменяют g-ый и s-ый номера фотоэлементов на соответствующий j-й номер и , определении угловых координат j-ых источников оптического излучения по формулам
, ,
j, j – углы места и азимуты источников оптического излучения; d – расстояние между верхней и нижней линейками фотоэлементов оптико-электронных координаторов; , .
Сущность изобретения заключается в применении третьего ОЭК с матричными фотоприемниками, имеющего как минимум три параллельные линейки фотоэлементов, поле которого ориентировано под углом 45° к полям первого и второго ОЭК, размещенных в координатных плоскостях x0z и y0z соответственно. При этом средняя линейка фотоэлементов третьего ОЭК делит расстояние d между верхней и нижней линейками фотоэлементов пополам, d/2.
Как показано (см., например, P.M.Гальярди, Ш.Карп. Оптическая связь. – М.: Связь, 1978. – С.37-39, О.Н.Литвиенко. Основы радиооптики. – М.: Технiка, 1974, с.184-190), распределение амплитуды оптического поля в поперечном сечении в произвольной точке линии распространения имеет выраженный максимум интенсивности в поперечном середине пучка (гауссов пучок), спадающего к краям пучка (Ю.Л.Козирацкий, А.Ю.Козирацкий, В.М.Коровин и.др. Определение положения лазерного луча в пространстве по рассеянной составляющей. – Журнал Радиотехника, 7, 2005). Рассеянное изображение каждого пучка в направлении ОЭК также будет отображать характер изменения интенсивности пучка в поперечном сечении (см., например, В.Е.Карасик, В.М.Орлов. Лазерные системы видения. – М.: изд. МГТУ им. Н.Э.Баумана, 2001, с.134-138). На фиг.1 представлено распределение интенсивностей сфокусированного изображения двух пучков на линейках чувствительных элементов третьего ОЭК (по мере насыщения серого цвета растет значение амплитуды). Выходные сигналы чувствительных элементов отображают характер изменения амплитуд пучков в поперечном сечении. Так как чувствительные элементы линеек имеют координатную привязку, то представленные на фиг.1 зависимости виде распределения сигнальных токов фотоэлементов по координатам характеризуют распределение интенсивностей пучков по координатам. При этом координаты фотоэлементов, имеющих максимальные значения выходных сигналов, можно измерить координатами осей оптических пучков. Применение алгоритмов обработки выходных сигналов для решения задачи их различения позволяет выделить из всей совокупности выходных сигналов ОЭК максимальные (пиковые) значения, их координаты (В.И.Тихонов. Оптимальный прием сигналов. М.: Радио и связь, 1983, с.116-154, И.Н.Матвеев, В.В.Протопопов, И.Н.Троицкий, Н.Д.Устинов. – М.: Машиностроение, 1984, с.98-117) и соответственно подсчитать их количество, которое дает число источников оптического излучения.
На фиг.2 приведена схема размещения ОЭК в декартовой системе координат. Поле первого ОЭК лежит в координатной плоскости x0z, а поле второго ОЭК лежит в координатной плоскости y0z, причем нижние линейки фотоэлементов матрицы расположены на координатных осях х00 и 0y0 соответственно для обоих координаторов. Поле третьего ОЭК размещено под углом 45° относительно полей первого и второго ОЭК. Каждый фотоэлемент матриц ОЭК имеет координатную привязку относительно начала координат.
Оптические пучки как минимум от двух источников падают на плоскость x0y. Часть A1B1 оптической оси первого пучка, ограниченная межлинейным расстоянием решетки матрицы, представляется в виде проекций на плоскостях ОЭК, задаваемых точками с координатами , , , , , и , где верхние индексы В, Н и С указывают на принадлежность координат фотоэлементов верхним, средним и нижним линейкам ОЭК соответственно; первый нижний индекс указывает порядковый номер фотоэлемента, имеющего выходной сигнал; второй нижний индекс – на принадлежность координат первому, второму и третьему ОЭК соответственно. При этом точка с координатами соответствует середине проекции A1B1 на плоскость третьего ОЭК. Часть А2В2 оптической оси второго пучка, ограниченная межлинейным расстоянием решетки матрицы, представляется в виде проекций на плоскостях ОЭК, задаваемых точками с координатами , , , , , и . При этом точка с координатами соответствует середине проекции А2В2 на плоскость третьего ОЭК.
Угловые координаты первого и второго источников оптического излучения определяются соответственно по формулам (см., например, С.В.Голубев, В.П.Дунец, А.Ю.Козирацкий, Ю.Л.Козирацкий и др., Патент на изобретение RU 2285275 C1, G01S 17/06, 2006)


где 1, 2, 1, 2 – углы места и азимуты соответственно первого и второго источников оптического излучения; d – расстояние между верхней и нижней линейками фотоэлементов ОЭК; , , , ; – абсциссы фотоэлементов верхней и нижней линеек первого координатора, имеющих выходной сигнал от первого пучка; – ординаты фотоэлементов верхней и нижней линеек второго координатора, имеющих выходной сигнал от первого пучка; – абсциссы фотоэлементов верхней и нижней линеек первого координатора, имеющих выходной сигнал от второго пучка; – ординаты фотоэлементов верхней и нижней линеек второго координатора, имеющих выходной сигнал от второго пучка.
Неопределенность в принадлежности координат фотоэлементов ОЭК, имеющих выходной сигнал, первому или второму пучку оптических источников оптического излучения может привести к ошибочным угловым координатам источников оптического излучения. Так, например (фиг.2), координате фотоэлемента
верхней линейки второго пучка могут соответствовать координаты , фотоэлементов нижней линейки первого ОЭК и координаты , фотоэлементов верхней линейки координаты второго ОЭК.
Для решения задачи соответствия координат первому или второму пучкам источников оптического излучения используется третий ОЭК, имеющего три линейки фотоэлементов. Координаты фотоэлементов средней линейки третьего ОЭК являются проверочными соответствия координат фотоэлементов верхней и нижней линеек третьего ОЭК первому или второму пучкам (концов проекций A1B1, A2B2 на плоскость третьего ОЭК). Координаты фотоэлементов верхней и нижней линеек третьего ОЭК являются проверочными соответствия для координат фотоэлементов верхних и нижних линеек первого и второго ОЭК первому или второму пучкам (концов проекций A1B1, A2B2 на плоскости первого и второго ОЭК).
Соответствие верхних координат , нижним координатам , проекций первому или второму пучкам на плоскость третьего ОЭК определяется путем вычисления всех возможных значений координат середин отрезков, соединяющих верхние координатами с нижними координатами, по формулам (см., например, Г.Корн, Т.Корн, Справочник по математике. – М.: Наука, 1968, стр.54)


и сравнения с координатами , фотоэлементов средней линейки третьего ОЭК. Совпадение из совокупности вычисленных координат середин отрезков с координатами фотоэлементов средней линейки третьего ОЭК определяет соответствие верхних и нижних координат первому или второму пучкам. Например, для случая, изображенного на фиг.1

соответствует ,

соответствует ,

соответствует и

соответствует . Отсюда следует, что концы проекций A1B1 и А2В2 первого и второго пучков на плоскость третьего ОЭК имеют координаты , и , соответственно.
На фиг.3 приведена схема варианта взаимного положения фотоэлементов верхних (нижних) линеек первого, второго и третьего ОЭК, со значениями координат фотоэлементов, имеющих выходной сигнал от первого и второго пучков оптических источников. Точка А имеет абсциссу «5» первого ОЭК, ординату «7» второго ОЭК и координаты (8, 10) третьего ОЭК. Точка В имеет абсциссу «6» первого ОЭК, ординату «10» второго ОЭК и координаты (7, 11) третьего ОЭК. Такое взаимное положение плоскостей ОЭК приводит к тому, что для точки А разность 7-5=10-2, а для точки В 10-6=11-7 (см., например, Г.Корн, Т.Корн, Справочник по математике. – М.: Наука, 1968, стр.58).
Соответствие координат , , ,  , , , фотоэлементов верхних (нижних) линеек проекций первого или второго пучков на плоскости первого и второго ОЭК определяется путем вычисления всех возможных разностей между абсциссами ,  и ординатами   фотоэлементов верхних (нижних) линеек первого и второго ОЭК по формулам

и сравнения с разностями абсцисс ,  и ординат
,  фотоэлементов верхней (нижней) линейки третьего ОЭК по формулам

По результатам сравнения распределяются координаты фотоэлементов верхних (нижних) линек первого и второго ОЭК на соответствие первому или второму пучкам источников оптического излучения.
Например, для случая, изображенного на фиг.1,  ,  . Отсюда следует, с учетом уже определенной принадлежности координат фотоэлементов верхних и нижних линеек третьего ОЭК первому или второму пучкам, что концы проекций А1В1 и А2В2 первого и второго пучков на плоскости первого и второго ОЭК имеют координаты , и  соответственно. А угловые координаты первого и второго источников оптического излучения определяются по формулам (1) и (2).
Для 1,2, ,N (N




где ; ; ; ; ; – номера фотоэлементов, имеющие максимальные сигналы.
Нумерации оптических пучков совпадает с номерами j координат чувствительных элементов верхней линейки третьего ОЭК, относительно которой осуществляется распределение координат чувствительных элементов остальных линеек ОЭК на принадлежность оптическим пучкам. Поэтому после установления принадлежности координат фотоэлементов своему оптическому пучку производится изменение их номеров на соответствующий j-ый номер оптического пучка.
Выражения для определения угловых координат N-го количества источников оптического излучения можно записать


где – номер источника оптического излучения, совпадающий с номером координат фотоэлементов верхней линейки третьего ОЭК; j, j – угол места и азимут j-го источника оптического излучения;   – абсциссы фотоэлементов верхней и нижней линеек первого координатора с низменным номером, имеющих выходной сигнал от соответствующего j-го пучка; – ординаты фотоэлементов верхней и нижней линеек первого координатора с низменным номером, имеющих выходной сигнал от соответствующего j-го пучка.
Таким образом, у заявляемого способа появляются свойства, заключающиеся в возможности одновременного определения направлений на несколько оптических источников по рассеянной в атмосфере составляющей.
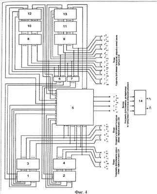
На фиг.4 представлена блок-схема устройства, с помощью которого может быть реализован предлагаемый способ.
Блок-схема устройства содержит первый 3, второй 4, третий 6 и четвертый 7 блоки вычисления разностей координат, первый 1, второй 2, третий 12 и четвертый 13 блоки сравнения, блок запоминания координат 5, первый 8 и второй 9 блоки сумматоров координат, первый 10 и второй 11 делители, устройство вычисления угловых координат 14.
Устройство работает следующим образом. Рассеянное оптическое излучение 1,2, ,N источников принимается фотоэлементами первого, второго и третьего ОЭК. С выходов первого и второго ОЭК сигналы координат фотоэлементов верхних и нижних линеек одновременно поступают в блоки вычисления разности координат и запоминания координат. В блоке запоминания координат 5 значения координат , , ; , , ; , , ; , , хранятся до момента определения их принадлежности оптическим пучкам. В блоках вычисления разности соответственно , , и , , в блоке 4, , , и , , в блоке 3 производятся вычисления возможных разностей координат верхних и нижних линеек фотоэлементов (операция формулы (11)). С выходов третьего ОЭК сигналы координат фотоэлементов верхних и нижних линеек одновременно поступают в блоки сумматоров координат и вычисления разностей координат. В блоках сумматоров соответственно , , и , , в блоке 9, , , и , , в блоке 8 производятся вычисления возможных сумм координат верхних и нижних линеек фотоэлементов (операция числителей формул (9) и (10)). В блоках вычисления разности соответственно , , и , , в блоке 6, , , и , , в блоке 7 производятся вычисления разностей координат верхних и нижних линеек фотоэлементов третьего ОЭК (операция формулы (12)), значения которых поступают на входы блоков сравнения соответственно, значения разностей верхних координат в блок сравнения 1, нижних – в блок сравнения 2. Значения разностей координат верхних и нижних линеек первого и второго ОЭК поступают на входы блоков сравнения, соответственно значения разности нижних координат в блок 2, значения разности верхних координат в блок 1. В блоке сравнения 2 значения возможных разностей верхних координат первого и второго ОЭК сравниваются со значениями разностей верхних координат третьего ОЭК, по результатам сравнения формируются сигналы совпадений и поступают в блок запоминания координат 5. В блоке сравнения 1 значения возможных разностей нижних координат первого и второго ОЭК сравниваются со значениями разностей нижних координат третьего ОЭК, по результатам сравнения формируются сигналы совпадений и поступают в блок запоминания координат 5. Значения сумм верхних и нижних абсцисс и ординат фотоэлементов третьего ОЭК поступают на входы боков делителей 10 и 11, в которых каждое значение суммы делятся на два (операция формул (9) и (10)). Значения середин координат верхних и нижних линеек третьего ОЭК поступают на входы блоков сравнения, соответственно значения середин абсцисс в блок 13, значения середин ординат в блок 12. В блоке сравнения 13 значения возможных середин абсцисс третьего ОЭК сравниваются со значениями абсцисс фотоэлементов средней линейки третьего ОЭК, по результатам сравнения формируются сигналы совпадений и поступают в блок запоминания координат 5. В блоке сравнения 12 значения возможных середин ординат третьего ОЭК сравниваются со значениями ординат фотоэлементов средней линейки третьего ОЭК, по результатам сравнения формируются сигналы совпадений и поступают в блок запоминания координат 5. По сигналам совпадений в блоках запоминания координат происходит перераспределения координат по принадлежности оптическим пучкам. Сигналы координат фотоэлементов первого и второго ОЭК из блока запоминания координат 5 последовательно поступают в устройство определения направления на источник оптического излучения 14 (см., например, С.В.Голубев, В.П.Дунец, А.Ю.Козирацкий, Ю.Л.Козирацкий и др., Патент на изобретение RU 2285275 C1, G01S 17/06, 2006), которое определяет угловые координаты 1,2, ,N источников оптического излучения (операция формул (13) и (14)).
Предлагаемое техническое решение является новым, поскольку из общедоступных сведений неизвестен способ определения направлений на источники оптического излучения по рассеянной в атмосфере составляющей, дополнительно устанавливающий третий оптико-электронный координатор с матричным фотоприемником, плоскость поля которого ориентирована под углом 45° к плоскостям полей первого и второго оптико-электронных координаторов, осуществляющий координатную привязку фотоэлементов третьего оптико-электронного координатора в декартовой системе координат относительно первого и второго оптико-электронных координаторов, определяющий координаты k-ых и g-ых фотоэлементов соответственно верхней и нижней линеек первого оптико-электронного координатора, m-ых и s-ых фотоэлементов соответственно верхней и нижней линеек второго оптико-электронного координатора, j-ых, r-ых и n-ых фотоэлементов соответственно верхней , средней и нижней линеек третьего оптико-электронного координатора, сигналы на выходах которых имеют максимальные значения, где ; ; ; ; ; ; – присвоенные порядковые номера фотоэлементов, 1, 2 и 3 – номера ОЭК, В, С и Н – верхняя, средняя и нижняя линейки фотоэлементов ОЭК, N – количество оптических пучков, падающих на плоскости оптико-электронных координаторов, причем N<М, где М – количество фотоэлементов в линейке, равное числу координат, принимающий j-ые номера фотоэлементов верхней линейки третьего оптико-электронного координатора как j-ые номера источников оптического излучения, определяющий координаты середин отрезков, соединяющих j-й фотоэлемент верхней линейки с n-ми фотоэлементами нижней линейки, по формулам
, ,
сравнивающий их с координатами r-ых фотоэлементов средней линейки третьего оптико-электронного координатора, и если координаты совпадают, то принимают решение о принадлежности фотоэлементов с координатами нижней линейки третьего оптико-электронного координатора j-му пучку источника оптического излучения и изменяют n-ый номер фотоэлемента на соответствующий j-ый номер , определяющий разности k-ой абсциссы фотоэлемента верхней линейки первого оптико-электронного координатора и m-ых ординат фотоэлементов верхней линейки второго оптико-электронного координатора, определяющий разности j-ой абсциссы и j-ой ординаты фотоэлементов верхней линейки третьего оптико-электронного координатора, сравнивающий их, и если разности и совпадают, то принимают решение о принадлежности фотоэлементов с координатами и верхних линеек первого и второго оптико-электронных координаторов j-му пучку источника оптического излучения и изменяют k-ый и m-ый номера фотоэлементов на соответствующий j-й номер и , определяющий разности g-ой абсциссы фотоэлемента нижней линейки первого оптико-электронного координатора и s-ых ординат фотоэлементов нижней линейки второго оптико-электронного координатора, определяющий разности j-ой абсциссы и j-ой ординаты фотоэлементов нижней линейки третьего оптико-электронного координатора, сравнивающий их, если разности и совпадают, то принимают решение о принадлежности фотоэлементов с координатами и нижних линеек первого и второго оптико-электронных координаторов j-му пучку источника оптического излучения и изменяют g-ый и s-ый номера фотоэлементов на соответствующий j-й номер и определяющий угловые координаты j-ых источников оптического излучения по формулам
, ,
j, j – углы места и азимуты источников оптического излучения; d – расстояние между верхней и нижней линейками фотоэлементов оптико-электронных координаторов; , .
Предлагаемое техническое решение практически применимо, так как для его реализации могут быть использованы типовые оптические и радиотехнические узлы и устройства.
Формула изобретения
Способ определения направлений на источники оптического излучения по рассеянной в атмосфере составляющей, основанный на применении первого и второго оптико-электронных координаторов с матричными фотоприемниками, плоскости полей которых перпендикулярны, осуществляют координатную привязку фотоэлементов первого оптико-электронного координатора в координатной плоскости x0z и фотоэлементов второго оптико-электронного координатора в координатной плоскости y0z, отличающийся тем, что дополнительно устанавливают третий оптико-электронный координатор с матричным фотоприемником, плоскость поля которого ориентируют под углом 45° к плоскостям полей первого и второго оптико-электронных координаторов, осуществляют координатную привязку фотоэлементов третьего оптико-электронного координатора в декартовой системе координат относительно первого и второго оптико-электронных координаторов, рассеянное оптическое излучение 1, 2, , N-1, N источников принимается фотоэлементами первого, второго и третьего оптико-электронных координаторов, определяют координаты k-х и g-х фотоэлементов соответственно верхней и нижней линеек первого оптико-электронного координатора, m-х и s-х фотоэлементов соответственно верхней и нижней линеек второго оптико-электронного координаторов, j-х, r-х и n-х фотоэлементов соответственно верхней , средней и нижней линеек третьего оптико-электронного координатора, сигналы на выходе которых имеют максимальные значения, где ; ; ; ; ; ; , N – количество источников оптического излучения, определяют координаты середин отрезков, соединяющих j-й фотоэлемент верхней линейки, с n-ми фотоэлементами нижней линейки по формулам
, , сравнивают их с координатами r-х фотоэлементов средней линейки третьего оптико-электронного координатора и, если координаты совпадают, то принимают решение о принадлежности фотоэлементов с координатами и верхней и нижней линеек третьего оптико-электронного координатора лучу j-го источника оптического излучения, определяют разности k-й абсциссы фотоэлемента верхней линейки первого оптико-электронного координатора и m-х ординат фотоэлементов верхней линейки второго оптико-электронного координатора, определяют разности j-й абсциссы и j-й ординаты фотоэлементов верхней линейки третьего оптико-электронного координатора, сравнивают их и, если разности и совпадают, то принимают решение о принадлежности фотоэлементов с координатами и верхних линеек первого и второго оптико-электронных координаторов лучу j-го источника оптического излучения, определяют разности g-й абсциссы фотоэлемента нижней линейки первого оптико-электронного координатора и s-х ординат фотоэлементов нижней линейки второго оптико-электронного координатора, определяют разности n-й абсциссы и n-й ординаты фотоэлементов нижней линейки третьего оптико-электронного координатора, сравнивают их, если разности и совпадают, то принимают решение о принадлежности фотоэлементов с координатами и нижних линеек первого и второго оптико-электронных координаторов лучу j-го источника оптического излучения, а угловые координаты j-го источника оптического излучения определяют по формулам
, , где j=1, 2, , N-1, N – номер источника оптического излучения, соответствующий номерам фотоэлементов верхней линейки третьего оптико-электронного координатора, сигнал на выходе которых имеет максимальное значение; j, j – углы места и азимуты j-го источника оптического излучения; d – расстояние между верхней и нижней линейками фотоэлементов оптико-электронных координаторов; , .
РИСУНКИ
,>
|
|