|
|
(21), (22) Заявка: 2007124697/28, 29.06.2007
(24) Дата начала отсчета срока действия патента:
29.06.2007
(46) Опубликовано: 27.05.2009
(56) Список документов, цитированных в отчете о поиске:
SU 1053028 А1, 07.11.1983. RU 2204129 С2, 10.05.2003. RU 2044311 С1, 20.09.1995. GB 2297168 А, 24.07.1996. GB 970893 А, 23.09.1964.
Адрес для переписки:
346428, Ростовская обл., г. Новочеркасск, ГСП-1, ул. Просвещения, 132, ГОУ ВПО ЮРГТУ (НПИ), ОИС
|
(72) Автор(ы):
Горбатенко Николай Иванович (RU), Ланкин Михаил Владимирович (RU), Наракидзе Нури Дазмирович (RU), Шайхутдинов Данил Вадимович (RU), Тришечкин Евгений Владимирович (RU)
(73) Патентообладатель(и):
Государственное образовательное учреждение высшего профессионального образования “Южно-Российский государственный технический университет (Новочеркасский политехнический институт)” ГОУ ВПО ЮРГТУ (НПИ) (RU)
|
(54) УСТРОЙСТВО ДЛЯ ИСПЫТАНИЯ ИЗДЕЛИЙ ИЗ ФЕРРОМАГНИТНЫХ МАТЕРИАЛОВ
(57) Реферат:
Изобретение относится к магнитным измерениям и предназначено для измерения статической петли гистерезиса изделий из ферромагнитных материалов (ИФМ). Устройство для испытания ИФМ содержит электромагнит, в рабочем зазоре которого установлены первичный преобразователь измерения индукции, связанный с интегрирующим усилителем, а также соединенный с электромагнитом блок намагничивания, вход которого связан с выходом блока управления, два датчика Холла, расположенные в рабочем зазоре электромагнита, регистрирующий блок, первый вход которого соединен с выходом интегрирующего усилителя, второй вход интегрирующего усилителя подключен ко второму выходу блока управления, три дифференциальных усилителя, причем первый и второй входы первого дифференциального усилителя соединены с первым и вторым холовскими выводами первого датчика Холла, а первый и второй входы второго дифференциального усилителя соединены с первым и вторым холовскими выводами второго датчика Холла, два аналоговых сумматора, причем оба входа первого аналогового сумматора соединены холовскими выводами первого датчика Холла, а первый вход второго аналогового сумматора подключен к выходу третьего дифференциального усилителя, второй и третий входы второго аналогового сумматора соединены с выходами первого и второго дифференциального усилителя соответственно, выход второго аналогового сумматора подключен ко второму входу регистрирующего блока, первый вход третьего дифференциального усилителя подключен к первому токовому выводу первого датчика Холла, а второй вход соединен с выходом первого аналогового сумматора, причем второй токовый вывод первого датчика Холла последовательно соединен с первым токовым выводом второго датчика Холла, источником тока, первый и второй выходы которого подключены к первому и второму токовому выводу первого и второго датчика Холла, соответственно. Технический результат – повышение точности измерения напряженности магнитного поля. 4 ил.
Изобретение относится к магнитным измерениям и предназначено для измерения статической петли гистерезиса изделий из ферромагнитных материалов (ИФМ).
Известна универсальная автоматическая магнитоизмерительная установка, содержащая интегросумматор, блок реверса перемагничивания, намагничивающее устройство, включающее усилитель мощности и электромагнит, испытуемый образец, первичные преобразователи индукции и напряженности с подключенными к их выходам усилителями, интегратор, регистрирующий самопишущий прибор, звено обратной связи и нелинейный элемент [см. кн. Испытание магнитных материалов и систем / Е.В.Комаров, А.Д.Покровский, В.Г.Сергеев, А.Я.Шихин. – М.: Энергоатомиздат, 1984. – С.235-236]. Недостатком установки является то, что при появлении зазора между ИФМ и полюсами намагничивающей системы вследствие некачественной обработки ИФМ точность измерения напряженности магнитного поля резко ухудшается.
Наиболее близким по технической сущности к заявляемому устройству является выбранное в качестве прототипа устройство для контроля параметров ферромагнитных материалов [а.с. 3463576/18-21. СССР. G01R 33/12. Устройство для контроля параметров ферромагнитных материалов. / В.В.Воронов, В.Г.Сергеев, И.В.Сильванский, А.Я.Шихин – за-яв. 05.07.1982; 2958584/18-21; Опубл. 07.11.1983; Бюл. 41].
Устройство для контроля параметров ферромагнитных материалов содержит электромагнит, в рабочем зазоре которого установлены первичный преобразователь измерения индукции, связанный с интегрирующим усилителем, и первичный преобразователь измерения напряженности, подключенный к усилителю, а также соединенный с электромагнитом блок намагничивания, вход которого связан с выходом блока управления, последовательно соединенные делитель, первый запоминающий блок и первый суммирующий запоминающий блок, экстрематор с подключенным к нему умножителем и последовательно соединенные второй запоминающий блок и второй суммирующий запоминающий блок, причем вход делителя подключен к выходу интегрирующего усилителя, к входам блока управления и умножителя и к первому выходу устройства, выход первого суммирующего запоминающего блока соединен с вторым выходом устройства, выход делителя соединен с вторым входом первого суммирующего запоминающего блока, третий вход которого связан с выходом блока управления и с вторыми входами первого запоминающего блока, второго запоминающего блока и второго суммирующего запоминающего блока, выход и вход экс-трематора соединены соответственно с третьим и четвертым выходами устройства, выход второго суммирующего запоминающего блока соединен с пятым выходом устройства, а второй вход блока управления подключен к второму входу умножителя, первому входу второго запоминающего блока, третьему входу второго суммирующего запоминающего блока к выходу усилителя и к шестому выходу устройства.
Технической задачей изобретения является увеличение точности измерения напряженности магнитного поля при испытании ИФМ в полуразомкнутой магнитной системе.
Поставленная задача решается с помощью устройства для испытания ИФМ, содержащее электромагнит, в рабочем зазоре которого установлены первичный преобразователь измерения индукции, связанный с интегрирующим усилителем, а также соединенный с электромагнитом блок намагничивания, вход которого связан с выходом блока управления, дополнительно снабженного двумя датчиками Холла, расположенными в рабочем зазоре электромагнита, регистрирующим блоком, первый вход которого соединен с выходом интегрирующего усилителя, второй вход интегрирующего усилителя подключен ко второму выходу блока управления, тремя дифференциальными усилителями, причем первый и второй входы первого дифференциального усилителя, соединены с первым и вторым холовскими выводами первого датчика Холла, а первый и второй входы второго дифференциального усилителя, соединены с первым и вторым холовскими выводами второго датчика Холла, двумя аналоговыми сумматорами, причем оба входа первого аналогового сумматора соединены холовскими выводами первого датчика Холла, а первый вход второго аналогового сумматора подключен к выходу третьего дифференциального усилителя, второй и третий входы второго аналогового сумматора соединены с выходами первого и второго дифференциального усилителя соответственно, выход второго аналогового сумматора подключен ко второму входу регистрирующего блока, первый вход третьего дифференциального усилителя, подключен к первому токовому выводу первого датчика Холла, а второй вход соединен с выходом первого аналогового сумматора, причем второй токовый вывод первого датчика Холла последовательно соединен с первым токовым выводом второго датчика Холла, источником тока первый и второй выходы которого подключены к первому и второму токовому выводу первого и второго датчика Холла, соответственно.
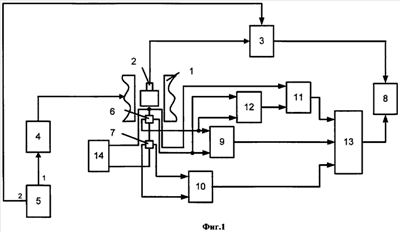
На фиг.1 представлена блок-схема устройства для испытания ИФМ. На фиг.2 – временные диаграммы работы устройства, на фиг.3 – примеры реализации отдельных блоков, на фиг.4 – результат измерения петли гистерезиса.
Устройство для испытания ИФМ содержит электромагнит 1, в рабочем зазоре которого установлены первичный преобразователь измерения индукции 2, связанный с интегрирующим усилителем 3, а также соединенный с электромагнитом блок намагничивания 4, вход которого связан с выходом блока управления 5, два датчика Холла 6 и 7, расположенные в рабочем зазоре электромагнита 1, регистрирующий блок 8, первый вход которого соединен с выходом интегрирующего усилителя 3, второй вход интегрирующего усилителя 3 подключен ко второму выходу блока управления 5, три дифференциальных усилителя 9, 10 и 11, причем первый и второй входы первого дифференциального усилителя 9, соединены с первым и вторым холовскими выводами первого датчика Холла 6, а первый и второй входы второго дифференциального усилителя 10, соединены с первым и вторым холовскими выводами второго датчика Холла 7, два аналоговых сумматора 12 и 13, причем оба входа первого аналогового сумматора 12 соединены холовскими выводами первого датчика Холла 6, а первый вход второго аналогового сумматора 13 подключен к выходу третьего дифференциального усилителя 11, второй и третий входы второго аналогового сумматора 13 соединены с выходами первого 9 и второго 10 дифференциального усилителя соответственно, выход второго аналогового сумматора 13 подключен ко второму входу регистрирующего блока 8, первый вход третьего дифференциального усилителя 11 подключен к первому токовому выводу первого датчика Холла 6, а второй вход соединен с выходом первого аналогового сумматора 12, причем второй токовый вывод первого датчика Холла 6 последовательно соединен с первым токовым выводом второго датчика Холла 7, источником тока 14 первый и второй выходы которого подключены к первому и второму токовому выводу первого 6 и второго 7 датчика Холла, соответственно.
Устройство работает следующим образом.
Образец, помещенный в рабочий зазор электромагнита 1, в момент времени t1 начинает перемагничиваться ступенчато-изменяющимся полем U5.1 (фиг.2). В момент времени t2 блок управления 5 сигналом U5.2 (фиг.2) включает режим деления на два интегрирующего усилителя 3. В момент времени t3 блок управления 5 выключает режим деления на два интегрирующего усилителя 3. Сигнал с выхода первичного преобразователя измерения индукции 2, пропорциональный скорости изменения индукции в образце, начиная с момента времени t3, поступает на вход интегрирующего усилителя 3. Далее сигнал с выхода интегрирующего усилителя 3 поступает на первый вход регистрирующего блока 8. Одновременно сигналы с холовских выводов первого 6 и второго 7 датчиков Холла, пропорциональные напряженности магнитного поля, поступают соответственно на входы первого 9 и второго 10 дифференциального усилителя. Кроме того, сигнал с холовских выводов первого датчика Холла 6 поступает на входы первого аналогового сумматора 12. Сигнал с первого токового вывода первого датчика Холла 6 поступает на первый вход третьего дифференциального усилителя 11, второй вход которого подключен к выходу первого аналогового сумматора 12. Таким образом, на выходе третьего дифференциального усилителя 11 появляется сигнал, пропорциональный градиенту магнитного поля для первого датчика Холла 6. Далее сигналы
Н1, Н2, Н3, пропорциональные напряженности магнитного поля, с выхода первого 9, второго 10 и третьего 11 дифференциального усилителя, соответственно, поступают на второй, третий и первый входы второго аналогового сумматора 13, где они суммируются с определенными коэффициентами:
,
где Н0 – сигнал, пропорциональный напряженности магнитного поля на поверхности испытуемого ИФМ, А1÷А3 – коэффициенты, определяемые методом наименьших квадратов.
Сигнал H0 с выхода второго аналогового сумматора 13 подается на второй вход регистрирующего блока 8. С помощью регистрирующего блока 8 фиксируется статическая характеристика ферромагнитного материала (фиг.3).
Блоки, входящие в состав устройства для испытания изделий из ферромагнитных материалов могут быть выполнены, например:
– электромагнит 1 любой из описанных в [Испытание магнитных материалов и систем / Е.В.Комаров, А.Д.Покровский, В.Г.Сергеев, А.Я.Шихин. – М.: Энергоатомиздат, 1984. – С.323];
– первичный преобразователь измерения индукции 2 на основе индукционной катушки;
– интегрирующий усилитель 3, как в прототипе;
– блок намагничивания 4 по схеме усилителя мощности с обратной связью по току, как показано на рис.4.13 в [Шихин А.Я. Автоматические магнитоизмерительные системы. – М.: Энергия, 1977. – 136 с.];
– датчики Холла 6 и 7 любого типа;
– регистрирующий блок 8 – любой двухкоординатный самописец;
– дифференциальные усилители 9, 10 и 11 на многоканальном измерительном усилителе типа Ф8029;
– сумматоры 12 и 13 согласно [Фолкенберри Л. Применение операционных усилителей и линейных ИС: Пер. с англ. – М.: Мир, 1985. – 752 с.];
– схема блока управления 5 показана на фиг.3 и содержит: генератор импульсов 15 с запуском и остановкой по внешним сигналам, счетчик импульсов 16, постоянное запоминающее устройство 17 и цифроаналоговый преобразователь 18. В ячейки постоянного запоминающего устройства 17 предварительно записаны коды, соответствующие требуемой форме (фиг.2) сигнала управления блоком намагничивания U5.1 и сигналов управления U5.2 подаваемые на вход интегрирующего усилителя 3. Блок управления работает следующим образом. В начальный момент времени внешним сигналом запускается генератор импульсов 15. Он вырабатывает импульсы постоянной частоты, которые поступают на счетный вход счетчика импульсов 16. Цифровой код на выходе счетчика импульсов 16 соответствует адресу ячейки памяти постоянного запоминающего устройства 17, в которой записана информация о том, какой сигнал и куда необходимо подать. С четырех разрядов постоянного запоминающего устройства 17 код, соответствующий форме намагничивающего тока U5.1, поступает на входы цифроаналогового преобразователя 18. Остальные четыре разряда постоянного запоминающего устройства 17 используются для формирования сигнала управления U5.2. Работа продолжается до момента времени t4.
Блоки, входящие в состав устройства управления 5 могут быть выполнены, например:
– генератор импульсов 15, счетчик импульсов 16, как это описано в [Якубовский СВ., Барканов Н.А., Кудряшов Б.П, Аналоговые и цифровые интегральные схемы. – М.: Сов. радио, 1979. – 336 с.];
– постоянное запоминающее устройство 17 на микросхеме КР556РТ16;
– цифроаналоговый преобразователь 18 на микросхеме К572ПА1А.
Экспериментальные исследования макета заявляемого устройства для испытания изделий из ферромагнитных материалов показали, что по сравнению с устройством аналогичного назначения (прототип) заявляемое устройство обеспечивает увеличение точности измерения напряженности магнитного поля при испытании ИФМ в полуразомкнутой магнитной системе.
Формула изобретения
Устройство для испытания изделий из ферромагнитных материалов, содержащее электромагнит, в рабочем зазоре которого установлены первичный преобразователь измерения индукции, связанный с интегрирующим усилителем, а также соединенный с электромагнитом блок намагничивания, вход которого связан с выходом блока управления, отличающееся тем, что оно дополнительно содержит два датчика Холла, расположенные в рабочем зазоре электромагнита, регистрирующий блок, первый вход которого соединен с выходом интегрирующего усилителя, второй вход интегрирующего усилителя подключен ко второму выходу блока управления, три дифференциальных усилителя, причем первый и второй входы первого дифференциального усилителя соединены с первым и вторым холовскими выводами первого датчика Холла, а первый и второй входы второго дифференциального усилителя соединены с первым и вторым холовскими выводами второго датчика Холла, два аналоговых сумматора, причем оба входа первого аналогового сумматора соединены холовскими выводами первого датчика Холла, а первый вход второго аналогового сумматора подключен к выходу третьего дифференциального усилителя, второй и третий входы второго аналогового сумматора соединены с выходами первого и второго дифференциальных усилителей соответственно, выход второго аналогового сумматора подключен ко второму входу регистрирующего блока, первый вход третьего дифференциального усилителя подключен к первому токовому выводу первого датчика Холла, а второй вход соединен с выходом первого аналогового сумматора, причем второй токовый вывод первого датчика Холла последовательно соединен с первым токовым выводом второго датчика Холла, источник тока, первый и второй выходы которого подключены к первому и второму токовым выводам первого и второго датчиков Холла соответственно.
РИСУНКИ
|
|