|
(21), (22) Заявка: 2008100069/09, 10.01.2008
(24) Дата начала отсчета срока действия патента:
10.01.2008
(46) Опубликовано: 27.05.2009
(56) Список документов, цитированных в отчете о поиске:
RU 2017164 С1, 30.07.1994. US 2007126423 A1, 07.06.2007. SU 1635149 A1, 15.03.1991. SU 1241161 A1, 30.06.1986.
Адрес для переписки:
105064, Москва, Гороховский пер., 8, кв.6, Г.Г. Валееву
|
(72) Автор(ы):
Валеев Георгий Галиуллович (RU)
(73) Патентообладатель(и):
Валеев Георгий Галиуллович (RU)
|
(54) СПОСОБ АТТЕСТАЦИИ АМПЛИТУДНОГО И ФАЗОВОГО РАСПРЕДЕЛЕНИЙ ПОЛЯ
(57) Реферат:
Изобретение предназначено для измерения поляризационной матрицы радиолокационных целей. Способ аттестации амплитудного и фазового распределений электромагнитного поля состоит в измерении амплитудного и фазового распределений поля в измерительной зоне установки, содержащей аппаратуру для измерения амплитуды и фазы вторичного излучения цели, с помощью металлического шара. Шар последовательного перемещают по трем декартовым координатам с началом координат в центре измерительной зоны, абсцисса которых совмещена с электрической осью антенны, а ордината с вертикалью, и одновременно с перемещением измеряют амплитуду и фазу вторичного излучения шара. Технический результат изобретения – возможность измерения амплитудного и фазового распределений поля по трем декартовым координатам в измерительной зоне, находящейся на высоте нескольких метров над поверхностью земли. 1 ил.
Изобретение относится к области радиолокации и предназначено для аттестации амплитудного и фазового распределений электромагнитного поля (далее поля) в измерительной зоне установок для измерения поляризационной матрицы радиолокационных целей.
Известен способ аттестации амплитудного и фазового распределений поля с помощью зонда, выполненного в виде рупорной антенны (Е.Н.Майзелсь, В.А.Торгованов, Измерение характеристик рассеяния радиолокационных целей, М., «Сов. Радио», 1972, стр.102, рис.3.34). Зонд установлен с возможностью перемещения в измерительной зоне установки в трех ортогональных направлениях и через кабель подключен к измерительной аппаратуре – амплифазографу. Этот способ позволяет аттестовать поле в измерительной зоне установок, расположенных в безэховой камере, но не пригоден для аттестации поля в измерительной зоне установок, расположенных на открытых площадках, когда измерительная зона находится высоко над поверхностью земли.
Наиболее близким аналогом изобретения является способ аттестации амплитудного и фазового распределений поля с помощью пассивного отражающего зонда – металлического шара и установки, содержащей аппаратуру для измерения амплитуды и фазы отраженного поля (Е.Н.Майзельс, В.А.Торгованов, Измерение характеристик рассеяния радиолокационных целей, М., «Сов. Радио», 1972, стр.106). Известный способ состоит в перемещении шара в плоскости, параллельной фазовому фронту падающей волны, с одновременным измерением амплитудного и фазового распределений поля в измерительной зоне установки. Способ не обеспечивает аттестацию амплитудного и фазового распределений поля по трем декартовым координатам в измерительной зоне, находящейся на высоте нескольких метров над поверхностью земли.
Технический результат изобретения – возможность измерения амплитудного и фазового распределений поля по трем декартовым координатам в измерительной зоне, находящейся на высоте нескольких метров над поверхностью земли.
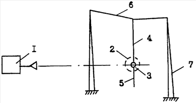
Изобретение поясняется чертежом, где представлена измерительная трасса установки, на которой введены обозначения: 1 – измерительная установка; 2 – измерительная зона установки; 3 – металлический шар; 4 – стропа подвески шара; 5 – стропа для управления с земли положением шара в измерительной зоне; 6 – несущий трос системы подвески целей; 7 – мачты системы подвески целей.
Описание способа по изобретению
Способ аттестации амплитудного и фазового распределений поля состоит в измерении амплитудного и фазового распределений электромагнитного поля в измерительной зоне 2 измерительной установки 1 (далее установки), содержащей аппаратуру для измерения амплитуды и фазы вторичного излучения цели с помощью металлического шара 3, путем его последовательного перемещения по трем декартовым координатам с началом координат в центре измерительной зоны 2, абсцисса которых совмещена с электрической осью антенны, а ордината с вертикалью, и одновременного с перемещением измерения амплитуды и фазы вторичного излучения шара. Электрическая ось антенны установки 1 проходит через центр измерительной зоны 2.
Шар 3 с помощью стропы 4 подвешивают в центр измерительной зоны 2, удаленной от поверхности земли, и последовательно перемещают по вертикали и горизонтали, параллельно фазовому фронту падающей волны, и вдоль электрической оси антенны установки 1.
Одновременно с каждым перемещением производят измерение амплитуды и фазы вторичного излучения шара.
Перемещение по горизонтали в фазовом фронте падающей волны и по электрической оси антенны осуществляют путем свободных колебаний шара на стропе 4 с амплитудой не меньше половины диаметра измерительной зоны 2. Перемещение шара 3 по вертикали в фазовом фронте падающей волны осуществляют с поверхности земли путем изменения длины стропы 4, на которой подвешен шар.
Реализация способа
Способ реализован с помощью металлического шара 3 радиусом 8,5 см, установки 1 – одноантенного измерителя обратного рассеяния 1 (СССР, авт.св. 302810) и двух стальных мачт 7 высотой 30 м. Установка 1 содержит генератор 3-сантиметрового диапазона волн, основной и опорный каналы, устройства разделения и регистрации падающих и рассеянных волн и приемопередающую антенну. Устройство разделения падающих и рассеянных волн выполнено в виде волноводного направленного ответвителя с основной линией квадратного сечения и двумя вторичными линиями прямоугольного сечения. В качестве устройства измерения и регистрации амплитуды и фазы применен амплифазограф (Е.Н.Майзелсь, В.А.Торгованов, Измерение характеристик рассеяния радиолокационных целей, М., «Сов. Радио», 1972, стр.103, рис.3.35). Измерительная зона 2 находится на высоте 10 м над поверхностью земли.
Перед началом аттестации металлический шар 3 помещают в капроновую сетку. К одному концу сетки привязывают стропу 4 длиной 20 м для крепления ее к несущему тросу 6 системы подвески целей, а к другому – стропу 5 длиной 9 м, достаточную для управления с земли положением шара в измерительной зоне на высоте. Трос 6 опускают на землю, привязывают к нему стропу сетки 4, предназначенную для крепления шара 3 к тросу 6. Поднимают трос 6 в горизонтальное рабочее положение, чем выводят шар 3 в центр измерительной зоны 2 на высоту 10 м. Свободный конец управляющей стропы 5 должен свисать вниз, не касаясь земли.
При аттестации амплитудного и фазового распределений поля в измерительной зоне вдоль электрической оси антенны шар 3 за свободную стропу выводят на край измерительной зоны 2 и отпускают в режим свободных колебаний в вертикальной плоскости, совмещенной с электрической осью антенны. Во время свободных колебаний шара 3 производят измерение и регистрацию амплитуды и фазы вторичного излучения шара с помощью устройства регистрации установки 1. Период свободных колебаний шара-маятника Т определяют по известной формуле:
,
где J – момент инерции шара;
m – масса шара;
g – ускорение свободного падения;
d – расстояние между точкой крепления (подвеса) и центром тяжести шара.
Длину (амплитуду колебаний) отклонения шара L из нейтрального положения определяют с помощью теодолита, путем измерения угла отклонения шара от вертикали, по формуле:
L=d·tg .
В нашем случае L=0,8 м.
При аттестации амплитудного и фазового распределений поля в измерительной зоне 2 поперек электрической оси антенны в горизонтальной плоскости шар 3 за свободный конец управляющей стропы 5 выводят из измерительной зоны 2 и отпускают в режим свободных колебаний в вертикальной плоскости, ортогональной электрической оси антенны. Во время свободных колебаний шара 3 производят измерение и регистрацию амплитуды и фазы вторичного излучения шара с помощью устройства регистрации установки 1.
Перед аттестацией амплитудного и фазового распределений поля в измерительной зоне 2 поперек электрической оси антенны в вертикальной плоскости трос 6 опускают на землю. К тросу прикрепляют блок, через который пропускают стропу 4, предназначенную для подъема шара в измерительную зону. Длина стропы 4 в этом случае должна быть достаточной для управления шаром с земли (не менее 50 м). Поднимают трос 6 в рабочее положение. После чего за свободный конец стропы 4, пропущенной через блок, шар 3 плавно перемещают до верхней границы измерительной зоны 2. Во время перемещения шара вверх производят измерение и регистрацию амплитуды и фазы вторичного излучения шара с помощью устройства регистрации установки 1.
В этом случае высоту подъема шара и длину его перемещения в измерительной зоне контролируют по изменению длины свободного конца несущей стропы 4.
Таким образом, измерение вторичного излучения шара при перемещении его по трем декартовым координата проводят несколько раз (3-5), после чего результаты измерений усредняют. Усредненные результаты измерения амплитуды и фазы вторичного излучения шара при его перемещении по трем координатам являются соответствующими распределениями амплитуды и фазы поля в измерительной зоне установки.
Полученные таким образом распределения амплитуды и фазы поля в измерительной зоне заносят в паспорт измерительной установки в виде диаграмм амплитуды и фазы поля.
Технический результат изобретения достигнут. Предложенный способ обеспечивает аттестацию амплитудного и фазового распределений поля по трем декартовым координатам в измерительной зоне, находящейся на высоте нескольких метров над поверхностью земли.
Отличительные признаки изобретения
Шар с помощью стропы подвешивают в центр измерительной зоны над поверхностью земли и последовательно перемещают его по вертикали и горизонтали, параллельно фазовому фронту падающей волны, и вдоль электрической оси антенны при одновременном с каждым перемещением измерении амплитуды и фазы вторичного излучения шара.
Перемещение по горизонтали в фазовом фронте падающей волны вдоль электрической оси антенны осуществляют путем свободных колебаний шара на стропе с амплитудой не меньше половины диаметра измерительной зоны.
Перемещение шара в фазовом фронте падающей волны по вертикали осуществляют путем изменения длины стропы, на которой подвешен шар.
Формула изобретения
Способ аттестации амплитудного и фазового распределений поля основан на измерении амплитуды и фазы электромагнитного поля в измерительной зоне установки, содержащей аппаратуру для измерения амплитуды и фазы отраженного поля с помощью металлического шара путем его перемещения в плоскости, параллельной фазовому фронту падающей волны, отличающийся тем, что шар с помощью стропы подвешивают в центр измерительной зоны над поверхностью земли и последовательно перемещают его по вертикали и горизонтали, параллельно фазовому фронту падающей волны и вдоль электрической оси антенны измерительной установки при одновременном с каждым перемещением измерении амплитуды и фазы вторичного излучения шара, причем перемещение по горизонтали в фазовом фронте падающей волны и по электрической оси антенны осуществляют путем свободных колебаний шара на стропе с амплитудой не меньше половины диаметра измерительной зоны, а перемещение шара в фазовом фронте падающей волны по вертикали осуществляют путем изменения длины стропы, на которой подвешен шар.
РИСУНКИ
|