|
|
(21), (22) Заявка: 2008104592/28, 06.02.2008
(24) Дата начала отсчета срока действия патента:
06.02.2008
(46) Опубликовано: 27.05.2009
(56) Список документов, цитированных в отчете о поиске:
SU 1453241 A1, 23.01.1989. SU 1610397 A1, 30.11.1990. SU 176111 A1, 26.10.1965. JP 62062246 A, 18.03.1983.
Адрес для переписки:
302020, г.Орел, Наугорское ш., 29, Орловский государственный технический университет (ОрелГТУ)
|
(72) Автор(ы):
Степанов Юрий Сергеевич (RU), Киричек Андрей Викторович (RU), Соловьев Дмитрий Львович (RU), Силантьев Сергей Александрович (RU), Баринов Сергей Владимирович (RU), Афанасьев Борис Иванович (RU), Тарасов Дмитрий Евгеньевич (RU), Фомин Дмитрий Сергеевич (RU)
(73) Патентообладатель(и):
Государственное образовательное учреждение высшего профессионального образования “Орловский государственный технический университет” (ОрелГТУ) (RU)
|
(54) УСТРОЙСТВО ДЛЯ ИСПЫТАНИЙ НА КОНТАКТНУЮ ВЫНОСЛИВОСТЬ ПОВЕРХНОСТЕЙ ДЕТАЛЕЙ МАШИН
(57) Реферат:
Изобретение относится к технологии машиностроения, к устройствам для испытаний на контактную выносливость поверхностей деталей машин. Устройство содержит основание, расположенную на нем плиту с индикатором осевой нагрузки и держателем образцов и обкатник с деформирующими телами, предназначенными для взаимодействия с образцами. Обкатник выполнен в виде диска, установленного одним торцом в патроне на шпинделе привода вращения, а другой торец снабжен кольцом из антифрикционного материала с впадинами для размещения в них деформирующих тел и сепаратором. На основании, установленном на приводе возвратно-поступательного движения, расположены две направляющие планки и накладка для крепления плиты с возможностью продольного возвратно-поступательного перемещения последней. Между упорами подвижной плиты и основания установлена пружина сжатия, которая центрируется винтом и создает статическую силу поджима образцов к обкатнику. Технический результат: расширение технологических возможностей, повышение производительности, установление влияния на контактно-усталостное изнашивание соотношения качения и проскальзывания. 6 ил.
Изобретение относится к технологии машиностроения, к устройствам для испытаний на контактную выносливость поверхностей деталей машин.
Известна машина для испытания на контактную выносливость, которая имеет фрикционный диск, закрепленный на вращающемся валу, приводит во вращение фрикционные катки, внутри которых размещены опоры, воспринимающие нагружающее усилие и передающие его на установленные в катках образцы, при этом нагружающий механизм обеспечивает индивидуальное нагружение опоры каждого катка [1. А.с. СССР 176111. Машина для испытания на контактную выносливость / Г.В.Иванов. Заявка 917430/25-28. 19.08.1964; 26.10.1965. Бюл. 21].
Недостатком известной машины для испытаний на контактную выносливость образцов различной формы является очень низкая производительность, связанная с обеспечением необходимого числа циклов нагружения, например до 106 и более, а также большая длительность испытаний (до 30 дней). Другим недостатком является то, что взаимодействие контртел с испытуемой поверхностью образца осуществляется в условиях качения с проскальзыванием, при этом с уменьшением радиуса обкатывания качение будет уменьшаться, а проскальзывание увеличиваться, однако, данная машина не позволяет определять соотношение качения и проскальзывания, а следовательно, получать достоверную информацию о процессе изнашивания.
Известно устройство для определения пластических деформаций и износа упрочненных материалов при испытаниях на контактную выносливость, которое включает станину, шпиндель, верхний держатель образца с зубьями, нижний держатель образца и шаровые тела [2. А.с. СССР 1453241. Устройство для определения пластических деформаций и износа упрочненных материалов при испытаниях на контактную выносливость / Г.Ф.Перлов, В.П.Браженцев, А.В.Кивва, С.Н.Рыжов. Заявка 4292176/25-28, 30.07.87; 23.01.89. Бюл. 3]. Цилиндрическая поверхность верхнего держателя образца имеет четное число зубьев с одинаковым шагом. На нижнем держателе образца установлены магниторезистивные преобразователи, размещенные диаметрально противоположно и подключенные к усилителям. Выход усилителя подключен к сумматору. Преобразователи установлены посредством регулировочного кольца из немагнитного материала и могут перемещаться вдоль продольной оси устройства.
Повышение производительности известного устройства достигается за счет одновременного испытания большого количества образцов в одних и тех же условиях. Однако недостатком устройства являются узкие технологические возможности, при этом взаимодействие контртел с испытуемой поверхностью образца осуществляется в условиях качения с проскальзыванием, а данное устройство не позволяет определять соотношение качения и проскальзывания и, следовательно, получать достоверную информацию о процессе изнашивания.
Задачей изобретения является расширение технологических возможностей, повышение производительности, установление влияния на контактно-усталостное изнашивание соотношения качения и проскальзывания.
Поставленная задача решается с помощью предлагаемого устройства для испытаний на контактную выносливость поверхностей деталей машин, содержащее основание, расположенную на ней плиту с индикатором осевой нагрузки и держателем образцов и обкатник с деформируемыми телами, предназначенными для взаимодействия с образцами, причем обкатник выполнен в виде диска, установленного одним торцом в патроне на шпинделе привода вращения, а другой торец снабжен кольцом из антифрикционного материала с впадинами для размещения в них деформируемых тел и сепаратором, при этом на основании, установленном на приводе возвратно-поступательного движения, расположены две направляющие планки и накладка для крепления плиты с возможностью продольного возвратно-поступательного перемещения последней, кроме того, между упорами подвижной плиты и основания установлена пружина сжатия, которая центрируется винтом и создает статическую силу поджима образцов к обкатнику.
Особенности конструкции устройства для испытаний на контактную выносливость поверхностей деталей машин поясняются чертежами.
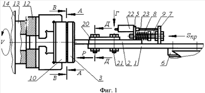
На фиг.1 представлена конструкция устройства и схема испытания на контактную выносливость плоских образцов на токарном станке, вид спереди; на фиг.2 – то же, вид сверху по стрелке Г на фиг.1; на фиг.3 – сечение по А-А на фиг.1, торец обкатника с рабочими деформируемыми телами – шарами; на фиг.4 – продольное сечение обкатника по Б-Б на фиг.3; на фиг.5 – сечение по В-В на фиг.1, вид с торца на держатель образцов; на фиг.6 – сечение по Д-Д на фиг.1.
Рабочие поверхности деталей, воспринимающие концентрированные циклические контактные нагрузки, часто выходят из строя вследствие усталостного разрушения. Для повышения контактной выносливости таких деталей широко используются различные способы упрочнения, такие как термообработка, химико-термическая обработка, поверхностное пластическое деформирование. Определение эффективности использования упрочнения часто возможно только в результате экспериментальных испытаний на контактную выносливость упрочненных образцов. Для этого в настоящее время применяются различные методики и установки, достоверность исследований на которых в первую очередь зависит от того, на сколько условия испытаний будут точно воспроизводить условия работы сопряженных поверхностей.
В настоящее время существует целый ряд деталей машин, такие как бойки, различные виды опор, рельсов, направляющих и др., у которых изнашиваемая поверхность является плоской. Одной из основных проблем при испытаниях на контактную выносливость образцов различной формы и, особенно с плоской поверхностью, является повышение производительности. Большая длительность испытаний (до 30 дней) обычно связана с обеспечением необходимого числа циклов нагружения до 106 и более.
Предлагаемое устройство предназначено для испытаний на контактную выносливость в основном плоских поверхностей деталей машин. Устройство содержит основание 1 и расположенную на нем плиту 2, которая установлена подвижно относительно основания и имеет возможность продольного возвратно-поступательного перемещения SПР.
С одной стороны на плите 2 установлен держатель 3 с образцами 4, а с другой стороны плиты расположен упор 5. Основание 1 устанавливается на приводе возвратно-поступательного движения (не показан) или, например, на суппорте 6 токарного станка, как это показано на фиг.1 и 2. На основании 1 жестко закреплен упор 7. Между упором 5 подвижной плиты 2 и упором 7 основания 1 установлена пружина сжатия 8, которая центрируется винтом 9 и создает статическую силу Р поджима образцов 4 к обкатнику 10.
На обкатнике 10 установлены деформируемые тела, например шары 11, предназначенные для взаимодействия с образцами 4. Обкатник 10 выполнен в виде диска и устанавливается одним торцом в зажимном приспособлении привода вращения, например в патроне 12 на шпинделе 13 токарного станка 14. Другой торец обкатника 10 снабжен кольцом 15 из антифрикционного материала (фторопласт, текстолит, войлок и т.п.) с впадинами для размещения в них деформируемых тел 11. Кольцо 15 неподвижно крепится в отверстии обкатника 10 винтом 16. Для удержания и центрирования деформируемых тел 11 обкатник снабжен сепаратором 17, который крепится к обкатнику винтами 18.
Для направления возвратно-поступательных движений плиты 2 по основанию 1, которое осуществляется по скользящей посадке, на основании неподвижно смонтированы две направляющие планки 19. Для подвижного крепления плиты 2 на основании 1 на направляющих планках установлена накладка 20, закрепленная на основании 1 винтами 21.
На другом торце подвижной плиты 2 на упоре 5 установлен индикатор часового типа 22 с щупом 23. При контакте щупа 23 с упором 7, расположенном на основании 1, стрелка индикатора 22 отклоняется, определяя величину перемещения подвижной плиты 2 относительно основания 1. Между упором 5 подвижной плиты 2 и упором 7 основания 1 установлена пружина 8, сжатие которой предварительно тарируется в зависимости от величины прикладываемой силы Р. В результате продольного перемещения основание 1 с помощью привода возвратно-поступательного движения (не показан) своим упором 7 будет воздействовать через пружину 8 на подвижную плиту 2, поджимая закрепленный на ней держатель 3 с образцами 4 к обкатнику 10. Центрирование пружины 8 осуществляется с помощью регулировочного болта 9, с одной стороны закрепленного на упоре 7 основания 1, а с другой – свободно перемещающегося в отверстии упора 5 подвижной плиты 2.
Испытания осуществляются следующим образом. Продольным перемещением основания 1 держатель 3 с образцами 4 поджимается к обкатнику 10. При этом пружина 8 сжимается, упор 7 воздействует через щуп 23 на индикатор 22, по показаниям которого устанавливается необходимая для испытаний величина статического поджатия Р держателя 3 с образцами 4 к обкатнику 10. При достижении требуемой нагрузки движение основания 1 блокируется, исключая его произвольный отход во время испытаний. Включается вращение V обкатника 10 с заданной частотой, при этом деформирующие тела (например, шары) 5 совершают круговое обкатывающее движение по поверхности образцов и держателя, в котором они установлены. После прохода заданного числа циклов контактного нагружения испытания завершаются, образцы 4 извлекаются из держателя 3 и подвергаются лабораторным исследованиям.
При работе устройства необходима подача смазки в зону контакта деформирующих тел с образцами. Для этого антифрикционное кольцо 15 (например, войлочное) периодически пропитывают соответствующим смазочным материалом или используют другие известные способы подачи смазки.
Расположение деформирующих тел 11 на различном расстоянии от центра обкатника R1, R2, R3 позволяет за одно испытание получить на каждом образце несколько дорожек качения (на фиг.5 три дорожки качения). Максимальная угловая скорость будет при качении шаров по радиусу R3, минимальная – по R1. Соответственно, при R3 соотношение качение-проскальзывание будет больше, чем при R2, а при R2 больше чем при R1. В результате появляется возможность установить влияние на изнашивание соотношения качение-проскальзывание, а также различной скорости V обкатывания.
Пример. Для испытаний на контактную выносливость плоских образцов было изготовлено экспериментальное устройство и установлено на токарном станке мод. 16К20Т1 с деформирующими телами в виде шаров, имеющее техническую характеристику, приведенную в таблице 1.
Расположение шаров в восемь радиальных рядов позволяет за один оборот обкатника осуществлять восемь циклов нагружения, что существенно уменьшает время испытаний. Так, в результате использования установки при испытаниях на базе 106 циклов, частоте вращения шпинделя 400 об/мин время испытаний составило – 5,2 часа.
| Таблица 1. |
| Техническая характеристика экспериментального устройства для испытаний на контактную выносливость плоских образцов |
| Максимальная сила статического поджима образцов к обкатнику, Н |
до 1200 |
| Частота вращения обкатника, об/мин |
до 400 |
| Скорость обкатывания, м/с |
до 2,5 |
| Диаметр шаров обкатника, мм |
8,9 |
| Максимальный диаметр дорожки качения, мм |
114,53 |
| Минимальный диаметр дорожки качения, мм |
78,88 |
| Кол-во шаров в одном пазе сепаратора обкатника, шт. |
3 |
| Кол-во шаров одновременно действующих на одну дорожку качения, шт. |
8 |
| Количество одновременно испытуемых образцов, шт. |
до 8 |
| Габаритные размеры, мм |
600×200×170 |
| Масса, кг |
12 |
Размещение на держателе сразу нескольких образцов (до 8 шт.) позволяет одновременно провести их испытания при одинаковых условиях, наглядно сравнить износ поверхности образцов после различных упрочняющих обработок при различных режимах упрочнения, что значительно повышает производительность процесса исследований.
Формула изобретения
Устройство для испытаний на контактную выносливость поверхностей деталей машин, содержащее основание, расположенную на нем плиту с индикатором осевой нагрузки и держателем образцов и обкатник с деформирующими телами, предназначенными для взаимодействия с образцами, отличающееся тем, что обкатник выполнен в виде диска, установленного одним торцом в патроне на шпинделе привода вращения, а другой торец снабжен кольцом из антифрикционного материала с впадинами для размещения в них деформирующих тел и сепаратором, при этом на основании, установленном на приводе возвратно-поступательного движения, расположены две направляющие планки и накладка для крепления плиты с возможностью продольного возвратно-поступательного перемещения последней, кроме того, между упорами подвижной плиты и основания установлена пружина сжатия, которая центрируется винтом и создает статическую силу поджима образцов к обкатнику.
РИСУНКИ
|
|