|
(21), (22) Заявка: 2007121373/28, 07.06.2007
(24) Дата начала отсчета срока действия патента:
07.06.2007
(43) Дата публикации заявки: 20.12.2008
(46) Опубликовано: 27.05.2009
(56) Список документов, цитированных в отчете о поиске:
US 5408310 А, 18.04.1995. RU 2214583 С1, 20.10.2003. US 2006066839 А1, 30.03.2006. RU 2180436 C1, 10.03.2002. JP 6174843 А, 24.06.1994.
Адрес для переписки:
121108, Москва, ул. Ивана Франко, 4, ЗАО ЦНИТИ “Техномаш-ВОС”, генеральному директору М.Я. Яковлеву
|
(72) Автор(ы):
Яковлев Михаил Яковлевич (RU), Цуканов Владимир Николаевич (RU), Кузнецов Виталий Анатольевич (RU)
(73) Патентообладатель(и):
Закрытое акционерное общество ЦНИТИ “Техномаш-ВОС” (ЗАО ЦНИТИ “Техномаш-ВОС”) (RU)
|
(54) ОПТИЧЕСКИЙ РЕФЛЕКТОМЕТР
(57) Реферат:
Рефлектометр используется для диагностики волоконно-оптических трактов при производстве оптических волокон и волоконно-оптических кабелей, при прокладывании и эксплуатации волоконно-оптических линий связи. Рефлектометр содержит блок управления и обработки, один из выходов которого соединен с входом формирователя импульсов, выход которого соединен с входом источника оптического излучения, оптически связанного с входом Y-образного оптического разветвителя, вход/выход которого связан с выходным оптическим соединителем рефлектометра. Второй выход Y-образного оптического разветвителя связан с оптическим входом фотоприемника, выход которого связан через усилитель с входом блока управления и цифровой обработки, выходы которого связаны с блоком отображения информации. Введены оптоэлектронный модулятор, подключенный между выходом Y-образного оптического разветвителя и фотоприемником, и программируемый генератор задержанных импульсов, входы программного управления которого и вход внешнего запуска связаны с блоком управления и обработки, вход внешнего запуска одновременно связан с входом формирователя импульсов, а его выход связан с управляющим входом оптоэлектронного модулятора. Технический результат – уменьшение мертвой зоны при измерении мест расположения неоднородностей вдоль волоконно-оптических трактов. 6 ил.
Изобретение относится к области измерительной техники, техники связи и оптоэлектроники и может быть использовано для диагностики волоконно-оптических трактов при производстве оптических волокон и волоконно-оптических кабелей, при прокладывании и эксплуатации волоконно-оптических линий связи.
Известно устройство, представляющее собой оптический импульсный рефлектометр [1, стр.27]. Устройство содержит оптический и базовый модули. Оптический модуль состоит из импульсного генератора, лазерного диода, Y-образного оптического разветвителя, фотоприемника, усилителя, оптического соединителя, аналого-цифрового преобразователя (АЦП). Базовый модуль состоит из микропроцессора и дисплея. Устройство вырабатывает оптический зондирующий импульс, направляемый в волоконно-оптический тракт, и анализирует излучение обратного рассеяния на выходе Y-образного оптического разветвителя.
Один из выходов микропроцессора подключен к входу импульсного генератора, который связан с контролируемым волоконно-оптическим трактом через последовательно установленные лазерный диод, Y-образный оптический разветвитель и оптическим соединитель. Сигнал обратного рассеяния из контролируемого волоконно-оптического тракта поступает на вход/выход Y-образного оптического разветвителя и далее с выхода Y-образного оптического разветвителя поступает на оптический вход фотоприемник, выход которого подключен к одному из входов микропроцессора через последовательно установленные усилитель и АЦП. По результатам измерения микропроцессор рассчитывает рефлектограмму, которая отображается на дисплее. Устройство позволяет измерять затухание оптического сигнала вдоль волоконно-оптического тракта и расстояние до мест неоднородностей.
Недостатком устройства является большая мертвая зона, появляющаяся при измерении расстояния до мест оптических неоднородностей и располагающаяся за неоднородностью. Величина мертвой зоны зависит от длительности зондирующего оптического импульса и тем больше, чем длиннее импульс. При уменьшении длительности зондирующих оптических импульсов уменьшается мощность сигнала обратного рассеяния и динамический диапазон измерений. Если в волоконно-оптическом тракте имеются две неоднородности, расположенные друг от друга на расстоянии меньшем, чем мертвая зона, то будет зарегистрирована только первая из них.
Ширина мертвой зоны lDZ определяется по формуле [1]

где tии – длительность зондирующего импульса;
f – полоса пропускания фотодиода;
с – скорость света в вакууме;
n – показатель преломления сердцевины волокна оптического кабеля контролируемого волоконно-оптического тракта.
При длительности импульса 10 нс, если принять полосу пропускания фотодиода равной 500 МГц, показатель преломления сердцевины оптического волокна равным 1,5, то величина мертвой зоны будет равна 2 м.
Наибольшую ширину будет иметь мертвая зона, расположенная непосредственно за входным торцом оптического волокна контролируемого волоконно-оптического тракта. Оптический импульс, отраженный от входного торца, имеет максимальную амплитуду и вызывает насыщение p-n-перехода фотодиода фотоприемника. Величина мертвой зоны в этом случае будет определяться временем рассасывания p-n-перехода.
Известно устройство, представляющее собой частотно-импульсный оптический рефлектометр [2]. Устройство состоит из следующих основных узлов:
– формирователя оптических измерительных сигналов, состоящего из схемы формирования импульсов и передающего оптического модуля;
– регистрирующего устройства, включающего Y-образный оптический разветвитель, фотоприемник, компаратор, усилитель с регулируемым коэффициентом усиления, расширитель импульсов и АЦП;
– устройства управления и обработки измеряемой информации, содержащего два микроконтроллера, электронные ключи, цифровую интегральную линию задержки и программируемый счетчик-делитель частоты.
Формирователь импульсов вырабатывает одиночный зондирующий импульс, направляемый в измеряемый волоконно-оптический тракт. Устройство позволяет выделить обратно отраженные сигналы от конкретной области измеряемого волоконно-оптического тракта и измерить потери на отражение от заданной области контролируемого тракта. Обратно отраженный сигнал направляется на вход регистрирующего устройства, а с выхода регистрирующего устройства направляется в устройство управления и обработки измеряемой информации. При наличии локальных неоднородностей в волоконно-оптическом тракте отраженные от этих неоднородностей оптические импульсы через Y-образный оптический разветвитель направляются на оптический вход фотоприемника. К выходу фотоприемника подключен компаратор, который нормирует импульсы по амплитуде. К выходу компаратора подключен счетчик-делитель частоты, который производит выборку одного из отраженных импульсов и направляет его на вход линии задержки, где он задерживается на фиксированное время. Выбранный импульс направляется на вход формирователя импульсов. Время задержки должно быть не менее двойного времени распространения оптических сигналов по волоконно-оптическому тракту. За счет положительной обратной связи устанавливается автоколебательный режим. Период автоколебаний определяет расстояние до места расположения неоднородности.
Недостатком устройства является большая мертвая зона, появляющаяся при измерении расстояния до мест оптических неоднородностей, такая же, как в ранее рассмотренном устройстве. Мертвая зона не позволяет различить две близко расположенные неоднородности.
Известно устройство, представляющее собой оптический рефлектометр [3], наиболее близкое по своей технической сущности к изобретению. Устройство позволяет измерять отраженную оптическую мощность, потери на отражение (коэффициенты отражения) и расстояние до места расположения локальных неоднородностей измеряемого волоконно-оптического тракта.
Устройство содержит: блок времязадающего генератора, формирователь импульсов, полупроводниковый источник оптического излучения, Y-образный оптический разветвитель, выходной оптический соединитель, фотоприемник, усилитель, блок управления и обработки, блок отображения информации, волоконно-оптическую линию задержки, схему задержки.
Выходы блока времязадающего генератора соединены с входом формирователя импульсов и входом схемы задержки. Выход формирователя импульсов соединен с измеряемым волоконно-оптическим трактом через последовательно соединенные полупроводниковый источник оптического излучения, Y-образный оптический разветвитель, волоконно-оптическую линию задержки и выходной оптический соединитель. Второй выход Y-образного оптического разветвителя соединен с одним из входов блока управления и обработки через последовательно установленные фотоприемник и усилитель. Выход блока управления и обработки соединен с входом блока отображения информации, а второй вход блока управления и обработки соединен с выходом схемы задержки. Устройство определяет расстояние до места локальных неоднородностей по времени задержки обратно вернувшегося зондирующего импульса, причем мертвая зона, возникающая в начале измеряемого волоконно-оптического тракта, уменьшается благодаря волоконно-оптической линии задержки, расположенной на входе тракта.
Недостатком устройства является большая мертвая зона при измерении параметров неоднородностей, расположенных в середине волоконно-оптического тракта, зависящая от длительности зондирующего оптического импульса. Если в середине тракта имеются две близко расположенные друг от друга неоднородности, то мертвая зона от первой из них не позволяет зарегистрировать и измерить расстояние до второй неоднородности.
Предложенное устройство решает задачу уменьшения мертвой зоны при измерении места расположения неоднородностей вдоль волоконно-оптического тракта.
Сущность изобретения заключается в том, что в оптический рефлектометр, содержащий блок управления и обработки, один из выходов которого соединен с входом формирователя импульсов, выход формирователя импульсов соединен с входом полупроводникового источника оптического излучения, выход которого оптически связан с входом Y-образного оптического разветвителя, вход/выход которого оптически связан с выходным оптическим соединителем рефлектометра, второй выход Y-образного оптического разветвителя связан с оптическим входом фотоприемника, выход которого связан с входом блока управления и обработки через усилитель, выходы блока управления и обработки связаны с блоком отображения информации,
введены оптоэлектронный модулятор, подключенный между выходом Y-образного оптического разветвителя и оптическим входом фотоприемника, программируемый генератор задержанных импульсов, входы программного управления которого и вход внешнего запуска связаны с блоком управления и обработки, причем вход внешнего запуска одновременно связан с входом формирователя импульсов, а выход программируемого генератора задержанных импульсов связан с управляющим входом оптоэлектронного модулятора.
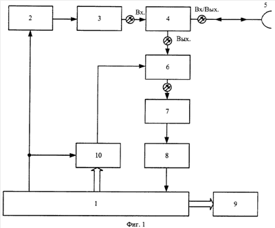
На фиг.1 изображена структурная схема предлагаемого рефлектометра.
Рефлектометр состоит из:
– блока управления и обработки 1;
– формирователя импульсов 2;
– полупроводникового источника оптического излучения 3;
– Y-образного оптического разветвителя 4;
– выходного оптического соединителя 5;
– оптоэлектронного модулятора 6;
– фотоприемника 7;
– усилителя 8;
– блока отображения информации 9;
– программируемого генератора задержанных импульсов 10.
Рефлектометр работает следующим образом.
Блок управления и обработки 1 состоит из управляющего микроконтроллера и системы сбора данных. Система сбора данных выполняет преобразование аналоговых сигналов с выхода фотоприемника в цифровой вид для их дальнейшей обработки и построена на основе связанных между собой расширителя импульсов и АЦП. Микроконтроллер управляет узлами рефлектометра.
При выполнении управляющей программы микроконтроллер вырабатывает импульс напряжения, поступающий на вход формирователя импульсов 2 (см. фиг.2, эпюра 1), который по переднему фронту сигнала на его входе формирует короткий импульс тока накачки полупроводникового источника оптического излучения 3 с заданной длительностью tии (см. фиг.2, эпюра 2).
Полупроводниковый источник оптического излучения 3 генерирует зондирующий оптический импульс, который направляется на вход измеряемого волоконно-оптического тракта через оптический Y-образный разветвитель 4 и розетку оптического соединителя 5.
На каждый зондирующий оптический импульс измеряемый волоконно-оптический тракт откликается цугом импульсов от неоднородностей тракта. Эти импульсы направляются оптическим Y-образным разветвителем 4 на оптический вход фотоприемника 7 через оптоэлектронный модулятор 6, который в исходном состоянии находится в выключенном состоянии и не пропускает сигнал. Включение оптоэлектронного модулятора 6 происходит по команде управляющего микроконтроллера выходным сигналом программируемого генератора задержанных импульсов только на короткое время  в момент времени i (см. фиг.2, эпюра 3). Программируемый генератор задержанных импульсов состоит из формирователя импульса длительности  , цифроаналогового преобразователя (ЦАП) и схемы задержки. Схема задержки состоит из генератора линейно-изменяющегося напряжения (ГЛИН) и компаратора, причем один вход компаратора подключен к выходу ГЛИН, а другой – к выходу ЦАП, выход компаратора связан с входом формирователя импульсов. Вход запуска ГЛИН подключен к выходной линии микроконтроллера, управляющей формирователем импульсов. Изменяя код на цифровых входах ЦАП, можно регулировать задержку между фронтом зондирующего импульса и фронтом импульса, формируемого на выходе программируемого генератора задержанных импульсов.
ГЛИН вырабатывает линейно-изменяющееся напряжение Us(t), которое поступает на один из входов компаратора. На другой вход компаратора подается постоянное регулируемое напряжение Up (см. фиг.3, эпюра 2). Значение Up задается управляющим микроконтроллером исходя из необходимой величины i и передается на компаратор через ЦАП. В момент равенства пилообразного напряжения, вырабатываемого ГЛИН Us(t) и Up, на выходе компаратора появляется напряжение, используемое для запуска формирователя импульса генератора задержанных импульсов. Формирователь импульса генератора задержанных импульсов формирует на своем выходе короткий импульс включения оптоэлектронного модулятора 6 длительностью  в момент времени i (см. фиг.3, эпюра 4). Последовательно изменяя i-ое Up (Up-i) на величину Up в пределах i-го Траб, можно последовательно сдвигать момент включения оптоэлектронного модулятора 6 на величину i+ . Рассматриваемый способ получения задержанных импульсов позволяет обеспечить высокую стабильность временного интервала i, определяемую в основном стабильностью средней скорости изменения пилообразного напряжения k во время рабочего хода Траб, причем k=Umax/Траб (см. фиг.3, эпюра 2). Отсюда i=Up-i/k.
Сдвиг момента включения оптоэлектронного модулятора 6 i на время  можно записать математически, как

где 0 – момент времени, соответствующий приходу обратно отраженного сигнала от входного торца измеряемого волоконно-оптического тракта на оптический вход оптоэлектронного модулятора 6.
 и i определяют участок измеряемого волоконно-оптического тракта, обратно рассеянный сигнал с которого поступает на вход фотоприемника 7, то есть определяют место расположения и размер контролируемой области волоконно-оптического тракта. На вход фотоприемника 7 приходят сигналы от измеряемого волоконно-оптического тракта, преобразованные оптоэлектронным модулятором 6 (см. фиг.2, эпюра 5).
Если перейти к пространственным координатам li и l от временных координат i и  , то применяемый оптоэлектронный модулятор 6 снижает мощность отраженного оптического сигнала от областей тракта, не соответствующих i-ой l, что препятствует насыщению фотоприемника 7 и возникновению мертвых зон. Расстояние li от начала волоконно-оптического тракта до начала контролируемой области l, сигнал от которой поступит на вход фотоприемника 7, определяется по формулам


где li – расстояние от начала волоконно-оптического тракта до начала контролируемой области; l – размер контролируемой области.
Фотоприемник 7 преобразует оптические сигналы, обратно рассеянные от неоднородностей измеряемого волоконно-оптического тракта, в электрические. Выходное напряжение фотоприемника 7, которое подается на вход усилителя 8, показано на фиг.4 и фиг.5. Усилитель работает в линейном режиме и необходим для усиления амплитуды импульсов, поступающих с выхода фотоприемника 7, до уровня, достаточного для его преобразования в цифровой вид с помощью АЦП.
Для того чтобы снизить требования на быстродействие АЦП, в схеме системы сбора данных применен расширитель импульсов, подключенный между усилителем 8 и входом АЦП, который из импульса длительностью  , пришедшего на вход расширителя импульсов, на своем выходе вырабатывает импульс, квазипостоянный по уровню, с длительностью  РШ> , достаточной для преобразования этого импульса применяемым АЦП. Обычно расширители импульсов строятся по диодно-конденсаторной накопительной схеме [4].
На входе расширителя импульсов установлен конденсатор с малым током утечки, заряжаемый входным импульсом напряжения через диод, который ускоряет процесс перезаряда емкости и уменьшает возможность возникновения импульсных помех, а затем медленно разряжается через затвор полевого транзистора и обратные сопротивления диода и аналогового ключа, необходимого для разряда конденсатора после проведения измерений.
В момент времени  РШ от микроконтроллера на вход сброса расширителя импульсов через аналоговый ключ поступает импульс сброса расширителя импульсов, который готовит расширитель импульсов к приходу следующего измеряемого импульса, открывается ключевая схема, выполненная на полевых транзисторах, разряжающая накопительный конденсатор. Расширитель импульсов ожидает момент прихода следующего измерительного импульса.
Оцифрованный сигнал с выхода АЦП поступает на вход микроконтроллера. Микроконтроллер накапливает информацию обо всем измеряемом волоконно-оптическом тракте. По результатам этой информации строится рефлектограмма измеряемого волоконно-оптического тракта, которая передается в блок отображения информации 9. Блок отображения информации 9 выводит на встроенный дисплей рефлектограмму контролируемого волоконно-оптического тракта.
Рассмотрим подробно работу приемного узла предлагаемого устройства, состоящего из оптоэлектронного модулятора 6 и фотоприемника 7.
Основным элементом полупроводникового фотоприемника – фотодиода, является p-n-переход. При подаче на него лазерного излучения от измеряемого волоконно-оптического тракта происходит генерация электронно-дырочных пар. Электрическое поле перехода разделяет неравновесные носители заряда, причем ток, образованный этими носителями, совпадает по направлению с обратным током p-n-перехода. Из-за того, что фотоприемнику необходимо время для освобождения своего p-n-перехода от избыточно заряда, зондирующий импульс длительностью tии, сгенерированный лазерным диодом 3, будет имеет меньшую длительность, чем длительность сигнала на выходе фотоприемника 7 tфп.
В оптическом рефлектометре без оптоэлектронного модулятора 6 [1-3], если в области t< i контролируемого волоконно-оптического тракта находится локальная неоднородность, это может быть оптический соединитель или трещина в оптическом волокне, то сигнал обратного рассеяния резко увеличится за счет френелевского отражения. Это может вызвать насыщение фотоприемника 7, что приведет к появлению мертвой зоны, ограничивающей возможность измерения потерь вдоль контролируемого волоконно-оптического тракта (см. фиг.4).
На фиг.4 и фиг.5 через tии обозначена действительная длина зондирующего импульса, tRC – задний фронт импульса на выходе фотоприемника 7, обусловленный постоянной времени RC фотодиода и конечной полосой пропускания фотоприемника f.
Как следует из (1), при заданной конечной постоянной полосе пропускания f для оптического рефлектометра без оптоэлектронного модулятора [1-3] ширина мертвой зоны зависит от длительности зондирующего импульса tии. Длинный зондирующий импульс просто загораживает близко расположенные неоднородности, попадающие в мертвую зону рефлектометра. За счет этих близко расположенных отражающих неоднородностей суммарный отраженный импульс просто удлиняется, что не позволяет точно определить место расположения близко расположенных локальных неоднородностей вдоль измеряемого волоконно-оптического тракта.
На фиг.4 изображен импульс на выходе фотоприемника с применением в конструкции оптического рефлектометра оптоэлектронного модулятора 6 и без него. Без применения оптоэлектронного модулятора 6 уровень сигнала на выходе фотоприемника равен Рот и мертвая зона складывается из tии+tRC. С применением оптоэлектронного модулятора 6 Рот ограничивается сверху по амплитуде до величины Рот *, ограниченной только совершенством конструкции оптоэлектронного модулятора 6, при этом мертвая зона снижается, при заданной полосе пропускания f, до величины tии+tRC *. Уровень сигнала на выходе фотоприемника при подаче на него оптического импульса возрастает по экспоненциальному закону до определенного порогового уровня Рт. Во время t>tии происходит экспоненциальный спад напряжения на фотоприемнике, причем точка tии принимается за новое начало координат.
Возрастание P(t tии) и спад напряжения P(t>tии) на выходе фотоприемника при его ненасыщении будут зависеть от f и максимального уровня сигнала Рт, пришедшего на оптический вход фотоприемника. Это можно записать [1] как:

Рассмотрим пример на фиг.4. При малом размере неоднородности фотоприемник не входит в насыщение и тогда применение оптоэлектронного модулятора 6 позволяет снизить величину мощности Рот, обратно рассеянной от неоднородности, до величины Рот *.
Зададим f=30 МГц, Рот=2,5 Pот *. Тогда из (5) величина мертвой зоны будет составлять tии+tRC*=tии+0,68tRC. Следовательно, при применении оптоэлектронного модулятора в конструкции рефлектометра величина мертвой зоны уменьшилась на величину 0,32 tRC.
Рассмотрим пример на фиг.5. Как уже отмечалось, при использовании оптического рефлектометра без оптоэлектронного модулятора 6 [1-3] на входе фотоприемника может появиться мощный отраженный сигнал Рн (см. фиг.2 эпюра 4), превышающий порог насыщения фотоприемника, что приведет к появлению мертвой зоны, которая сложится из tн+tp-n+tRC. Здесь кажущееся время генерации лазерного импульса складывается на выходе фотоприемника из двух составляющих: времени нарастания импульса на выходе фотоприемника tн и времени освобождения p-n-перехода от избыточного заряда (насыщение фотоприемника) tp-n.
При применении оптоэлектронного модулятора 6 уровень оптической мощности, приходящей на вход фотоприемника, снижается оптоэлектронным модулятором до величины Рн *. Этот ослабленный сигнал поступает на вход фотоприемника, не вызывая его насыщения и уменьшая величину мертвой зоны с величины tн+tр-n+tRC до величины tии+tRC *, что показано на фиг.5.
Предположим, что tн+tр-n=3tии. Тогда величину мертвой зоны можно переписать в виде 3 tии+tRC. Зададим f=30 МГц, Рн=4 Рн *. В результате получим величину мертвой зоны, равную tии+tRC *=tии+0,56tRC. Следовательно, при применении оптоэлектронного модулятора в конструкции рефлектометра величина мертвой зоны уменьшилась на величину 2tии+0,44tRC. Если задать Рн *=Рот *=0, то можно снизить до нуля величину мертвой зоны.
Рассмотрим подробнее алгоритм поиска близко расположенных отражающих неоднородностей (событий), который основан на том, что применение оптоэлектронного модулятора 6 позволяет вырезать обратно отраженные сигналы определенной длительности. Эпюры сигналов показаны на фиг.6.
На эпюре 1 фиг.6 показаны отраженные сигналы от трех отражающих событий вдоль измеряемого волоконно-оптического тракта и суммарный сигнал от трех событий.
На эпюре 2 фиг.6 демонстрируется алгоритм анализа этих трех отражающих событий.
Как видно из эпюры 2 фиг.6, при выбранном в примере времени смещения строба  обнаружить точно третье отражающее событие не удалось из-за большого времени смещения строба  . При уменьшении величины  можно выделить и третье событие. Реально достижимая полоса 1 ГГц позволяет сформировать строб  =1 нс. Как следует из (4), при  =1 нс разрешение между событиями будет равно 20 см, что превышает мертвую зону лучших из существующих OTDR рефлектометров (к примеру, у оптического рефлектометра фирмы Yokogawa AQ 7270 мертвая зона по событиям равна 0,8 м) [5].
Таким образом, достигается цель изобретения – по сравнению с аналогами уменьшается мертвая зона при измерении места расположения неоднородностей вдоль волоконно-оптического тракта.
Литература
1. Листвин А.В., Листвин В.Н. Рефлектометрия оптических волокон. – М.: ЛЕСАРарт, 2005. 208 с.
2. Яковлев М.Я., Цуканов В.Н., Истратов В.В., В.А.Кузнецов, В.Н.Великов Частотно-импульсный рефлектометр. Фотон экспресс, 4 (44), июнь 2005 г., с.65-72.
3. Патент U.S. 5408310. Masaaki Furuhashi, Ryoji Handa. Optical time domain reflectometer having shortened dead zone.
4. Маграчев З.В. Аналоговые измерительные преобразователи одиночных сигналов. М., “Энергия”, 1974.
Формула изобретения
Оптический рефлектометр, содержащий блок управления и обработки, один из выходов которого соединен с входом формирователя импульсов, выход формирователя импульсов соединен с входом полупроводникового источника оптического излучения, выход которого оптически связан с входом Y-образного оптического разветвителя, вход/выход которого оптически связан с выходным оптическим соединителем рефлектометра, второй выход Y-образного оптического разветвителя связан с оптическим входом фотоприемника, выход которого связан с входом блока управления и обработки через усилитель, выходы блока управления и обработки связаны с блоком отображения информации, отличающийся тем, что введены оптоэлектронный модулятор, подключенный между выходом Y-образного оптического разветвителя и оптическим входом фотоприемника, программируемый генератор задержанных импульсов, входы программного управления которого и вход внешнего запуска связаны с блоком управления и обработки, причем вход внешнего запуска одновременно связан с входом формирователя импульсов, а выход программируемого генератора задержанных импульсов связан с управляющим входом оптоэлектронного модулятора.
РИСУНКИ
|