|
|
(21), (22) Заявка: 2007143439/28, 23.11.2007
(24) Дата начала отсчета срока действия патента:
23.11.2007
(46) Опубликовано: 27.05.2009
(56) Список документов, цитированных в отчете о поиске:
SU 1610268 A1, 30.11.1990. SU 1185419 A, 15.10.1985. SU 1523920 A1, 23.11.1989. SU 1585675 A1, 15.08.1990. SU 1203120 A1, 07.01.1986. JP 61070402 A, 11.04.1986.
Адрес для переписки:
248029, г.Калуга, ул. Гурьянова, 12, кв.60, С.В. Карпенко
|
(72) Автор(ы):
Карпенко Сергей Владимирович (RU)
(73) Патентообладатель(и):
Карпенко Сергей Владимирович (RU)
|
(54) УСТРОЙСТВО ИДЕНТИФИКАЦИИ ИЗДЕЛИЙ
(57) Реферат:
Изобретение относится к области контрольно-измерительной техники и предназначено для использования в машиностроении для идентификации (распознавания) нагретых неметаллических и ненагретых металлических изделий. Устройство включает чувствительный элемент, образованный двумя инфракрасными фотоприемниками и размещенными между ними индуктивным чувствительным элементом, выполненным в виде катушки индуктивности, помещенной в кольцевом пазу открытого торца ферритового сердечника с центральным отверстием, и емкостным чувствительным элементом, установленным внутри центрального отверстия ферритового сердечника соосно с этим отверстием. При перемещении нагретого неметаллического изделия относительно чувствительного элемента устройства происходит последовательное прохождение им первого инфракрасного фотоприемника, пересечение электромагнитного поля индуктивного чувствительного элемента, взаимодействие с электрическим полем емкостного чувствительного элемента и прохождение второго инфракрасного фотоприемника. При этом на первом выходе устройства отрабатывается сигнал с уровнем логической “1”, несущий информацию об идентификации нагретого неметаллического изделия. На втором выходе устройства при этом присутствует напряжение с уровнем логического “0”. В случае перемещения ненагретого металлического изделия сигнал с уровнем логической “1”, несущий информацию об его идентификации, отрабатывается только на втором выходе устройства. При этом на первом выходе устройства присутствует напряжение с уровнем логического “0”. Изобретение обеспечивает идентификацию нагретых неметаллических и ненагретых металлических изделий без контакта с ними с высокой надежностью в условиях воздействия излучений от посторонних источников инфракрасного излучения и попадания в зону электромагнитного поля его индуктивного чувствительного элемента посторонних металлических предметов. 4 ил.
Изобретение относится к области контрольно-измерительной техники и предназначено для использования в машиностроении для идентификации (распознавания) ненагретых металлических и нагретых неметаллических изделий, а также в качестве датчика положения ненагретых металлических и нагретых неметаллических изделий.
Наиболее близким по технической сущности к предлагаемому решению является устройство идентификации, содержащее индуктивный чувствительный элемент, выполненный в виде катушки индуктивности, помещенной в кольцевом пазу открытой чашки ферритового сердечника, генератор электрических колебаний, в цепь колебательного контура которого включен индуктивный чувствительный элемент, пороговый элемент, вход которого подключен к выходу генератора электрических колебаний, последовательно соединенные инфракрасный фотоприемник, формирователь импульсов, инвертор, а также логический элемент И, первый вход которого подключен к выходу порогового элемента, первую выходную клемму, подключенную к выходу логического элемента И и являющуюся первым выходом устройства, вторую выходную клемму, являющуюся вторым выходом устройства (см. авторское свидетельство СССР 1610268, кл, МКИ5 G01B 21/00 “Индуктивно-оптический датчик положения и контроля, 1990).
Однако такое устройство обладает ограниченными функциональными возможностями, потому что оно не обеспечивает идентификацию (распознавание) наряду с нагретыми неметаллическими изделиями по одному его выходу и ненагретых металлических изделий по его другому выходу, так как на его втором выходе (выходная клемма 12) идентифицируются только нагретые неметаллические изделия, а ненагретые металлические изделия им не идентифицируются совсем.
Кроме того, такое устройство обладает низкой надежностью работы из-за ложных срабатываний устройства по его второму выходу (выходная клемма 12), например, от таких посторонних источников инфракрасного излучения, как нагретые металлические и неметаллические предметы, фотоэлектрические датчики положения с открытым оптическим каналом, установленные на технологическом оборудовании, и работающие генераторы инфракрасного излучения измерительных приборов, используемых при ремонте технологического оборудования в цеховых условиях, в том случае, когда они находятся за пределами действия электромагнитного поля индуктивного чувствительного элемента, но в пределах расстояния чувствительности инфракрасного фотоприемника устройства, а устройство находится в исходном состоянии, и контролируемое изделие находится вне зоны действия чувствительного элемента устройства. В этом случае ложные срабатывания устройства проявляются в виде формирования на его втором выходе ложных импульсов напряжения с уровнем логической “1”.
Наряду с этим такое устройство имеет низкую надежность работы из-за ложных срабатываний устройства по его первому выходу (выходная клемма 7) при случайном попадании одновременно в зону действия электромагнитного поля его индуктивного чувствительного элемента и в область оптического окна его инфракрасного фотоприемника посторонних нагретых металлических предметов, когда устройство находится в исходном состоянии и контролируемое изделие при этом находится вне зоны действия электромагнитного поля индуктивного чувствительного элемента и за пределами оптического окна инфракрасного фотоприемника устройства. При этом ложные срабатывания проявляются в виде формирования на первом выходе устройства ложных импульсов напряжения с уровнем логической “1”.
Цель изобретения – расширение функциональных возможностей путем обеспечения возможности идентификации наряду с нагретыми неметаллическими ненагретых металлических изделий с повышением надежности работы устройства путем устранения его ложных срабатываний от посторонних источников инфракрасного излучения.
Поставленная цель достигается тем, что в известное устройство, содержащее индуктивный чувствительный элемент, выполненный в виде катушки индуктивности, помещенной в кольцевом пазу открытого торца ферритового сердечника с центральным отверстием, последовательно соединенные генератор электрических колебаний, в цепь колебательного контура которого включен индуктивный чувствительный элемент, первый пороговый элемент, последовательно соединенные первый инфракрасный фотоприемник, формирователь импульсов, первый инвертор, а также первый логический элемент И, первый вход которого соединен с выходом первого порогового элемента, а его выход является первым выходом устройства, в него введены второй инфракрасный фотоприемник, подключенный к входу формирователя импульсов параллельно первому инфракрасному фотоприемнику, последовательно соединенные мультивибратор с емкостным чувствительным элементом, подключенным к его входу и выполненным в виде токопроводящей пластины с геометрической формой, повторяющей геометрическую форму центрального отверстия ферритового сердечника, детектор, второй пороговый элемент, выход которого соединен со вторым входом первого логического элемента И, третий вход которого соединен с выходом первого инвертора, а также второй логический элемент И, выход которого является вторым выходом устройства, второй инвертор, вход которого подключен к выходу первого порогового элемента, выход – к первому входу второго логического элемента И, второй вход которого подключен к выходу второго порогового элемента, третий вход – к выходу формирователя импульсов, причем емкостной чувствительный элемент установлен внутри центрального отверстия ферритового сердечника соосно с этим отверстием со смещением относительно открытого торца ферритового сердечника вдоль оси симметрии его центрального отверстия в сторону закрытого торца ферритового сердечника, а индуктивный и емкостной чувствительные элементы, первый и второй инфракрасные фотоприемники, между которыми помещен индуктивный чувствительный элемент с емкостным чувствительным элементом, установлены в одной плоскости вдоль прямой линии и образуют чувствительный элемент устройства, при этом поверхности оптических окон инфракрасных фотоприемников, плоскость открытого торца ферритового сердечника индуктивного чувствительного элемента и одна из плоскостей емкостного чувствительного элемента, направленные в одну сторону, установлены параллельно и образуют чувствительную поверхность устройства.
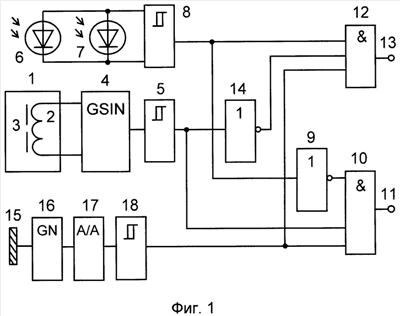
На фиг.1 представлена блок-схема устройства; на фиг.2 – схема взаимного расположения индуктивного и емкостного чувствительных элементов, инфракрасных фотоприемников и контролируемого изделия; на фиг.3 – диаграммы напряжений, поясняющие работу устройства при срабатывании его от нагретых неметаллических изделий в режиме идентификации ненагретых металлических и нагретых неметаллических изделий; на фиг.4 – диаграммы напряжений, поясняющие работу устройства при срабатывании его от ненагретых металлических изделий в режиме идентификации ненагретых металлических и нагретых неметаллических изделий.
Устройство содержит (см. фиг.1) индуктивный чувствительный элемент 1, выполненный в виде катушки индуктивности 2, помещенной со стороны открытого торца чашки ферритового сердечника 3 с центральным отверстием в ее кольцевом пазу, высокочастотный генератор электрических колебаний 4, выполненный, например, по схеме автогенератора с индуктивной трехточкой, причем выходы индуктивного чувствительного элемента 1 подключены к цепям его колебательного контура, первый пороговый элемент 5, выполненный, например, по схеме триггера Шмитта, вход которого подключен к выходу высокочастотного генератора электрических колебаний 4, первый и второй инфракрасные фотоприемники 6, 7, включенные между собой параллельно, формирователь импульсов 8, выполненный, например, по схеме триггера Шмитта, ко входу которого подключены выходы инфракрасных фотоприемников 6, 7, первый инвертор 9, вход которого соединен с выходом формирователя импульсов 8, первый логический элемент 3И 10, первый вход которого соединен с выходом первого порогового элемента 5, первую выходную клемму 11, подключенную к выходу первого логического элемента 3И 10 и являющуюся первым выходом устройства, второй логический элемент 3И 12, вторую выходную клемму 13, соединенную с выходом второго логического элемента 3И 12 и являющуюся вторым выходом устройства, второй инвертор 14, вход которого подключен к выходу первого порогового элемента 5, выход – к первому входу второго логического элемента 3И 12, емкостной чувствительный элемент 15, последовательно включенные мультивибратор 16, к входу которого подключен емкостной чувствительный элемент 15, выполненный, например, по схеме симметричного автогенератора прямоугольных импульсов на основе операционного усилителя (см. книгу Шило В. Л. Линейные интегральные схемы в радиоэлектронной аппаратуре. – М.: Сов. радио, 1974, с.175, рис.4.42, а), детектор 17, выполненный, например, по схеме диодного пассивного преобразователя амплитудных значений переменного напряжения в постоянное с последовательным включением выпрямительного диода с выходной нагрузкой в виде параллельной RC-цепи (см. книгу Волгин Л.И. Измерительные преобразователи переменного напряжения в постоянное. М.: Сов. радио, 1977, с.174, рис.4.9, б), второй пороговый элемент 18, выполненный, например, по схеме триггера Шмитта, выход которого соединен со вторыми входами первого и второго логических элементов 3И 10 и 12, третьи входы которых подключены соответственно к выходам первого инвертора 9 и формирователя импульсов 8.
Индуктивный чувствительный элемент 1 включает в себя катушку индуктивности 2, ферритовый сердечник 3, выполненный в виде чашки, имеющей открытый и закрытый торцы. Со стороны открытого торца чашки ферритового сердечника 3 установлена обмотка катушки индуктивности 2. У открытого торца чашки ферритового сердечника 3 при подаче высокочастотного сигнала на катушку индуктивности 2 с генератора 4 образуется в воздушном пространстве высокочастотное электромагнитное поле 19. Магнитный поток этого поля замыкается через воздушное пространство между внутренним кольцевым выступом чашки, установленным внутри центрального отверстия катушки индуктивности 2, и наружным кольцевым выступом чашки, охватывающем своей внутренней боковой поверхностью наружную боковую поверхность катушки индуктивности 2 по ее периметру. При этом перед закрытым торцом чашки в воздушном пространстве высокочастотное электромагнитное поле не возникает, так как его магнитный поток замыкается внутри сердечника через сплошной слой феррита, образующего закрытый торец чашки, т.е. происходит экранирование этим слоем электромагнитного поля со стороны закрытого торца ферритового сердечника 3. Внутри центрального отверстия ферритового сердечника 3 высокочастотное электромагнитное поле также отсутствует, так как это отверстие выполнено в сплошном слое феррита, и магнитный поток замыкается внутри ферритового сердечника 3 через этот слой феррита вследствие небольшого сопротивления феррита для магнитного потока по сравнению с сопротивлением воздуха. Поэтому взаимодействие емкостного чувствительного элемента 15, установленного внутри центрального отверстия ферритового сердечника 3, с электромагнитным полем 19 катушки индуктивности 2 полностью исключается.
Емкостной чувствительный элемент 15, подключенный в цепи отрицательной обратной связи к инвертирующему входу операционного усилителя мультивибратора 16, является одной из обкладок частотозадающего “раскрытого конденсатора”, второй обкладкой которого являются электрические цепи общей “земли” мультивибратора 16 и устройства в целом, и служит емкостным чувствительным элементом мультивибратора 16 (см. журнал “Радио”, 10, 2002, с.38, рис.1; с.39, рис.3). При этом емкостной чувствительный элемент 15 выполнен в виде токопроводящей пластины с геометрической формой, совпадающей с геометрической формой сквозного центрального отверстия, выполненного в чашке ферритового сердечника 3 индуктивного чувствительного элемента 1. Причем емкостной чувствительный элемент 15 установлен внутри центрального отверстия ферритового сердечника 3 соосно с этим отверстием со смещением относительно поверхности открытого торца чашки ферритового сердечника 3 вдоль оси симметрии центрального отверстия ферритового сердечника 3 в сторону, противоположную размещению катушки индуктивности 2, т.е. в сторону закрытого торца ферритового сердечника 3. Наличие такого смещения не позволяет потоку рассеяния электромагнитного поля 19, существующего непосредственно у передней кромки центрального отверстия со стороны открытого торца чашки ферритового сердечника 3, взаимодействовать с поверхностью емкостного чувствительного элемента 15 и, тем самым, исключает возможность внесения нежелательного дополнительного затухания в колебательный контур высокочастотного генератора электрических колебаний 4. Это, в свою очередь, исключает возможность снижения добротности колебательного контура генератора 4 и нарушения его режима генерации электрических колебаний, приводящего к нарушению работоспособности устройства.
Каждый из инфракрасных фотоприемников 6, 7 выполнен, например, по схеме, состоящей из усилителя постоянного тока на основе операционного усилителя, инфракрасного фотодиода, включенного в фотодиодном режиме на вход операционного усилителя (см. книгу Аксененко М.Д. и др. Микроэлектронные фотоприемные устройства / М.Д.Аксененко, М.Л.Бараночников, О.В.Смолин. – М.: Энергоатомиздат, 1984. – 208 с., ил., с.83, рис.4.11, Б), и транзисторного эмиттерного повторителя с открытым эмиттерным выходом, вход которого подключен к выходу усилителя постоянного тока, а его открытый эмиттерный выход является выходом инфракрасного фотоприемника. Между инфракрасными фотоприемниками 6, 7 помещен индуктивный чувствительный элемент 1 с емкостным чувствительным элементом 15 (см. фиг.2). При этом инфракрасные фотоприемники 6, 7, индуктивный и емкостной чувствительные элементы 1, 15 установлены вдоль прямой линии в одной плоскости и образуют чувствительный элемент устройства. Причем плоскости оптических окон инфракрасных фотоприемников 6, 7, плоскость открытого торца чашки ферритового сердечника 3 катушки индуктивности 2 и одна из плоскостей емкостного чувствительного элемента 15, направленные в одну сторону, т.е. в сторону контролируемого изделия 20, установлены параллельно между собой и образуют чувствительную поверхность устройства.
Такое взаимное расположение в пространстве инфракрасных фотоприемников 6, 7, емкостного чувствительного элемента 15, индуктивного чувствительного элемента 1 и контролируемого изделия 20 (см. фиг.2) при прохождении им в направлении стрелки 21 (22) относительно чувствительного элемента устройства параллельно его чувствительной поверхности в пределах действия электромагнитного поля 19 у открытого торца чашки ферритового сердечника 3, электрического поля 23 емкостного чувствительного элемента 15 и в пределах расстояний чувствительности фотоприемников 6, 7 всегда обеспечивает последовательное взаимодействие контролируемого изделия 20 с оптическим окном фотоприемника 6 (7), электромагнитным полем 19, электрическим полем 23 и оптическим окном фотоприемника 7 (6). Это, в свою очередь, обеспечивает:
1) последовательное засвечивание нагретым неметаллическим контролируемым изделием 20 своим инфракрасным излучением 24 сначала одного фотоприемника 6 (7), потом пересечение электромагнитного поля 19 у открытого торца чашки ферритового сердечника 3, оставляя при этом фотоприемник 6 (7) в засвеченном состоянии, а затем взаимодействие с электрическим полем 23 емкостного чувствительного элемента 15, продолжая оставаться в зоне действия электромагнитного поля 19 и оставляя при этом фотоприемник 6 (7) в засвеченном состоянии, далее засвечивание другого фотоприемника 7 (6), оставаясь в зоне действия электромагнитного и электрического полей 19, 23 соответственно и оставляя на некотором промежутке времени оба фотоприемника 6, 7 в засвеченном состоянии, потом затемнение фотоприемника 6 (7), оставаясь в зоне действия электромагнитного и электрического полей 19, 23 соответственно и оставляя при этом фотоприемник 7 (6) в засвеченном состоянии, затем выход из зоны действия электрического поля 23, оставаясь в зоне действия электромагнитного поля 19 и оставляя фотоприемник 7 (6) в засвеченном состоянии, далее выход из зоны действия электромагнитного поля 19, оставляя при этом фотоприемник 7 (6) в засвеченном состоянии и, наконец, затемнение фотоприемника 7 (6) и выход нагретого неметаллического контролируемого изделия 20 из зоны чувствительной поверхности устройства.
Таким образом, последовательное засвечивание нагретым контролируемым изделием 20 одного 6 (7) и другого 7 (6) фотоприемника происходит без разрыва, т.е. формируется на выходе формирователя импульсов 8 обоими параллельно включенными фотоприемниками 6, 7 сплошной импульс напряжения с уровнем логической “1” длительностью, равной времени нахождения нагретого неметаллического контролируемого изделия в зоне чувствительной поверхности устройства, начиная с момента засвечивания фотоприемника 6 (7) и до момента выхода из засвеченного состояния фотоприемника 7 (6). При этом происходит формирование на выходе второго порогового элемента 18 импульса напряжения с уровнем логической “1” длительностью, равной длительности нахождения контролируемого нагретого неметаллического изделия 20 в зоне действия электрического поля 23 емкостного чувствительного элемента 15. При взаимодействии нагретого неметаллического контролируемого изделия 20 с электромагнитным полем 19 индуктивного чувствительного элемента 1 формирования генератором 4 и пороговым элементом 5 импульса напряжения с уровнем логической “1” не происходит вследствие отсутствия внесения существенного затухания в колебательный контур генератора 4 контролируемым нагретым неметаллическим изделием 20;
2) последовательное прохождение ненагретым металлическим контролируемым изделием 20 фотоприемника 6 (7) без засвечивания его вследствие отсутствия у контролируемого изделия 20 инфракрасного излучения 24, потом пересечение им электромагнитного поля 19, затем взаимодействие его с электрическим полем 23, далее прохождение им фотоприемника 7 (6) без засвечивания его ненагретым металлическим контролируемым изделием 20 вследствие отсутствия у него инфракрасного излучения 24 и выход контролируемого изделия 20 из зоны чувствительной поверхности устройства. В результате чего на выходе порогового элемента 5 происходит формирование импульса напряжения с уровнем логической “1” длительностью, равной длительности нахождения контролируемого изделия 20 в электромагнитном поле 19 индуктивного чувствительного элемента 1 устройства. При этом на выходе второго порогового элемента формируется импульс напряжения с уровнем логической “1” длительностью, равной длительности нахождения контролируемого изделия 20 в электрическом поле 23 емкостного чувствительного элемента 15 устройства. Вместе с тем на выходе формирователя 8 при перекрывании оптических окон инфракрасных фотоприемников 6, 7 ненагретым металлическим контролируемым изделием 20 формирования импульса напряжения с уровнем логической “1” не происходит вследствие отсутствия у него инфракрасного излучения 24;
3) получение на выходе формирователя 8 импульса длительностью всегда большей, чем длительность каждого импульса на выходах первого и второго пороговых элементов 5 и 18;
4) получение на выходе первого порогового элемента 5 в случае взаимодействия ненагретого металлического контролируемого изделия 20 с индуктивным чувствительным элементом устройства импульса напряжения с уровнем логической “1” длительностью всегда большей, чем длительность импульса на выходе второго порогового элемента 18;
5) расстановку на временной оси сформированных импульсов таким образом, чтобы выходной импульс формирователя 8 большей длительности всегда “охватывал” выходные импульсы меньшей длительности первого порогового элемента 5 и второго порогового элемента 18 и чтобы в тоже время выходной импульс первого порогового элемента 5, длительность которого больше, чем длительность импульса на выходе второго порогового элемента 18, всегда “охватывал” выходной импульс последнего.
Такое взаимное расположение инфракрасных фотоприемников, индуктивного и емкостного чувствительных элементов и взаимодействие их в описанной выше последовательности с контролируемым изделием, а также соответствующая обработка предложенной схемой устройства их выходных сигналов позволяют реализовать принцип действия устройства в режиме идентификации ненагретых металлических и нагретых неметаллических изделий, а также расширить функциональные возможности устройства и повысить надежность его работы, т.е. производить распознавание ненагретых металлических и нагретых неметаллических изделий по алгоритму: идентификация каждого из разновидностей контролируемых изделий на одном соответствующем выходе из двух выходов устройства.
Устройство работает следующим образом.
После подачи напряжения питания в момент нахождения контролируемого изделия 20 вне зоны чувствительной поверхности устройства (см. фиг.2) генератор 4 переходит в режим генерации электрических высокочастотных колебаний, постоянная составляющая тока которых на его выходе создает падение напряжения, превышающее входное пороговое значение напряжения триггера порогового элемента 5. При этом последний переключатся в такое устойчивое состояние, при котором на его выходе устанавливается напряжение U2 с уровнем логического “0”, которое подается на первый вход логического элемента 10 и на вход второго инвертора 14 (см. фиг.3, фиг.4). После подачи напряжения питания инфракрасные фотоприемники 6, 7 переходят в затемненное состояние и на выходе формирователя 8 устанавливается напряжение U1 с уровнем логического “0”, которое подается на вход инвертора 9 и на третий вход логического элемента 12. Вместе с тем в момент подачи напряжения питания мультивибратор 16 переходит в заторможенное состояние, при котором на его выходе, на входе и выходе детектора 17, на входе порогового элемента 18 устанавливаются напряжения с уровнями логического “0”. В результате пороговый элемент 18 устанавливается в такое устойчивое состояние, при котором на его выходе и на вторых входах логических элементов 10, 12 устанавливается напряжение U3 с уровнем логического “0” (см. фиг.3, фиг.4). После чего на выходе инвертора 9 и третьем входе логического элемента 10 устанавливается напряжение U5 с уровнем логической “1”, а на выходе инвертора 14 и на первом входе логического элемента 10 – напряжение U4 с уровнем логической “1”. Но уровни логической “1” напряжений U5 и U4 на их выходы и на выходные клеммы 11 и 13 соответственно с выходов инверторов 9 и 14 не проходят, так как на первом и втором входах логического элемента 10 установлены соответственно напряжения U2, U3 с уровнями логического “0”, а на втором и третьем входах логического элемента 12 – напряжения U3, U1 с уровнями логического “0, запрещающие их прохождение. Поэтому на выходах логических элементов 10 и 12 и на выходных клеммах 11 и 13 устанавливаются соответственно напряжения U7 и U6 также с уровнями логического “0”.
Таким образом, после подачи напряжения питания устройство устанавливается в исходное состояние, при котором контролируемое изделие 20 находится за пределами чувствительной поверхности устройства, а на выходных клеммах 13 и 11 устанавливаются соответственно напряжения U6 и U7 с уровнями логического “0”. После чего устройство готово к первому циклу идентификации контролируемых изделий в режиме идентификации ненагретых металлических и нагретых неметаллических изделий.
Рассмотрим работу предлагаемого устройства в режиме идентификации ненагретых металлических и нагретых неметаллических изделий, при котором контролируемое изделие 20 (см. фиг.2) перемещается параллельно чувствительной поверхности устройства в пределах зон действия электромагнитного поля 19, электрического поля 23 и в пределах расстояний чувствительности фотоприемников 6, 7 в одном из направлений по стрелке 21 или 22.
При перемещении в направлении стрелки 21 (22) в зону чувствительной поверхности устройства, например, нагретого неметаллического изделия 20 происходит засвечивание его инфракрасным излучением 24 (см. фиг.2) фотоприемника 6 (7), в результате на его выходе устанавливается напряжение с уровнем логической “1”, которое подается на вход формирователя 8. Последний переключается в такое устойчивое состояние, при котором на его выходе, на третьем входе логического элемента 12 и входе инвертора 9 устанавливается напряжение U1 с уровнем логической “1”, под действием которого на выходе инвертора 9 и на третьем входе логического элемента 10 устанавливается напряжение U5 с уровнем логического “0” (см. фиг.3). Но уровень логической “1” напряжений U1 и U4 с выходов формирователя 8 и инвертора 14 соответственно через третий и первый входы логического элемента 12 на его выход и на выходную клемму 13 не проходит, так как на его второй вход с выхода порогового элемента 18 подано напряжение U3 с уровнем логического “0”, запрещающее его прохождение. Поэтому на выходе логического элемента 12 и на выходной клемме 13 продолжает оставаться напряжение U6 с уровнем логического “0”. Вместе с тем на трех входах логического элемента 10 устанавливаются напряжения U2, U3 и U5 с уровнями логического “0”, под действием которых логический элемент 10 продолжает оставаться в исходном состоянии. Поэтому на его выходе и выходной клемме 11 продолжает присутствовать напряжение U7 с уровнем логического “0”.
Затем контролируемое изделие 20, оставляя фотоприемник 6 (7) в засвеченном состоянии, входит в зону действия электромагнитного поля 19. При этом срыва генерации электрических колебаний генератора 4 не происходит, так как внесения существенного затухания в его колебательный контур нагретым неметаллическим контролируемым изделием 20 не происходит. В результате пороговый элемент 5 не переключается в другое устойчивое состояние и на его выходе, на первом входе и на выходе логического элемента 10, а также на выходной клемме 11 в течение всего цикла идентификации нагретого неметаллического изделия 20 будет присутствовать напряжение U7 с уровнем логического “0” (см. фиг.3).
Далее контролируемое изделие 20, находясь в зоне действия электромагнитного поля 19 и оставляя фотоприемник 6 (7) в засвеченном состоянии, входит в зону действия электрического поля 23 емкостного чувствительного элемента 15 и образует с ним электрический конденсатор. Значение электрической емкости образованного таким образом конденсатора увеличивается до такого уровня, при котором происходит возбуждение мультивибратора 16 и переход его в режим генерации электрических колебаний. Амплитуда выходных импульсов мультивибратора 16 преобразуется детектором 17 в постоянное напряжение с уровнем логической “1”, которое превышает входное пороговое значение напряжения триггера порогового элемента 18. При этом последний переключается в другое устойчивое состояние, при котором на его выходе устанавливается напряжение U3 с уровнем логической “1” (см. фиг.3), которое подается на вторые входы логических элементов 10 и 12. Так как на трех входах логического элемента 12 с выходов инвертора 14, формирователя 8, порогового элемента 18 устанавливаются соответственно напряжения U4, U1, U3 с уровнями логической “1”, на его выходе и на выходной клемме 13 устанавливается напряжение U6 с уровнем логической “1”. Вместе с тем уровень логической “1” напряжения U3 с выхода порогового элемента 18 через второй вход логического элемента 10 на его выход не проходит. Поэтому на выходе логического элемента 10 и на выходной клемме 11 продолжает присутствовать напряжение U7 с уровнем логического “0”, так как на его первом и третьем входах с выходов порогового элемента 5 и инвертора 9 устанавливаются соответственно напряжения U2 и U5 с уровнями логического “0”, запрещающие его прохождение.
При дальнейшем перемещении в выбранном направлении контролируемое изделие 20, по-прежнему оставляя фотоприемник 6 (7) в засвеченном состоянии и оставаясь в зонах действия электромагнитного и электрического полей 19, 23, засвечивает фотоприемник 7 (6). После чего уровни напряжений на входе и выходе формирователя 8, соответствующие уровню логической “1”, не изменились, так как параллельно включенные фотоприемники 6, 7 реализуют логическую функцию МОНТАЖНОЕ ИЛИ. Поэтому описанные выше состояния схемы устройства и диаграмм напряжений на фиг.3, установившиеся до момента засвечивания фотоприемника 7 (6), не изменились.
Затем контролируемое изделие 20, оставаясь в зонах действия электромагнитного и электрического полей 19, 23 и оставляя фотоприемник 7 (6) в засвеченном состоянии, выходит за пределы оптического окна фотоприемника 6 (7). При этом фотоприемник 6 (7) затемняется и переходит в исходное состояние. После чего уровень напряжения U1 на выходе формирователя 8, соответствующий уровню логической “1”, также не изменяется по причине реализации фотоприемниками 6, 7 логической функции МОНТАЖНОЕ ИЛИ. В связи с этим описанные состояния схемы устройства и диаграмм напряжений на фиг.3, установившиеся до момента затемнения фотоприемника 6 (7), также не изменились.
Далее контролируемое изделие 20, оставляя фотоприемник 7 (6) в засвеченном состоянии и оставаясь в зоне действия электромагнитного поля 19, выходит из зоны действия электрического поля 23. При этом мультивибратор 16 переходит в заторможенное состояние, т.е. в исходное состояние, при котором на его выходе, на входе и выходе детектора 17 устанавливаются напряжения с уровнями логического “0”. В результате на вход порогового элемента 18 подается напряжение с уровнем логического “0”, под действием которого он переключается в другое состояние, т.е. в исходное состояние, и на его выходе устанавливается напряжение U3 с уровнем логического “0”. Этот нулевой логический уровень напряжения U3 поступает на вторые входы логических элементов 10 и 12. В результате чего логический элемент 10 не переключается, так как на его трех входах установлены с выходов пороговых элементов 5,18 и инвертора 9 соответственно напряжения U2, U3 и U5 с уровнями логического “0”, подтверждающие наличие на выходе логического элемента 10 и на выходной клемме 11 напряжения U7 с уровнем логического “0”. Вместе с тем под действием напряжения U3 с уровнем логического “0” с выхода порогового элемента 18 происходит переключение логического элемента 12 в исходное состояние, при котором на его выходе и на выходной клемме 13 устанавливается напряжение U6 с уровнем логического “0”. На этом формирование информационного сигнала об идентификации нагретого неметаллического изделия заканчивается.
Затем контролируемое изделие 20, оставляя фотоприемник 7 (6) в засвеченном состоянии, выходит из зоны действия электромагнитного поля 19. В результате генератор 4 продолжает находиться в исходном состоянии вследствие отсутствия внесения контролируемым нагретым неметаллическим изделием 20 существенного затухания в его колебательный контур. В связи с этим описанные состояния схемы устройства в остальных ее точках и диаграмм напряжений на фиг.3, установившиеся до момента выхода контролируемого изделия 20 из зоны действия электромагнитного поля 19, не изменились. Поэтому на выходных клеммах 13 и 11 продолжают оставаться соответственно напряжения U6 и U7 с уровнями логического “0”.
И на последнем отрезке своего перемещения контролируемое изделие 20 выходит за пределы оптического окна фотоприемника 7 (6). После чего он затемняется, т.е. устанавливается в исходное состояние, при котором на выходе формирователя 8, на третьем входе логического элемента 12 и на входе инвертора 9 устанавливается напряжение U1 с уровнем логического “0”, под действием которого на выходе инвертора 9 и на третьем входе логического элемента 10 устанавливается напряжение U5 с уровнем логической “1”. Но уровень логической “1” напряжения U5 с выхода инвертора 9 на выход логического элемента 10 и на выходную клемму 11 не проходит, так как на его первом и третьем входах с выходов пороговых элементов 5 и 18 установлены соответственно напряжения U2 и U3 с уровнями логического “0”, запрещающие его прохождение. Т.е. подтверждается наличие на выходе логического элемента 10 и на выходной клемме 11 нулевого уровня напряжения U7. На этом цикл идентификации нагретого металлического изделия на выходной клемме 13 заканчивается. При повторном прохождении контролируемого нагретого неметаллического изделия 20 относительно чувствительной поверхности устройства описанный выше в соответствии с диаграммами, приведенными на фиг.3, цикл идентификации нагретого неметаллического изделия повторяется.
Следовательно, при прохождении относительно чувствительной поверхности устройства нагретого неметаллического изделия 20 на выходной клемме 13 устройства отрабатывается потенциальный информационный сигнал напряжения U6 с уровнем логической “1” об его идентификации, а на выходной клемме 11 устройства при этом присутствует напряжение U7 с уровнем логического “0”.
В случае введения в направлении стрелки 21 (22) в зону чувствительной поверхности устройства ненагретого металлического изделия 20 засвечивания фотоприемника 6 (7) и переключения формирователя 8 в другое состояние вследствие отсутствия у контролируемого изделия 20 инфракрасного излучения 24 не происходит. В результате формирования на его выходе, на третьем входе логического элемента 12 и на входе инвертора 9 импульса напряжения U1 с уровнем логической “1” не происходит. Поэтому на выходе формирователя 8, на выходе логического элемента 12 и на выходной клемме 13 в течение всего цикла идентификации ненагретого металлического контролируемого изделия 20 будут присутствовать соответственно напряжения U1 и U6 с уровнями логического “0” (см. фиг.4). При этом на выходе инвертора 9 и на третьем входе логического элемента 10 продолжает присутствовать напряжение U5 с уровнем логической “1”, а на первом и третьем входах логического элемента 10 – соответственно напряжения U2 и U3 с выходов пороговых элементов 5 и 18 с уровнями логического “0”. Поэтому логический элемент 10 продолжает находиться в исходном состоянии, и на его выходе и на выходной клемме 11 продолжает присутствовать напряжение U7 с уровнем логической “1”.
Далее контролируемое изделие 20, оставляя фотоприемник 6 (7) в затемненном состоянии, входит в зону действия электромагнитного поля 19. При этом происходит срыв генерации электрических колебаний генератора 4 вследствие внесения существенного затухания в его колебательный контур ненагретым металлическим контролируемым изделием 20. При этом пороговый элемент 5 переключается в другое устойчивое состояние, при котором на его выходе, на первом входе логического элемента 10 и на входе инвертора 14 устанавливается напряжение U2 с уровнем логической “1”, под действием которого на выходе инвертора 14 и на первом входе логического элемента 12 устанавливается напряжение U4 с уровнем логического “0” (см. фиг.4). Но уровень логической “1” напряжений U2 и U5 соответственно с выходов порогового элемента 5 и инвертора 9 через первый и третий входы логического элемента 10 на его выход и на выходную клемму 11 не проходит, так как на его втором входе с выхода порогового элемента 18 установлено напряжение U3 с уровнем логического “0”, запрещающее его прохождение. Поэтому на выходе логического элемента и на выходной клемме 11 продолжает присутствовать напряжение U7 с уровнем логического “0”.
Затем контролируемое изделие 20, оставаясь в зоне действия электромагнитного поля 19 и оставляя фотоприемник 6 (7) в затемненном состоянии, входит в зону действия электрического поля 23 емкостного чувствительного элемента 15 и образует с ним электрический конденсатор. Значение электрической емкости образованного таким образом конденсатора увеличивается до такого уровня, при котором происходит возбуждение мультивибратора 16 и переход его в режим генерации электрических колебаний. Амплитуда выходных импульсов мультивибратора 16 преобразуется детектором 17 в постоянное напряжение с уровнем логической “1”, которое превышает входное пороговое значение напряжения триггера порогового элемента 18. При этом последний переключается в другое устойчивое состояние, при котором на его выходе устанавливается напряжение U3 с уровнем логической “1” (см. фиг.4), которое подается на вторые входы логических элементов 10 и 12. Но уровень логической “1” напряжения U3 с выхода порогового элемента 18 на выход логического элемента 12 и на выходную клемму 13 не проходит, так как на его первом и третьем входах установлены с выходов инвертора 14 и формирователя 8 соответственно напряжения U4 и U1 с уровнями логического “0”, запрещающие его прохождение. Поэтому на выходе логического элемента 12 и на выходной клемме 13 продолжает присутствовать напряжение U6 с уровнем логического “0”. Вместе с тем на трех входах логического элемента 10 с выходов пороговых элементов 5, 18 и инвертора 9 установлены соответственно напряжения U2, U3 и U5 с уровнями логической “1”, на его выходе и на выходной клемме 11 устанавливается напряжение U7 также с уровнем логической “1”.
При дальнейшем перемещении в выбранном направлении контролируемое изделие 20, по-прежнему оставляя фотоприемник 6 (7) в затемненном состоянии и оставаясь в зонах действия электромагнитного и электрического полей 19, 23, перекрывает оптическое окно фотоприемника 7 (6), но засвечивания его не происходит вследствие отсутствия инфракрасного излучения 24 у контролируемого ненагретого металлического изделия 20. После чего уровень напряжения на входе и выходе формирователя 8, соответствующий уровню логического “0”, не изменяется, так как параллельно включенные фотоприемники 6, 7 реализуют логическую функцию МОНТАЖНОЕ ИЛИ. Поэтому описанные выше состояния схемы устройства и диаграмм напряжений на фиг.4, установившиеся до момента перекрытия оптического окна фотоприемника 7 (6), не изменились.
Затем контролируемое изделие 20, оставаясь в зонах действия электромагнитного и электрического полей 19, 23 и оставляя фотоприемник 7 (6) в затемненном состоянии, выходит за пределы оптического окна фотоприемника 6 (7). При этом фотоприемник 6 (7) продолжает оставаться в затемненном состоянии вследствие отсутствия инфракрасного излучения 24 у контролируемого изделия 20. После чего уровень напряжения U1 на выходе формирователя 8, соответствующий уровню логического “0”, также не изменяется по причине реализации фотоприемниками 6, 7 логической функции МОНТАЖНОЕ ИЛИ. В связи с этим описанные выше состояния схемы устройства и диаграмм напряжений на фиг.4, установившиеся до момента выхода контролируемого изделия 20 за пределы оптического окна фотоприемника 6 (7), также не изменились.
Далее контролируемое изделие 20, оставляя фотоприемник 7 (6) в затемненном состоянии и оставаясь в зоне действия электромагнитного поля 19, выходит из зоны действия электрического поля 23. При этом мультивибратор 16 переходит в заторможенное состояние, т.е. в исходное состояние, при котором на его выходе, на входе и выходе детектора 17 устанавливаются напряжения с уровнями логического “0”. В результате на вход порогового элемента 18 подается напряжение с уровнем логического “0”, под действием которого он переключается в другое состояние, т.е. в исходное состояние, и на его выходе устанавливается напряжение U3 с уровнем логического “0”. Этот нулевой логический уровень напряжения подается на вторые входы логических элементов 10, 12. Но переключения логического элемента 12 при этом не происходит, и на его выходе и на выходной клемме 13 подтверждается наличие напряжения U6 с уровнем логического “0”, так как к этому моменту на первом и третьем входах логического элемента 12 установлены с выходов инвертора 14 и формирователя 8 соответственно напряжения U4 и U1 с уровнями логического “0”. Под действием нулевого логического уровня напряжения U3 с выхода порогового элемента 18 логический элемент 10 переключается в исходное состояние, и на его выходе и на выходной клемме 11 устанавливается напряжение U7 с уровнем логического “0. На этом формирование на выходной клемме 11 информационного сигнала об идентификации ненагретого металлического контролируемого изделия заканчивается.
Затем контролируемое изделие 20, оставляя фотоприемник 7 (6) в затемненном состоянии, выходит из зоны действия электромагнитного поля 19. При этом генератор 4 переходит в режим генерации электрических колебаний, т.е. в исходное состояние. В результате пороговый элемент 5 переключается также в исходное состояние, при котором на его выходе, на первом входе логического элемента 10 и на входе инвертора 14 устанавливается напряжение U2 с уровнем логического “0”, под действием которого на выходе инвертора 14 и на первом входе логического элемента 12 устанавливается напряжение с уровнем логической “1”. Но уровень логической “1” через первый вход логического элемента 12 на его выход и выходную клемму 13 не проходит, и на его выходе и на выходной клемме 13 подтверждается напряжение U6 с уровнем логического “0”, так как на его втором и третьем входам с выходов порогового элемента 18 и формирователя 8 установлены соответственно напряжения U3 и U1 с уровнями логического “0”. Наряду с этим переключения логического элемента 10 также не происходит, и на его выходе и на выходной клемме 11 подтверждается напряжение U7 с уровнем логического “0”, так как на трех его входах установлены напряжения U2, U3 и U5 с уровнями логического “0” соответственно выходов с пороговых элементов 5, 18 и инвертора 9.
И на последнем отрезке своего перемещения контролируемое изделие 20 выходит за пределы оптического окна фотоприемника 7 (6). После чего он продолжает находиться в затемненном состоянии, т.е. в исходном состоянии, при котором на выходе формирователя 8, на входе инвертора 9 и на третьем входе логического элемента 12 установлено напряжение U1 с уровнем логического “0”, которое подтверждает нахождение логического элемента 12 в исходном состоянии и присутствие на его выходе и на выходной клемме 13 напряжения U6 с уровнем логического “0”. Под действием напряжения U1 с уровнем логического “0” с выхода формирователя 8 на выходе инвертора 9 и на третьем входе логического элемента 10 устанавливается напряжение U5 с уровнем логической “1”. Но уровень логической “1” этого напряжения через третий вход логического элемента 10 на его выход и на выходную клемму 11 не проходит, так как на первом и втором входах логического элемента 10 с выходов пороговых элементов 5, 18 устанавливаются соответственно напряжения U2, U3 с уровнями логического “0”. Поэтому на выходе логического элемента 10 и на выходной клемме 11 подтверждается напряжение U7 с уровнем логического “0”. На этом цикл идентификации ненагретого металлического изделия на выходной клемме 11 заканчивается. При повторном прохождении контролируемого ненагретого металлического изделия 20 относительно чувствительной поверхности устройства описанный выше в соответствии с диаграммами, приведенными на фиг.4, цикл идентификации ненагретого металлического изделия повторяется.
Следовательно, при прохождении относительно чувствительной поверхности устройства ненагретого металлического изделия 20 на выходной клемме 11 устройства отрабатывается потенциальный информационный сигнал напряжения U7 с уровнем логической “1” об его идентификации, а на выходной клемме 13 устройства при этом присутствует напряжение U6 с уровнем логического “0”.
Таким образом, в рассмотренном режиме работы устройства информационный потенциальный сигнал на его первой выходной клемме 11 однозначно соответствует прохождению относительно чувствительной поверхности устройства ненагретого металлического изделия, а информационный потенциальный сигнал на второй выходной клемме 13 – нагретого неметаллического изделия, чем и обеспечивается идентификация (распознавание) ненагретых металлических изделий и нагретых неметаллических изделий и, тем самым, расширение функциональных возможностей устройства, а также повышение надежности его работы.
Повышение надежности работы устройства путем устранения ложных срабатываний от посторонних источников инфракрасного излучения, которыми могут быть в условиях технологических производственных процессов нагретые металлические и неметаллические предметы и технологические источники инфракрасного излучения, например, оптические датчики с открытым оптическим каналом или метрологическое оборудование с измерительными генераторами инфракрасного излучения, обеспечивается следующим образом. При попадании в область оптического окна фотоприемника 6 (7) или в оптические окна обоих фотоприемников 6, 7 в момент нахождения устройства в исходном состоянии, при котором контролируемое изделие 20 находится за пределами его чувствительной поверхности, от посторонних источников инфракрасного излучения, находящихся за пределами действия электромагнитного и электрического полей 19, 23, но в пределах расстояний чувствительности фотоприемников 6, 7, происходит его или их засвечивание, затем срабатывание формирователя 8 и формирование им ложного импульса напряжения U1 с уровнем логической “1”. Ложный импульс напряжения U1 поступает на третий вход логического элемента 12 и на вход инвертора 9, но на выход логического элемента 12 и на выходную клемму 13 этот ложный импульс не проходит, так как на втором входе логического элемента 12 установлено с выхода порогового элемента 18 напряжение U3 с уровнем логического “0”, запрещающее его прохождение. При этом под действием ложного импульса напряжения U1 с выхода формирователя 8 на выходе инвертора 9 и на третьем входе логического элемента 10 формируется импульс напряжения U5 с уровнем логического “0”, который подтверждает нахождение логического элемента 10 в исходном состоянии, при котором на его выходе и на выходной клемме 11 присутствует напряжение U7 с уровнем логического “0”. Поэтому срабатывания логического элемента 10 и формирования на его выходе и на выходной клемме 11 ложного импульса напряжения U7 уровнем логической “1” не происходит в момент действия ложного импульса напряжения с выхода формирователя 8. Таким образом, ложного срабатывания логических элементов 12 и 10 и формирования на их выходах и на выходных клеммах 13 и 11 соответственно ложных импульсов напряжений U6 и U7 с уровнями логической “1” от посторонних источников инфракрасного излучения не происходит.
Повышение надежности работы устройства путем устранения ложных срабатываний предлагаемого устройства при случайном попадании одновременно в область оптического окна фотоприемника 6 (7) и в зону действия электромагнитного поля 19 посторонних нагретых металлических предметов в момент нахождения контролируемого изделия 20 вне зоны действия чувствительного элемента устройства происходит следующим образом. При одновременном попадании постороннего нагретого металлического предмета в область оптического окна фотоприемника 6 (7) и в зону действия электромагнитного поля 19 происходит засвечивание фотоприемника 6 (7) его инфракрасным излучением и срыв генерации электрических колебаний генератора 4. В результате чего происходит срабатывание формирователя 8 и формирование им ложного импульса напряжения U1 с уровнем логической “1”, а также формирование пороговым элементом 5 ложного импульса напряжения U2 с уровнем логической “1”. Ложные импульсы напряжений U1 и U2 с уровнями логической “1” с выходов формирователя 8 и порогового элемента 5 поступают соответственно на третий и на первый входы логических элемента 12 и 10, а также через инверторы 9 и 14 – на третий и первый входы соответственно логических элементов 10 и 12 в виде ложных импульсов напряжений U5 и U4 с уровнями логического “0”. Но на выходы логических элементов 10 и 12 и соответственно на выходные клеммы 11 и 13 устройства эти ложные импульсы напряжений U2 и U1 с уровнями логической “1” не проходят, так как на их вторых входах с выхода порогового элемента 18 установлено напряжение U3 с уровнем логического “0”, запрещающее их прохождение, а в момент действия ложных импульсов напряжений U5 и U4 с уровнями логического “0” соответственно с выходов инверторов 9 и 14 на третьем и первом входах логических элементов 10 и 12 являются запрещающими для их переключения и формирования на выходах логических элементов 10 и 12 и соответственно на выходных клеммах 11 и 13 ложных импульсов напряжений U7 и U6 с уровнями логической “1”.
Предлагаемое устройство обеспечивает также повышенную надежность работы путем устранения ложных срабатываний устройства при случайном попадании в его зону действия электромагнитного поля 19 посторонних нагретых или ненагретых металлических предметов в момент нахождения устройства в исходном состоянии и нахождения при этом контролируемого изделия 20 вне зоны действия чувствительного элемента устройства. Это происходит следующим образом. При попадании в зону действия электромагнитного поля 19 постороннего нагретого или ненагретого металлического предмета генератором 4 и пороговым элементом 5 формируется импульс напряжения U2 с уровнем логической “1”, который подается непосредственно на первый вход логического элемента 10 и через инвертор 14 – на первый вход логического элемента 12 в виде импульса напряжения с уровнем логического “0”. Но на выход логического элемента 10 и на выходную клемму 11 устройства с выхода порогового элемента 5 уровень логической “1” ложного импульса напряжения U2 вместе с уровнем логической “1” напряжения U5 с выхода инвертора 9 не проходит, так как на втором входе логического элемента 10 с выхода порогового элемента 18 установлено напряжение U3 с уровнем логического “0”, запрещающее его прохождение, а поданный на первый вход логического элемента 12 ложный импульс напряжения U4 вместе с напряжениями U1 и U3 с уровнями логического “0” соответственно с выходов формирователя 8 и порогового элемента 18 является запрещающим для переключения логического элемента 12. Поэтому на выходе логического элемента 12 и на выходной клемме 13 формирования ложного импульса напряжения U6 не происходит.
Устройство обеспечивает также работу в режимах контроля положения нагретых неметаллических и ненагретых металлических изделий, так как в нем используется потенциальный принцип формирования информационных сигналов об идентификации контролируемых изделий.
Так, при помещении контролируемого нагретого неметаллического изделия или ненагретого металлического изделия в зону действия чувствительного элемента предлагаемого устройства на его соответствующем выходе устанавливается потенциал выходного напряжения с уровнем логической “1”, соответствующий информационному сигналу о положении контролируемого изделия, длительность которого определяется временем одновременного нахождения контролируемого изделия: в зоне действия электрического поля и в области оптических окон фотоприемников – для нагретых неметаллических изделий; в зонах действия электромагнитного и электрического полей – для ненагретых металлических изделий.
Причем этот сигнал не исчезает как, например, в случае импульсного принципа формирования информационного сигнала о контролируемом изделии по перепадам напряжения (по переднему или по заднему фронту), а продолжает непрерывно отслеживать потенциальным уровнем выходного напряжения контролируемое изделие как при перемещении его в пределах чувствительной поверхности устройства, так и при нахождении контролируемого изделия в ней в неподвижном состоянии в течение неопределенно долгого промежутка времени. Т.е. при этом имеет место однозначное соответствие потенциального информационного сигнала на соответствующей выходной клемме устройства положению контролируемого изделия в определенной точке пространства, где установлено предлагаемое устройство. Это, в свою очередь, и обеспечивает работу предлагаемого устройства в режимах контроля положения нагретых неметаллических и ненагретых металлических изделий.
В режиме контроля положения нагретых неметаллических изделий устройство функционирует как бесконтактный оптико-емкостной датчик положения. Работа устройства в этом случае описывается диаграммами, приведенными на фиг.3. При этом информационный сигнал снимается с выходной клеммы 13, а выходная клемма 11 не задействуется.
В режиме контроля положения ненагретых металлических изделий устройство функционирует как бесконтактный датчик положения индуктивно-емкостного типа. Работа устройства в этом режиме описывается диаграммами, приведенными на фиг.4. В этом случае информационный сигнал снимается с выходной клеммы 11, а выходная клемма 13 не задействуется.
Формула изобретения
Устройство идентификации изделий, содержащее индуктивный чувствительный элемент, выполненный в виде катушки индуктивности, помещенной в кольцевом пазу открытого торца ферритового сердечника с центральным отверстием, последовательно соединенные генератор электрических колебаний, в цепь колебательного контура которого включен индуктивный чувствительный элемент, первый пороговый элемент, последовательно соединенные первый инфракрасный фотоприемник, формирователь импульсов, первый инвертор, а также первый логический элемент И, первый вход которого соединен с выходом первого порогового элемента, а его выход является первым выходом устройства, отличающееся тем, что, с целью расширения функциональных возможностей путем обеспечения возможности идентификации наряду с нагретыми неметаллическими ненагретых металлических изделий с повышением надежности работы устройства путем устранения его ложных срабатываний от посторонних источников инфракрасного излучения, в него введены второй инфракрасный фотоприемник, подключенный к входу формирователя импульсов параллельно первому инфракрасному фотоприемнику, последовательно соединенные мультивибратор с емкостным чувствительным элементом, подключенным к его входу и выполненным в виде токопроводящей пластины с геометрической формой, повторяющей геометрическую форму центрального отверстия ферритового сердечника, детектор, второй пороговый элемент, выход которого соединен со вторым входом первого логического элемента И, третий вход которого соединен с выходом первого инвертора, а также второй логический элемент И, выход которого является вторым выходом устройства, второй инвертор, вход которого подключен к выходу первого порогового элемента, выход – к первому входу второго логического элемента И, второй вход которого подключен к выходу второго порогового элемента, третий вход – к выходу формирователя импульсов, причем емкостной чувствительный элемент установлен внутри центрального отверстия ферритового сердечника соосно с этим отверстием со смещением относительно открытого торца ферритового сердечника вдоль оси симметрии его центрального отверстия в сторону закрытого торца ферритового сердечника, а индуктивный и емкостной чувствительные элементы, первый и второй инфракрасные фотоприемники, между которыми помещен индуктивный чувствительный элемент с емкостным чувствительным элементом, установлены в одной плоскости вдоль прямой линии и образуют чувствительный элемент устройства, при этом поверхности оптических окон инфракрасных фотоприемников, плоскость открытого торца ферритового сердечника индуктивного чувствительного элемента и одна из плоскостей емкостного чувствительного элемента, направленные в одну сторону, установлены параллельно и образуют чувствительную поверхность устройства.
РИСУНКИ
|
|