|
|
(21), (22) Заявка: 2008115092/02, 21.04.2008
(24) Дата начала отсчета срока действия патента:
21.04.2008
(46) Опубликовано: 27.05.2009
(56) Список документов, цитированных в отчете о поиске:
УЧ. СИСТЕМА УПРАВЛЕНИЯ ОГНЕМ ТАНКА Т-80. – М.: АКАДЕМИЯ БРОНЕТАНКОВЫХ ВОЙСК ИМ. МАРШАЛА МАЛИНОВСКОГО Р.Я., 1988. RU 2313116 C1, 20.12.2007. RU 2088883 C1, 27.08.1997. JP 2001153595 A, 08.06.2001.
Адрес для переписки:
119992, Москва, ГСП-2, пр-д Девичьего поля, 4, ОА ВС РФ, НИО М.М. Старостину
|
(72) Автор(ы):
Дерюгин Борис Борисович (RU), Манкевич Александр Валерьевич (RU), Дмитроняк Вячеслав Васильевич (RU), Гусев Андрей Анатольевич (RU), Таллат Аль Али (RU)
(73) Патентообладатель(и):
ГОСУДАРСТВЕННОЕ ОБРАЗОВАТЕЛЬНОЕ УЧРЕЖДЕНИЕ ВЫСШЕГО ПРОФЕССИОНАЛЬНОГО ОБРАЗОВАНИЯ “ОБЩЕВОЙСКОВАЯ АКАДЕМИЯ ВООРУЖЕННЫХ СИЛ РОССИЙСКОЙ ФЕДЕРАЦИИ” (ОА ВС РФ) (RU)
|
(54) ТАНКОВЫЙ ПРИЦЕЛ-ДАЛЬНОМЕР – ПРИБОР НАВЕДЕНИЯ
(57) Реферат:
Изобретение относится к области боевых машин, имеющих в своем составе систему управления огнем с независимой стабилизацией поля зрения прицела наводчика-оператора в двух плоскостях. Танковый прицел-дальномер прибор наведения содержит оптический визир с окуляром, лазерный дальномер, стабилизирующий блок, панкратическую систему поля зрения прицела, пульт управления и головку прицела. Он снабжен экраном, проекционной системой прицельной марки, панкратической системой прицельной марки с электромеханическим следящим приводом и цифро-аналоговым преобразователем. Окуляр оптически связан с проекционной системой прицельной марки и с блоком стабилизирующих зеркал через объектив, экран и панкратическую систему поля зрения. Техническим результатом является повышение точности прицеливания и точности стрельбы. 1 ил.
Изобретение относится к области систем управления огнем танков и может быть использовано в танках, боевых машинах пехоты.
Известно, что (см. “Система управления огнем танка Т-80У (Т-80УД)”. Учебное пособие. 1988 г., 198 с.) прицел-дальномер прибор наведения 1Г46 состоит из оптического визира, стабилизирующего блока, лазерного дальномера, пульта управления и головки прицела. Оптический визир включает в себя оптически сопряженные между собой окуляр, панкратическую систему поля зрения с электромеханическим приводом, плоскопараллельную пластину с нанесенной на ней сеткой прицельных марок, объектив, блок стабилизирующих зеркал и стабилизирующий блок. Такая схема позволяет производить как прицеливание, так и измерение дальности до цели.
Недостатком в данной схеме является то, что высокая точность прицеливания обеспечивается лишь в том случае, если в момент прицеливания кратность увеличения прицела будет наибольшей. Однако в условиях дефицита времени наводчик после измерения дальности может не перевести прицел на максимальную кратность и осуществляет прицеливание при различном текущем значении кратности увеличения, тем самым, снижая точность прицеливания, а следовательно, и точность стрельбы. Также данный прицел-дальномер прибор наведения не позволяет с необходимой точностью оценить достоверность дальнометрирования.
Задачей данного изобретения является повышение точности прицеливания и точности стрельбы, а также возможность оценки достоверности дальнометрирования.
Техническим решением задачи является обеспечение автоматического перевода прицела на максимальную кратность увеличения при измерении дальности, автоматическую установку размера прицельной марки, соответствующего угловому размеру цели, до которой произведен замер дальности.
При этом танковый прицел-дальномер прибор наведения, содержащий оптический визир, стабилизирующий блок, лазерный дальномер, пульт управления и головку прицела, отличается тем, что дополнительно установлены: экран, проекционная система прицельной марки, панкратическая система прицельной марки, электромеханический следящий привод панкратической системы прицельной марки, цифро-аналоговый преобразователь, причем вход окуляра имеет оптические связи с проекционной системой прицельной марки через панкратическую систему прицельной марки, экран и панкратическую систему поля зрения, а также с блоком стабилизирующих зеркал через объектив, экран и панкратическую систему поля зрения, стабилизирующий блок механически связан с блоком стабилизирующих зеркал, панкратическая система поля зрения прицела имеет механическую связь с электромеханическим приводом панкратической системы поля зрения, панкратическая система прицельной марки имеет механическую связь с электромеханическим следящим приводом панкратической системы прицельной марки, кроме того, пульт управления электрически соединен со стабилизирующим блоком, электромеханическим приводом панкратической системы поля зрения, а с электромеханическим следящим приводом панкратической системы прицельной марки – через лазерный дальномер и цифро-аналоговый преобразователь.
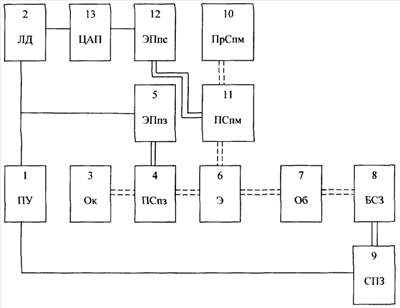
Изобретение поясняется чертежом, на котором изображена функциональная схема предлагаемого танкового прицела-дальномера прибора наведения, где
1 – пульт управления (ПУ),
2 – лазерный дальномер (ЛД),
3 – окуляр (Ок),
4 – панкратическая система поля зрения (ПСпз),
5 – электромеханический привод панкратической системы поля зрения (ЭПпз),
6 – экран (Э),
7 – объектив (Об),
8 – блок стабилизирующих зеркал (БСЗ),
9 – стабилизирующий блок (СБ),
10 – проекционная система прицельной марки (ПрСпм),
11 – панкратическая система прицельной марки (ПСпм),
12 – электромеханический следящий привод панкратической системы прицельной марки (ЭПпм),
13 – цифроаналоговый преобразователь (ЦАП).
На чертеже одинарной линией показаны электрические связи, двойной сплошной – механические связи, двойной пунктирной – оптические связи.
Пульт управления 1 является органом, задающим направление и скорость наведения линии прицеливания в пространстве. На рукоятках пульта расположены кнопки измерения дальности выстрела из пушки и выстрела из пулемета.
Лазерный дальномер 2 – электронный прибор, предназначенный для измерения дальности и выработки электрического сигнала, соответствующего измеренной дальности.
Для удобства наблюдения визуальный канал имеет окуляр 3 с диоптрийной наводкой по глазу наблюдателя.
Панкратическая система поля зрения 4 представляет собой набор подвижных призм, предназначенный для изменения кратности увеличения поля зрения прицела-дальномера прибора наведения.
Электромеханический привод панкратической системы поля зрения 5 представляет собой систему, позволяющую механически или с использованием электропривода изменять расстояние между элементами панкратической системы поля зрения 4.
Экран 6 представляет собой зеркало со специальным покрытием, позволяющим передавать сформированное изображение местности или цели от объектива к панкратической системе поля зрения 4, а также формировать в этом поле зрения изображения прицельных знаков, марки и шкал, передаваемых с панкратической системы прицельной марки 11.
Объектив 7 представляет собой линзу, предназначенную для формирования изображения местности или цели на входе экрана 6.
Блок стабилизирующих зеркал 8 совокупность головного стабилизирующего зеркала и блока нижних стабилизирующих зеркал, обеспечивающих стабилизацию и наведение поля зрения соответственно в вертикальной и горизонтальной плоскостях.
Стабилизирующий блок 9 представляет собой двухкомпонентную гирораму, которая обеспечивает плавное наведение поля зрения в вертикальной и горизонтальной плоскостях.
Проекционная система прицельной марки 10 представляет собой совокупность пластин с нанесенными на них прицельными знаками, маркой и шкалами, призм, объективов и лампочки подсветки и предназначена для проецирования через панкратическую систему прицельной марки 11 на экран 6 прицельных знаков, марки и шкал.
Панкратическая система прицельной марки 11 представляет собой набор призм, позволяющих при изменении расстояния между ними изменять оптические размеры прицельной марки танкового прицела-дальномера прибора наведения.
Электромеханический следящий привод панкратической системы прицельной марки 12 представляет собой систему, позволяющую в основном режиме с использованием электропривода, в аварийном – механически изменять расстояние между элементами панкратической системы прицельной марки 11.
Цифро-аналоговый преобразователь 13 представляет собой электронное устройство, предназначенное для преобразования цифрового сигнала в аналоговую форму.
Работа предлагаемого танкового прицела-дальномера прибора наведения происходит следующим образом. При измерении дальности наводчик с помощью окуляра 3 наблюдает в поле зрения прицельную марку, сформированную проекционной системой прицельной марки 10 в виде скобок с угольником, и с помощью панкратической системы прицельной марки 11 переданную на экран 6. При этом изображение местности и цели через блок стабилизирующих зеркал 8, объектив 7, экран 6, панкратическую систему поля зрения 4 поступает в окуляр 3. Перемещая пультом управления 1 с помощью стабилизирующего блока 9 блок стабилизирующих зеркал 8, оператор наводит прицельную марку на цель и с помощью лазерного дальномера 2 производит замер дальности до цели. Одновременно при замере дальности сигнал с выхода пульта управления 1 поступает на вход электромеханического привода панкратической системы поля зрения 5 панкратической системы поля зрения 4, обеспечивая автоматический перевод прицела на максимальную кратность увеличения, что дает возможность наводчику производить уточнение наводки с наименьшей погрешностью. По окончании измерения сигнал с выхода лазерного дальномера 2, соответствующий коду измеренной дальности, преобразуется с помощью цифро-аналогового преобразователя 13 в аналоговую форму и поступает на вход электромеханического следящего привода панкратической системы прицельной марки 12, который перемещает линзы панкратической системы прицельной марки 11 таким образом, что на экране 6 устанавливается размер прицельной марки, сформированной проекционной системой прицельной марки 10, соответствующий угловому размеру цели, видимой в окуляре 3, облегчая оператору оценку достоверности дальнометрирования.
Таким образом, применение предлагаемого прицела-дальномера прибора наведения позволит повысить точность прицеливания и точность стрельбы, а также обеспечить возможность оценки достоверности дальнометрирования.
Литература
1. Система управления огнем Т-80У (Т-80УД). Учебное пособие. Издание академии, 1988 г.
Формула изобретения
Танковый прицел-дальномер – прибор наведения, содержащий оптический визир с окуляром, лазерный дальномер, стабилизирующий блок, механически связанный с блоком стабилизирующих зеркал, панкратическую систему поля зрения прицела, механически связанную с электромеханическим приводом, пульт управления и головку прицела, отличающийся тем, что он снабжен экраном, проекционной системой прицельной марки, панкратической системой прицельной марки с электромеханическим следящим приводом и цифроаналоговым преобразователем, при этом окуляр оптически связан с проекционной системой прицельной марки и с блоком стабилизирующих зеркал через объектив, экран и панкратическую систему поля зрения, панкратическая система прицельной марки механически связана с электромеханическим следящим приводом панкратической системы прицельной марки, причем пульт управления электрически соединен со стабилизирующим блоком и электромеханическим приводом панкратической системы поля зрения, а через лазерный дальномер и цифроаналоговый преобразователь – с электромеханическим следящим приводом панкратической системы прицельной марки.
РИСУНКИ
|
|