|
|
(21), (22) Заявка: 2007133490/03, 06.09.2007
(24) Дата начала отсчета срока действия патента:
06.09.2007
(30) Конвенционный приоритет:
12.09.2006 UA A200609768
(46) Опубликовано: 27.05.2009
(56) Список документов, цитированных в отчете о поиске:
UA 12783 U1, 15.02.2006. RU 26109 U1, 10.11.2002. RU 2079052 C1, 10.05.1997. RU 2248769 C2, 27.03.2005. US 4497782 A, 05.02.1985. GB 1401705 A, 30.07.1975.
Адрес для переписки:
61166, Украина, г. Харьков-166, пр-кт Ленина, 9, УкрГНТЦ “Энергосталь”
|
(72) Автор(ы):
Рыжавский Арнольд Зиновьевич (UA), Ровенский Александр Иванович (UA), Пирогов Александр Юрьевич (UA), Зимогляд Антон Вадимович (UA), Грушевский Михаил Александрович (UA)
(73) Патентообладатель(и):
Украинский государственный научно-технический центр по технологии и оборудованию, обработке металлов, защите окружающей среды и использованию вторичных ресурсов для металлургии и машиностроения “Энергосталь” (UA)
|
(54) УСТАНОВКА ДЛЯ ТЕРМИЧЕСКОГО ОБЕЗВРЕЖИВАНИЯ ЯДОХИМИКАТОВ
(57) Реферат:
Изобретение относится к устройствам для обезвреживания твердых специфических отходов и может быть использовано для обезвреживания непригодных к использованию ядохимикатов и подобных им химических веществ. Установка содержит загрузочный механизм, печь с жидкой ванной из расплава щелочных реагентов, камеру дожигания и рекуператор с газоохладителем, которые размещены в одном корпусе, вихревой аппарат. Корпус оборудован вертикальной перегородкой. Также установка содержит каталитический реактор, дополнительный газоохладитель, рукавный фильтр, дымосос и дымовую трубу. В печи выполнено закрываемое выпускное отверстие с желобом для слива шлака в шлаковню. Камера дожигания, выполненная с вертикальной ориентацией, расположена рядом с печью и соединена с печью своей верхней частью с помощью газопровода. На верхнем торце камеры дожигания установлены горелка, форсунка для распыления щелочного раствора и сопло для подачи нагретого воздуха. Технический результат – повышение эффективности разложения, улавливания и обезвреживания продуктов разложения, образующихся при сжигании непригодных к использованию ядохимикатов и подобных им химических веществ. 4 з.п. ф-лы, 1 ил.
Изобретение относится к устройствам для обезвреживания твердых специфических отходов и может быть использовано для обезвреживания непригодных к использованию ядохимикатов и подобных им химических веществ.
Наиболее близкой по совокупности признаков к заявляемому изобретению является выбранная в качестве прототипа установка для обезвреживания пестицидов, ядохимикатов и подобных им химических веществ. Эта установка содержит загрузочный механизм, соединенный желобом с печью для сжигания ядохимикатов. Загрузочный механизм оборудован фрезой и винтовым толкателем. В печи кипящего слоя расположены горелка и сопло для подачи нагретого в рекуператоре воздуха. Верхняя часть печи представляет собой камеру дожигания, которая соединена с вихревым аппаратом для предварительной очистки дымовых газов. Установка также содержит каталитический реактор для очистки дымовых газов от недогоревших органических токсинов, рекуператор, газоохладитель, рукавный фильтр для тонкой очистки дымовых газов от мелких частиц пыли, дымосос и дымовую трубу (Декларационный патент Украины на полезную модель 12783 U, МПК (2006) В09В 3/00, F23G 7/00, опубл. 15.02.2006, бюл. 2).
У заявляемого объекта и прототипа совпадают такие существенные признаки. Обе установки содержат печь и соединенный с ней загрузочный механизм, расположенные в печи горелку и сопло для подачи нагретого в рекуператоре воздуха, камеру дожигания, вихревой аппарат для предварительной очистки дымовых газов, каталитический реактор для очистки дымовых газов от недогоревших органических токсинов, рекуператор, газоохладитель, рукавный фильтр для тонкой очистки дымовых газов от мелких частиц пыли, дымосос и дымовую трубу.
Анализ технических свойств прототипа, обусловленных его признаками, показывает, что достижению ожидаемого технического результата при использовании прототипа препятствуют такие причины. Известная установка не обеспечивает высокую эффективность разложения и обезвреживания продуктов разложения, образующихся при сжигании непригодных к использованию ядохимикатов и подобных им химических веществ, так как после сжигания органической части ядохимикатов в печи с кипящим псевдоожиженным слоем в твердой фазе остаются необезвреженные остатки ядохимикатов, не обеспечивается глубокая нейтрализация галогенов и кислых неорганических соединений, не обеспечивается улавливание паров ртути, кадмия и других летучих соединений тяжелых металлов. Необходимость предварительного измельчения ядохимикатов фрезой усложняет конструкцию установки и ее эксплуатацию.
В основу заявляемого изобретения поставлена задача создать такую установку для термического обезвреживания ядохимикатов, в которой усовершенствования путем введения новых элементов позволят при использовании изобретения обеспечить достижение технического результата, заключающегося в повышении эффективности разложения, улавливания и обезвреживания продуктов разложения, образующихся при сжигании непригодных к использованию ядохимикатов и подобных им химических веществ.
Заявляемая в качестве изобретения установка для термического обезвреживания ядохимикатов содержит печь для сжигания ядохимикатов и соединенный с ней загрузочный механизм. В печи расположены горелка и сопло для подачи нагретого в рекуператоре воздуха. Установка также содержит камеру дожигания, вихревой аппарат для предварительной очистки дымовых газов, каталитический реактор для очистки дымовых газов от недогоревших органических токсинов, рекуператор, газоохладитель, рукавный фильтр для тонкой очистки дымовых газов от мелких частиц пыли, дымосос и дымовую трубу. Установка для термического обезвреживания ядохимикатов имеет такие отличительные признаки. Печь для сжигания ядохимикатов снабжена жидкой ванной из расплава щелочных реагентов. В печи выполнено закрываемое выпускное отверстие с желобом для слива шлака в шлаковню. Камера дожигания и рекуператор с газоохладителем размещены в корпусе, который оборудован вертикальной перегородкой. Вертикальная перегородка отделяет камеру дожигания от рекуператора с газоохладителем. Камера дожигания выполнена с вертикальной ориентацией, а вертикальная перегородка образует в нижней части камеры дожигания канал, соединяющий камеру дожигания и рекуператор. Камера дожигания расположена рядом с печью и соединена с печью своей верхней частью с помощью газопровода, при этом на верхнем торце камеры дожигания установлены горелка, форсунка для распыления щелочного раствора и сопло для подачи нагретого воздуха. Установка оборудована дополнительным газоохладителем, системой подачи топлива к горелкам, системой подачи щелочного раствора к форсункам, системой подачи нагретого в рекуператоре воздуха в печь и в камеру дожигания. Дополнительный газоохладитель установлен между каталитическим реактором и рукавным фильтром. Каталитический реактор соединен с вихревым аппаратом для предварительной очистки дымовых газов и дополнительным газоохладителем газопроводами с вертикальными участками, в которые вмонтированы вертикально ориентированные форсунки для распыления щелочного раствора. На входе и выходе рукавного фильтра установлены патрубки подсоса воздуха.
В отдельных случаях изготовления заявляемая установка для термического обезвреживания ядохимикатов характеризуется тем, что:
– печь снабжена средством для перемешивания жидкой ванны сжатым воздухом в процессе сжигания органической части ядохимикатов;
– газоохладитель выполнен в виде газовоздушного теплообменника, или экономайзера, или парового котла;
– в газоходе на выходе из рекуператора с газоохладителем установлен дроссельный клапан;
– установка оборудована фильтром-адсорбером, который установлен в дымовой трубе.
При использовании изобретения обеспечивается достижение технического результата, заключающегося в повышении эффективности разложения, улавливания и обезвреживания продуктов разложения, образующихся при сжигании непригодных ядохимикатов и подобных им химических веществ.
Между совокупностью существенных признаков заявляемого изобретения и достигаемым техническим результатом существует такая причинно-следственная связь.
При попадании ядохимикатов в печь с жидкой ванной из расплава щелочных реагентов (например, каустической соды) происходит разложение органических соединений ядохимикатов и их сгорание. Благодаря тому что печь снабжена ванной из расплава щелочных реагентов, обеспечивается существенное повышение эффективности разложения и сжигания продуктов разложения, образующихся в печи.
При этом значительная часть неорганических и кислых неорганических соединений, содержащих хлор, фосфор, серу, оказывается связанной со щелочью (например, каустической содой) в расплаве в инертные соединения типа NaCl, Na3PO4, Na2SO4, Na2S и остается в шлаке, который после выдержки в печи не содержит неразложившихся ядохимикатов и растворимых соединений тяжелых металлов. При этом выполнение в печи выпускного отверстия с желобом для слива шлака позволяет отводить шлак в жидком состоянии из печи в шлаковню, где происходит его охлаждение и кристаллизация. Средний расчетный состав шлака такой: NaO – 25%, NaCl – 4%, Na2SO3 – 1,5%, Na3PO4 – 1,5%, SiO2 – 45%, Al2О3 – 12%, K2O – 3%, CaO – 5%, MgO – 3%. Такой шлак относится к веществам четвертой категории вредности, что позволяет вывозить его на близлежащие полигоны или использовать для строительных целей, например, в качестве наполнителя для бетона.
Отходящие из печи дымовые газы для дальнейшего обеззараживания, охлаждения и очистки проходят через ряд аппаратов.
Смешивание печных дымовых газов в верхней части камеры дожигания с направленными сверху вниз потоками продуктов сгорания жидкого или газообразного топлива (подается через дополнительную горелку, установленную в верхней части камеры дожигания) и нагретого воздуха (подается через дополнительное сопло, установленное в верхней части камеры дожигания) обеспечивает стабильно высокую температуру обезвреживания дымовых газов на уровне 1000-1200°С в течение 2-3 секунд при увеличении содержания кислорода до 8-10%. При этом обработка дымовых газов аэрозолем щелочного раствора (например, каустической соды) через форсунку для распыления щелочного раствора (установлена в верхней части камеры дожигания) обеспечивает связывание SOx, HCl и Cl2.
После дожигания дымовые газы направляются в рекуператор с газоохладителем, где происходит охлаждение дымовых газов с одновременным нагреванием воздуха горения.
После этого дымовые газы предварительно подвергаются очистке в вихревом аппарате, а в каталитическом реакторе с импульсной регенерацией дымовые газы очищаются от недогоревших органических токсинов и оксида углерода, что обеспечивается путем разложения и дожигания остатков тяжелых углеводородов и оксида углерода.
Обработка дымовых газов аэрозолем щелочного раствора (например, каустической соды) перед входом в каталитический реактор и после выхода из него обеспечивает наиболее полное связывание соединений серы и хлора. При разложении углеводородов на катализаторе происходит восстановление части окислов азота до молекулярного азота.
Оборудование установки системой подачи топлива к горелкам обеспечивает надежную и своевременную подачу топлива в необходимом количестве для каждой из горелок, рассчитанных на индивидуально определенный расход топлива и расположенных в разных аппаратах установки, а именно подачу к горелке в печи и к горелке в камере дожигания.
Оборудование установки системой подачи нагретого в рекуператоре воздуха в печь и в камеру дожигания обеспечивает надежную и своевременную подачу нагретого воздуха в необходимом количестве для каждого из аппаратов, рассчитанных в соответствии технологическим процессом на индивидуально определенный расход нагретого воздуха.
Оборудование установки системой подачи щелочного раствора к форсункам для распыления щелочного раствора обеспечивает надежную и своевременную подачу щелочного раствора в необходимом количестве для каждой из форсунок, рассчитанных на индивидуально определенный расход щелочного раствора и расположенных в разных аппаратах установки, а именно, подачу к форсунке в камере дожигания, к форсунке в вертикальном участке газопровода, соединяющем каталитический реактор с вихревым аппаратом для предварительной очистки дымовых газов, и к форсунке в вертикальном участке газопровода, соединяющем каталитический реактор с дополнительным газоохладителем.
Дополнительное охлаждение дымовых газов в дополнительном газоохладителе перед рукавным фильтром, а также разбавление дымовых газов подсасываемым через патрубок атмосферным воздухом позволяет обеспечить охлаждение дымовых газов до температуры нормальной эксплуатации рукавов фильтра, что обеспечивает повышение эффективности очистки дымовых газов в рукавных фильтрах и снижает их стоимость.
Разбавление дымовых газов после рукавного фильтра подсасываемым через патрубок атмосферным воздухом до температуры конденсации паров ртути и других тяжелых металлов обеспечивает конденсацию и адсорбцию ртути и других тяжелых металлов и их летучих соединений в фильтре-адсорбере, например, из углеродной ткани, через который дымовые газы подаются дымососом в дымовую трубу.
Оборудование печи средством для перемешивания жидкой ванны сжатым воздухом в процессе сжигания органической части ядохимикатов позволяет обеспечить интенсивное перемешивание жидкой ванны из щелочных реагентов, что, в свою очередь, повышает эффективность разложения и сжигания продуктов разложения в печи.
В отдельных случаях изготовления газоохладитель может быть выполнен в виде газовоздушного теплообменника, или экономайзера, или парового котла. Оптимальный вариант выполнения газоохладителя определяется исходя из нужд отдельновзятого производства и целей, на которые направляется нагретая в газоохладителе среда (это может быть или воздух, или вода, или пароводяная смесь).
Установка в газоходе на выходе из рекуператора с газоохладителем дроссельного клапана обеспечивает регулирование давления разрежения в печи.
Оборудование установки фильтром-адсорбером, например, из углеродной ткани, который установлен в дымовой трубе, позволяет предотвратить попадание остатков паров ртути и других тяжелых металлов в атмосферу вместе с дымовыми газами, это обеспечивается путем их конденсации и адсорбции, что, в свою очередь, обеспечивает улавливание и обезвреживание продуктов разложения, образующихся при сжигании непригодных к использованию ядохимикатов и подобных им химических веществ.
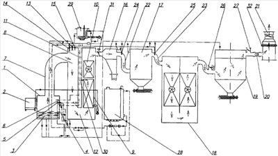
Суть изобретения поясняется чертежом, на котором изображена заявляемая установка для термического обезвреживания ядохимикатов. На чертеже проставлены такие обозначения:
1 – печь;
2 – загрузочный механизм;
3 – жидкая ванна из расплава щелочных реагентов;
4 – выпускное отверстие для шлака;
5 – горелка;
6 – сопло для подачи нагретого воздуха;
7 – газопровод;
8 – камера дожигания;
9 – рекуператор;
10 – газоохладитель;
11 – вертикальная перегородка;
12 – канал;
13 – горелка;
14 – форсунка для распыления щелочного раствора;
15 – сопло для подачи нагретого воздуха;
16 – вихревой аппарат;
17 – каталитический реактор;
18 – дополнительный газоохладитель;
19 – рукавный фильтр;
20 – дымосос;
21 – дымовая труба;
22 – газопровод;
23 – газопровод;
24 – форсунка для распыления щелочного раствора;
25 – форсунка для распыления щелочного раствора;
26 – патрубок подсоса воздуха;
27 – патрубок подсоса воздуха;
28 – система подачи топлива к горелкам;
29 – система подачи щелочного раствора к форсункам;
30 – система подачи нагретого в рекуператоре воздуха в печь и камеру дожигания;
31 – дроссельный клапан;
32 – фильтр-адсорбер.
В конкретном примере изготовления заявляемая установка для термического обезвреживания ядохимикатов содержит печь 1 для сжигания ядохимикатов и соединенный с ней загрузочный механизм 2. Печь 1 содержит жидкую ванну 3 из расплава щелочных реагентов (например, каустической соды). В печи 1 выполнено закрываемое выпускное отверстие 4 с желобом (на чертеже не показан) для слива шлака в шлаковню (на чертеже не показана). В печи 1 расположены горелка 5 и сопло 6 для подачи нагретого в рекуператоре воздуха.
Печь 1 газопроводом 7 соединена с камерой дожигания 8 (камера дожигания 8 расположена рядом с печью 1 и соединена своей верхней частью с печью 1 при помощи газопровода 7). Камера дожигания 8 и рекуператор 9 с газоохладителем 10 размещены в корпусе, который оборудован вертикальной перегородкой 11. При этом вертикальная перегородка 11 отделяет камеру дожигания 8 от рекуператора 9 с газоохладителем 10. Камера дожигания 8 выполнена с вертикальной ориентацией, а вертикальная перегородка 11 образует в нижней части камеры дожигания 8 канал 12, соединяющий камеру дожигания 8 и рекуператор 9. На верхнем торце камеры дожигания 8 установлены горелка 13, форсунка 14 для распыления щелочного раствора и сопло 15 для подачи нагретого воздуха.
Установка также содержит последовательно установленные вихревой аппарат 16 для предварительной очистки дымовых газов, каталитический реактор 17 для очистки дымовых газов от недогоревших органических токсинов, дополнительный газоохладитель 18, рукавный фильтр 19 для тонкой очистки дымовых газов от мелких частиц пыли, дымосос 20 и дымовую трубу 21.
Каталитический реактор 17 соединен с вихревым аппаратом 16 и с дополнительным газоохладителем 18 с помощью газопроводов соответственно 22 и 23 с вертикальными участками, в которые вмонтированы вертикально ориентированные форсунки соответственно 24 и 25 для распыления щелочного раствора. На входе и выходе рукавного фильтра 19 установлены патрубки подсоса воздуха соответственно 26 и 27.
Установка также оборудована системой 28 подачи топлива к горелкам, системой 29 подачи щелочного раствора к форсункам и системой 30 подачи нагретого в рекуператоре воздуха в печь и в камеру дожигания.
Дополнительно установка оборудована средством (на чертеже не показан) для перемешивания жидкой ванны сжатым воздухом в процессе сжигания органической части ядохимикатов. В газоходе на выходе рекуператора 9 с газоохладителем 10 установлен дроссельный клапан 31, предназначенный для регулировки давления разрежения в печи. В расширении дымовой трубы 21 установлен фильтр-адсорбер 32, например, из углеродной ткани.
Установка для термического обезвреживания ядохимикатов работает так. Непригодные ядохимикаты в герметичных мешках массой 20-30 кг и пакеты с каустической содой массой 10-15 кг с помощью загрузочного механизма 2 подают в печь 1 с жидкой ванной 3 из расплава каустической соды, температуру которого поддерживают горелкой 5 на уровне 850°С. Воздух горения, нагретый в рекуператоре 9 до 350-400°С, подается в печь 1 через сопло 6 для подачи нагретого воздуха. В жидкой ванне 3 из расплава каустической соды органические соединения ядохимикатов разлагаются и сгорают, а неорганический наполнитель образует со щелочью жидкий шлак. В процессе сжигания органической части ядохимикатов жидкую ванну 3 перемешивают сжатым воздухом с помощью средства для перемешивания (на чертеже не показан). Значительная часть неорганических и кислых неорганических соединений, содержащих хлор, фосфор, серу, образует со щелочными составляющими шлака инертные соединения типа NaCl, Na3PO4, Na2SO4, Na2S и остается в шлаке, который после выдержки в печи не содержит неразложившихся ядохимикатов и растворимых соединений тяжелых металлов. Шлак из печи 1 в жидком состоянии через выпускное отверстие 4 с желобом (на чертеже не показан) поступает в шлаковню (на чертеже не показана), где кристаллизуется и охлаждается. Выход шлака составляет 110-130% от массы ядохимикатов.
Выходящие из печи 1 дымовые газы по газопроводом 7 поступают в верхнюю часть камеры дожигания 8 с температурой 850-1000°С. В камере дожигания 8 дымовые газы смешиваются с направленными сверху вниз потоками продуктов сгорания жидкого топлива (подается через горелку 13) и нагретого воздуха (подается через сопло 15) и обрабатываются аэрозолем раствора каустической соды (подается через форсунку 14). Дожигание дымовых газов в камере дожигания 8 осуществляют при температуре 1100-1200°С в течение 2 секунд, коэффициенте избытка воздуха 1,4 и концентрации щелочи в дымовых газах 0,03 мас.%. На выходе из нижней части камеры дожигания 8 дымовые газа направляют в рекуператор 9 с газоохладителем 10, выполненным, например, в виде поверхностного теплообменника, где дымовые газы охлаждаются до температуры 550-600°С, одновременно в рекуператоре 9 нагревается воздух горения. Регулировку давления разрежения в печи 1 осуществляют с помощью дроссельного клапана 31, установленного на выходе из рекуператора 9 с газоохладителем 10.
После этого осуществляют предварительную очистку дымовых газов в вихревом аппарате 16 и очистку дымовых газов от недогоревших органических токсинов и оксида углерода в каталитическом реакторе 17 с импульсной регенерацией. Перед входом в каталитический реактор 17 и после выхода из него дымовые газы с помощью форсунок 24 и 25 для распыления щелочного раствора обрабатывают аэрозолем щелочного раствора каустической соды при концентрации щелочи в дымовых газах 0,01-0,03 мас.%, например 0,02 мас.%. Потом дымовые газы охлаждают в дополнительном газоохладителе 18 до температуры 130°С, направляют в рукавный фильтр 19 для очистки от пыли и далее дымососом 20 через фильтр-адсорбер 32, например, из углеродной ткани, направляют в дымовую трубу 21.
Перед рукавным фильтром 19 в случае необходимости дымовые газы разбавляют атмосферным воздухом, который подсасывается через патрубок 26, до температуры 120°С – температуры нормальной эксплуатации рукавов фильтра. После рукавного фильтра 19 дымовые газа разбавляют атмосферным воздухом, который подсасывается через патрубок 27, до достижения температуры дымовых газов не выше 45°С для обеспечения конденсации и адсорбции паров ртути и других тяжелых металлов в фильтре-адсорбере 32, например, из углеродной ткани, который расположен в дымовой трубе 21.
После очистки в дымовых газах содержится: пыли – до 10 мг/м3, окиси серы – до 50 мг/м3, хлористого водорода – до 10 мг/м3, окиси азота – до 100 мг/м3, диоксина и фурана – до 0,3 нг/м3, ртути – до 2·10-4 мг/м3. Такие соединения, как NaO, NaCl, Na2SO3, Na3PO4 Si2, Al2О3, K2O, СаО, MgO, остались в шлаке, который может использоваться в строительстве, например, как наполнитель для бетона.
В результате использования заявляемой установки для термического обезвреживания ядохимикатов обеспечивается достижение технического результата, заключающегося в повышении эффективности разложения, улавливания и обезвреживания продуктов разложения, образующихся при сжигании непригодных ядохимикатов и подобных им химических веществ.
Формула изобретения
1. Установка для термического обезвреживания ядохимикатов, содержащая загрузочный механизм, печь, расположенные в печи горелку и сопло для подачи нагретого в рекуператоре воздуха, камеру дожигания, вихревой аппарат для предварительной очистки дымовых газов, каталитический реактор для очистки дымовых газов от недогоревших органических токсинов, рекуператор, газоохладитель, рукавный фильтр для тонкой очистки дымовых газов от мелких частиц пыли, дымосос и дымовую трубу, отличающаяся тем, что печь снабжена жидкой ванной из расплава щелочных реагентов, в печи выполнено закрываемое выпускное отверстие с желобом для слива шлака в шлаковню, камера дожигания и рекуператор с газоохладителем размещены в корпусе, который оборудован вертикальной перегородкой, вертикальная перегородка отделяет камеру дожигания от рекуператора с газоохладителем, камера дожигания выполнена с вертикальной ориентацией, а вертикальная перегородка образует в нижней части камеры дожигания канал, соединяющий камеру дожигания и рекуператор, камера дожигания расположена рядом с печью и соединена с печью своей верхней частью с помощью газопровода, при этом на верхнем торце камеры дожигания установлены горелка, форсунка для распыления щелочного раствора и сопло для подачи нагретого воздуха, установка оборудована дополнительным газоохладителем, в печь и в камеру дожигания, дополнительный газоохладитель установлен между каталитическим реактором и рукавным фильтром, причем каталитический реактор соединен с вихревым аппаратом для предварительной очистки дымовых газов и дополнительным газоохладителем газопроводами с вертикальными участками, в которые вмонтированы вертикально ориентированные форсунки для распыления щелочного раствора, а на входе и выходе рукавного фильтра установлены патрубки подсоса воздуха.
2. Установка по п.1, отличающаяся тем, что печь снабжена средством для перемешивания жидкой ванны сжатым воздухом в процессе сжигания органической части ядохимикатов.
3. Установка по п.1, отличающаяся тем, что газоохладитель выполнен в виде газовоздушного теплообменника, или экономайзера, или парового котла.
4. Установка по п.1, отличающаяся тем, что в газоходе на выходе из рекуператора с газоохладителем установлен дроссельный клапан.
5. Установка по п.1, отличающаяся тем, что она оборудована фильтром-адсорбером, который установлен в дымовой трубе.
РИСУНКИ
|
|