|
|
(21), (22) Заявка: 2007134111/06, 27.06.2006
(24) Дата начала отсчета срока действия патента:
27.06.2006
(30) Конвенционный приоритет:
25.08.2005 DE 102005040380.8
(46) Опубликовано: 20.05.2009
(56) Список документов, цитированных в отчете о поиске:
WO 90/07633 А, 12.07.1990. DE 2257369 A1, 30.05.1974. DE 10333009 В3, 19.08.2004. SU 355467 А, 09.11.1972. SU 1361357 A1, 23.12.1987. SU 1158769 А, 30.05.1985.
(85) Дата перевода заявки PCT на национальную фазу:
12.09.2007
(86) Заявка PCT:
DE 2006/001097 20060627
(87) Публикация PCT:
WO 2007/022738 20070301
Адрес для переписки:
129090, Москва, ул. Б.Спасская, 25, стр.3, ООО “Юридическая фирма Городисский и Партнеры”, пат.пов. А.В.Мицу
|
(72) Автор(ы):
ХЕРБЕРМАНН Михель (DE), ВИТТЕ Раймунд (DE), ВИНЕН Хайнц (DE), МИКОВИЧ Андрас (DE)
(73) Патентообладатель(и):
ГЕА ЭНЕРГИТЕХНИК ГМБХ (DE)
|
(54) СПОСОБ КОНДЕНСАЦИИ
(57) Реферат:
Изобретение относится к способу конденсации пара турбины. Отработавший пар турбины подают для конденсации в воздухоохлаждаемый конденсатор. Полученный в конденсаторе конденсат предварительно нагревают в ступени нагрева конденсата, прежде чем направить его с помощью питающего насоса в предвключенный турбине испаритель. Конденсат нагревают посредством частичного потока пара турбины. Параллельно ступени нагрева конденсата включен дегазатор для дегазации подпиточной воды. Изобретение позволяет минимизировать переохлаждение конденсата и в то же время повысить коэффициент полезного действия электростанции. 6 з.п. ф-лы, 3 ил.
Изобретение относится к способу конденсации с признаками ограничительной части пункта 1 формулы.
К.п.д. электростанций является фактором, который, в частности, при новом планировании электростанций оказывает решающее влияние на экономичность. Поэтому предпринимаются разнообразные усилия по оптимизации паросиловых процессов на тепловых электростанциях. Особое значение придается при этом также системе конденсации. В частности, потенциал в отношении к.п.д. электростанций использован пока еще в недостаточной степени, если используются воздухоохлаждаемые конденсаторы, как они нередко находят применение при нехватке воды в месте расположения электростанции. Воздухоохлаждаемые конденсаторы имеют тот обусловленный принципом недостаток, что можно использовать только температуру сухого воздуха. К тому же при эксплуатации с особенно низкими давлениями отработавшего пара переохлаждение конденсата больше, чем у водоохлаждаемых поверхностных конденсаторов.
Воздухоохлаждаемые конденсаторы имеют, как правило, две ступени конденсации. На первой ступени конденсации конденсируются 80-90% отработавшего пара турбины. 100%-ная конденсация на первой ступени конденсации практически невозможна из-за обусловленных процессом параметров, таких, например, как колеблющиеся наружные температуры, так что в любом случае требуется вторая ступень конденсации остаточного пара. По этой причине нередко между собой комбинируют включенные конденсаторно и дефлегматорно воздухоохлаждаемые конденсаторы, причем дефлегматорная конденсация предусмотрена для конденсации остаточного пара, т.е. образует вторую ступень конденсации.
Обычно полученный конденсат подают непосредственно в сборник. Затем конденсат направляют в дегазатор, в котором примешивают подготовленную в качестве замены потерь негерметичности подпиточную воду, после чего конденсат с помощью питающего насоса снова подают в предвключенный турбине испаритель. Поскольку конденсат в дегазаторе снова приходится доводить для дегазации до температуры кипения, ущерб энергобалансу наносит то обстоятельство, если конденсат предварительно был слишком сильно переохлажден, поскольку требуется повышенный подвод энергии за счет использования первичных топлив. Поэтому предпринимаются попытки поддержания переохлаждения конденсата на как можно более низком уровне, чтобы минимизировать использование первичных топлив. В то же время предпринимаются попытки поддержания также на как можно более низком уровне количества энергии, используемого для конденсации турбинного отработавшего пара.
Из WO 90/07633 А известен способ конденсации, при котором небольшую часть потока отработавшего пара турбины направляют в сборник конденсата для подогрева последнего. За счет этого должно устраняться переохлаждение конденсата. Поток отработавшего пара турбины, который должен использоваться для подогрева конденсата, составляет приблизительно порядка 1% от направляемого по главному паровыпускному трубопроводу количества пара.
В DE 2257369 А1 в качестве второй ступени устройства конденсации вместо дефлегматора предусмотрен контактный конденсатор. Полученный в процессе конденсации конденсат распыляют внутри контактного конденсатора. Для повышения эффективности контактного конденсатора конденсат перекачивают в теплообменные элементы, чтобы еще больше переохладить его. Таким образом, циркуляционный процесс теряет много энергии, что негативно сказывается на к.п.д. электростанции.
В основе изобретения лежит задача создания способа конденсации, который позволил бы минимизировать переохлаждение конденсата и в то же время повысить к.п.д. электростанции.
Эта задача решается в способе конденсации с признаками пункта 1 формулы.
Существенным у способа согласно изобретению является то, что полученный в конденсаторе поток конденсата перед вводом в сборник конденсата нагревают на специально предусмотренной для этого ступени нагрева конденсата. Нагрев потока конденсата происходит внутри ступени нагрева конденсата посредством потока отработавшего пара турбины. В то же время выходящий из конденсатора частичный поток пара подают в дегазатор, в котором частичный поток пара нагревает более холодную подпиточную воду, а сам полностью конденсируется.
Предусмотренная дополнительно к дегазатору ступень нагрева конденсата позволяет в значительной степени минимизировать переохлаждение конденсата и уменьшить, тем самым, использование первичных топлив. Модельные расчеты подтвердили, что констатируемое у воздухоохлаждаемых конденсаторов традиционной конструкции переохлаждение конденсата может быть уменьшено в диапазоне с 1-6 К примерно до 0,5 К по сравнению с температурой в состоянии насыщения за турбиной. В зависимости от уменьшения переохлаждения к.п.д. электростанции повышается. У электростанции мощностью 600 МВт термический к.п.д. может быть повышен примерно до 0,25%, что ввиду размеров электростанции следует считать величиной, которой нельзя пренебрегать.
У способа согласно изобретению термическая энергия потока отработавшего пара турбины используется существенно эффективнее, поскольку она не отдается конденсаторами в окружающее пространство, а большей частью вливается в конденсат, т.е. в самой значительной степени сохраняется в тепловом контуре. Уменьшенные потери энергии приводят к желаемому повышению к.п.д. электростанции. За счет нагрева переохлажденного конденсата одновременно достигается конденсация части потока отработавшего пара турбины, так что в конденсатор попадает меньше отработавшего пара. Конденсаторы могут быть за счет этого при определенных обстоятельствах рассчитаны меньших размеров.
Предпочтительные варианты осуществления изобретения являются объектом зависимых пунктов.
У способа согласно изобретению достаточно, если первая ступень конденсации, т.е. воздухоохлаждаемый конденсатор, включен исключительно дефлегматорно, поскольку и без того необходимый в паросиловых процессах дегазатор может быть использован в качестве второй ступени конденсации для конденсации избыточного пара. Конструкция воздухоохлаждаемого конденсатора за счет этого упрощается. Само собой, способ применим также у конденсаторов, содержащих включенные как конденсаторно, так и дефлегматорно теплообменные элементы.
У включенных полностью дефлегматорно конденсаторов уже конденсируется большая доля отработавшего пара турбины. Тем не менее, выходящий из конденсатора частичный поток пара по термодинамическим причинам самопроизвольно устанавливается так, что в дегазаторе в распоряжении имеется достаточный объемный поток. При дефлегматорном включении конденсаторов отработавший пар турбины в определенной степени пропускается через конденсатор к дегазатору и выходит в виде частичного потока пара. Если выходящий из конденсатора частичный поток пара при определенных обстоятельствах будет недостаточен для требуемого нагрева более холодной подпиточной воды, то возможна подача другого частичного потока отработавшего пара турбины напрямую, т.е. минуя путь через конденсатор. Повышенная потребность в тепле внутри дегазатора возникает, в частности, в том случае, если в материальный контур вводят бульшие количества подготовленной подпиточной воды. Поскольку подпиточная вода имеет постоянно заметно более низкую температуру, чем конденсат, здесь на энергобалансе конденсационной электростанции также положительно сказывается то обстоятельство, если частичный поток отработавшего пара из конденсатора используется для того, чтобы дегазировать подпиточную воду или, по меньшей мере, термически способствовать дегазации.
Дегазация подпиточной воды происходит, в первую очередь, преимущественно исключительно в предусмотренном для этого дегазаторе. В результате нагрева потока конденсата в ступени нагрева конденсата здесь также, будучи обусловлены процессом, могут улетучиваться газы, правда, нагретый конденсатор очень беден инертными газами, так что внутри ступени нагрева конденсата возникают лишь небольшие количества газов. Газы могут быть удалены как у дефлегматора, так и у дегазатора за счет отсоса.
Если будет установлено, что в результате отсоса воздуха из дегазатора отсасывается еще избыточный пар, то в одном предпочтительном варианте осуществления изобретения можно конденсировать этот избыточный пар также за счет подпиточной воды. За счет этого также нагревается подпиточная вода.
Нагретую подпиточную воду из дегазатора подают преимущественно также в ступень нагрева конденсата, так что подпиточная вода нагревается в два этапа. Потока конденсата из конденсатора достаточно, чтобы конденсировать часть потока отработавшего пара турбины, однако полная конденсация выходящего из конденсатора частичного потока пара по причинам энергобаланса практически невозможна. Конденсацию частичного потока пара можно в любом случае гарантировать за счет достаточного количества более холодной подпиточной воды.
Чтобы улучшить теплопередачу внутри ступени нагрева конденсата, предусмотрено приведение конденсата в виде капель в контакт с потоком отработавшего пара турбины. Это может происходить за счет того, что конденсат направляют через формованные тела и в противотоке приводят в контакт с потоком отработавшего пара турбины. Для этого формованные тела могут быть расположены каскадом. В принципе, возможно также каскадное расположение листов без использования формованных тел. Решающей является оптимизация теплопередачи от потока отработавшего пара турбины на переохлажденный конденсат.В этой связи считается особенно целесообразным распыление конденсата для каплеобразования. Конденсат может быть введен в ступень нагрева конденсата посредством форсунок. Капли переохлажденного конденсата образуют внутри ступени нагрева конденсата центры конденсации низкой температуры, в результате чего ускоряется конденсирование потока отработавшего пара турбины, тогда как одновременно энергетически благоприятно повышается температура конденсата.
Изобретение более подробно поясняется ниже с помощью схематично изображенных на чертежах примеров его осуществления.
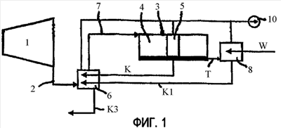
На фиг.1 в сильно упрощенном виде изображен паросиловой процесс тепловой электростанции, при котором поток 2 отработавшего пара турбины подается из турбины 1 по трубопроводу к конденсатору 3. Конденсатор 3 представляет собой воздухоохлаждаемый конденсатор с конденсаторно включенными теплообменными элементами 4 и дефлегматорно включенными теплообменными элементами 5. Большая часть потока отработавшего пара турбины конденсируется внутри конденсатора 3.
Полученный конденсат К подается из конденсатора 3 в ступень 6 нагрева конденсата, внутри которой переохлажденный конденсат К вступает в контакт с потоком 2 отработавшего пара турбины. Конденсат К нагревается, так что уже перед вхождением потока 2 отработавшего пара турбины в конденсатор 3 по трубопроводу 7 частичный поток 2 отработавшего пара турбины конденсируется и возвращается непосредственно в материальный контур в виде части конденсата К3.
Далее предусмотрен дегазатор 8, к которому подается выходящий из конденсатора 3 частичный поток Т пара. Частичный поток Т пара конденсируется за счет подачи более холодной подпиточной воды W. При этом подпиточная вода W нагревается и одновременно дегазируется. Дегазатор 8 служит в определенной степени в качестве включенной ниже по потоку второй ступени конденсации. Конденсат К1 из дегазатора 8 подается на ступень 6 нагрева конденсата, на которой переохлаждение конденсата К, К1 используется для конденсации части потока 2 отработавшего пара турбины.
Пример на фиг.2 отличается от примера на фиг.1, в первую очередь, тем, что конденсатор 9 включен исключительно дефлегматорно. Это видно по входу пара в нижней краевой области конденсатора 9.
Другое отличие в том, что помимо дегазатора 8 в качестве второй ступени конденсации предусмотрен также конденсатор 11 избыточного пара. Он служит для полной конденсации избыточного пара Т2, уже сильно обогащенного инертными газами из конденсатора 9, а именно за счет подпиточной воды W. Это имеет тот эффект, что подпиточная вода W нагревается и смешивается с конденсатом избыточного пара. Смесь подается в виде потока К2 конденсата на ступень 6 нагрева конденсата.
У обоих примеров предусмотрен воздухоотсос 10 для удаления газов из потока вещества. Воздухоотсос 10 присоединен как к включенному исключительно дефлегматорно конденсатору 9 и дефлегматорно включенным теплообменным элементам 5, так и к ступени 6 нагрева конденсата, а также к дегазатору 8 и конденсатору 11 избыточного пара. Весь конденсат К3 подается к сборнику (не показан).
На фиг.3 изображено вычисленное изменение термического к.п.д. процесса (в %), нанесенное в зависимости от переохлаждения конденсата (в К). Основой указанных на этой диаграмме значений является расчет по формуле th=P/(Qin+ Qin), причем th обозначает к.п.д., Р – мощность турбины, Qin – ввод тепла, а Qin – дополнительное тепло для нагрева конденсата. У электростанции мощностью 600 МВт возникают следующие значения:
| Температура конденсата |
tK |
°C |
38,50 |
38,00 |
37,00 |
36,00 |
35,00 |
34,00 |
33,00 |
| Переохлаждение конденсата |
tK |
K |
0,50 |
1,00 |
2,00 |
3,00 |
4,00 |
5,00 |
6,00 |
| Энтальпия конденсата |
hK |
кДж/кг |
161,28 |
159,19 |
155,01 |
150,83 |
146,65 |
142,47 |
138,29 |
| Отходящее тепло |
Qab |
МВт |
800,26 |
801,03 |
802,57 |
804,11 |
805,66 |
807,20 |
808,74 |
| Дополнительное тепло для нагрева конденсата |
Qi |
МВт |
0,00 |
0,77 |
2,31 |
3,86 |
5,40 |
6,94 |
8,48 |
| К.п.д. |
th |
% |
42,85 |
42,83 |
42,78 |
42,73 |
42,68 |
42,64 |
42,59 |
| Изменение к.п.д. |
 th |
% |
0,00 |
0,02 |
0,07 |
0,12 |
0,16 |
0,21 |
0,26 |
Следующие параметры постоянны при этом расчете: мощность турбины 600 МВт, массовый поток отработавшего пара 369 кг/с, энтальпия отработавшего пара 2330 кДж/кг, давление отработавшего пара 7 кПа, температура насыщенного пара 39°С, ввод тепла 1400,26 МВт. Преимущество способа согласно изобретению проявляется за счет того, что переохлаждение конденсата можно резко уменьшить, что сказывается на повышении к.п.д.
Перечень ссылочных позиций
1 – турбина
2 – поток отработавшего пара турбины
3 – конденсатор
4 – включенный конденсаторно теплообменный элемент
5 – включенный дефлегматорно теплообменный элемент
6 – ступень нагрева конденсата
7 – трубопровод
8 – дегазатор
9 – конденсатор
10 – воздухоотсос
11 – конденсатор избыточного пара
К – конденсат
К1 – конденсат
К2 – конденсат
К3 – конденсат
Т – частичный поток пара
Т1 – частичный поток пара
Т2 – избыточный пар
W – подпиточная вода.
Формула изобретения
1. Способ конденсации, при котором воду подают в предвключенный турбине (1) конденсационной электростанции испаритель, причем поток (2) отработавшего пара турбины подают для конденсации в воздухоохлаждаемый конденсатор (3, 9) и полученный в конденсаторе (3, 9) поток (К) конденсата перед вводом в сборник конденсата нагревают в ступени (6) нагрева конденсата посредством потока (2) отработавшего пара турбины, отличающийся тем, что подаваемый в воздухоохлаждаемый конденсатор (3, 9) поток (2) отработавшего пара турбины сначала направляют через ступень (6) нагрева конденсата, причем выходящий из конденсатора (3, 9) частичный поток (Т, Т1) пара подают в дегазатор (8), в котором посредством частичного потока (Т, Т1) пара нагревают более холодную подпиточную воду (W).
2. Способ по п.1, отличающийся тем, что воздухоохлаждаемый конденсатор (9) включен дефлегматорно.
3. Способ по п.1, отличающийся тем, что воздухоохлаждаемый конденсатор (3) содержит теплообменные элементы (4, 5), включенные как конденсаторно, так и дефлегматорно.
4. Способ по одному из пп.1-3, отличающийся тем, что конденсат (К, К1) в виде капель приводят в контакт в ступени (5) подогрева конденсата с потоком (2) отработавшего пара турбины.
5. Способ по п.4, отличающийся тем, что конденсат (К, К1) направляют для каплеобразования через формованные тела.
6. Способ по п.5, отличающийся тем, что фасонные тела расположены каскадом.
7. Способ по п.4, отличающийся тем, что для каплеобразования конденсат (К, К1) распыляют.
РИСУНКИ
|
|