|
|
(21), (22) Заявка: 2007125302/02, 04.07.2007
(24) Дата начала отсчета срока действия патента:
04.07.2007
(43) Дата публикации заявки: 10.01.2009
(46) Опубликовано: 20.05.2009
(56) Список документов, цитированных в отчете о поиске:
RU 2173353 С2, 10.09.2001. RU 2279496 C1, 10.07.2006. RU 2065890 C1, 27.08.1996. JP 2003-303570 A, 24.10.2003. JP 2002-175771 A, 21.06.2002.
Адрес для переписки:
350072, г.Краснодар, ул. Московская, 2, ГОУВПО “КубГТУ”, отдел интеллектуальной и промышленной собственности и экспертизы проектов, проректору по НиИД, проф. В.С. Симанкову
|
(72) Автор(ы):
Федоров Александр Алексеевич (RU), Шапошникова Татьяна Леонидовна (RU), Гаврилов Александр Иванович (RU)
(73) Патентообладатель(и):
Государственное образовательное учреждение высшего профессионального образования “Кубанский государственный технологический университет” (ГОУВПО “КубГТУ”) (RU)
|
(54) УСТРОЙСТВО ДЛЯ ХИМИКО-ТЕРМИЧЕСКОЙ ОБРАБОТКИ ДЕТАЛЕЙ В НЕСАМОСТОЯТЕЛЬНОМ ТЛЕЮЩЕМ РАЗРЯДЕ
(57) Реферат:
Изобретение относится к области химико-термической обработки металлов, а именно к устройствам для обработки деталей в несамостоятельном тлеющем разряде и может быть использовано в машиностроении, автостроении и арматуростроении. Устройство содержит вакуумную камеру, подложку для размещения деталей, источник питания, соединенный отрицательным полюсом с подложкой, положительным – с корпусом камеры, термоэмиссионный электрод, второй источник питания, соединенный отрицательным полюсом с термоэмиссионным электродом, положительным – с корпусом камеры. Устройство также содержит дополнительный полый цилиндрический электрод и дополнительный регулируемый источник постоянного напряжения. Внутренний диаметр дополнительного электрода превышает геометрические размеры обрабатываемой детали и обеспечивает угол падения ионного потока на поверхность обрабатываемой детали от нуля до критического. При этом дополнительный электрод коаксиально расположен между термоэмиссионным электродом и обрабатываемой деталью. Дополнительный регулируемый источник постоянного напряжения отрицательным полюсом соединен с подложкой, а положительным – с дополнительным электродом. Технический результат – повышение предела выносливости деталей и снижение энергозатрат. 1 ил.
Устройство относится к электротермическому машиностроению, в частности к вакуумным установкам для нанесения покрытий в разряде. Это изобретение может найти широкое применение в машиностроении, автостроении, химической промышленности.
Известно устройство для обработки в разряде (Арзамасов Б.М. Химико-термическая обработка металлов в активизированных газовых средах. – М., 1979, с.118-120), включающее вакуумную камеру, подложку с отрицательным потенциалом и закрепленной на ней оснасткой для загрузки деталей.
Данное устройство позволяет получать высококачественные покрытия, не загрязняя окружающую среду.
Однако это устройство предполагает длительный процесс химико-термической обработки при относительно высоких температурах.
Наиболее близким к предлагаемому является устройство для химико-термической обработки деталей в несамостоятельном тлеющем разряде (RU 2173353 С2, С23С 14/42, 10.09.2001), содержащее вакуумную камеру и подложку для размещения деталей, источник питания, соединенный отрицательным полюсом с подложкой, положительным – с корпусом камеры, термоэмиссионный электрод, второй источник питания, соединенный отрицательным полюсом с термоэмиссионным электродом, положительным – с корпусом камеры, дополнительный полый цилиндрический электрод, коаксиально расположенный между термоэмиссионным электродом и обрабатываемой деталью, и дополнительный регулируемый источник постоянного напряжения, отрицательный полюс которого соединен с подложкой, а положительный – с дополнительным электродом.
Недостатком данного устройства является относительно большая длительность процесса химико-термической обработки деталей и высокая температура процесса.
Задачей настоящего изобретения является сокращение длительности процесса химико-термической обработки деталей и понижение температуры процесса.
В устройстве для химико-термической обработки деталей в несамостоятельном тлеющем разряде, содержащем вакуумную камеру и подложку для размещения деталей, источник питания, соединенный отрицательным полюсом с подложкой, положительным – с корпусом камеры, термоэмиссионный электрод, второй источник питания, соединенный отрицательным полюсом с термоэмиссионным электродом, положительным – с корпусом камеры, дополнительный полый цилиндрический электрод, коаксиально расположенный между термоэмиссионным электродом и обрабатываемой деталью, и дополнительный регулируемый источник постоянного напряжения, отрицательный полюс которого соединен с подложкой, а положительный – с дополнительным электродом, решение задачи достигается тем, что дополнительный полый цилиндрический электрод имеет внутренний диаметр, превышающий геометрические размеры обрабатываемой детали и обеспечивающий угол падения ионного потока на поверхность обрабатываемой детали от нуля до критического.
Данное устройство обладает существенным отличием, так как предполагает использование дополнительного полого цилиндрического электрода с внутренним диаметром, превышающим геометрические размеры обрабатываемой детали, обеспечивающего угол падения ионного потока на поверхность обрабатываемой детали от нуля до критического ( кр) для данного материала, что позволяет сократить длительность процесса химико-термической обработки деталей и понизить температуру процесса.
Азотирование (частный случай химико-термической обработки) в разряде, как известно, включает два конкурирующих процесса: катодное распыление поверхности, сопровождающееся образованием в атмосфере азота нитрида распыляемого материала, и конденсации, адсорбции (обратное катодное распыление на поверхности образовавшихся нитридов, а также ионов азота, сопровождающееся диффузией азота в матрицу).
Эффективность катодного распыления в разряде существенно зависит от угла падения ( ) ионного потока. При углах падения, больших некоторого критического ( кр), происходит уменьшение коэффициента распыления. Однако при угле падения, равном кр, реализуется коэффициент распыления, в 1,25-2,5 раза более высокий, чем при нормальном падении ионов (И.А.Аброян, А.Н.Андронов, А.И.Титов. Физические основы электронной и ионной технологии: Учеб. пособие для спец. электронной техники вузов. – М.: Высш. шк., 1984. – С.214-215). Коэффициент катодного распыления существенно зависит от температуры катода, а потому при прочих равных условиях оптимизация угла падения ионного потока позволяет снизить температуру химико-термической обработки. А, как известно, чем выше температура азотирования, тем ниже предел выносливости деталей. Это связано с разупрочнением сердцевины и уменьшением остаточных напряжений сжатия. Фокусировка ионного потока позволяет повысить концентрацию ионов (повысить активность среды), что ведет к интенсификации процесса химико-термической обработки (Арзамасов Б.Н. Химико-термическая обработка металлов в активизированных газовых средах. – М.: Машиностроение, 1979) и сокращению длительности процесса. Кроме того, чем выше концентрация насыщающего элемента на поверхности, тем больше глубина достигаемого диффузионного слоя.
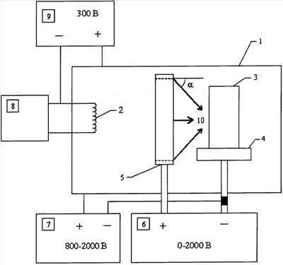
На чертеже изображена схема устройства для химико-термической обработки деталей в несамостоятельном тлеющем разряде, где: 1 – вакуумная камера, 2 – термоэмиссионный электрод, 3 – обрабатываемая деталь, 4 – подложка для размещения деталей, 5 – дополнительный полый цилиндрический электрод, 6 – дополнительный регулируемый источник постоянного напряжения, 7 – источник питания, 8 – источник переменного тока, 9 – второй источник питания, 10 – направление ионного потока.
Работает устройство следующим образом. Разогретый до высокой температуры термоэмиссионный электрод (2) испускает электроны, которые, двигаясь в электростатическом поле, созданном источником питания (9), ионизируют пространство в вакуумной камере, порождая в основном положительные ионы. Положительные ионы движутся в направлении, имеющем отрицательный потенциал относительно камеры, детали (3) в электростатическом поле, созданном источником питания (7). Электростатическое поле, создаваемое дополнительным регулируемым источником постоянного напряжения (6) между дополнительным полым цилиндрическим электродом (5) и деталью (3), является неоднородным и фокусирует ионный поток. Фокусное расстояние системы, дополнительный полый цилиндрический электрод (5) – деталь (3) будет зависеть от разности потенциалов ( 1– 2) между деталью (3) и дополнительным полым цилиндрическим электродом (5) (Л.А. Арцимович, С.Ю. Лукьянов. Движение заряженных частиц в электрических и магнитных полях. М., 1972 г., с.15). Изменяя потенциал ( 2) на дополнительном полом цилиндрическом электроде (5), добиваются фокусировки ионного потока, обеспечивающей максимальное значение коэффициента катодного распыления (угол падения наиболее удаленных от оси ионов = кр). Корректируют температуру процесса химико-термической обработки детали (3) изменением потенциала ( 1) на подложке (4).
Использование предлагаемого устройства для обработки деталей в несамостоятельном тлеющем разряде позволяет:
1. повысить предел выносливости деталей за счет понижения температуры химико-термической обработки;
2. понизить энергетические затраты за счет сокращения времени химико-термической обработки.
Формула изобретения
Устройство для химико-термической обработки деталей в несамостоятельном тлеющем разряде, содержащее вакуумную камеру и подложку для размещения деталей, источник питания, соединенный отрицательным полюсом с подложкой, положительным – с корпусом камеры, термоэмиссионный электрод, второй источник питания, соединенный отрицательным полюсом с термоэмиссионным электродом, положительным – с корпусом камеры, дополнительный полый цилиндрический электрод, коаксиально расположенный между термоэмиссионным электродом и обрабатываемой деталью, и дополнительный регулируемый источник постоянного напряжения, отрицательный полюс которого соединен с подложкой, а положительный – с дополнительным электродом, отличающееся тем, что дополнительный полый цилиндрический электрод имеет внутренний диаметр, превышающий геометрические размеры обрабатываемой детали и обеспечивающий угол падения ионного потока на поверхность обрабатываемой детали от нуля до критического.
РИСУНКИ
|
|