|
|
(21), (22) Заявка: 2007124122/02, 26.06.2007
(24) Дата начала отсчета срока действия патента:
26.06.2007
(43) Дата публикации заявки: 10.01.2009
(46) Опубликовано: 20.05.2009
(56) Список документов, цитированных в отчете о поиске:
RU 2164859 C1, 10.04.2001. RU 2066626 C1, 20.09.1996. RU 2079867 С1, 20.05.1997. RU 2212330 C1, 20.09.2003. ЕР 0120198 А1, 18.01.1984.
Адрес для переписки:
690950, Приморский край, г.Владивосток, ГСП, ул. Пушкинская, 10, ДВГТУ, патентный отдел
|
(72) Автор(ы):
Филаретов Владимир Федорович (RU), Зуев Александр Валерьевич (RU), Губанков Антон Сергеевич (RU)
(73) Патентообладатель(и):
Государственное образовательное учреждение высшего профессионального образования Дальневосточный государственный технический университет (ДВПИ им. В.В.Куйбышева) (RU)
|
(54) УСТРОЙСТВО ДЛЯ УПРАВЛЕНИЯ ПРИВОДОМ РОБОТА
(57) Реферат:
Изобретение относится к робототехнике и может быть использовано для создания систем управления приводами робота. Электропривод робота содержит последовательно соединенные первый сумматор, первый блок умножения, второй сумматор, усилитель и электродвигатель. Через редуктор электродвигатель связан с шестерней и первым датчиком положения, выход которого подключен к первому входу первого сумматора, второй вход которого соединен с входом электропривода. Последовательно соединены первый задатчик сигнала, третий сумматор и второй блок умножения, второй вход которого подключен к выходу первого датчика скорости, второму входу второго сумматора и через релейный элемент – к третьему входу второго сумматора. В электропривод дополнительно введены последовательно соединенные шестой косинусный функциональный преобразователь, вход которого подключен к выходу четвертого датчика положения и входу пятого функционального преобразователя, и двадцать шестой блок умножения, второй вход которого подключен к выходу шестого блока умножения и ко второму входу двадцать пятого блока умножения. Технический результат заключается в обеспечении полной инвариантности динамических свойств электропривода робота к непрерывным и быстрым изменениям его моментных нагрузочных характеристик. 2 ил.
Изобретение относится к робототехнике и может быть использовано при создании приводов роботов.
Известно устройство для управления приводом робота, содержащее первый сумматор, последовательно соединенные первый блок умножения и второй сумматор, последовательно соединенные первый усилитель, электродвигатель, связанный с первым датчиком скорости непосредственно и через редуктор – с первым датчиком положении, выход которого подключен к первому входу первого сумматора, второй вход которого соединен со входом устройства, последовательно соединенные третий сумматор, первый квадратор, второй блок умножения, второй вход которого соединен с выходом датчика массы захваченного груза, четвертый сумматор, второй и третий входы которого подключены соответственно к выходу первого задатчика постоянного сигнала и второго квадратора, последовательно соединенные второй задатчик постоянного сигнала, пятый сумматор, третий блок умножения, шестой сумматор и четвертый блок умножения, второй вход которого подключен к выходу второго датчика скорости, последовательно соединенные второй датчик положения и седьмой сумматор, последовательно соединенные третий датчик положения, первый функциональный преобразователь и третий квадратор, последовательно соединенные второй функциональный преобразователь, вход которого подключен к выходу третьего датчика положения и второму входу седьмого сумматора, и четвертый квадратор, последовательно соединенные третий функциональный преобразователь и пятый квадратор, последовательно соединенные четвертый функциональный преобразователь и шестой квадратор, причем выходы третьего, четвертого, пятого и шестого квадраторов подключены соответственно к четвертому, пятому, шестому и седьмому входам четвертого сумматора, выходы третьего и четвертого функциональных преобразователей соединены с выходом седьмого сумматора, выходы второго и четвертого функциональных преобразователей подключены соответственно к первым и вторым входам третьего и восьмого сумматоров, а выход последнего подключен к входу второго квадратора, последовательно соединенные третий задатчик постоянного сигнала, девятый сумматор, второй вход которого соединен с выходом датчика массы и вторым входом пятого сумматора, пятый блок умножения, десятый сумматор, второй вход которого подключен к выходу третьего блока умножения, шестой блок умножения, второй вход которого соединен с выходом третьего датчика скорости, и одиннадцатый сумматор, второй вход которого подключен к выходу четвертого блока умножения, последовательно соединенные второй усилитель, вход которого соединен с выходом седьмого сумматора, двенадцатый сумматор, второй вход которого подключен к выходу второго датчика положения, пятый функциональный преобразователь и седьмой блок умножения, выход которого подключен к третьему входу десятого сумматора, последовательно соединенные четвертый задатчик постоянного сигнала, тринадцатый сумматор, второй вход которого соединен с выходом датчика массы, восьмой блок умножения, второй вход которого подключен к выходу второго функционального преобразователя, и девятый блок умножения, второй вход которого соединен с выходом третьего функционального преобразователя, а выход – со вторым входом шестого сумматора, последовательно соединенные третий усилитель, вход которого подключен к выходу третьего датчика положения, и шестой функциональный преобразователь, выход которого соединен со вторым входом пятого блока умножения, причем второй вход третьего блока умножения через седьмой функциональный преобразователь подключен к выходу второго усилителя, а выход тринадцатого сумматора – ко второму входу седьмого блока умножения, выходы десятого и одиннадцатого блоков умножения подключены соответственно ко второму и третьему входам второго сумматора, выход релейного элемента соединен с четвертым входом второго сумматора, а вход – с выходом первого датчика скорости, первыми входами десятого и одиннадцатого блоков умножения и пятым входом второго сумматора, второй вход десятого блока умножения подключен к выходу одиннадцатого сумматора, первый вход первого блока умножения соединен с выходом первого сумматора, а его второй вход – со вторым входом одиннадцатого блока умножения и выходом четвертого сумматора, при этом выход второго сумматора подключен к выходу первого усилителя (см. патент РФ N 2063866, БИ 20, 1996 г.).
Недостатком данного устройства является то, что оно не учитывает электрической постоянной времени электродвигателя. Электропривод при работе с различными грузами, а также за счет взаимовлияния степеней подвижности исполнительного органа обладает переменными моментными характеристиками, которые могут меняться в широких пределах. Это снижает качественные показатели электропривода и даже приводит к потере устойчивости его работы.
Наиболее близким по своей технической сущности является устройство для управления приводом робота, содержащее последовательно соединенные первый сумматор, первый блок умножения, второй сумматор, усилитель, электродвигатель, связанный с первым датчиком скорости непосредственно и через редуктор – с шестерней и первым датчиком положения, выход которого подключен к первому входу первого сумматора, второй вход которого соединен с входом устройства, последовательно соединенные первый задатчик сигнала, третий сумматор и второй блок умножения, второй вход которого подключен к выходу первого датчика скорости, второму входу второго сумматора и через релейный элемент – к третьему входу второго сумматора, а выход – к четвертому входу второго сумматора, пятый вход которого через четвертый сумматор подключен к выходу первого датчика ускорения, второй вход первого блока умножения соединен с выходом третьего сумматора, последовательно соединенные второй датчик положения, пятый сумматор, первый синусный функциональный преобразователь, третий блок умножения, шестой сумматор и четвертый блок умножения, последовательно соединенные второй задатчик сигнала, седьмой сумматор и пятый блок умножения, выход которого подключен ко второму входу шестого сумматора, последовательно соединенные третий задатчик сигнала, восьмой сумматор, второй вход которого соединен с выходом датчика массы груза и вторым входом седьмого сумматора, последовательно соединенные второй косинусный функциональный преобразователь, шестой блок умножения, второй вход которого соединен с выходом восьмого сумматора, девятый сумматор и седьмой блок умножения, последовательно соединенные третий датчик положения, третий косинусный функциональный преобразователь и восьмой блок умножения, причем выход третьего датчика положения соединен также с входом четвертого синусного функционального преобразователя и вторым входом пятого сумматора, последовательно соединенные второй датчик ускорения и девятый блок умножения, последовательно соединенные третий датчик ускорения, десятый блок умножения, десятый сумматор, второй вход которого подключен к выходу девятого блока умножения, и одиннадцатый блок умножения, последовательно соединенные второй датчик скорости, двенадцатый блок умножения, одиннадцатый сумматор и тринадцатый блок умножения, последовательно соединенные первый квадратор и четырнадцатый блок умножения, последовательно соединенные пятнадцатый и шестнадцатый блоки умножения, двенадцатый сумматор и семнадцатый блок умножения, последовательно соединенные восемнадцатый и девятнадцатый блоки умножения, последовательно подключенные двадцатый и двадцать первый блоки умножения, последовательно соединенные двадцать второй блок умножения, тринадцатый сумматор и двадцать третий блок умножения, последовательно соединенные четырнадцатый сумматор и двадцать четвертый блок умножения, последовательно соединенные пятый синусный функциональный преобразователь и двадцать пятый блок умножения (см. патент РФ 2164859, БИ 10, 2001).
Недостатком данного устройства является то, что оно предназначено для конкретного привода робота с другой кинематической схемой. Для привода рассматриваемой степени подвижности рассматриваемого робота (с другой кинематической схемой) это устройство не будет обеспечивать требуемую динамическую точность работы.
Задачей, на решение которой направлено заявляемое техническое решение, является обеспечение полной инвариантности динамических свойств рассматриваемого электропривода к изменениям его динамических моментных нагрузочных характеристик при движении робота по всем четырем степеням подвижности и тем самым повышение динамической точности управления при учете электрической постоянной времени электродвигателя.
Технический результат, который может быть получен при реализации заявляемого технического решения, выражается в формировании нового сигнала управления электроприводом, который обеспечивает получение его нового моментного воздействия, компенсирующего вредное моментное воздействие на точность работы рассматриваемого электропривода.
Поставленная задача решается тем, что в электропривод робота, содержащий последовательно соединенные первый сумматор, первый блок умножения, второй сумматор, усилитель, электродвигатель, связанный с первым датчиком скорости непосредственно и через редуктор – с шестерней и первым датчиком положения, выход которого подключен к первому входу первого сумматора, второй вход которого соединен с входом устройства, последовательно соединенные первый задатчик сигнала, третий сумматор и второй блок умножения, второй вход которого подключен к выходу первого датчика скорости, второму входу второго сумматора и через релейный элемент – к третьему входу второго сумматора, а выход – к четвертому входу второго сумматора, пятый вход которого через четвертый сумматор подключен к выходу первого датчика ускорения, второй вход первого блока умножения соединен с выходом третьего сумматора, последовательно соединенные второй датчик положения, пятый сумматор, первый синусный функциональный преобразователь, третий блок умножения, шестой сумматор и четвертый блок умножения, последовательно соединенные второй задатчик сигнала, седьмой сумматор и пятый блок умножения, выход которого подключен ко второму входу шестого сумматора, последовательно соединенные третий задатчик сигнала, восьмой сумматор, второй вход которого соединен с выходом датчика массы груза и вторым входом седьмого сумматора, последовательно соединенные второй косинусный функциональный преобразователь, шестой блок умножения, второй вход которого соединен с выходом восьмого сумматора, девятый сумматор и седьмой блок умножения, последовательно соединенные третий датчик положения, третий косинусный функциональный преобразователь и восьмой блок умножения, причем выход третьего датчика положения соединен также со входом четвертого синусного функционального преобразователя и вторым входом пятого сумматора, последовательно соединенные второй датчик ускорения и девятый блок умножения, последовательно соединенные третий датчик ускорения, десятый блок умножения, десятый сумматор, второй вход которого подключен к выходу девятого блока умножения, и одиннадцатый блок умножения, последовательно соединенные второй датчик скорости, двенадцатый блок умножения, одиннадцатый сумматор и тринадцатый блок умножения, последовательно соединенные первый квадратор и четырнадцатый блок умножения, последовательно соединенные пятнадцатый и шестнадцатый блоки умножения, двенадцатый сумматор и семнадцатый блок умножения, последовательно соединенные восемнадцатый и девятнадцатый блоки умножения, последовательно подключенные двадцатый и двадцать первый блоки умножения, последовательно соединенные двадцать второй блок умножения, тринадцатый сумматор и двадцать третий блок умножения, последовательно соединенные четырнадцатый сумматор и двадцать четвертый блок умножения, последовательно соединенные пятый синусный функциональный преобразователь и двадцать пятый блок умножения, дополнительно введены последовательно соединенные шестой косинусный функциональный преобразователь, вход которого подключен к выходу четвертого датчика положения и входу пятого функционального преобразователя, и двадцать шестой блок умножения, второй вход которого подключен к выходу шестого блока умножения и ко второму входу двадцать пятого блока умножения, а выход – ко вторым входам одиннадцатого и двадцать третьего блоков умножения, последовательно подключенные двадцать седьмой блок умножения, первый вход которого соединен с выходом шестого сумматора, двадцать восьмой блок умножения и пятнадцатый сумматор, второй, третий, четвертый и пятый входы которого подключены соответственно к выходам девятнадцатого, двадцать первого, двадцать третьего и двадцать четвертого блоков умножения, а выход – к шестому входу второго сумматора, последовательно соединенные двадцать девятый блок умножения, первый вход которого подключен к выходу шестого функционального преобразователя и ко вторым входам седьмого и двадцать седьмого блоков умножения, и тридцатый блок умножения, выход которого подключен к шестому входу пятнадцатого сумматора, последовательно соединенные тридцать первый блок умножения и тридцать второй блок умножения, второй вход которого подключен к выходу четвертого и второму входу тринадцатого блоков умножения, а выход – к седьмому входу пятнадцатого сумматора, последовательно подключенные тридцать третий блок умножения, первый вход которого соединен с выходом третьего блока умножения и вторым входом двадцать девятого блока умножения, а второй вход – с выходом пятого функционального преобразователя, вторым входом четвертого блока умножения и первым входом восемнадцатого блока умножения, тридцать четвертый блок умножения и шестнадцатый сумматор, выход которого соединен со вторым входом четвертого сумматора, второй и третий входы – соответственно с выходом одиннадцатого и тринадцатого блоков умножения, четвертый вход – с выходом семнадцатого блока умножения, второй вход которого соединен с выходом двадцать пятого блока умножения, последовательно соединенные четвертый датчик ускорения и тридцать пятый блок умножения, последовательно соединенные тридцать шестой блок умножения, семнадцатый сумматор, второй вход которого подключен к выходу тридцать пятого блока умножения, тридцать седьмой блок умножения, второй вход которого подключен к выходу седьмого блока умножения и второму входу двадцать четвертого блока умножения, а выход – к пятому входу шестнадцатого сумматора, последовательно соединенные третий датчик скорости и тридцать восьмой блок умножения, выход которого подключен ко второму входу одиннадцатого сумматора, последовательно соединенные тридцать девятый блок умножения и восемнадцатый сумматор, последовательно соединенные четвертый датчик скорости и сороковой блок умножения, выход которого через второй вход восемнадцатого сумматора подключен ко второму входу тридцать четвертого блока умножения, последовательно соединенные второй квадратор и сорок первый блок умножения, выход которого подключен к второму входу двенадцатого сумматора, последовательно соединенные третий квадратор, сорок второй блок умножения, девятнадцатый сумматор и сорок третий блок умножения, второй вход которого подключен к выходу двадцать девятого блока умножения, а выход – к шестому входу шестнадцатого сумматора, причем второй, третий и четвертый входы девятнадцатого сумматора подключены соответственно к выходам четырнадцатого, сорок четвертого и сорок пятого блоков умножения, а пятый вход – к выходу первого дифференциатора, третий вход десятого сумматора подключен к выходу сорок шестого блока умножения, последовательно соединенные сорок седьмой блок умножения, двадцатый сумматор и сорок восьмой блок умножения, второй вход которого подключен к выходу восемнадцатого блока умножения, а выход – к седьмому входу шестнадцатого сумматора, причем второй вход двадцатого сумматора через второй дифференциатор подключен к выходу четвертого датчика ускорения, а его третий вход – к выходу сорок девятого блока умножения, последовательно соединенные пятидесятый блок умножения, двадцать первый сумматор и пятьдесят первый блок умножения, второй вход которого подключен к выходу двадцать седьмого блока умножения, а выход – к восьмому входу шестнадцатого сумматора, причем второй вход двадцать первого сумматора через третий дифференциатор соединен с выходом третьего датчика ускорения, первым входом тридцать шестого и вторыми входами двенадцатого и двадцать восьмого блоков умножения, а его третий вход через пятьдесят второй блок умножения – с выходом третьего квадратора и первыми входами четырнадцатого сумматора и сорок седьмого блока умножения, второй вход третьего сумматора соединен с выходом датчика массы груза, второй вход третьего блока умножения подключен к выходу восьмого сумматора, второй вход пятого блока умножения соединен с выходом четвертого функционального преобразователя, вход второго функционального преобразователя соединен с выходом пятого сумматора, вход первого квадратора соединен с выходом третьего датчика скорости, первыми входами пятнадцатого, двадцать второго и сорок четвертого, а также со вторыми входами девятого, тридцать первого, тридцать шестого, пятидесятого и пятьдесят второго блоков умножения, а его выход – с первым входом пятидесятого и вторым входом сорок девятого блоков умножения, а также со вторым входом четырнадцатого сумматора, второй вход восемнадцатого блока умножения соединен с выходом девятого сумматора, второй вход которого подключен к выходу восьмого блока умножения, второй вход которого соединен с выходом седьмого сумматора, второй вход девятнадцатого блока умножения подключен к выходу четвертого датчика ускорения и вторым входам тридцать восьмого и сорокового блоков умножения, первый вход двадцатого блока умножения соединен с выходом тридцать третьего блока умножения, а его второй вход – с выходом второго датчика скорости, входом третьего квадратора, первыми входами тридцать первого, тридцать девятого и сорок девятого, а также со вторыми входами шестнадцатого, тридцать пятого, сорок первого и сорок седьмого блоков умножения, вход второго квадратора соединен с выходом четвертого датчика скорости, первыми входами сорок пятого и сорок шестого, а также вторыми входами десятого, четырнадцатого, пятнадцатого, двадцать первого, двадцать второго и сорок второго блоков умножения, а выход – со вторыми входами тринадцатого сумматора, а также сорок четвертого и сорок пятого блоков умножения, выход второго датчика ускорения соединен с входом первого дифференциатора и вторыми входами тридцатого, тридцать девятого и сорок шестого блоков умножения.
Сопоставительный анализ заявляемого технического решения с его аналогами и прототипом свидетельствует о его соответствии критерию “новизна”.
Заявленная совокупность признаков, приведенная в отличительной части формулы изобретения, позволяет добиться повышения динамической точности управления рассматриваемым электроприводом робота в условиях быстрого изменения его параметров, обусловленного эффектами взаимовлияния между его степенями подвижности при наличии груза и момента сухого трения.
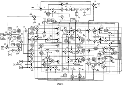
Блок-схема предлагаемого самонастраивающегося электропривода робота представлена на фиг.1. На фиг.2 представлена кинематическая схема робота.
Электропривод робота содержит первый сумматор 1, первый блок 2 умножения, второй сумматор 3, усилитель 4, электродвигатель 5, первый датчик 6 скорости, редуктор 7, шестерню 8, первый датчик 9 положения, первый задатчик 10 сигнала, третий сумматор 11, второй блок 12 умножения, релейный элемент 13, четвертый сумматор 14, первый датчик 15 ускорения, второй датчик 16 положения, пятый сумматор 17, первый синусный функциональный преобразователь 18, третий блок 19 умножения, шестой сумматор 20, четвертый блок 21 умножения, второй задатчик 22 сигнала, седьмой сумматор 23, пятый блок 24 умножения, третий задатчик 25 сигнала, восьмой сумматор 26, датчик 27 массы груза, второй косинусный функциональный преобразователь 28, шестой блок 29 умножения, девятый сумматор 30, седьмой блок 31 умножения, третий датчик 32 положения, третий косинусный функциональный преобразователь 33, восьмой блок 34 умножения, четвертый синусный функциональный преобразователь 35, второй датчик 36 ускорения, девятый блок 37 умножения, третий датчик 38 ускорения, десятый блок 39 умножения, десятый сумматор 40, одиннадцатый блок 41 умножения, второй датчик 42 скорости, двенадцатый блок 43 умножения, одиннадцатый сумматор 44, тринадцатый блок 45 умножения, первый квадратор 46, четырнадцатый блок 47 умножения, пятнадцатый 48 и шестнадцатый блоки 49 умножения, двенадцатый сумматор 50, семнадцатый блок 51 умножения, восемнадцатый 52, девятнадцатый 53, двадцатый 54, двадцать первый 55 и двадцать второй блоки 56 умножения, тринадцатый сумматор 57, двадцать третий блок 58 умножения, четырнадцатый сумматор 59, двадцать четвертый блок 60 умножения, пятый синусный функциональный преобразователь 61, двадцать пятый блок 62 умножения, шестой косинусный функциональный преобразователь 63, четвертый датчик 64 положения, двадцать шестой 65, двадцать седьмой 66 и двадцать восьмой 67 блоки умножения, пятнадцатый сумматор 68, двадцать девятый 69, тридцатый 70, тридцать первый 71, тридцать второй 72, тридцать третий 73 и тридцать четвертый 74 блоки умножения, шестнадцатый сумматор 75, четвертый датчик 76 ускорения, тридцать пятый 77 и тридцать шестой 78 блоки умножения, семнадцатый сумматор 79, тридцать седьмой блок 80 умножения, третий датчик 81 скорости, тридцать восьмой 82 и тридцать девятый блоки 83 умножения, восемнадцатый сумматор 84, четвертый датчик 85 скорости, сороковой блок 86 умножения, второй квадратор 87, сорок первый блок 88 умножения, третий квадратор 89, сорок второй блок 90 умножения, девятнадцатый сумматор 91, сорок третий 92, сорок четвертый 93 и сорок пятый 94 блоки умножения, первый дифференциатор 95, сорок шестой 96 и сорок седьмой блоки 97 умножения, двадцатый сумматор 98, сорок восьмой блок 99 умножения, второй дифференциатор 100, сорок девятый 101 и пятидесятый блоки 102 умножения, двадцать первый сумматор 103, пятьдесят первый блок 104 умножения, третий дифференциатор 105 и пятьдесят второй блок 106 умножения.
На указанных чертежах введены следующие обозначения: ВХ – сигнал с выхода программного устройства; – сигнал ошибки; U*, U – усиливаемый сигнал и сигнал управления двигателем соответственно; q1, q2, q3, q4 – обобщенные координаты четырех степеней подвижности; m1, m2, m3, mГ – массы соответствующих звеньев робота и груза; l2, l3 – – длины соответствующих звеньев; , – расстояния от осей вращения соответствующих звеньев до их центров масс; , , – скорости изменения соответствующих обобщенных координат; – скорость вращения ротора двигателя четвертой степени подвижности; , , – ускорения изменения соответствующих обобщенных координат; – ускорение вращения ротора двигателя четвертой степени подвижности; Jsi – моменты инерции соответствующих звеньев робота относительно их продольных осей ( ); Jni – моменты инерции соответствующих звеньев робота относительно поперечных осей, проходящих через их центры масс ( ).
Электропривод работает следующим образом. На вход подается управляющее воздействие ВХ, обеспечивающее требуемый закон управления приводом. На выходе сумматора 1 вырабатывается сигнал ошибки , который после коррекции в элементах 2 и 3, усиливаясь, поступает на электродвигатель 5 с редуктором 7, приводя его вал во вращательное движение с направлением и скоростью (ускорением), зависящим от величины поступающего сигнала U и внешнего моментного воздействия на привод.
Рассматриваемый привод управляет обобщенной координатой q4. Данная степень подвижности позволяет осуществить горизонтальное прямолинейное перемещение робота, схема которого представлена на фиг.2.
Робот в горизонтальной плоскости перемещается с помощью передачи шестерня-рейка (координата q4). Причем рейка установлена на основании, по которому перемещается робот, а шестерня 8 – на выходном валу редуктора 7 и имеет радиус r.
Датчики 64, 32 и 16 установлены соответственно в первой, второй и третьей степенях подвижности робота (см. фиг.2.) и измеряют соответственно обобщенные координаты q1, q2 и q3. Сумматор 17 имеет положительные входы с единичными коэффициентами усиления, поэтому на его выходе формируется сигнал q2+q3. На выходе задатчика 25 формируется сигнал , а на выходе датчика 27 – mГ. Первый (со стороны задатчика 25) положительный вход сумматора 26 имеет единичный коэффициент усиления, а его второй положительный вход – коэффициент усиления, равный l3. В результате на выходе сумматора 26 формируется сигнал . На выходе задатчика 22 сигнала формируется сигнал . Первый (со стороны задатчика 22) и второй положительные входы сумматора 23 соответственно имеют единичный коэффициент усиления и коэффициент усиления, равный l2. В результате на выходе сумматора 23 формируется сигнал . Таким образом, на выходе блоков 29, 19, 34 и 24 умножения соответственно формируются сигналы Acos(q2+q3), Asin(q2+q3), Bcosq2 и Bsinq2.
Положительные входы сумматоров 20 и 30 имеют единичные коэффициенты усиления. Поэтому на выходах блоков 31, 52, 66 и 21 умножения соответственно формируются сигналы:
h=cosq1(Acos(q2+q3)+Bcosq2), a=sinq1(Acos(q2+q3)+Bcosq2),
d=cosq1(Asin(q2+q3)+Bsinq2) и с=sinq1(Asin(q2+q3)+Bsinq2).
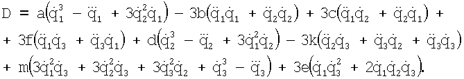
На выходах блоков 65, 62, 69 и 73 умножения соответственно формируются сигналы: k=Acosq1cos(q2+q3), e=Asinq1cos(q2+q3), m=Acosq1sin(q2+q3) и f=Asinq1sin(q2+q3).
Датчики 42, 81 и 85 скорости устанавливаются соответственно в первой, второй и третьей степенях подвижности робота (см. фиг.2.) и измеряют соответственно , , . Положительные входы сумматора 59 имеют единичные коэффициенты усиления. Поэтому на выходе блока 60 умножения формируется сигнал , а на выходах блоков 71 и 54 умножения – сигналы и соответственно. В результате на выходах блоков 72 и 55 умножения соответственно формируются сигналы и 
На выходе блока 56 умножения формируется сигнал . Поэтому, поскольку первый (со стороны блока 56) положительный вход сумматора 57 имеет коэффициент усиления, равный 2, а его второй положительный вход – единичный коэффициент усиления, то на выходе блока 58 умножения 9 формируется сигнал .
На выходах датчиков 76, 38, 36 и 15 ускорения, установленных соответственно в первой, второй, третьей и четвертой степенях подвижности робота, соответственно формируются сигналы , , и , а на выходах блоков 53, 67 и 70 умножения – сигналы , и соответственно.
Первый (со стороны блока 67), второй (со стороны блока 53), четвертый (со стороны блока 58), пятый (со стороны блока 60) и шестой (со стороны блока 70) отрицательные входы сумматора 68 имеют единичные коэффициенты усиления, а третий (со стороны блока 55) и седьмой (со стороны блока 72) положительные входы – коэффициенты усиления, равные 2. В результате на выходе сумматора 68 формируется сигнал

На выходе задатчика 10 формируется сигнал , где J – момент инерции ротора электродвигателя и вращающихся частей редуктора (приведены к валу двигателя), iр – передаточное отношение редуктора. Первый (со стороны задатчика 10) и второй положительные входы сумматора 11 имеют соответственно единичный коэффициенты усиления и коэффициент усиления, равный
r2. В результате на выходе этого сумматора формируется сигнал 
На выходе блоков 77 и 78 умножения соответственно формируются сигналы и . Поскольку оба положительных входа сумматора 79 имеют единичные коэффициенты усиления, то на выходе блока 80 умножения формируется сигнал .
На выходе блоков 43 и 82 умножения соответственно формируются сигналы и . Поскольку положительные входы сумматора 44 имеют единичные коэффициенты усиления, то на выходе блока 45 умножения образуется сигнал . На выходах блоков 48, 49 и 88 умножения соответственно формируются сигналы  и . Первый (со стороны блока 49) положительный вход сумматора 50 имеет коэффициент усиления, равный 2, а его второй положительный вход – единичный коэффициент усиления. В результате на выходе блока 51 умножения формируется сигнал На выходе блоков 86 и 83 умножения соответственно формируются сигналы и Поскольку оба положительных входа сумматора 84 имеют единичные коэффициенты усиления, то на выходе блока 74 умножения формируется сигнал .
На выходе дифференциатора 100 формируется сигнал , а на выходах блоков 97 и 101 умножения – сигналы и соответственно. Первый положительный (со стороны блока 97) и второй (со стороны дифференциатора 100) отрицательный входы сумматора 98 соответственно имеют единичные коэффициенты усиления, а его третий положительный вход – коэффициент усиления, равный 3. В результате на выходе блока 99 умножения формируется сигнал . На выходе блоков 102, 106 умножения соответственно формируются сигналы и . На выходе дифференциатора 105 формируется сигнал . Первый (со стороны блока 102) положительный и второй (со стороны дифференциатора 105) отрицательный входы сумматора 103 имеют единичные коэффициенты усиления, а его третий положительный вход – коэффициент усиления, равный 3. В результате на выходе блока 104 умножения формируется сигнал .
На выходе блоков 39, 37 и 96 умножения соответственно формируются сигналы , и . Три положительных входа сумматора 40 имеют единичные коэффициенты усиления. Поэтому на выходе блока 41 умножения формируется сигнал .
На выходе дифференциатора 95 формируется сигнал . На выходах блоков 90, 47, 93 и 94 умножения соответственно формируются сигналы , , и . Первый (со стороны блока 90), второй (со стороны блока 47) и третий (со стороны блока 93) положительные входы сумматора 91 имеют коэффициенты усиления, равные 3, его четвертый положительный (со стороны блока 94) и пятый отрицательный входы имеют единичные коэффициенты усиления. В результате на выходе блока 92 умножения формируется сигнал .
Первый (со стороны блока 74), третий (со стороны блока 45) и четвертый (со стороны блока 51) положительные, а также второй (со стороны блока 41) и пятый (со стороны блока 80) отрицательные входы сумматора 75 имеют коэффициенты усиления, равные 3, а остальные положительные входы – коэффициенты усиления, равные единице. В результате на выходе сумматора 75 формируется сигнал

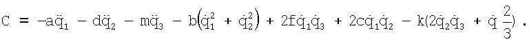
Первый положительный вход сумматора 14 (со стороны датчика 15) имеет коэффициент усиления КB, а его второй положительный вход – коэффициент усиления . В результате на выходе сумматора 14 формируется сигнал: .
На первый положительный вход сумматора 3 (со стороны блока 2) с коэффициентом усиления поступает сигнал (где JH – суммарный номинальный момент инерции), на его второй положительный вход с коэффициентом усиления поступает сигнал , на третий положительный вход (со стороны релейного элемента 13) с коэффициентом усиления – сигнал:

на четвертый отрицательный вход (со стороны блока 12) с коэффициентом усиления – сигнал , на пятый положительный вход (со стороны сумматора 14) с коэффициентом усиления – сигнал , а на шестой положительный вход (со стороны сумматора 68) с коэффициентом усиления сигнал С, где R – активное сопротивление якорной обмотки электродвигателя, КВ – коэффициент вязкого трения, Ку – коэффициент усиления усилителя 4, КM – коэффициент крутящего момента, К – коэффициент противоЭДС,
МT=const>0 – величина момента сухого трения при движении электродвигателя, L – индуктивность якорной обмотки электродвигателя.
В результате на выходе сумматора 3 формируется сигнал

Кинетическая энергия всех движущихся масс робота имеет вид:

из уравнения Лагранжа 2 рода можно получить силу F, действующую на линейную горизонтальную степень подвижности робота в процессе его движения:

которая создает на выходном валу редуктора 7 момент, равный

С учетом соотношения (2), а также уравнения механической и электрической цепей электродвигателей постоянного тока с постоянными магнитами или независимого возбуждения несложно показать, что рассматриваемый привод, управляющий координатой q4 робота, можно описать дифференциальным уравнением (здесь ):

Сформированный сигнал U* (1), как несложно убедиться, обеспечивает превращение уравнения (3) с существенно переменными параметрами в уравнение с постоянными желаемыми параметрами, обеспечивающими приводу, управляющему координатой q4, заданные динамические свойства и качественные показатели работы за счет выбора желаемых постоянных значений JH и Ку.
Таким образом, благодаря введению дополнительных элементов и новых связей удалось обеспечить полную инвариантность рассматриваемого электропривода робота ко всем силовым воздействиям. Это позволяет получить стабильно высокую точность управления в любых режимах его работы.
Формула изобретения
Электропривод робота, содержащий последовательно соединенные первый сумматор, первый блок умножения, второй сумматор, усилитель, электродвигатель, связанный с первым датчиком скорости непосредственно и через редуктор с шестерней и первым датчиком положения, выход которого подключен к первому входу первого сумматора, второй вход которого соединен с входом электропривода, последовательно соединенные первый задатчик сигнала, третий сумматор и второй блок умножения, второй вход которого подключен к выходу первого датчика скорости, второму входу второго сумматора и через релейный элемент – к третьему входу второго сумматора, а выход – к четвертому входу второго сумматора, пятый вход которого через четвертый сумматор подключен к выходу первого датчика ускорения, второй вход первого блока умножения соединен с выходом третьего сумматора, последовательно соединенные второй датчик положения, пятый сумматор, первый синусный функциональный преобразователь, третий блок умножения, шестой сумматор и четвертый блок умножения, последовательно соединенные второй задатчик сигнала, седьмой сумматор и пятый блок умножения, выход которого подключен ко второму входу шестого сумматора, последовательно соединенные третий задатчик сигнала, восьмой сумматор, второй вход которого соединен с выходом датчика массы груза и вторым входом седьмого сумматора, последовательно соединенные второй косинусный функциональный преобразователь, шестой блок умножения, второй вход которого соединен с выходом восьмого сумматора, девятый сумматор и седьмой блок умножения, последовательно соединенные третий датчик положения, третий косинусный функциональный преобразователь и восьмой блок умножения, причем выход третьего датчика положения соединен также со входом четвертого синусного функционального преобразователя и вторым входом пятого сумматора, последовательно соединенные второй датчик ускорения и девятый блок умножения, последовательно соединенные третий датчик ускорения, десятый блок умножения, десятый сумматор, второй вход которого подключен к выходу девятого блока умножения, и одиннадцатый блок умножения, последовательно соединенные второй датчик скорости, двенадцатый блок умножения, одиннадцатый сумматор и тринадцатый блок умножения, последовательно соединенные первый квадратор и четырнадцатый блок умножения, последовательно соединенные пятнадцатый и шестнадцатый блоки умножения, двенадцатый сумматор и семнадцатый блок умножения, последовательно соединенные восемнадцатый и девятнадцатый блоки умножения, последовательно подключенные двадцатый и двадцать первый блоки умножения, последовательно соединенные двадцать второй блок умножения, тринадцатый сумматор и двадцать третий блок умножения, последовательно соединенные четырнадцатый сумматор и двадцать четвертый блок умножения, последовательно соединенные пятый синусный функциональный преобразователь и двадцать пятый блок умножения, отличающийся тем, что в него дополнительно введены последовательно соединенные шестой косинусный функциональный преобразователь, вход которого подключен к выходу четвертого датчика положения и входу пятого функционального преобразователя, и двадцать шестой блок умножения, второй вход которого подключен к выходу шестого блока умножения и ко второму входу двадцать пятого блока умножения, а выход – ко вторым входам одиннадцатого и двадцать третьего блоков умножения, последовательно подключенные двадцать седьмой блок умножения, первый вход которого соединен с выходом шестого сумматора, двадцать восьмой блок умножения и пятнадцатый сумматор, второй, третий, четвертый и пятый входы которого подключены соответственно к выходам девятнадцатого, двадцать первого, двадцать третьего и двадцать четвертого блоков умножения, а выход – к шестому входу второго сумматора, последовательно соединенные двадцать девятый блок умножения, первый вход которого подключен к выходу шестого функционального преобразователя, и ко вторым входам седьмого и двадцать седьмого блоков умножения, и тридцатый блок умножения, выход которого подключен к шестому входу пятнадцатого сумматора, последовательно соединенные тридцать первый блок умножения и тридцать второй блок умножения, второй вход которого подключен к выходу четвертого и второму входу тринадцатого блоков умножения, а выход – к седьмому входу пятнадцатого сумматора, последовательно подключенные тридцать третий блок умножения, первый вход которого соединен с выходом третьего блока умножения и вторым входом двадцать девятого блока умножения, а второй вход – с выходом пятого функционального преобразователя, вторым входом четвертого блока умножения и первым входом восемнадцатого блока умножения, тридцать четвертый блок умножения и шестнадцатый сумматор, выход которого соединен со вторым входом четвертого сумматора, второй и третий входы соответственно с выходом одиннадцатого и тринадцатого блоков умножения, четвертый вход – с выходом семнадцатого блока умножения, второй вход которого соединен с выходом двадцать пятого блока умножения, последовательно соединенные четвертый датчик ускорения и тридцать пятый блок умножения, последовательно соединенные тридцать шестой блок умножения, семнадцатый сумматор, второй вход которого подключен к выходу тридцать пятого блока умножения, тридцать седьмой блок умножения, второй вход которого подключен к выходу седьмого блока умножения и второму входу двадцать четвертого блока умножения, а выход – к пятому входу шестнадцатого сумматора, последовательно соединенные третий датчик скорости и тридцать восьмой блок умножения, выход которого подключен ко второму входу одиннадцатого сумматора, последовательно соединенные тридцать девятый блок умножения и восемнадцатый сумматор, последовательно соединенные четвертый датчик скорости и сороковой блок умножения, выход которого через второй вход восемнадцатого сумматора подключен ко второму входу тридцать четвертого блока умножения, последовательно соединенные второй квадратор и сорок первый блок умножения, выход которого подключен к второму входу двенадцатого сумматора, последовательно соединенные третий квадратор, сорок второй блок умножения, девятнадцатый сумматор и сорок третий блок умножения, второй вход которого подключен к выходу двадцать девятого блока умножения, а выход – к шестому входу шестнадцатого сумматора, причем второй, третий и четвертый входы девятнадцатого сумматора подключены соответственно к выходам четырнадцатого, сорок четвертого и сорок пятого блоков умножения, а пятый вход – к выходу первого дифференциатора, третий вход десятого сумматора подключен к выходу сорок шестого блока умножения, последовательно соединенные сорок седьмой блок умножения, двадцатый сумматор и сорок восьмой блок умножения, второй вход которого подключен к выходу восемнадцатого блока умножения, а выход – к седьмому входу шестнадцатого сумматора, причем второй вход двадцатого сумматора через второй дифференциатор подключен к выходу четвертого датчика ускорения, а его третий вход – к выходу сорок девятого блока умножения, последовательно соединенные пятидесятый блок умножения, двадцать первый сумматор и пятьдесят первый блок умножения, второй вход которого подключен к выходу двадцать седьмого блока умножения, а выход – к восьмому входу шестнадцатого сумматора, причем второй вход двадцать первого сумматора через третий дифференциатор соединен с выходом третьего датчика ускорения, первым входом тридцать шестого и вторыми входами двенадцатого и двадцать восьмого блоков умножения, а его третий вход через пятьдесят второй блок умножения – с выходом третьего квадратора и первыми входами четырнадцатого сумматора и сорок седьмого блока умножения, второй вход третьего сумматора соединен с выходом датчика массы груза, второй вход третьего блока умножения подключен к выходу восьмого сумматора, второй вход пятого блока умножения соединен с выходом четвертого функционального преобразователя, вход второго функционального преобразователя соединен с выходом пятого сумматора, вход первого квадратора соединен с выходом третьего датчика скорости, первыми входами пятнадцатого, двадцать второго и сорок четвертого, а также со вторыми входами девятого, тридцать первого, тридцать шестого, пятидесятого и пятьдесят второго блоков умножения, а его выход – с первым входом пятидесятого и вторым входом сорок девятого блоков умножения, а также со вторым входом четырнадцатого сумматора, второй вход восемнадцатого блока умножения соединен с выходом девятого сумматора, второй вход которого подключен к выходу восьмого блока умножения, второй вход которого соединен с выходом седьмого сумматора, второй вход девятнадцатого блока умножения подключен к выходу четвертого датчика ускорения и вторым входам тридцать восьмого и сорокового блоков умножения, первый вход двадцатого блока умножения соединен с выходом тридцать третьего блока умножения, а его второй вход – с выходом второго датчика скорости, входом третьего квадратора, первыми входами тридцать первого, тридцать девятого и сорок девятого, а также со вторыми входами шестнадцатого, тридцать пятого, сорок первого и сорок седьмого блоков умножения, вход второго квадратора соединен с выходом четвертого датчика скорости, первыми входами сорок пятого и сорок шестого, а также вторыми входами десятого, четырнадцатого, пятнадцатого, двадцать первого, двадцать второго и сорок второго блоков умножения, а выход – со вторыми входами тринадцатого сумматора, а также сорок четвертого и сорок пятого блоков умножения, выход второго датчика ускорения соединен с входом первого дифференциатора и вторыми входами тридцатого, тридцать девятого и сорок шестого блоков умножения.
РИСУНКИ
|
|