|
|
(21), (22) Заявка: 2007147532/02, 19.12.2007
(24) Дата начала отсчета срока действия патента:
19.12.2007
(46) Опубликовано: 20.05.2009
(56) Список документов, цитированных в отчете о поиске:
SU 884775 A1, 30.11.1981. SU 1588458 A1, 30.08.1990. US 4790164, 13.12.1988.
Адрес для переписки:
620002, г.Екатеринбург, ул. Мира, 19, УГТУ-УПИ, центр интеллектуальной собственности, Т.В. Маркс
|
(72) Автор(ы):
Слукин Евгений Юрьевич (RU)
(73) Патентообладатель(и):
Государственное образовательное учреждение высшего профессионального образования “Уральский государственный технический университет-УПИ” (RU)
|
(54) ВВОДНАЯ ВАЛКОВАЯ АРМАТУРА ПРОКАТНОГО СТАНА
(57) Реферат:
Изобретение относится к прокатному производству и может быть использовано на сортопрокатных станах для обработки черных и цветных металлов и сплавов. Валковая арматура содержит закрепленный на арматурном брусе клети корпус. В корпусе установлены роликодержатели на осях, одна или несколько пружин и вводные пропуски. Роликодержатели согласованно поворачиваются посредством кулачкового механизма, имеющего цилиндрический кулачок со скошенными под одинаковыми углами торцами, контактирующими с винтовыми упорами роликодержателей. На цилиндрической поверхности кулачка выполнены две цилиндрические кольцевые канавки. В канавки установлены по два полукольца. Кулачок с полукольцами размещен в двух сквозных, соосных отверстиях пары вертикальных проушин, жестко соединенных с верхней частью корпуса. Одной из своих торцевых поверхностей каждое полукольцо контактирует с одной из двух плоских шайб, каждая из которых охватывает одну из двух выступающих за габариты проушин частей кулачка со скошенными торцами. Каждая плоская шайба закреплена на внешней стороне своей проушины средствами крепления. Изобретение обеспечивает уменьшение высоты коробки, снижение трудоемкости изготовления узла и сокращение его материалоемкости. 2 з.п. ф-лы, 2 ил.
Изобретение относится к прокатному производству и может быть использовано на сортопрокатных станах для обработки черных и цветных металлов и сплавов.
Для задачи окантованного на 90 градусов неравноосного сечения полосы в равноосный калибр, например, полосы овального сечения в круглый калибр, при сортовой прокатке применяются вводные двух- или четырехроликовые коробки, каждая из которых включает закрепленный на арматурном брусе клети корпус, в котором по бокам шарнирно на осях (обычно вертикально) располагаются роликодержатели, на каждом из которых на собственной оси размещается свободно вращающийся ролик, своей боковой профилированной определенным образом поверхностью он взаимодействует с прокатываемой полосой, задаваемой в валки. Для направления прокатываемого металла к роликам в продольное сквозное отверстие в корпусе (окно коробки) вставлены две направляющие детали (вводные пропуски), также имеющие соответствующую профилировку. С целью возможной настройки вводной роликовой коробки на размер поперечного сечения прокатываемой полосы роликодержатели с роликами имеют возможность поворота на своих осях на определенный угол и фиксации их нового положения посредством установочных болтов, вворачиваемых в боковую поверхность каждого роликодержателя и упирающихся своим торцом в корпус коробки. Причем для дополнительной фиксации установочных болтов от поворота в процессе работы используются контргайки. Примером подобной конструкции является вводная роликовая коробка, приведенная в работе [1] на стр.108, 223, а также узлы, предлагаемые в рекламных проспектах фирмы «Danieli».
Недостатками представленного выше устройства является необходимость индивидуальной регулировки положения каждого роликодержателя относительно линии прокатки, что в условиях действующего стана занимает много времени, а также наличие большого количества резьбовых соединений на боковых поверхностях узла, что в условиях высокой влажности и температур приводит к преждевременному выходу их из строя.
Наиболее близкой по технической сущности изобретения является конструкция вводной роликовой коробки фирмы « Morgardshammar» [2]. В ней для согласованного поворота роликодержателей на их осях с целью изменения зазора между расположенными на них роликами применяется кулачковый механизм, представляющий собой вращаемый посредством червячного механизма в неподвижных опорах на верхней части корпуса коробки цилиндрический кулачок со скошенными под одинаковым углом торцевыми поверхностями, воздействующими на регулируемые по длине упоры роликодержателей, причем расположенное на боковой цилиндрической поверхности кулачка червячное колесо находится в зацеплении с червяком, располагающимся вдоль продольной оси коробки в этой же части корпуса выше колеса. Вращения червяка обеспечивается посредством специального ключа, надеваемого на его хвостовик, а фиксация положения червяка при работе для сохранения тем самым величины зазора между роликами обеспечивается соединенной с корпусом поворотной скобой, сопрягающейся с хвостовиком.
Недостатками данной конструкции являются значительная высота вводной коробки, сложность изготовления внутренних поверхностей в корпусе коробки для размещения там червячной передачи, а также необходимость использования специального оборудования: зубофрезерных станков или делительных головок при изготовлении червячного колеса и червяка.
Технической задачей является уменьшение высоты коробки, снижение трудоемкости изготовления узла и сокращение его материалоемкости.
В предлагаемом техническом решении 1 вводная валковая арматура прокатного стана, включающая закрепленный на арматурном брусе рабочей клети корпус с установленными в нем на собственных осях по обе стороны вдоль линии прокатки роликодержателями с возможностью их согласованного поворота относительно корпуса посредством кулачкового механизма с цилиндрическим, имеющим скошенные под одинаковыми углами торцы кулачком, контактирующим ими с винтовыми упорами, размещенными на роликодержателях, а также установленную между последними одну или несколько пружин для обеспечения постоянства указанного контакта, вводные пропуски, размещенные в корпусе для направления задаваемого раската к роликам, и детали для фиксации перечисленных выше частей относительно корпуса, отличающаяся тем, что на боковой цилиндрической поверхности кулачка с возможностью поворота вокруг своей оси выполнены две цилиндрические кольцевые канавки, в каждую из которых установлено по два полукольца, а сам кулачок с полукольцами размещен в двух сквозных соосных отверстиях пары вертикальных проушин, жестко соединенных с верхней частью корпуса, при этом одной из своих торцевых поверхностей каждое полукольцо контактирует с одной из двух плоских шайб, каждая из которых охватывает одну из двух выступающих за габариты проушин частей кулачка со скошенными торцами, причем каждая плоская шайба закреплена на внешней стороне своей проушины средствами крепления.
2. Вводная валковая арматура прокатного стана, по 1. отличающаяся тем, что средства крепления выполнены в виде установленных с внешней стороны в резьбовых отверстиях каждой проушины, расположенных вокруг кулачка, болтов или винтов, проходящих через выполненные для этого отверстия в каждой плоской шайбе и имеющих длину меньше суммарной толщины проушины и плоской шайбы, а для возможности поворота кулачка вокруг своей продольной оси и фиксации его положения на боковой поверхности кулачка между проушинами выполнена резьба и глухие отверстия под ломик или лыски под ключ, причем для фиксации кулачка в выбранном положении на его резьбе установлена гайка, прижимающаяся одним из своих торцев к внутренней боковой поверхности одной из проушин.
3. Вводная валковая арматура прокатного стана, по 1. отличающаяся тем, что средства крепления выполнены в виде проходящих через сквозные расположенные вокруг кулачка отверстия каждой проушины болтов или винтов, установленных в резьбовые отверстия расположенной с внутренней стороны проушины крепежной шайбы, центральное отверстие которой больше, чем наружный диаметр кулачка, при этом длина болтов или винтов равна суммарной толщине проушины, плоской шайбы и крепежной шайбы с резьбовыми отверстиями, а для возможности поворота кулачка вокруг своей продольной оси и фиксации его положения на боковой поверхности кулачка между проушинами выполнена резьба и глухие отверстия под ломик или лыски под ключ, причем для фиксации кулачка в выбранном положении на его резьбе установлена гайка, прижимающаяся одним из своих торцов к поверхности одной из крепежных шайб с резьбовыми отверстиями, расположенных на внутренней боковой поверхности каждой проушины.
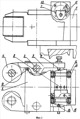
На фиг.1 показан внешний вид вводной роликовой коробки с кулачковым механизмом новой конструкции, выполненным по 2., где 1 – корпус; 2 – ось роликодержателя; 3 – роликодержатель; 4 – ролик; 5 – вводной пропуск; 6 – винтовой упор; 7 – кулачок; 8 – глухие отверстия под ломик; 9 – пружина; 10 – проушина; 11 – полукольца; 13 – плоская шайба; 14 – гайка.
На фиг.2 показан внешний вид вводной роликовой коробки с кулачковым механизмом новой конструкции, выполненным по 3., где 1-13 позиции, совпадающие с фиг.1; 14 – крепежная шайба с резьбовыми отверстиями; 15 – гайка.
Вводная роликовая коробка состоит из расположенного на арматурном брусе корпуса коробки 1, в котором на осях 2 смонтированы роликодержатели 3, на конце каждого из которых имеется свободно вращающийся ролик 4. Для направления задаваемого раската к роликам 4 в корпусе 1 установлена пара вводных пропусков 5. Расстояние между роликами 4 может изменяться поворотом роликодержателей 3 на их осях 2 посредством поворота находящегося в контакте с винтовыми упорами 6 роликодержателей 3 цилиндрического кулачка 7, оба торца которого скошены под одинаковым углом к его продольной оси. Кулачок 7 имеет возможность вращения либо посредством вставляемого в глухие отверстия 8, выполненные в средней части боковой цилиндрической поверхности кулачка, ломика, либо посредством гаечного ключа, воздействующего на выполненные в средней части боковой цилиндрической поверхности кулачка лыски. Постоянный контакт каждого торца кулачка 7 с винтовым упором 6 роликодержателя 3 обеспечивается или пружинами сжатия 9, расположенными в сделанных для этого на каждом роликодержателе гнездах, или пружиной растяжения, натянутой между торцами роликодержателей. Цилиндрический кулачок 7, установлен в сквозных цилиндрических отверстиях, выполненных в каждой из двух имеющихся в верхней части корпуса 1, проушин 10. Для фиксации кулачка в осевом направлении на боковой цилиндрической поверхности кулачка 7 вблизи его торцов выполнены две цилиндрические кольцевые канавки, в каждую из которых установлено по два полукольца 11. Наружная поверхность установленных на кулачок полуколец 11 сопрягается с внутренней поверхностью отверстий проушин 10, диаметр которых больше максимального наружного диаметра кулачка 7, а фиксация кулачка 7 и полуколец 11 в осевом направлении относительно корпуса 1 коробки обеспечивается посредством надетых со стороны рабочих поверхностей кулачка на сам кулачок 7 пары плоских шайб 12, с центральными отверстиями несколько большими, чем диаметры сопрягающихся с ними цилиндрических участков кулачка. Наружный диаметр шайбы 12 больше, чем наружный диаметр отверстия в проушинах 10 с учетом размещения на поверхности шайбы 12 средств крепления, при этом каждая плоская шайба 12 контактирует с одной из торцевых поверхностей каждого полукольца 11 из пары, находящихся в отверстии проушины 10, и фиксируется на внешней поверхности каждой проушины посредством средств крепления.
По 2. средства крепления представляют болты или винты 13, завинчиваемые в расположенные в проушинах вокруг кулачка 2-4 отверстия с резьбой. При этом каждая плоская шайба 12 имеет такое же количество сквозных отверстий под винты или болты, а их длина не должна превышать суммарную толщину проушины и плоской шайбы. Для фиксации кулачка 7 от поворота относительно его продольной оси на боковой поверхности этой детали нарезана резьба, на которую навинчена гайка 14, прижимающаяся одним из своих торцов к боковой поверхности одной из проушин 10 с ее внутренней стороны. Резьба расположена рядом с лысками для ключа или отверстиями для ломика между проушинами в средней части боковой поверхности кулачка 7 на расстоянии, несколько большем, чем толщина плоской шайбы 12 от ближайшей кольцевой проточки, причем наружный диаметр этой резьбы меньше диаметра отверстий проушин 10, а внутренний диаметр резьбы больше диаметра цилиндрической части кулачка. Для обеспечения возможности вращения на резьбе гайка 14 на своей наружной поверхности также может иметь отверстия или лыски под ключ.
По 3. средства крепления представляют 2-4 болта или винта 13, проходящие через расположенные в каждой плоской шайбе и проушине вокруг отверстия под кулачок сквозные отверстия и ввернутые в соответствующие им резьбовые отверстия одной из двух крепежных шайб 14, каждая из которых зафиксирована таким способом на внутренней боковой поверхности каждой проушины 10. При этом центральное отверстие в каждой крепежной шайбе с резьбовыми отверстиями 14 больше, чем наружный диаметр кулачка 7, а длина болтов или винтов 13 равна суммарной толщине проушины 10 плоской шайбы 12 и крепежной шайбы с резьбовыми отверстиями 14. Для фиксации кулачка 7 от поворота относительно продольной оси на его боковой поверхности установлена гайка 15, прижимающаяся одним из своих торцов к поверхности одной из крепежных шайб 14 с резьбовыми отверстиями, навинченная на резьбу, расположенную в средней части боковой поверхности кулачка 7 на расстоянии несколько большем, чем толщина крепежной шайбы с резьбовыми отверстиями 14, от ближайшей кольцевой проточки, причем наружный диаметр этой резьбы меньше диаметра отверстий проушин 10, а внутренний диаметр резьбы больше диаметра цилиндрической части кулачка. Для обеспечения возможности вращения на резьбе гайка 15 на своей наружной поверхности также может иметь отверстия под ломик или лыски под ключ.
Устройство работает следующим образом: попадая во вводную арматуру, движущаяся полоса направляется размещенными в корпусе 1 пропусками 5 в ролики 4, смонтированные на роликодержателях 3, установленных в свою очередь в корпусе 1 на осях 2. Стабильное положение роликодержателей 3 относительно корпуса 1 обеспечивается посредством винтовых упоров 6 и взаимодействующих с ними скошенных торцевых частей кулачка 7, повернутых посредством глухих отверстий 8 или лысок кулачка на определенный угол вокруг его оси и зафиксированных от случайного поворота относительно корпуса 1 навинчиваемой на выполненную на боковой поверхности кулачка резьбу гайкой 14 (см. фиг.1) или 15 (см. фиг.2). Это обеспечивает постоянную величину зазора между роликами 4, соответствующего размеру сечения движущейся полосы. Случайные перемещения кулачка 7 в осевом направлении исключаются благодаря воздействию плоских шайб 12, закрепленных на внешних боковых поверхностях проушин 10, на установленные в его кольцевых проточках разрезные полукольца 11, размещенные внутри сквозных отверстий пары указанных проушин 10. Проходящая по роликам полоса, вызывая их вращение, удерживается ими от сваливания. При этом возникающее усилие, воспринимаемое роликами, передается роликодержателями 3 через их оси 2 на корпус 1, а через их винтовые упоры 6 – скошенным торцам кулачка 7. При отсутствии металла внутри вводной арматуры стабильность зазора между роликами обеспечивается уравновешивающими пружинами сжатия 9 или растяжения, воздействующими на роликодержатели 3, вызывая прижатие их винтовых упоров 6 к торцам кулачка 7.
Для повышения безопасности работы устройства с целью исключения контакта гаечного ключа или ломика с верхним рабочим валком при вращении кулачка или гайки в верхней части проушин желательно установить упор или планку, ограничивающую поворот указанного инструмента в сторону валков.
Техническим результатом является замена предназначенной для изменения положения роликодержателей с роликами червячной передачи, что обеспечивает уменьшение габаритной высоты коробки, снижение трудоемкости изготовления узла и сокращение его материалоемкости.
Литература
1. Современные конструкции валковой арматуры прокатных станов. / Альбом под ред. Грицука Н.Ф. М.: НИИИНФОРМТЯЖМАШ, 1968. 295 с.
2. 1000-series roller entry guides. / Morgardshammar Guide Systems.: Morgardshammar AB S-77783 Smedjtbacken. Sweden.
Формула изобретения
1. Вводная валковая арматура прокатного стана, включающая закрепленный на арматурном брусе рабочей клети корпус с установленными в нем на собственных осях по обе стороны вдоль линии прокатки роликодержателями с возможностью их согласованного поворота относительно корпуса посредством кулачкового механизма с цилиндрическим, имеющим скошенные под одинаковыми углами торцы кулачком, контактирующим ими с винтовыми упорами, размещенными на роликодержателях, а также установленную между последними одну или несколько пружин для обеспечения постоянства указанного контакта, вводные пропуски, размещенные в корпусе для направления задаваемого раската к роликам, и детали для фиксации перечисленных выше частей относительно корпуса, отличающаяся тем, что на боковой цилиндрической поверхности кулачка с возможностью поворота вокруг своей оси выполнены две цилиндрические кольцевые канавки, в каждую из которых установлено по два полукольца, а сам кулачок с полукольцами размещен в двух сквозных соосных отверстиях пары вертикальных проушин, жестко соединенных с верхней частью корпуса, при этом одной из своих торцевых поверхностей каждое полукольцо контактирует с одной из двух плоских шайб, каждая из которых охватывает одну из двух выступающих за габариты проушин частей кулачка со скошенными торцами, причем каждая плоская шайба закреплена на внешней стороне своей проушины средствами крепления.
2. Вводная валковая арматура прокатного стана по п.1, отличающаяся тем, что средства крепления выполнены в виде установленных с внешней стороны в резьбовых отверстиях каждой проушины, расположенных вокруг кулачка болтов или винтов, проходящих через выполненные для этого отверстия в каждой плоской шайбе и имеющих длину меньше суммарной толщины проушины и плоской шайбы, а для возможности поворота кулачка вокруг своей продольной оси и фиксации его положения на боковой поверхности кулачка между проушинами выполнены резьба и глухие отверстия под ломик или лыски под ключ, причем для фиксации кулачка в выбранном положении на его резьбе установлена гайка, прижимающаяся одним из своих торцов к внутренней боковой поверхности одной из проушин.
3. Вводная валковая арматура прокатного стана по п.1, отличающаяся тем, что средства крепления выполнены в виде проходящих через сквозные расположенные вокруг кулачка отверстия каждой проушины болтов или винтов, установленных в резьбовые отверстия расположенной с внутренней стороны проушины крепежной шайбы, центральное отверстие которой больше, чем наружный диаметр кулачка, при этом длина болтов или винтов равна суммарной толщине проушины, плоской шайбы и крепежной шайбы с резьбовыми отверстиями, а для возможности поворота кулачка вокруг своей продольной оси и фиксации его положения на боковой поверхности кулачка между проушинами выполнены резьба и глухие отверстия под ломик или лыски под ключ, причем для фиксации кулачка в выбранном положении на его резьбе установлена гайка, прижимающаяся одним из своих торцов к поверхности одной из крепежных шайб с резьбовыми отверстиями, расположенных на внутренней боковой поверхности каждой проушины.
РИСУНКИ
|
|