|
|
(21), (22) Заявка: 2007127380/12, 17.07.2007
(24) Дата начала отсчета срока действия патента:
17.07.2007
(46) Опубликовано: 10.05.2009
(56) Список документов, цитированных в отчете о поиске:
RU 2003110391 А, 10.11.2004. ЕР 0261363 A1, 30.03.1988. GB 2392923 A, 17.03.2004. FR 2614325 A1, 28.10.1988.
Адрес для переписки:
346500, Ростовская обл., г. Шахты, ул. Шевченко, 147, ЮРГУЭС, патентная служба
|
(72) Автор(ы):
Сурмилова Александра Борисовна (RU), Сурмилов Борис Иванович (RU), Денисов Андрей Владимирович (RU), Кожемяченко Вячеслав Александрович (RU)
(73) Патентообладатель(и):
ГОУ ВПО “Южно-Российский государственный университет экономики и сервиса” (ЮРГУЭС) (RU)
|
(54) СТИРАЛЬНАЯ МАШИНА
(57) Реферат:
Стиральная машина содержит размещенные в корпусе бак со стиральным барабаном, приводной электродвигатель, сливной насос, клапаны, датчики температуры, демпфирующие грузы, датчик уровня, командоаппарат и нагревательный элемент. В машину дополнительно введен датчик положения стирального барабана, обеспечивающий останов барабана в определенном положении. На торцовой стенке стирального барабана установлен ультразвуковой излучатель, обеспечивающий стирку белья в периоды нагрева стирающего раствора. На противоположной стороне по радиусу барабана для его уравновешивания установлен противовес. Напряжение питания на ультразвуковой излучатель подается через токосъемные кольца. Технический результат заключается в сокращении общего времени стирки и уменьшении расхода электроэнергии. 1 ил.
Изобретение относится к машинам для автоматической стирки белья, применяемым в быту и на специализированных предприятиях, выполняющих стирку белья.
Ближайшим аналогом данного изобретения является стиральная машина, содержащая размещенные в корпусе приводной электродвигатель, бак со стиральным барабаном, командоаппарат, сливной насос, клапаны, нагревательный элемент, датчики температуры, демпфирующие грузы и датчик уровня. (А.Г.Кобелев, Справочник слесаря по ремонту сложной бытовой техники, Москва, Высшая школа, 1991, с.138-162).
Эта машина требует достаточно много времени для выполнения всей программы стирки ввиду того, что во время длительных промежутков времени, необходимых для слива и смены воды, нагрев стирающего раствора каждый раз происходит заново. В течение этих промежутков времени стирка практически не осуществляется, так как раствор не активируется, а время стирки идет.
Технический результат, достигаемый при реализации данного изобретения, заключается в сокращении общего времени стирки и уменьшении расхода электроэнергии.
Указанный технический результат достигается тем, что стиральная машина, содержащая размещенные в корпусе бак со стиральным барабаном, приводной электродвигатель, сливной насос, клапаны, датчики температуры, барабана, обеспечивающий останов барабана в определенном положении, а на торцовой стенке стирального барабана установлены ультразвуковой излучатель, обеспечивающий стирку белья в периоды нагрева стирающего раствора, и противовес, при этом напряжение питания на ультразвуковой излучатель подается через токосъемные кольца.
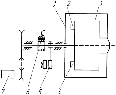
На чертеже схематично представлена стиральная машина, содержащая бак 1 со стиральным барабаном 3 и приводной электродвигатель 7; на торцовой стенке стирального барабана 3 установлен ультразвуковой излучатель 4, который активирует стирающий раствор при неподвижном барабане; на противоположной стороне по радиусу барабана для его уравновешивания установлен противовес 2; датчик положения 5 стирального барабана обеспечивает посредством автоматики останов барабана строго в определенном положении, то есть тогда, когда ультразвуковой излучатель 4 будет находиться в стирающем растворе. Напряжение питания на ультразвуковой излучатель подается через токосъемные кольца 6.
Таким образом, при неподвижном стиральном барабане 3 будет происходить стирка белья ультразвуковым излучателем 4, что позволит сократить общее время стирки, которое на базовой машине длится порядка трех часов.
При работе стиральной машины барабанного типа с горизонтальной осью вращения барабана после заполнения стирального бака 1 водой включается режим смачивания белья. При этом приводной электродвигатель 7 включается на малой частоте вращения в режиме периодического реверсирования, при этом происходит смачивание белья и перемешивание воды со стирающим реагентом, т.е. с порошком.
После заданного времени командоаппарат отключает приводной электродвигатель, и включается один из трех режимов нагрева стирающего раствора, а стиральный барабан 3 останавливается строго в определенном положении, когда ультразвуковой излучатель 4 будет находиться в нижнем положении, т.е. в стирающем растворе. Ультразвуковой излучатель 4 работает при выключенном приводе 7, т.е. во время нагрева стирающего положении, т.е. в стирающем растворе. Ультразвуковой излучатель 4 работает при выключенном приводе 7, т.е. во время нагрева стирающего раствора, и каждый раз в течение времени нагрева стирающего раствора будет производиться стирка белья от ультразвукового излучателя.
После смачивания белья и полной остановки электродвигателя 7 включается нагревательный элемент и питание ультразвукового излучателя, при этом начинается активация стирающего раствора и стирка посредством ультразвукового излучателя.
Периодов нагрева стирающего раствора три. Первый нагрев осуществляется до 30 градусов, второй – до 60, а третий – до 90 градусов. В течение всех трех периодов нагрева происходит ультразвуковая стирка.
Чтобы белье не закручивалось, стирка происходит в режиме реверсирования стирального барабана. При этом происходит большой расход электроэнергии, т.к. электродвигатель 7 при реверсировании работает в режиме пусковых токов, величина которых значительно больше номинального.
Перед повторным включением приводного электродвигателя 7 питание ультразвукового излучателя отключается. Начинает движение стиральный барабан, и стирка продолжается за счет движения барабана. Такое чередование способов активации позволяет значительно снизить общее время стирки, за счет чего сокращается расход электроэнергии. Время циклов работы стирального барабана можно сократить, т.к. стирка в период нагрева стирающего раствора не прекращается.
Формула изобретения
Стиральная машина, содержащая размещенные в корпусе бак со стиральным барабаном, приводной электродвигатель, сливной насос, клапаны, датчики температуры, демпфирующие грузы, датчик уровня, командоаппарат и нагревательный элемент, отличающаяся тем, что содержит датчик положения стирального барабана, обеспечивающий останов барабана в определенном положении, а на торцевой стенке стирального барабана установлены ультразвуковой излучатель, обеспечивающий стирку белья в периоды нагрева стирающего раствора, и противовес, при этом напряжение питания на ультразвуковой излучатель подается через токосъемные кольца.
РИСУНКИ
|
|