|
|
(21), (22) Заявка: 2007117841/04, 15.05.2007
(24) Дата начала отсчета срока действия патента:
15.05.2007
(43) Дата публикации заявки: 20.11.2008
(46) Опубликовано: 10.05.2009
(56) Список документов, цитированных в отчете о поиске:
RU 2264434 C2, 20.11.2005. RU 2280066 C2, 20.07.2006. RU 2119939 С1, 10.10.1998. RU 2256694 C1, 20.07.2005. GB 2106933 A, 20.04.1983. WO 2006/088462 A1, 24.08.2006.
Адрес для переписки:
142432, Московская обл., г. Черноголовка, ул. Первая, 22, кв.12, (аб.ящ.25), Ю.В.Политанскому
|
(72) Автор(ы):
Политанский Юрий Владимирович (RU)
(73) Патентообладатель(и):
Политанский Юрий Владимирович (RU)
|
(54) АНТИДЕТОНАЦИОННАЯ ПРИСАДКА И СПОСОБ ЕЕ ПОЛУЧЕНИЯ
(57) Реферат:
Изобретение относится к области нефтепереработки и нефтехимии, конкретно к составу и способу получения антидетонационной присадки к моторному топливу, предназначенному для использования в двигателях внутреннего сгорания с принудительным зажиганием. Сущность изобретения заключается в том, что смесь органических веществ, содержащую ароматический амин, антиоксидант, скипидар, хлорпарафин и изопарафин, с целью придания ей антидетонционной активности, в парожидкой фазе обрабатывают металлическим марганцем при температуре кипения присадки при атмосферном давлении, при кратности циркуляции присадки через катализатор 1,0-10,0. Исходная смесь органических веществ содержит, мас.%: скипидар 35,0-50,0; ароматический амин 2,0-5,0; хлорпарафин 1,0-2,0; антиоксидант 3,0-5,0; изопарафин – остальное до 100; катализатор – марганец металлический. Технический результат изобретения – при добавлении к низкооктановым моторным топливам (композициям) в концентрациях 0,03-0,2 мас.% присадка повышает их октановое число на величину 3-6 ед.ОЧ по моторному методу. 2 н. и 7 з.п. ф-лы, 1 ил., 5 табл.
Изобретение относится к области нефтепереработки и нефтехимии, конкретно к составу и способу получения антидетонационной присадки к моторному топливу, предназначенной для использования в двигателях внутреннего сгорания с принудительным зажиганием.
Товарные автомобильные бензины готовят смешением бензиновых фракций различных процессов первичной и вторичной переработки нефти с высокооктановыми добавками (спирты, простые и сложные эфиры, ароматические амины) и антидетонационными присадками на основе тетраэтилсвинца (ТЭС), циклопентадиенилтрикарбонилмарганца (ЦТМ), ферроцена.
Высокооктановые добавки (компоненты) применяют при изготовлении автобензинов в пределах от 1,0 до 20 мас.%, антидетонационные присадки – в пределах от 0,001 до 0,5 мас.%.
Технический результат применения известных присадок и высокооктановых добавок характеризуется повышением октанового числа бензина (топливной композиции), к которому ее добавляют [Емельянов В.Е., Скворцов В.Н. Моторные топлива: антидетонационные свойства и воспламеняемость. – М.: Изд. «Техника», 2006. – с.72-76].
Этот запрет поставил нефтеперерабатывающую промышленность перед необходимостью использования малоэффективных, по сравнению с металлосодержащими антидетонационными присадками, высокооктановых добавок: оксигенатов (спиртов и эфиров) и токсичных ароматических аминов (N-метиланилинов и ксилидинов) [Данилов А.М. Применение присадок в топливах. – М.: Мир, 2005. – с.18-50].
Задачей настоящего изобретения является создание антидетонационной присадки к моторному топливу, обладающей высоким уровнем антидетонационной активности, не содержащей органических производных металлов, экологически безопасной.
В настоящем изобретении сочетание принципиально новой, ранее неизвестной совокупности органических веществ в исходной смеси и ранее неизвестного способа ее обработки для получения антидетонационной активности присадки обеспечивают достижение технического результата. Технический результат, достигаемый заявленным изобретением, характеризуется повышением октанового числа бензина (топливной композиции), к которому ее добавляют.
Сущность изобретения заключается в том, что антидетонационная присадка к моторному топливу содержит ароматический амин, антиоксидант, скипидар, хлорпарафин и изопарафин, при следующем соотношении компонентов, мас.%:
| Ароматический амин |
2,0-5,0 |
| Антиоксидант |
3,0-5,0 |
| Хлорпарафин |
1,0-2,0 |
| Скипидар |
35,0-50,0 |
| Изопарафин |
Остальное до 100. |
Кроме того, ароматический амин содержит, по крайней мере, одно вещество, выбранное из группы, включающей N-метиланилин, N,N-диметиланилин, экстралин.
Кроме того, антиоксидант содержит, по крайней мере, одно вещество, выбранное из группы, включающей Агидол-1 (2,6-ди-трет-бутил-4-метилфенол), Агидол-12 (50%-ный раствор в толуоле смеси трет-бутилфенолов) и Агидол-3 (2,6-ди-трет-бутил-4-диметиламинометилфенол) [Данилав А.М. Применение присадок в топливах. – М.: Мир, 2005. – с.126].
Кроме того, хлорпарафин содержит, по крайней мере, одно вещество, выбранное из группы, хлороформ, углерод четыреххлористый, дихлорэтан.
Кроме того, скипидар содержит, по крайней мере, одно вещество, выбранное из группы, включающей скипидар живичный и скипидар экстракционный.
Кроме того, изопарафин представляет собой 2,2,4-триметилпентан (изооктан).
Кроме того, антидетонационную присадку вводят в моторное топливо в концентрациях 0,03÷0,2 мас.%.
Неотъемлемая часть сущности изобретения заключается в ранее неизвестном способе получении присадки путем смешения исходных компонентов в смесителе и дополнительно в новом, ранее неизвестном способе обработки исходной смеси компонентов металлическим марганцем с целью придания присадке антидетонационной активности.
Кроме того, обработку смеси металлическим марганцем проводят в парожидкой фазе при температуре кипения смеси при атмосферном давлении.
Кроме того, обработку исходной смеси металлическим марганцем проводят при кратности циркуляции присадки через контактор 1,0-10,0.
На месте производства присадки ее характеризуют повышением октанового числа по моторному методу эталонной смеси ( эОЧ м.м.), содержащей 70 об.% изооктана и 30 об.% н-гептана (ОЧ м.м.=70 ед.ОЧ) при добавлении к ней 0,07 об.% присадки.
Производство присадки безотходное.
Присадка по расчетной аддитивности токсикометрических характеристик входящих в нее компонентов имеет ОБУВ (ориентировочный безопасный уровень воздействия) от 18 до 28 мг/м3 в зависимости от содержания в ней хлорпарафина и ароматического амина, относится к IV классу малоопасных веществ по ГОСТ 12.1.005-76 «Воздух рабочей зоны» (Методические указания по применению расчетного метода обоснования ориентировочных безопасных уровней воздействия (ОБУВ) вредных веществ в воздухе рабочей зоны. 1599-77. М.: Минздрав СССР, 1977). На этом основании можно полагать, что предлагаемая антидетонационная присадка найдет широкое промышленное многотоннажное применение в рецептуре экологически малоопасных автомобильных бензинов, особенно для городов с миллионным населением.
В качестве компонентов для промышленного производства предлагаемой присадки используют следующие технические продукты:
N-метиланилин по ТУ 2471-269-00204168-95; N,N-диметиланилин по ГОСТ 5855-78; экстралин по ТУ 6-02-571-90; Агидол-1 по ТУ 38.5901237-90 с изм.1,2; Агидол-12 по ТУ 38.302-16-371-88; Агидол-3 по ТУ 38.103368-94; хлороформ по ГОСТ 20015-74, сорт высший; углерод четыреххлористый по ГОСТ 4-75, сорт высший; дихлорэтан технический по ГОСТ 1942-74, сорт высший; скипидар живичный по ГОСТ 1571-82, скипидар экстракционный по ГОСТ 16943-79; изооктан технический по ГОСТ 4095-75; марганец металлический по ГОСТ 6008-90.
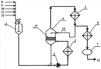
Принципиальная схема получения присадки приведена на чертеже.
В смеситель 1 в заданном соотношении непрерывно подают скипидар 8, изооктан 9, ароматический амин 10, хлорпарафин 11, антиоксидант 12. Все компоненты, при рабочих соотношениях полностью взаиморастворимы без существенного теплового эффекта растворения. Поэтому растворение проводят в стандартном смесителе без подогрева или охлаждения. Полученную жидкую смесь органических веществ (шихту) непрерывно подают на прием циркуляционного насоса 2. Смесь шихты и присадки испаряют в испарителе 3 и подают в контактор 4 под слой катализатора 13. Контактор 3 представляет собой стандартный вертикальный цилиндрический аппарат с поддерживающей решеткой для слоя металлического марганца. Обработку смеси металлическим марганцем проводят при атмосферном давлении и температуре кипения присадки от 125°С до 140°С. Температура кипения присадки зависит от исходного состава компонентов и давления. Повышение или понижение температуры кипения присадки за счет изменения давления в контакторе на антидетонационную активность получаемой присадки не влияет. В контакторе поддерживают уровень кипящей жидкости, покрывающей слой катализатора. Пары присадки сверху контактора конденсируют в конденсаторе 4, часть дистиллята возвращают в контактор (поток 14), другую часть – товарную присадку 15 – охлаждают в холодильнике 5 и собирают в сборнике 7. Кратность циркуляции присадки через металлический марганец равна отношению количеств потоков 14, возвращаемого в контактор, и 15, выводимого из процесса в качестве товарной присадки.
Примеры практического получения присадки антидетонационной представлены в таблицах 1-3. Представленные в таблицах 1-3 результаты свидетельствуют о том, что производство присадки безотходное.
| Таблица 1 |
| Кратность циркуляции |
10,0 |
Температура 125°С |
Давление атмосферное |
| Наименование |
Мас.% |
Колич., кг |
Наименование |
Мас.% |
Колич., кг |
| Взято: |
 |
 |
Получено: |
 |
 |
| Скипидар живичный |
35,0 |
350,0 |
Присадка антидетонационная |
100,0 |
1000,0 |
| Изооктан |
59,0 |
590,0 |
 |
 |
 |
| N-метиланилин |
2,0 |
20,0 |
 |
 |
 |
| Хлороформ |
1,0 |
10,0 |
 |
 |
 |
| Агидол-3 |
3,0 |
30,0 |
 |
 |
 |
| Всего: |
100,0 |
1000,0 |
Всего: |
100,0 |
1000,0 |
| Марганец металлический |
 |
20,0 |
Марганец металлический |
 |
20,0 |
| Всего: |
 |
1020,0 |
Всего: |
 |
1020,0 |
 |
 |
 |
эОЧ м.м., ед.ОЧ |
3,2 |
| Таблица 2 |
| Кратность циркуляции |
1,0 |
Температура 140°С |
Давление атмосферное |
Наименова- ние |
Мас.% |
Колич., кг |
Наименование |
Мас.% |
Колич., кг |
| Взято: |
 |
 |
Получено: |
 |
 |
| Скипидар экстракционный |
50,0 |
500,0 |
Присадка антидетонационная |
100,0 |
1000,0 |
| Изооктан |
38,0 |
380,0 |
 |
 |
 |
| Экстралин |
5,0 |
50,0 |
 |
 |
 |
| Углерод четыреххло-ристый |
2,0 |
20,0 |
 |
 |
 |
| Агидол-12 |
5,0 |
50,0 |
 |
 |
 |
| Всего: |
100,0 |
1000,0 |
Всего: |
100,0 |
1000,0 |
| Марганец металлический |
 |
100,0 |
Марганец металлический |
 |
100,0 |
| Всего: |
 |
1100,0 |
Всего: |
 |
1100,0 |
 |
 |
 |
эОЧ м.м., ед.ОЧ, |
6,7 |
| Таблица 3 |
| Кратность циркуляции |
6,0 |
Температура 133°С |
Давление атмосферное |
| Наименование |
Мас.% |
Колич., кг |
Наименование |
Мас.% |
Колич., кг |
| Взято: |
 |
 |
Получено: |
 |
 |
| Скипидар живичный |
42,0 |
420,0 |
Присадка антидетонационная |
100,0 |
1000,0 |
| Изооктан |
49,0 |
490,0 |
 |
 |
 |
| N,N-диметил-анилин |
3,5 |
35,0 |
 |
 |
 |
| Дихлорэтан |
1,5 |
15,0 |
 |
 |
 |
| Агидол-1 |
4,0 |
40,0 |
 |
 |
 |
| Всего: |
100,0 |
1000,0 |
Всего: |
100,0 |
1000,0 |
| Катализатор |
 |
70,0 |
Катализатор |
 |
70,0 |
| Всего: |
 |
1070,0 |
Всего: |
 |
1070,0 |
 |
 |
 |
эОЧ м.м., ед.ОЧ, |
6,3 |
Определение содержания марганца в присадке, полученной при условиях, приведенных в таблицах 1-3, выполненное по п.7.2 ГОСТ Р 51105-97, показало, что в образцах присадки марганец отсутствует. Это доказывает, что марганец в данном способе является истинным катализатором.
Примеры применения антидетонационной присадки при производстве моторных топливных композиций приведены в таблице 4. Показана совместимость в топливных композициях предлагаемой присадки с высокооктановыми добавками к бензинам – оксигенатами (МТБЭ) и ароматическими аминами (экстралин).
Для опытно-промышленного приготовления топливных композиций использовали:
Метил-трет-бутиловый эфир (МТБЭ) по ТУ 38.103622-87
Бензин автомобильный неэтилированный А-76 по ГОСТ 2084-77
Экстралин по ТУ 6-02-571-90
| Таблица 4 |
| Компоненты |
ОЧ м.м. |
Топливные композиции, мас.%, |
| 1 |
2 |
| Без присадки |
С присадкой |
Без присадки |
С присадкой |
| Бензин А-76 |
76,8 |
100,0 |
99,93 |
91,0 |
90,97 |
| МТБЭ |
101,6 |
 |
 |
8,0 |
8,00 |
| Экстралин |
 |
 |
 |
1,0 |
1,00 |
| Присадка |
 |
 |
0,07 |
 |
0,03 |
| Всего |
 |
100,0 |
100,00 |
100,0 |
100,00 |
| ОЧ м.м., ед.ОЧ |
 |
76,8 |
82,2 |
81,6 |
85,3 |
ОЧ м.м., ед.ОЧ, |
 |
 |
5,4 |
 |
3,7 |
| Продолжение таблицы 4 |
| Компоненты |
ОЧ м.м. |
Топливные композиции, мас.%, |
| 3 |
4 |
| Без присадки |
С присадкой |
Без присадки |
С присадкой |
| Бензин А-76 |
76,8 |
87,0 |
86,91 |
87,00 |
86,826 |
| МТБЭ |
101,6 |
12,0 |
11,99 |
12,00 |
11,976 |
| Экстралин |
 |
1,0 |
1,00 |
1,00 |
0,998 |
| Присадка |
 |
 |
0,1 |
 |
0,2 |
| Всего |
 |
100,0 |
100,00 |
100,00 |
100,00 |
| ОЧ м.м., ед.ОЧ |
 |
82,608 |
88,7 |
82,608 |
88,5 |
ОЧ м.м., ед.ОЧ, |
 |
 |
6,1 |
 |
5,9 |
Распределение присадки по фракциям топливной композиции 3 характеризуется данными, приведенными в таблице 5.
| Таблица 5 |
Фракции топливной композиции 3 с присадкой |
Выход фракций, об.% |
Октановое число моторным методом |
| Начало кипения – 100°С |
52 |
86,9 |
| 100°С – конец кипения |
48 |
90,1 |
Коэффициент распределения детонационной стойкости (КРДС) присадки по фракциям характеризуется отношением октановых чисел фракций бензина, выкипающих от начала кипения до 100°С и от 100°С до конца кипения:
КРДС=86,9/90,1=0,964,
что свидетельствует о равномерном распределении антидетонационной присадки по фракциям топливной композиции и устойчивости работы двигателя с искровым зажиганием на всех режимах [Емельянов Е.В., Скворцов В.Н. Моторные топлива: антидетонационные свойства и воспламеняемость. – М.: «Техника», 2006. – с.90].
Формула изобретения
1. Антидетонационная присадка, содержащая ароматический амин и антиоксидант, получаемая смешением компонентов, скипидар, хлорпарафин и изопарафин при следующем соотношении компонентов, мас.%:
| Ароматический амин |
2,0-5,0 |
| Антиоксидант |
3,0-5,0 |
| Хлорпарафин |
1,0-2,0 |
| Скипидар |
35,0-50,0 |
| Изопарафин |
Остальное до 100 |
2. Присадка по п.1, отличающаяся тем, что ароматический амин содержит, по крайней мере, одно вещество, выбранное из группы, включающей N-метиланилин, N,N-диметиланилин, экстралин.
3. Присадка по п.1, отличающаяся тем, что антиоксидант содержит, по крайней мере, одно вещество, выбранное из группы, включающей Агидол-1, Агидол-12 и Агидол-3.
4. Присадка по п.1, отличающаяся тем, что хлорпарафин содержит, по крайней мере, одно вещество, выбранное из группы хлороформ, углерод четыреххлористый, дихлорэтан.
5. Присадка по п.1, отличающаяся тем, что скипидар содержит, по крайней мере, одно вещество, выбранное из группы, включающей скипидар живичный и скипидар экстракционный.
6. Присадка по п.1, отличающаяся тем, что изопарафин представляет собой 2,2,4-триметилпентан (изооктан).
7. Способ получения присадки, заключающийся в смешении исходных компонентов в смесителе, отличающийся тем, что, с целью придания присадке антидетонационной активности, смесь компонентов по пп.1-6 в парожидкой фазе обрабатывают металлическим марганцем.
8. Способ по п.7, отличающийся тем, что обработку смеси проводят при температуре кипения смеси при атмосферном давлении.
9. Способ по п.8, отличающийся тем, что обработку исходной смеси катализатором проводят при кратности циркуляции присадки через металлический марганец 1,0-10,0.
РИСУНКИ
|
|