|
|
(21), (22) Заявка: 2003128598/04, 25.09.2003
(24) Дата начала отсчета срока действия патента:
25.09.2003
(30) Конвенционный приоритет:
26.09.2002 DK PA 2002 01431
(43) Дата публикации заявки: 27.03.2005
(46) Опубликовано: 10.05.2009
(56) Список документов, цитированных в отчете о поиске:
ЕР 1069070 А1, 17.01.2001. RU 2196761 C2, 20.01.2003. RU 2047354 C1, 10.11.1995. RU 2007215 C1, 15.02.1994. US 6255104, 17.01.2002. SU 880971, 15.11.1981.
Адрес для переписки:
105064, Москва, а/я 88, “Патентные поверенные Квашнин, Сапельников и партнеры”, пат.пов. В.П.Квашнину, рег. 4
|
(72) Автор(ы):
КРИСТЕНСЕН Петер Сайер (DK), РОСТРУП-НИЛЬСЕН Томас (DK), ЭРИКСТРУП Нильс (DK), ААСБЕРГ-ПЕТЕРСЕН Ким (DK), ХАНСЕН Йенс-Хенрик Бак (DK), ДЮБКЬЯР Иб (DK)
(73) Патентообладатель(и):
ХАЛЬДОР ТОПСЕЭ А/С (DK)
|
(54) СПОСОБ И УСТРОЙСТВО ДЛЯ ПОЛУЧЕНИЯ СИНТЕЗ-ГАЗА
(57) Реферат:
Изобретение относиться к способу и устройству для получения синтез-газа каталитическим реформингом с водяным паром и/или CO2 углеводородного сырья. Описывается способ получения синтез-газа, включающий нагревание реакционной смеси из углеводорода и водяного пара и/или СО2 в нагретой водяным паром реформинг-установке, в которой реформинг реакционной смеси происходит при контакте с твердым катализатором реформинга, подачу указанной смеси в трубчатую реформинг-установку с огневым обогревом печи для получения смеси с желаемым составом и желаемой температурой. Предложенный способ обеспечивает эффективный теплообмен между отходящим газом и перерабатываемым газом за счет использования в системе труб реформинг-установки катализатора реформинга. 2 н. и 7 з.п. ф-лы, 2 ил., 1 табл.
Настоящее изобретение относится к способу и устройству для получения синтез-газа. Процесс получения включает каталитический реформинг с водяным паром и/или с диоксидом углерода углеводородного сырья. В частности, изобретение обеспечивает улучшенный процесс вышеуказанного типа, включающий стадии реформинга с нагретым водяным паром смеси из углеводорода и водяного пара путем контакта с твердым катализатором, обладающим активностью в реформинге с водяным паром, и последующего реформинга частично подвергнутого реформингу отходящего потока в реформинг-установке с водяным паром с огневым обогревом.
Каталитический реформинг с водяным паром и/или с диоксидом углерода углеводородного сырья представляет собой процесс, в котором углеводородное сырье реагирует с водяным паром и/или диоксидом углерода, образуя синтез-газ, обогащенный водородом и оксидом углерода. Ключевые реакции следующие:
– реформинг с водяным паром углеводородов, как показано ниже для метана:

– реакция реформинга с водяным паром и/или с диоксидом углерода сопровождается реакцией конверсии:

Указанные выше две реакции находятся в большинстве случаев близко к равновесию. Если высшие углеводороды (углеводороды с 2 или большим количеством атомов углеводорода) присутствуют в потоке, подаваемом с водяным паром в установку, они также подвергаются реформингу с водяным паром в соответствии с реакциями, аналогичными указанным выше, как иллюстрируется ниже:

Реформинг с диоксидом углерода углеводородов иллюстрируется ниже для метана:

Объединенный реформинг углеводородов с водяным паром и диоксидом углерода иллюстрируется ниже для метана:

Соотношение водяного пара и диоксида углерода может быть изменено, чтобы получать желаемый состав синтез-газа.
Частичный реформинг с водяным паром перед реформинг-установкой с водяным паром с огневым обогревом в форме предварительного реформинга углеводородного сырья при получении синтез-газа хорошо известен специалистам. Предварительный реформинг обычно используют с углеводородным сырьем, содержащим высшие углеводороды, или для увеличения производительности существующих заводов реформинга. Перерабатываемый газ из углеводородного сырья и водяного пара и/или CO2, таким образом, вводят в установку предварительного реформинга при температурах приблизительно от 450°С до 550°С. При реакциях реформинга с водяным паром, протекающих в установке предварительного реформинга, температура в перерабатываемом газе обычно слегка уменьшается или увеличивается при проведении процесса предварительного реформинга в зависимости от углеводородного сырья, фактически являясь адиабатической операцией. Адиабатический предварительный реформинг обычно проводят в обычном реакционном сосуде, содержащем обычные гранулы катализатора.
На заводах промышленного получения синтез-газа перерабатываемый газ, подвергнутый предварительному реформингу, к которому может быть добавлен водяной пар и/или CO2, затем подогревают до желаемой температуры на входе в реформинг-установку с водяным паром с огневым обогревом путем теплообмена с горячим газом, отходящим от реформинг -установки с водяным паром с огневым обогревом. Обычная температура на входе в промышленную реформинг-установку составляет между 600°С и 700°С. Могут быть разработаны системы, обеспечивающие работу с температурами на входе за пределами этого интервала.
Введение стадии реформинга с водяным паром с подогревом отходящим газом между установкой предварительного реформинга и реформинга с водяным паром с огневым обогревом будет приводить к улучшенному использованию тепла отходящего газа, в то время как возможно поддерживать температуру на входе между обычными 600°С и 700°С. Достижение более высокой температуры на входе будет увеличивать использование тепла отходящего газа. Используется большее количество тепла отходящего газа, так как тепло не только используется для нагревания перерабатываемого газа, но также и частично для проведения эндотермической реакции реформинга.
Повышенное использование тепла отходящего газа для реформинга желательно, поскольку это уменьшает размер реформинг-установки с огневым обогревом и уменьшает потери тепла, используемого для получения водяного пара, тем самым ограничивая выброс пара, который может быть нежелателен.
Улучшенное использование тепла горячего газа, отходящего от реформинг-установки с водяным паром с огневым обогревом, раскрыто в европейской заявке на патент 855366, включенной здесь в качестве ссылки. Эта публикация описывает процесс, где перерабатываемый газ для реформинг-установки с водяным паром частично подвергают реформингу в подогреваемом змеевике, снабженном тонкой пленкой катализатора реформинга с водяным паром на стенке змеевика. Высокое количество ценного тепла в отходящем газе затем переносят и поглощают перерабатываемым газом за счет эндотермических реакций реформинга с водяным паром, протекающих на покрытой катализатором стенке. Размер змеевика и количество катализатора регулируют таким образом, чтобы увеличивать температуру частично подвергнутого реформингу перерабатываемого газа на выходе из каталитического подогреваемого змеевика до требуемой температуры на входе в реформинг-установку с водяным паром с огневым обогревом.
Главный недостаток этого способа состоит в уменьшении активности катализатора при длительной работе каталитического подогреваемого змеевика. Это приводит к тому, что температура на выходе змеевика выше максимально допустимой температуры газа на входе реформинг-установки с водяным паром с огневым обогревом. Повышенная температура на выходе змеевика существует вследствие уменьшенного поглощения тепла при уменьшенном процессе реформинга с водяным паром в газе. Катализатор необходимо затем реактивировать или заменять свежим катализатором на стенке змеевика.
Замена катализатора в подогреваемом змеевике является трудной и дорогой операцией, когда змеевик демонтируют из канала отходящего газа.
Задача, раскрытая в европейской заявке на патент 1069070, которая включена здесь в качестве ссылки, состоит в том, чтобы улучшить длительную работу процесса реформинга с водяным паром указанного выше типа путем компенсации снижения каталитической активности тонкой пленки катализатора, нанесенной на стенку подогреваемого змеевика, посредством дополнительного каталитического блока, который легко заменять.
Эта публикация раскрывает способ каталитического реформинга с водяным паром углеводородного сырья и включает реформинг с водяным паром смеси из углеводорода и водяного пара при контакте с первым катализатором реформинга с водяным паром, который располагают в виде тонкой пленки на стенке каталитического подогреваемого змеевика в канале газа, отходящего от реформинг-установки с водяным паром с огневым обогревом. За этой стадией следует взаимодействие частично подвергнутого реформингу газа, отходящего от каталитического подогреваемого змеевика, со вторым катализатором реформинга с водяным паром в реформинг-установке с водяным паром с огневым обогревом. Процесс включает дополнительную стадию контактирования частично подвергнутого реформингу отходящего газа с промежуточной реформинг-установкой, расположенной между выходом каталитического подогреваемого змеевика в канале отходящего газа и входом реформинг-установки с водяным паром с огневым обогревом.
Потерю активности в каталитическом подогреваемом змеевике в течение длительной работы частично компенсируют реакциями реформинга с водяным паром в частично подвергнутом реформингу отходящем газе внутри этой промежуточной реформинг-установки. Промежуточная установка работает преимущественно в адиабатических условиях и компенсирует частичное уменьшение активности катализатора реформинга с водяным паром в тонкой пленке катализатора реформинга с водяным паром на каталитическом предварительно подогреваемом змеевике получающимся повышением температуры в газе, отходящем от каталитического подогреваемого змеевика.
Помимо обеспечения требуемой температуры перерабатываемого газа ниже максимальной температуры на входе в подог-установку с водяным паром с огневым обогревом при длительной работе, дополнительное преимущество промежуточной реформинг -установки состоит в размещении установки вне канала отходящего газа. Чтобы компенсировать уменьшение активности в каталитическом подогреваемом змеевике, которое описано выше, необходимо заменять или реактивировать отработанный катализатор выше по ходу потока реформинг-установки с водяным паром с огневым обогревом. Как указано ранее, замена отработанного катализатора, нанесенного в виде тонкой пленки в змеевике внутри канала отходящего газа, является длительной и дорогой операцией.
При размещении промежуточной каталитической установки вне канала отходящего газа отработанный катализатор тогда заменяют в промежуточной реформинг-установке, и операция замены существенно упрощается.
В системе, где каталитический предварительно подогреваемый змеевик сконструирован так, что перерабатываемый газ, покидающий змеевик, находится в химическом равновесии при желаемой температуре на выходе, промежуточная реформинг-установка, когда ее эксплуатируют в адиабатическом режиме, не будет изменять температуру или состав газа. Поскольку катализатор в каталитическом предварительно подогреваемом змеевике дезактивируется, химические реакции не будут находиться в равновесии. Это означает, что меньшее количество тепла используется для проведения эндотермической реакции реформинга с водяным паром, и при данном фактически неизменном количестве тепла, переносимом к каталитическому подогреваемому змеевику, большее количество тепла пригодно для нагревания. Это приводит к повышенной температуре на выходе из змеевика. В этом случае промежуточная реформинг-установка будет давать состав газа, близкий к равновесию, тем самым охлаждая газ до температуры, близкой к желаемой температуре, достигаемой до дезактивации катализатора в каталитическом подогреваемом змеевике.
Однако, когда дезактивация катализатора в каталитическом подогреваемом змеевике становится существенной, повышение получаемой температуры становится проблемой. Температура предварительно подогреваемого змеевика повышается и может превышать предусмотренную температуру, что дает меньшую движущую силу для теплопередачи от отходящего газа, приводя к меньшей передаваемой мощности, вследствие чего падает производительность всей системы реформинга. Использование промежуточной реформинг-установки не решает эти проблемы, и замена тонкой пленки катализатора, нанесенной на стенку предварительно подогреваемого змеевика, становится необходимой.
Способы, описанные в европейских заявках на патент 855366 и 1069070, оба имеют недостаток, состоящий в трудности замены тонкой пленки катализатора на стенке каталитического предварительно подогреваемого змеевика в канале отходящего газа. Европейская заявка на патент 1069070 описывает частичное решение этой проблемы, которое продлевает срок службы тонкой пленки катализатора на стенке предварительно подогреваемого змеевика в секции бросового тепла. Однако дезактивация тонкой пленки катализатора на стенке предварительно подогреваемого змеевика в секции бросового тепла, как ожидается со временем, в конечном счете, потребует замены этого катализатора. Как объяснялось выше, эта операция нежелательна, поскольку она требует времени и является дорогостоящей.
Патент США US 3743488 описывает способ, в котором смесь углеводорода с водяным паром повторно нагревают в потоке отходящего газа, и она реагирует в адиабатических реакторах, вне потока отходящего газа, с гранулами катализатора реформинга с водяным паром. Этот подход обеспечивает более легкий доступ для замены катализатора во внешних реакторах. Однако использование нескольких адиабатических реакционных сосудов является слишком дорогим решением.
Способ, описанный в патенте США US 4959079, разработан с целью улучшенного использования тепла горячего газа, отходящего от реформинг-установки с водяным паром с огневым обогревом. В этом способе перерабатываемый газ для реформинг-установки с водяным паром частично подвергают реформингу в предварительно подогреваемой части трубы реформинг-установки, которая выходит из камеры подогрева. Ценное тепло отходящего газа тогда переносится перерабатываемым газом и поглощается им через эндотермические реакции реформинга с водяным паром. Однако теплообмен в противотоке между отходящим газом и трубой реформинг-установки является слабым. Введение ребер на трубу реформинга увеличивает теплопередачу. Несмотря на это, возможное количество передаваемого тепла относительно ограничено, если длину трубы реформинг-установки необходимо сохранять приемлемой.
Способ по изобретению решает проблемы, встречающиеся в предшествующем уровне техники, предоставляя улучшенный процесс, включающий стадию реформинга с водяным паром и/или CO2 смеси углеводорода с водяным паром при контакте с твердым катализатором, имеющим активность в реформинге с водяным паром. Твердый катализатор располагают в системе труб из системы подогреваемого отходящим газом змеевика, составляющего реформинг-установку с нагретым водяным паром. Затем отходящий газ из реформинг-установки с нагретым водяным паром контактирует с катализатором реформинга с водяным паром в реформинг-установке с водяным паром с огневым обогревом. При расположении катализатора реформинга с водяным паром реформинг-установки с нагретым водяным паром в виде удаляемых структурированных катализаторов или гранул катализатора в системе труб реформинг-установки с нагретым водяным паром достигается легкая замена катализатора и в то же самое время достигается улучшенное использование тепла, содержащегося в отходящем газе реформинг-установки с водяным паром.
Следовательно, изобретение относится к способу получения синтез-газа каталитическим реформингом с водяным паром и/или CO2 углеводородного сырья, включающему следующие стадии:
(а) нагревание реакционной смеси из углеводорода и водяного пара и/или CO2 в реформинг-установке с нагретым водяным паром, объединенной с секцией отходящего газа, содержащего бросовое тепло, трубчатой реформинг-установки с огневым обогревом, в которой происходит реформинг реакционной смеси при контакте с твердым катализатором реформинга,
(б) подача частично подвергнутой реформингу с водяным паром смеси в трубчатую реформинг-установку с огневым обогревом и дальнейший реформинг смеси до желаемых состава и температуры, где реформинг-установка с нагретым водяным паром включает систему труб, содержащую реакционные секции с твердым катализатором реформинга, представляющим собой гранулы катализатора и/или каталитические структурированные элементы, причем система труб является частью системы трубопроводов для перерабатываемого газа, объединенной с секцией отходящего газа, содержащего бросовое тепло.
Изобретение также относится к устройству для получения синтез-газа в соответствии с указанным выше способом, включающему следующее:
(а) адиабатическую установку предварительного реформинга для необязательного предварительного реформинга смеси углеводорода и водяного пара и/или CO2,
(б) трубчатую реформинг-установку с огневым обогревом с секцией отходящего газа, содержащего бросовое тепло, для нагревания смеси из углеводорода и водяного пара и/или СО2, либо смеси, подвергнутой предварительному реформингу,
(в) реформинг-установку с нагретым водяным паром, объединенную с секцией газа, отходящего от трубчатой реформинг-установки с огневым обогревом и содержащего бросовое тепло, где реформинг-установка с нагретым водяным паром включает систему труб, содержащую реакционные секции с твердым катализатором реформинга, представляющего собой гранулы катализатора и/или каталитические структурированные элементы, причем система труб является частью системы труб для перерабатываемого газа, объединенной с секцией отходящего газа, содержащего бросовое тепло.
Различные варианты осуществления этого изобретения обеспечивают легкую замену каталитических структурированных элементов и/или гранул катализатора, помещенных в системе труб, эффективный теплообмен между отходящим газом и перерабатываемым газом и экономически привлекательный дизайн благодаря высокому уровню объединения функций.
Применение способа в соответствии с изобретением не ограничивается температурным интервалом 600°С-700°С.
Реформинг-установка с нагретым водяным паром расположена в системе труб для перерабатываемого газа и объединена с секцией отходящего газа, содержащего бросовое тепло, трубчатой реформинг-установки с огневым обогревом. Система труб может быть спроектирована различными способами. Нагретые секции могут состоять из нескольких параллельных труб, присоединенных к общим коллекторам подачи и продукта. Например, перерабатываемый газ входит в нагревающий змеевик через входной коллектор, за которым следует система в выходном коллекторе, помещенная вне нагревающей секции. Этот выходной коллектор присоединен к входному коллектору для следующей секции подогреваемого змеевика соединяющим элементом. Входной и выходной коллекторы и переходная зона между этими двумя коллекторами образуют адиабатические зоны, в которых могут происходить реакции, то есть адиабатические реакционные секции. Эти секции, таким образом, расположены вне нагревающей секции, то есть вне секции отходящего газа, содержащего бросовое тепло, в то время как часть системы труб для перерабатываемого газа объединена с секцией отходящего газа, содержащего бросовое тепло.
Входной и выходной коллекторы и, таким образом, адиабатические реакционные секции легко доступны, так как они помещаются вне секции отходящего газа, содержащего бросовое тепло. Замена каталитических структурированных элементов в адиабатических реакционных секциях, следовательно, является простым процессом.
В способе в соответствии с изобретением твердый катализатор включает каталитические средства в форме гранул катализатора и/или структурированных элементов с каталитическим слоем из катализатора реформинга с водяным паром. Каталитические структурированные элементы и/или гранулы катализатора помещают в любое место в нагреваемых секциях и в адиабатических реакционных секциях.
Термин каталитические структурированные элементы используют для каталитической системы, где слой катализатора зафиксирован на поверхности другого материала. Другой материал служит в качестве опорной структуры, придающей прочность системе. Это позволяет конструировать формы катализатора, которые не имели бы достаточной механической прочности сами по себе. Другой материал может быть, но не ограничивается этим, металлическим или керамическим. Конфигурации его могут включать, но не ограничивая этим, монолиты, складчатые структуры, структурированные элементы с высокой площадью поверхности, пены, пластины, структуры, присоединенные к стенке трубы, или другие подходящие формы.
Специфические структурные элементы могут быть охарактеризованы тем, что они являются устройствами, включающими множество слоев с каналами для потока, присутствующими между примыкающими слоями. Слои формируют таким образом, чтобы размещение примыкающих слоев вместе приводило к элементу, в котором каналы для потока могут, например, пересекаться друг с другом или могут образовывать прямые каналы. Структурированные элементы также описаны, например, в патентах США US 5536699, 4985230, европейских заявках на патент 396650, 433223 и 208929, которых все включены здесь в качестве ссылки.
Два типа структурированных элементов особенно пригодны для способа в соответствии с изобретением: элементы с прямыми каналами и складчатые элементы.
Элементы с прямыми каналами лучше всего подходят для адиабатических условий, и возможна различная геометрия этих элементов. Например, монолиты с прямыми каналами пригодны для использования в способе в соответствии с изобретением.
Складчатые элементы обеспечивают эффективную теплопередачу от стенки трубы к газовому потоку. Они также пригодны для использования в способе в соответствии с изобретением, особенно в нагреваемых секциях.
Другие каталитические структурированные элементы также могут быть применены в способе в соответствии с изобретением, такие как структурированные элементы с высокой площадью поверхности. Другие способы создания дополнительной активности катализатора в системе могут быть использованы в сочетании с гранулами катализатора и/или каталитическими структурированными элементами в способе в соответствии с изобретением, например, катализатор присоединяют к стенке трубы в виде тонкой пленки.
Может быть желательным фиксировать твердый катализатор реформинга (то есть каталитические структурированные элементы и/или гранулы катализатора) в таком положении, чтобы твердый катализатор не мог двигаться нежелательно, например в ходе работы установки. Это может быть достигнуто многими способами. Твердый катализатор может быть удержан на месте элементами, сконструированными для иммобилизации твердого катализатора (например, фиксированием твердого катализатора между экранами). Твердый катализатор также может быть установлен в положении, при котором он прикрепляется к стенке трубы системы труб в реакционных секциях реформинг-установки (например, временным прикреплением, позволяющим легкую замену).
В специфическом варианте осуществления изобретения первая секция реформинг-установки с нагретым водяным паром не содержит катализатора и функционирует как нагревающий змеевик. Нагретую реакционную смесь затем перемещают во вторую секцию реформинг-установки с нагретым водяным паром, содержащую катализатор, предназначенный для того чтобы обеспечить перерабатываемому газу достижение желаемых температуры выходящего газа и состава. Гранулы катализатора и/или каталитические структурированные элементы размещают в адиабатических реакционных секциях, а различные типы твердого катализатора реформинга – в нагреваемых частях второй секции реформинг-установки с нагретым водяным паром.
Одним из вариантов изобретения является реформинг-установка с нагретым водяным паром, состоящая из нескольких повторяющихся секций без катализатора с последующими секциями с катализатором. Это повторяющееся расположение может начинаться либо с секции без катализатора, либо с секции с катализатором. Аналогично последняя секция может быть либо без катализатора, либо последней секцией с катализатором, содержащей каталитические структурированные элементы или гранулы катализатора для адиабатических реакций.
Число нагревающих секций, за которыми следуют секции реформинга, содержащие каталитические элементы, может варьироваться в способе в соответствии с изобретением.
В другом варианте осуществления изобретения в реформинг-установке с нагретым водяным паром гранулы катализатора и/или каталитические структурированные элементы находятся в нагреваемых секциях и отделены, например, прокладками. Это позволяет более высокую степень свободы в конструировании системы для желательного падения давления и это отделяет используемый катализатор от требуемой области теплопередачи.
Любой из указанных выше типов катализатора может быть использован в сочетании.
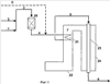
Фиг.1 показывает обычную систему с установкой предварительного реформинга, имеющую подогреваемую секцию и реформинг-установку.
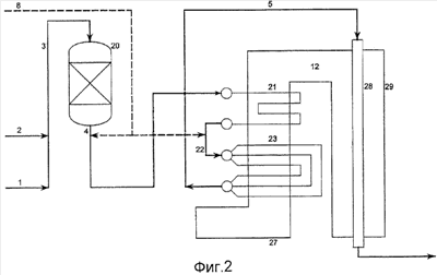
Фиг.2 показывает систему, представляющую вариант осуществления способа в соответствии с изобретением.
Фиг.1 изображает обычную систему, где перерабатываемый газ из углеводородного сырья [1] и водяного пара [2] вводят в установку предварительного реформинга [20] при температурах приблизительно от 450°С до 550°С. В реакциях реформинга с водяным паром, протекающих в установке предварительного реформинга, температура в перерабатываемом газе обычно слегка уменьшается или увеличивается при проведении процесса предварительного реформинга в зависимости от углеводородного сырья, это фактически является адиабатическим процессом. Поток продукта предварительного реформинга [4] и необязательно диоксид углерода [8] вводят в нагревающий змеевик. Необязательное добавление CO2 обозначено штриховой линией.
На заводах получения синтез-газа перерабатываемый газ, подвергнутый предварительному реформингу, к которому может быть добавлен водяной пар и/или CO2, затем подогревают до желаемой температуры входа в реформинг-установку с водяным паром с огневым обогревом [24] путем теплообмена с горячим газом [7], отходящим от реформинг-установки с огневым обогревом [24]. Обычная температура на входе в промышленную реформинг-установку лежит между 500°С и 700°С.
Фиг.2 иллюстрирует вариант осуществления изобретения, где реформинг-установка с нагретым водяным паром состоит из одной секции нагрева без катализатора [21] и одной секции с катализатором [23].
Углеводородное сырье [1] смешивают с технологическим паром [2], получая поток [3] в адиабатическую установку предварительного реформинга [20]. Эта стадия является необязательной и может быть опущена, если она не требуется. Водяной пар и/или CO2 [8] затем могут быть добавлены, если желательно, к потоку продукта предварительного реформинга [4] либо в случае, где предварительный реформинг не требуется, к исходному потоку углеводорода и водяного пара [3]. Эта смесь затем входит в нагревающую секцию без катализатора реформинг-установки с нагретым водяным паром [21], объединенную с секцией газа [27], отходящего от трубчатой реформинг-установки с огневым обогревом [29], используя тепло отходящего газа
[12], чтобы нагревать перерабатываемый поток. В нагревающей секции [21] поток, подвергнутый предварительному реформингу [4], нагревают до, например, 600°С-700°С перед его сбором в системе коллектора [22]. Система коллектора [22] представляет собой адиабатическую реакционную зону и содержит гранулы катализатора реформинга с водяным паром или структурированные каталитические элементы катализатора реформинга с водяным паром. Нагретый поток [4] затем подают к нагревающей секции с твердым катализатором реформинга, например гранулами катализатора, из реформинг-установки с нагретым водяным паром [23], объединенной с секцией отходящего газа [27]. Диоксид углерода [8] может быть добавлен к смеси, если требуется, в этой точке. Дополнительное тепло передается от отходящего газа к перерабатываемому газу, и это тепло используют для реформинга содержащегося углеводорода из потока перерабатываемого газа, формируя поток [5].
В этом варианте осуществления изобретения реформинг-установка с нагретым водяным паром включает секции [21] и [23] и систему коллектора [22].
Еще несколько нагревательных секций и реакционных секций могут быть включены в этой точке. Число нагревательных секций и реакционных секций зависит от желаемого эффекта, например, состава газа или равновесной температуры газа.
Если желательно, водяной пар и/или CO2 [8] могут быть добавлены в каждую секцию и/или систему коллектора реформинг-установки с нагретым водяным паром.
Если не требуются следующие нагревательные секции и реакционные секции, водяной пар [5] подают в трубы реформинга [28], расположенные в реформинг-установке с огневым обогревом [29]. Здесь дополнительное тепло добавляют к процессу сжиганием топлива и собирают желаемый продукт реформинга из труб реформинга.
Подходящий структурированный элемент, используемый в варианте осуществления изобретения, описанном выше, представляет собой складчатый элемент.
Преимуществ устройства и способа в соответствии с изобретением несколько. Наиболее важным преимуществом является то, что твердый катализатор реформинга может легко быть заменен, потому что он находится в легко доступных трубах и присутствует только в трубах в тех местах, где это требуется. В способе в соответствии с изобретением количество катализатора, необходимого для процесса, совершенно не зависит от необходимой площади теплопередачи.
Примеры
Пример 1
Было произведено сравнение количества катализатора, требуемого в способе в соответствии с изобретением, по сравнению с обычным способом.
Обычный процесс проводили, подавая углеводород и водяной пар в установку предварительного реформинга, с последующим нагревом в змеевике в секции отходящего газа, содержащего бросовое тепло, трубчатой реформинг-установки. Первоначально подаваемое сырье нагревали перед пропусканием через первый адиабатический реактор, содержащий гранулы катализатора реформинга с водяным паром. Затем смесь подогревали и вновь подвергали реакции, число повторяющихся стадий подогрева и реакции проводили всего до четырех стадий подогрева и четырех реакционных стадий.
В способе в соответствии с изобретением сырье, состоящее из углеводорода и водяного пара, вводили в установку предварительного реформинга с последующим пропусканием через систему труб, составляющую реформинг-установку с нагретым водяным паром, объединенную с секцией отходящего газа, содержащего бросовое тепло, трубчатой реформинг-установки. Первоначально подаваемое сырье нагревали перед пропусканием через первую адиабатическую систему коллектора, содержащую каталитический структурированный элемент и дополняющую реакционную секцию. Затем смесь подогревали и вновь подвергали реакции, число повторяющихся стадий подогрева и реакции проводили всего до четырех стадий подогрева и четырех реакционных стадий.
Начальная температура на входе в первый подогревающий змеевик после установки предварительного реформинга составляла 450°С, а конечная температура на выходе составляла 650°С для обеих систем. Подачу в обе системы осуществляли со скоростью потока 270 м3 при н.у./ч, с которой и подавали в две системы реформинга с водяным паром, а продукт удаляли со скоростью 319 м3 при н.у./ч. Скорость потока по углероду составляла 100 м3 при н.у./ч. Объемная скорость обычного процесса была 10000-15000 м3 при н.у. C1/ч на м3 катализатора. В способе в соответствии с изобретением объемная скорость может быть увеличена до 100000-1000000 м3 при н.у. C1/ч на м3 катализатора, поскольку катализатор нанесен на структурированный элемент.
Количество катализатора, использованного в способе в соответствии с изобретением, составляло 0,1-1,0 кг, в то время как в обычном процессе использовали 6,7-10 кг.
Способ в соответствии с изобретением позволяет использовать величины на порядки меньшего количества катализатора, позволяя упрощать конструкцию, что приводит к превосходной экономии.
Пример 2
Этот пример основан на системах, изображенных на фиг.1 и 2, без добавки CO2. Агрегат бросового тепла был помещен в секцию отходящего газа реформинг-установки, чтобы получить полную энергетическую эффективность при рекуперации тепла отходящего газа.
Числа, показанные в таблице, указывают, что достижимо существенное сохранение энергии при использовании способа в соответствии с изобретением.
| Сравнение распределения нагрузки в обычном процессе по сравнению со способом в соответствии с изобретением |
 |
Обычный |
В соответствии с изобретением |
| Нагрузка первичной реформинг-установки, Гкал/ч |
40,3 |
33,6 |
| Нагрузка подогреваемого змеевика, Гкал/ч |
5,3 |
не опр. |
| Нагрузка подогреваемого змеевика реформинг-установки с водяным паром, Гкал/ч |
не опр. |
12,0 |
| Полная нагрузка реформинг-установки, Гкал/ч |
45,6 |
45,6 |
| Скорость потока отходящего газа, м3 при н.у./ч |
105166 |
92054 |
| Нагрузка агрегата бросового тепла, Гкал/ч |
9,8 |
2,0 |
Результаты показали, что нагрузка, требуемая реформинг-установкой, была намного меньше в случае, когда использовали способ в соответствии с изобретением. Следовательно, может быть использована меньшая реформинг-установка в способе в соответствии с изобретением. Количество генерированного водяного пара также было меньше в дополнение к снижению скорости потока отходящего газа. В целом достигнута существенная экономия.
Формула изобретения
1. Способ получения синтез-газа каталитическим реформингом с водяным паром и/или CO2 углеводородного сырья, заключающийся в том, что проводят следующие стадии: (а) нагревание реакционной смеси углеводорода и водяного пара и/или СО2 в нагретой водяным паром реформинг-установке, объединенной с секцией рекуперации тепла отходящего газа трубчатой реформинг-установки с огневым обогревом, в которой происходит реформинг реакционной смеси при контакте с твердым катализатором реформинга, (б) подача частично подвергнутой реформингу с водяным паром смеси в трубчатую реформинг-установку с огневым обогревом и затем реформинг этой смеси до желаемого состава и желаемой температуры, при этом реформинг-установка с нагретым водяным паром включает трубную систему, содержащую реакционные секции с твердым катализатором реформинга, состоящим из гранул катализатора и/или каталитических структурированных элементов, причем трубная система является частью трубной системы для перерабатываемого газа, объединенной с секцией рекуперации тепла отходящего газа.
2. Способ по п.1, где реформинг-установка с нагретым водяным паром включает секции нагрева с твердым катализатором реформинга или без него и адиабатические реакционные секции, содержащие каталитические структурированные элементы, покрытые слоем катализатора реформинга с водяным паром, причем обе секции являются частью трубной системы для перерабатываемого газа, объединенной с секцией рекуперации тепла отходящего газа.
3. Способ по п.1, где реформинг-установка с нагретым водяным паром включает нагреваемые реакционные секции с гранулами катализатора, причем нагреваемые секции являются частью трубной системы для перерабатываемого газа, объединенной с секцией рекуперации тепла отходящего газа.
4. Способ по пп.1, 2 или 3, где реакционную смесь углеводорода и водяного пара и/или CO2 подвергают предварительному реформингу перед стадией нагревания (а).
5. Способ по пп.1, 2 или 3, где структурированный элемент представляет собой монолит или складчатую структуру.
6. Способ по п.2, где водяной пар и/или диоксид углерода добавляют в адиабатические реакционные секции.
7. Способ по пп.1, 2, 3 или 4, где реакционные секции также содержат катализатор реформинга с водяным паром, прикрепленный к стенке трубы, или катализатор, прикрепленный к структурам, прикрепленным к стенке трубы.
8. Устройство для получения синтез-газа по п.1, включающее следующее: (а) установку адиабатического предварительного реформинга для необязательного предварительного реформинга смеси углеводорода и водяного пара и/или СО2, (б) трубчатую реформинг-установку с огневым обогревом с секцией рекуперации тепла отходящего газа для нагревания смеси углеводорода и водяного пара и/или СО2 или смеси, подвергнутой предварительному реформингу, (в) реформинг-установку с нагретым водяным паром, объединенную с секцией рекуперации тепла отходящего газа трубчатой реформинг-установки с огневым обогревом, где реформинг-установка с нагретым водяным паром включает трубную систему, содержащую реакционные секции с твердым катализатором реформинга, состоящим из гранул: катализатора и/или каталитических структурированных элементов, причем трубная система является частью трубной системы для перерабатываемого газа, объединенной с секцией рекуперации тепла отходящего газа.
9. Устройство по п.8, где твердый катализатор установлен в нагреваемых реакционных секциях и/или в адиабатических реакционных секциях реформинг-установки с нагретым водяным паром.
РИСУНКИ
|
|