|
|
(21), (22) Заявка: 2007146746/11, 14.12.2007
(24) Дата начала отсчета срока действия патента:
14.12.2007
(46) Опубликовано: 10.05.2009
(56) Список документов, цитированных в отчете о поиске:
RU 2309087 С2, 27.10.2007. GB 2050261 A1, 07.01.1981. US 2005133664 C1, 23.06.2005. RU 2100251 C1, 27.12.1997. US 5715675 A1, 10.02.1998. US 5572864 A1, 12.11.1996. RU 2165867 С2, 27.04.2001.
Адрес для переписки:
404110, Волгоградская обл., г. Волжский, ул. Свердлова, 37, кв.3, Э.Д.Житникову
|
(72) Автор(ы):
Житников Эдуард Дмитриевич (RU)
(73) Патентообладатель(и):
Житников Эдуард Дмитриевич (RU)
|
(54) НЕСУЩИЙ БЛОК ЛЕТАТЕЛЬНОГО АППАРАТА
(57) Реферат:
Изобретение относится к авиационно-космической технике, а именно к конструкции несущего блока летательного аппарата. Несущий блок летательного аппарата (1-й вариант) включает реактивный или гибридный реактивно-ракетный двигатель, снабженный щелевым соплом, крыло, расположенное за щелевым соплом в зоне действия газового потока, обтекающего панели крыла, и навешенное на гондолу двигателя посредством горизонтальных шарниров с возможностью менять угол атаки крыла относительно направления газового потока, для создания управляемой подъемной силы несущего блока. Несущий блок летательного аппарата (2-й вариант) включает гибридный двигатель и крыло, причем двигатель снабжен четырьмя противоположно направленными щелевыми соплами и установлен внутри разрезанного на четыре сегмента кольцевого крыла, с возможностью менять угол атаки сегментов относительно направления газового потока для создания подъемной силы, перемещающей аппарат исключительно в вертикальном направлении. Несущий блок снабжен двумя системами питания, обеспечивающими работу двигателя на керосине и кислороде, а также на ракетном топливе с окислителем для полета в безвоздушном пространстве. Достигается создание дополнительной подъемной силы летательного аппарата, находящегося в условиях разреженной атмосферы или в безвоздушном пространстве. 2 н. и 2 з.п. ф-лы, 3 ил.
Изобретение относится к авиации, в частности к конструкции устройств, создающих подъемную силу летательных аппаратов.
Известны такие несущие элементы конструкции самолетов и вертолетов, как крылья и винты, создающие подъемную силу.
Из уровня техники известен ракетоноситель горизонтального взлета (РГВ «Витязь») из патента RU 2309087 С2, кл. В64С 29/00, 27.10.2007, прототип, содержащий несущий силовой корпус, ракетные двигатели и авиационные крылья. Ракетные двигатели частью расположены в кормовом отсеке, а частью разнесены вдоль оси корпуса. Камеры сгорания двигателей вынесены на боковые наружные поверхности корпуса и способны создавать силу тяги для движения вперед горизонтально. После камер сгорания на пути газового потока из двигателей установлены аэродинамические решетчато-щелевые модули, создающие под воздействием указанного, а также набегающего воздушного потоков подъемную силу, превышающую вес РГВ. РГВ снабжен системой его удержания от движения вперед до подъема на предстартовую высоту. На корпусе закреплено складное или цельное авиационное крыло для планирования, а в носовой и кормовой частях корпуса расположены цельноповоротные аэродинамические крылья для управления по высоте. Два или более РГВ могут компоноваться в один блок. На корпусе РГВ могут быть установлены авиационные двигатели для перелетов в атмосфере, а также, при необходимости, системы самообороны и самонаводящиеся на цели системы. Существенные признаки приведенного изобретения: на стартовой позиции РГВ располагается горизонтально, уходит в горизонтальный полет по маршруту; камеры сгорания РД, боковые и кормовые, создают горизонтальную, по оси корпуса, тягу для движения вперед; решетчато-щелевые модули вторично используют скоростной поток газов, отработавших в РД при создании горизонтальной тяги, и создают аэродинамическую подъемную силу, способную поднять РГВ над стартовой площадкой.
Достигается повышение КПД пуска, повышение вероятности успеха при доставке полезного груза на другой континент, повышении мобильности старта РГВ, а также повышение экономичности вывода полезного груза на орбиту Земли.
Недостаток технического решения состоит в том, что эффективно работать оно может только находясь в плотных слоях атмосферы, а в условиях разреженной атмосферы и в безвоздушном пространстве ни крылья ни несущие винты подъемной силы не создают.
Задача изобретения – разработать конструкцию устройства, способного создавать подъемную силу летательного аппарата, находящегося в условиях разреженной атмосферы или в безвоздушном пространстве.
Требуемый технический результат, достигается разработкой конструкции несущего блока, включающего реактивный или гибридный реактивно-ракетный двигатель, за щелевым соплом которого на уровне действия газового потока располагается закрепленное на гондоле двигателя поддерживающее крыло, изготовленное из жаропрочной стали.
Создаваемый двигателем газовый поток обтекает крыло и за счет разности давления движущегося газа на верхнюю и нижнюю панели крыла создает подъемную силу, поднимающую подвешенный под крылом летательный аппарат в разреженные слои атмосферы и в безвоздушное пространство.
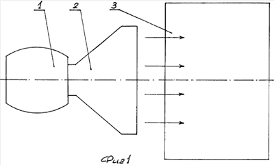
На фиг.1 схематично изображен несущий блок предложенной конструкции. Вид в плане.
На фиг.2 изображен несущий блок. Вид сбоку.
На фиг.3 изображен несущий блок, предназначенный исключительно для вертикального перемещения и зависания летательного аппарата. Вид в плане.
Несущий блок летательного аппарата включает гибридный реактивно-ракетный двигатель 2 и крыло 3, причем двигатель снабжен щелевым соплом, а крыло 3 расположено за щелевым соплом, в зоне действия газового потока, обтекающего панели крыла, и навешено на гондолу 1 двигателя посредством горизонтальных шарниров с возможностью менять угол атаки крыла относительно направления газового потока для создания управляемой подъемной силы несущего блока.
Упомянутые выше консоли и шарниры на чертежах не показаны.
Гибридный двигатель 2 снабжен двумя системами питания, которые обеспечивают работу двигателя как на керосине и кислороде воздуха при полете в плотных слоях атмосферы, так и на ракетном топливе с окислителем при полете в безвоздушном пространстве.
Гондолы 1 несущих блоков попарно или в любом ином сочетании навешиваются посредством вертикальных шарниров на фюзеляж летательного аппарата. Подобная шарнирная подвеска крыла 3 к гондолам 1 и гондол к фюзеляжу летательного аппарата позволяет управлять летательным аппаратом, обеспечивая вертикальный взлет, режим зависания и поступательный полет.
Изображенный на фиг.3 несущий блок летательного аппарата включает гибридный двигатель 5, снабженный двумя системами питания, которые обеспечивают работу двигателя как на керосине и кислороде воздуха в плотных слоях атмосферы, так и на ракетном топливе с окислителем для полета в безвоздушном пространстве, а также четырьмя противоположно направленными щелевыми соплами.
Двигатель 5 установлен внутри разрезанного на четыре сегмента кольцевого крыла 4 с возможностью менять угол атаки сегментов относительно направления газового потока, для создания подъемной силы, перемещающей летательный аппарата исключительно в вертикальном направлении.
Предполагается, что несущие блоки предложенной конструкции могут быть использованы для создания дополнительной подъемной силы вертолетов и самолетов, а также для создания летательных аппаратов нового типа, способных летать в безвоздушном пространстве.
Формула изобретения
1. Несущий блок летательного аппарата, включающий гибридный реактивно-ракетный двигатель и крыло, причем двигатель снабжен щелевым соплом, а крыло расположено за щелевым соплом, в зоне действия газового потока, обтекающего панели крыла, и навешено на гондолу двигателя посредством горизонтальных шарниров с возможностью менять угол атаки крыла относительно направления газового потока, для создания управляемой подъемной силы несущего блока.
2. Несущий блок летательного аппарата по п.1, включающий гибридный двигатель, снабженный двумя системами питания, которые обеспечивают работу двигателя, как на керосине и кислороде воздуха в плотных слоях атмосферы, так и на ракетном топливе с окислителем для полета в безвоздушном пространстве.
3. Несущий блок летательного аппарата, включающий гибридный двигатель и крыло, причем двигатель снабжен четырьмя противоположно направленными щелевыми соплами и установлен внутри разрезанного на четыре сегмента кольцевого крыла, с возможностью менять угол атаки сегментов относительно направления газового потока для создания подъемной силы, перемещающей летательный аппарат исключительно в вертикальном направлении.
4. Несущий блок летательного аппарат по п.3, включающий гибридный двигатель, снабженный двумя системами питания, которые обеспечивают работу двигателя, как на керосине и кислороде воздуха в плотных слоях атмосферы, так и на ракетном топливе с окислителем для полета в безвоздушном пространстве.
РИСУНКИ
|
|