|
|
(21), (22) Заявка: 2007143704/11, 26.11.2007
(24) Дата начала отсчета срока действия патента:
26.11.2007
(46) Опубликовано: 10.05.2009
(56) Список документов, цитированных в отчете о поиске:
RU 2248295 С1, 20.03.2005. RU 2031033 C1, 20.03.1995. SU 1527069 A1, 07.12.1989. GB 1297854 A, 29.11.1972.
Адрес для переписки:
603004, г.Нижний Новгород, пр. Ленина, ОАО “ГАЗ”, УИС
|
(72) Автор(ы):
Малышев Юрий Владимирович (RU), Королев Юрий Николаевич (RU), Анисимов Станислав Валентинович (RU)
(73) Патентообладатель(и):
Открытое акционерное общество “ГАЗ” (ОАО “ГАЗ”) (RU), Открытое акционерное общество “Арзамасский машиностроительный завод” (ОАО “АМЗ”) (RU)
|
(54) ГИДРОСИСТЕМА УПРАВЛЕНИЯ КОЛЕСНЫМ ТРАНСПОРТНЫМ СРЕДСТВОМ
(57) Реферат:
Изобретение относится к транспортному машиностроению, в частности к гидравлическим системам управления транспортными средствами, преимущественно к бронированным колесным машинам. Гидросистема содержит гидравлический насос с приводом от двигателя, секционный распределитель с электроуправлением, клапан гидроусилителя руля, гидробак и клапан с электроуправлением. Клапан гидроусилителя руля кинематически связан с рулевым колесом, а гидравлически – с полостями гидроцилиндров гидроусилителя руля с одной стороны и входной магистралью секционного распределителя с электроуправлением с другой стороны. Клапан с электроуправлением гидравлически связан с клапаном гидроусилителя руля и гидробаком и электрически соединен с органом управления секционным распределителем с электроуправлением. Это позволяет снизить сопротивления в сливной магистрали гидросистемы, исключить возможность несанкционированного включения в работу дополнительных потребителей. 1 ил.
Изобретение относится к транспортному машиностроению, в частности к гидравлическим системам управления колесными транспортными средствами, преимущественно к вездеходным бронированным колесным машинам.
Известна гидросистема управления транспортным средством, содержащая гидравлический насос с приводом от двигателя, секционный распределитель с электроуправлением, распределитель (клапан) гидроусилителя руля, кинематически связанный с рулевым колесом, а гидравлически – с полостями гидроцилиндров гидроусилителя руля с одной стороны и входной магистралью секционного распределителя с электроуправлением с другой стороны, и гидробак [1].
Недостатком известной системы рулевого управления является наличие в сливной магистрали дополнительного сопротивления (подпора) от установленного в ней секционного распределителя с электроуправлением, выход из строя гидроусилителя руля из-за перекрытия сливной магистрали при повреждении секционного распределителя с электроуправлением, а также возможность его несанкционированного включения на работу дополнительных потребителей.
Технический результат, достигаемый заявляемым решением, заключается в устранении указанных недостатков.
Указанный результат достигается тем, что гидросистема, содержащая гидравлический насос с приводом от двигателя, секционный распределитель с электроуправлением, распределитель (клапан) гидроусилителя руля, кинематически связанный с рулевым колесом, а гидравлически – с полостями гидроцилиндров гидроусилителя руля с одной стороны и входной магистралью секционного распределителя с электроуправлением с другой стороны, и гидробак, снабжена клапаном с электроуправлением, гидравлически связанным с клапаном гидроусилителя руля с одной стороны и гидробаком с другой стороны и электрически соединенным с органом управления секционным распределителем с электроуправлением.
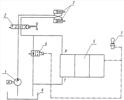
Заявляемое техническое решение иллюстрируется чертежом, на котором представлена схема гидросистемы управления колесным транспортным средством.
Гидросистема управления колесным транспортным средством содержит гидравлический насос 1 с приводом от двигателя, клапан 2 гидроусилителя руля, кинематически связанный с рулевым колесом, гидроцилиндры 3 гидроусилителя руля, клапан с электроуправлением 4, секционный распределитель с электроуправлением 5, гидробак 6.
Клапан с электроуправлением 4 гидравлически соединен с выходной (сливной) магистралью клапана 2 гидроусилителя руля с одной стороны и гидробаком 6 с другой стороны, а электрически – с пультом управления 7 секционным распределителем с электроуправлением 5.
Работает система следующим образом.
Давление, создаваемое гидравлическим насосом 1, подается в нагнетательную магистраль клапана 2 гидроусилителя руля. Далее в зависимости от положения клапана 2 рабочая жидкость поступает в ту или иную полости гидроцилиндров 3 гидроусилителя руля или в напорные магистрали клапана с электроуправлением 4 и секционного распределителя с электроуправлением 5. Из выходной полости клапана с электроуправлением 4 и сливной полости секционного распределителя с электроуправлением 5 рабочая жидкость поступает в гидробак 6. Клапан с электроуправлением 4 постоянно открыт.Таким образом обеспечивается дополнительное «отверстие» и снижение сопротивления в сливной магистрали.
Для работы дополнительных гидроприводов с пульта управления 7 подается сигнал на перекрытие клапана с электроуправлением 4, и вся рабочая жидкость начинает поступать в напорную магистраль секционного распределителя с электроуправлением 5, а далее в дополнительные гидроприводы и через сливную полость секционного распределителя с электроуправлением 5 в гидробак 6. При повреждении секционного распределителя с электроуправлением 5 по команде с пульта управления 7 открывается клапан 4, и вся рабочая жидкость через него поступает в гидробак 6.
В случае несанкционированного включения секционного распределителя с электроуправлением 5 работа дополнительных гидроприводов невозможна, так как клапан с электроуправлением 4 постоянно открыт, и рабочая жидкость, минуя секционный распределитель с электроуправлением 5, будет поступать в гидробак 6.
Таким образом, заявляемая гидравлическая система управления колесным транспортным средством, благодаря наличию клапана с электроуправлением и его связи с остальными элементами системы, обеспечивает надежную работу гидроусилителя руля, улучшает характеристики гидросистемы за счет снижения сопротивления в сливной магистрали, позволяет исключить несанкционированное включение дополнительных гидроприводов.
Источники информации
1. Гидросистема управления транспортным средством. Патент RU 2248295 от 20.03.2005 г.
Формула изобретения
Гидросистема управления колесным транспортным средством, содержащая гидравлический насос с приводом от двигателя, секционный распределитель с электроуправлением, распределитель (клапан) гидроусилителя руля, кинематически связанный с рулевым колесом, а гидравлически – с полостями гидроцилиндров гидроусилителя руля с одной стороны и входной магистралью секционного распределителя с электроуправлением с другой стороны, и гидробак, отличающаяся тем, что она снабжена клапаном с электроуправлением, гидравлически связанным с клапаном гидроусилителя руля с одной стороны и гидробаком с другой стороны и электрически соединенным с органом управления секционным распределителем с электроуправлением.
РИСУНКИ
|
|