|
|
(21), (22) Заявка: 2007121027/11, 04.06.2007
(24) Дата начала отсчета срока действия патента:
04.06.2007
(43) Дата публикации заявки: 10.12.2008
(46) Опубликовано: 10.05.2009
(56) Список документов, цитированных в отчете о поиске:
RU 2273586 C1, 10.04.2006. RU 2243918 C2, 26.02.2002. RU 2236972 C2, 27.09.2004. SU 785797 A1, 27.12.1980.
Адрес для переписки:
443066, г.Самара, 1-й Безымянный пер., 18, СамГУПС, патентый отдел
|
(72) Автор(ы):
Полевой Юрий Иосифович (RU), Полевая Людмила Владимировна (RU), Аграфенин Денис Владимирович (RU)
(73) Патентообладатель(и):
Государственное образовательное учреждение высшего профессионального образования “Самарский государственный университет путей сообщения” (СамГУПС) (RU)
|
(54) СПОСОБ ПЕРЕДАЧИ ИНФОРМАЦИИ НА ПОДВИЖНОЙ СОСТАВ И УСТРОЙСТВО ДЛЯ ЕГО ОСУЩЕСТВЛЕНИЯ
(57) Реферат:
Изобретение относится к железнодорожной технике, а именно к железнодорожной автоматике и телемеханике для интервального регулирования движения поездов. Способ передачи информации на подвижной состав заключается в трансляции кодовых импульсов в рельсовые цепи с момента их занятия, причем предусмотрена принудительная установка электронного кодово-путевого трансмиттера в позицию, при которой трансляция первого кодового цикла КЖ, Ж, З в рельсовые цепи начинается с длинного интервала. Устройство передачи информации на подвижной состав состоит из электронного кодово-путевого трансмиттера (14), который содержит датчик импульсов, состоящий из источника питания переменного тока и триггера Шмидта (27), трансформатор (26), счетчики (28 и 30), логические элементы И (29, 31, 33, 34). Оно дополнительно снабжено дешифратором (32), пятым логическим элементом И (35), усилителем (36), и резистором (18), и схемой подключения трансмиттера, которая содержит контакты путевых и сигнальных реле, обмотку трансмиттерного реле (15). Техническим результатом изобретения является повышение надежности передачи информации за счет исключения сбоев в работе автоматической локомотивной сигнализации при движении подвижной единицы по коротким рельсовым цепям. 2 н.п. ф-лы, 4 ил.
Изобретение относится к области железнодорожной автоматики и телемеханики, в частности к автоматической локомотивной сигнализации (АЛС).
Известен способ передачи информации на подвижной состав [Казаков А.А., Казаков Е.А. Автоблокировка, локомотивная сигнализация и автостопы. – М.: Транспорт, 1980, 360 стр.] (стр.29-30, рис.11, а) посредством кодово-путевого трансмиттера с непрерывно включенным мотором.
Недостаток известного способа состоит в том, что при следовании по коротким рельсовым цепям наблюдаются сбои в работе АЛС.
Наиболее близким по технической сущности к заявляемому способу является выбранный в качестве прототипа способ [Казаков А.А., Казаков Е.А. Автоблокировка, локомотивная сигнализация и автостопы. – М.: Транспорт, 1980, 360 стр.] (стр.267-270, рис.91), который основан на трансляции кодовых импульсов в рельсовую цепь с момента ее занятия (с момента размыкания фронтового контакта путевого реле). Устройство, которое предназначено для реализации упомянутого способа, содержит кодово-путевой трансмиттер (КПТ) (в данном примере два КПТ: КТ и КТК), трансмиттерное реле НГТ, контактом которого с участием контактов путевых реле (НАП, 1-5СП, 11СП ) в (станционные) рельсовые цепи транслируются импульсы кодового тока. Выбор кодов (КЖ, Ж, З) осуществляется контактами сигнальных реле (Н1С, Н1ЛС). В качестве прототипа электронного кодово-путевого трансмиттера (ЭКПТ) выбрано устройство по авторскому свидетельству 1630944 [авторское свидетельство 1630944. Полевого Ю.И., Алиева М.М., Кравцовой Н.А.. Устройство для передачи информации с пути на локомотив опубликовано 28.02.1991. Бюл. 8, 1991 г. МПК: B61L 3/20], схема которого содержит датчик импульсов, первый и второй счетчики, четыре логических элемента И.
Недостаток известного способа состоит в том, что при следовании по коротким рельсовым цепям наблюдаются сбои в работе АЛС. Устройство, выбранное в качестве прототипа, предназначено для контроля бдительности машиниста. Модификация (изменение схемы и дополнение новыми элементами) упомянутого устройства позволяет его использовать по новому назначению – передавать импульсы кодового тока АЛС так, чтобы исключить сбои в работе локомотивных устройств при следовании поезда по коротким рельсовым цепям.
Техническим результатом, на достижение которого направлено данное изобретение, является повышение надежности передачи информации за счет исключения сбоев в работе АЛС при движении подвижной единицы по коротким рельсовым цепям.
Технический результат достигается тем, что в способе передачи информации на подвижной состав, заключающемся в трансляции кодовых импульсов в рельсовые цепи с момента их занятия, предусмотрена принудительная установка (электронного) кодово-путевого трансмиттера в позицию, при которой трансляция первого кодового цикла (КЖ, Ж, З) в рельсовые (короткие станционные) цепи начинается с длинного интервала.
Устройство передачи информации на подвижной состав, состоящее из электронного кодово-путевого трансмиттера, который содержит датчик импульсов (источника питания переменного тока, трансформатор и триггер Шмидта), счетчики, логические элементы И, дополнительно снабжено дешифратором, пятым логическим элементом И, усилителем, и резистором, и схемой подключения трансмиттера, которая содержит контакты путевых и сигнальных реле, обмотку трансмиттерного реле. Причем к полюсам источника питания переменного напряжения (напряжение 220 V частотой 50 Гц) подсоединен вход трансформатора, выход которого соединен с входом триггера Шмидта, выход которого соединен с тактовым входом первого счетчика, второй и четвертый выходы которого соединены с входами первого логического элемента И, вход которого соединен со вторым входом сброса первого счетчика и тактовым входом второго счетчика, первый вход сброса которого соединен с первым входом сброса первого счетчика, первым установочным входом дешифратора, общим контактом четвертого путевого реле и первым полюсом резистора, второй полюс которого соединен с минусовым полюсом источника питания, тыловые контакты четвертого, третьего, второго и первого путевых реле соединены между собой и с фронтовым контактом первого путевого реле, а также с плюсовым полюсом источника питания, фронтовой контакт четвертого путевого реле соединен с общим контактом третьего путевого реле, фронтовой контакт которого соединен с общим контактом второго путевого реле, фронтовой контакт которого соединен с общим контактом первого путевого реле, второй вход сброса второго счетчика соединен с выходом второго логического элемента И и нулевым установочным входом демультиплексора, первый, второй, третий и четвертый выходы второго счетчика соединены соответственно с первым, вторым, третьим и четвертым входами демультиплексора, а второй, третий и четвертый выходы второго счетчика соединены с входами второго логического элемента И, пятый выход демультиплексора соединен с первым входом третьего логического элемента И, второй вход которого соединен с первым входом четвертого логического элемента И, седьмым входом пятого логического элемента И и шестым выходом демультиплексора, седьмой выход которого соединен с шестым входом пятого логического элемента И и вторым входом четвертого логического элемента И, третий вход которого соединен с девятым выходом демультиплексора, восьмой выход которого соединен с пятым входом пятого логического элемента И, четвертый вход которого соединен с четвертым входом четвертого логического элемента И и десятым выходом демультиплексора, одиннадцатый выход которого соединен с третьим входом пятого логического элемента И, второй вход которого соединен с пятым входом четвертого логического элемента И, третьим входом третьего логического элемента И и двенадцатым выходом демультиплексора, тринадцатый выход которого соединен с первым входом пятого логического элемента И, шестым входом четвертого логического элемента И и четвертым входом третьего логического элемента И, выход которого соединен с тыловым контактом реле желтого огня, фронтовой контакт которого соединен с общим контактом реле зеленого огня, фронтовой контакт которого соединен с выходом четвертого логического элемента И, а тыловой – с выходом пятого логического элемента И, общий контакт реле желтого огня соединен с входом усилителя, выход которого соединен с первым выводом обмотки трансмиттерного реле, второй вывод которой соединен с минусовым полюсом источника питания.
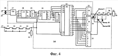
На фиг.1 представлена схема трансляции импульсов кодового тока в рельсовые цепи части горловины станции, участвующей в маршруте приема на главный путь, на фиг.2 изображена схема включения электронного кодово-путевого трансмиттера, на фиг.3 показана временная диаграмма кодовых импульсов КЖ, Ж и З, на фиг.4 представлена схема электронного кодово-путевого трансмиттера и схема его включения. На фиг.1 изображены в однониточном отображении: первая 1, вторая 2, третья 3, четвертая 4 рельсовые цепи (РЦ) горловины станции и рельсовая цепь приемоотправочного пути 5. Там же изображен входной светофор 6, первые контакты путевых реле первой РЦ 7, второй РЦ 8, третьей РЦ 9, четвертой РЦ 10, контакт трансмиттерного реле 11 и первый полюс источника переменного напряжения 12. На фиг.2 изображены: генератор тактовых импульсов 13, электронный кодово-путевой трансмиттер 14, трансмиттерное реле 15, минусовой 16 и плюсовой 17 полюса источника питания, резистор 18, вторые контакты путевых реле первой РЦ 19, второй РЦ 20, третьей РЦ 21, четвертой РЦ 22, контакты сигнальных реле зеленого огня 23 и желтого огня 24. На фиг.3 показаны обозначения тактовых импульсов 0т, 1т, 2т, 3т, 4т, 5т, 6т, 7т, 8т, 9т, 10т, 11т, 12т, 13т. На фиг.4 изображены: первый полюс источника переменного напряжения 12 (по фиг.1), трансмиттерное реле 15 (по фиг.2), минусовой и плюсовой полюса источника питания соответственно 16 и 17 (по фиг.2), резистор 18 (по фиг.2), вторые контакты путевых реле первой РЦ 19, второй РЦ 20, третьей РЦ 21, четвертой РЦ 22 (по фиг.2), контакты сигнальных реле зеленого и желтого огня 23 и 24 соответственно (по фиг.2), второй полюс источника переменного напряжения 25, трансформатор 26, триггер Шмидта 27, первый счетчик 28, первый логический элемент И 29, второй счетчик 30, второй логический элемент 31, демультиплексор 32, третий, четвертый и пятый логические элементы 33, 34 и 35 соответственно, усилитель 36, электронный кодово-путевой трансмиттер в сборе 14 (по фиг.2).
Элементы схем соединены следующим образом. С первым полюсом источника питания переменного напряжения 12 (фиг.1) соединен общий контакт трансмиттерного реле 11, фронтовой контакт которого соединен с общим контактом четвертого путевого реле 10, тыловой контакт которого создает цепь кодирования четвертой РЛ 4, а фронтовой контакт соединен с общим контактом путевого реле 9 третьей РЦ 3, фронтовой контакт которого соединен с общим контактом второго путевого реле 8, тыловой контакт которого создает цепь кодирования второй РЛ 2, а фронтовой контакт соединен с общим контактом путевого реле 7 первой РЦ 1, тыловой контакт которого создает цепь кодирования первой РЦ 1.
Выход генератора 13 (фиг.2) соединен с первым входом 1в трансмиттера 14, второй вход 2в которого соединен с первым полюсом резистора 18 и общим контактом четвертого путевого реле 22, фронтовой контакт которого соединен с общим контактом третьего путевого реле 21, фронтовой контакт которого соединен с общим контактом второго путевого реле 20, фронтовой контакт которого соединен с общим контактом первого путевого реле 20, фронтовой контакт которого соединен с общим контактом первого путевого реле 19, тыловые контакты путевых реле 22, 21, 20, 19 соединены между собой, с фронтовым контактом 19 и плюсовым полюсом источника питания 17, минусовой полюс 16 которого соединен со вторым выводом обмотки трансмиттерного реле 15 и вторым полюсом резистора 18. Вывод 3 трансмиттера 14 соединен с фронтовым контактом сигнального реле 23, тыловой контакт которого соединен с выводом 3 трансмиттера 14, а общий – с фронтовым контактом сигнального реле Ж 24, тыловой контакт которого соединен с выводом КЖ трансмиттера 14, а общий – с третьим выводом 3а трансмиттера 14, четвертый вывод 4в которого соединен с первым выводом обмотки трансмиттерного реле 15.
На фиг.3 представлена временная диаграмма кодовых импульсов кодов З, Ж и КЖ. Каждый такт продолжается 0,12 с (короткий интервал), весь кодовый цикл содержит 14 тактов (0, 1, 13) и продолжается 1,68 с. Код З состоит из трех импульсов и содержит такты 6т и 7т (первый импульс); 9т и 10т (второй импульс), 12т и 13т (третий импульс); код Ж состоит из двух импульсов и содержит такты 6т, 7т, 8т (первый импульс) и 10т, 11т, 12т, 13т (второй импульс); код КЖ состоит из одного импульса и содержит такты 5т, 6т (первый кодовый цикл); 12т, 13т (второй кодовый цикл).
На фиг.4 приведена схема электронного путевого трансмиттера (ЭКПТ) 14, схемы управления (элементы 12, 18, 19, 20, 21, 22, 23, 24, 25, 26) и включения трансмиттерного реле 15, элементы схемы соединены следующим образом: к полюсам источника переменного напряжения 12 и 25 подсоединен вход трансформатора 26, выход которого через первый вход ЭКПТ (1′, 1”) соединен с входом триггера Шмидта 27, выход которого соединен с тактовым входом первого счетчика 28, второй и четвертый выходы которого соединены с входами первого логического элемента И 29, выход которого соединен с тактовым входом второго счетчика 30 и вторым входом сброса первого счетчика 28, первый вход сброса которого соединен с первым установочным входом демультиплексора 32, первым входом сброса второго счетчика 30, первым полюсом резистора 18 и общим контактом четвертого путевого реле 22, первый, второй, третий и четвертый выходы второго счетчика 30 соединены с первым, вторым, третьим и четвертым входами демультиплексора 32, нулевой установочный вход которого соединен со вторым входом сброса второго счетчика 30 и выходом второго логического элемента И 31, первый, второй и третий входы которого соединены соответственно со вторым, третьим и четвертым выходами второго счетчика 30. Пятый выход демультиплексора 32 соединен с первым входом третьего логического элемента И 33, второй вход которого соединен с шестым выходом демультиплексора 32, седьмым входом пятого логического элемента И 35 и первым входом четвертого логического элемента И 34, второй вход которого соединен с шестым входом пятого логического элемента И 35 и седьмым выходом демультиплексора 32, восьмой выход которого соединен с пятым входом пятого логического элемента И 35, четвертый вход которого соединен с четверым входом четвертого логического элемента И 34 и десятым выходом демультиплексора 32, девятый выход которого соединен с третьим входом четвертого логического элемента И 34, пятый вход которого соединен с третьим входом третьего логического элемента И 33, вторым входом пятого логического элемента И 35 и двенадцатым выходом демультиплексора 32, одиннадцатый выход которого соединен с третьим входом пятого логического элемента И 35, а тринадцатый выход – с четвертым входом третьего логического элемента И 33, шестым входом четвертого логического элемента И 34 и первым входом пятого логического элемента И 35. Выход третьего логического элемента И 33 соединен с тыловым контактом сигнального реле Ж 24, фронтовой контакт которого соединен общим контактом сигнального реле З 23, фронтовой контакт которого соединен с выходом четвертого логического элемента И 34. а тыловой – с выходом пятого логического элемента И 35, общий контакт сигнального реле Ж 24 соединен с входом усилителя 36, выход которого соединен с первым выводом обмотки трансмиттерного реле 15, второй вывод которого соединен с минусовым полюсом источника питания 16.
Действие способа заключается в том, что в каждую рельсовую цепь 1, 2, 3 и 4 (фиг.1) поступают кодовые импульсы от ЭКПТ с нулевого такта (фиг.3). При этом в локомотивном дешифраторе (дешифратор на фиг.1, 2, 3 и 4 не показан) все счетчики приходят в обесточенное состояние независимо от того, в какой момент относительно кодового цикла голова поезда сошла с предыдущей РЦ. Поэтому при переходе через изолирующий стык может быть искажен только один кодовый цикл вместо трех, что может произойти при использовании типовых устройств. В рельсовые цепи 1, 2, 3 и 4 (фиг.1) транслируются импульсы кодового тока по обычной схеме за счет контактов путевых реле 7, 8, 9 и 10 посредством контакта трансмиттерного реле 11. Новым является то, что при вступлении поезда на следующую РЦ при переключении контактов 19, 20, 21 и 22 (фиг.2) осуществляется установка ЭКПТ 14 в позицию, при которой трансляция кодовых импульсов в занимаемую РЦ начинается с нулевого такта (фиг.3), т.е. с длинного интервала, что приводит схему локомотивных устройств в исходное (для приема кодового цикла) состояние. Эта установка происходит потому, что через резистор 18 в момент переключения (отпадание якоря путевого реле) контактов (в последовательности 19, 20, 21, 22) на вход 2в ЭКПТ 14 кратковременно подается низкий потенциал. Выбор кодов З, Ж или КЖ осуществляется контактами сигнальных реле 23 и 24 по обычной схеме. Трансмиттерное реле 15 своим контактом 11 (фиг.1) транслирует в РЦ 1, 2, 3 и 4 коды АЛС.
Действие устройства (фиг.4) заключается в том, что синусоидальное напряжение с выхода трансформатора 26 управляет работой триггера Шмидта 27, с выхода которого импульсы с периодом 0,2 с поступают на тактовый вход первого счетчика 28, этот счетчик совместно с логическим элементом И 29 представляют делитель на 6 [Зельдин Е.А. Цифровые интегральные микросхемы в информационно-измерительной аппаратуре. Л.: Энергоатомиздат, 1986, 280 стр.] (стр.204-211). С выхода логического элемента И 29 импульсы с периодом 0,12 с поступают на тактовый вход второго счетчика 30, а также на второй вход сброса счетчика 28 и обнуляют его. Обнуление счетчика 28 (вход R’), второго счетчика 30 (вход R’) и демультиплексора 32 (вход VI) происходит при вступлении поезда на рельсовые цепи в горловине станции при переключении контактов 19, 20, 21 и 22 (в момент обесточивания этих реле за счет резистора 18). Поэтому начало трансляции кодовых импульсов в эти рельсовые цепи начинается с начала кодового цикла (за начало кодового цикла в данном случае принимается начало длинного интервала). Выходы счетчика 30, соединенные с входами данных демультиплексора 32, позволяют получить на выходе демультиплексора 32 позиционный код с переключением через 0,12 с. На выходе логического элемента И 31 появляются импульсы для сброса демультиплексора 32 через 1,68 с благодаря тому, что элементы 30 и 31 представляют собой делитель на 14 [см. книгу Зельдина там же]. Входы третьего, четвертого и пятого логических элементы И 33, 34 и 35 соответственно подключены к выходам демультиплексора 32 так, что на выходе элемента 33 появляется код КЖ (два цикла), 34 – код 3, 35 – код Ж. Контакты сигнальных реле 23 и 24 подключают выходы логических элементов И 33, 34 и 35 к входу усилителя 36 (осуществляется выбор кодового цикла), выход которого воздействует на трансмиттерное реле 15.
Данное изобретение позволит повысить надежность передачи информации за счет исключения сбоев в работе АЛС при движении подвижной единицы по коротким рельсовым цепям.
Формула изобретения
1. Способ передачи информации на подвижной состав, заключающийся в трансляции кодовых импульсов в рельсовые цепи с момента их занятия, отличающийся тем, что предусмотрена принудительная установка электронного кодово-путевого трансмиттера в позицию, при которой трансляция первого кодового цикла КЖ, Ж, З в рельсовые цепи начинается с длинного интервала.
2. Устройство передачи информации на подвижной состав, состоящее из электронного кодово-путевого трансмиттера, который содержит датчик импульсов, состоящий из источника питания переменного тока, трансформатора и триггера Шмидта, счетчики, логические элементы И, отличающееся тем, что оно дополнительно снабжено дешифратором, пятым логическим элементом И, усилителем и резистором, и схемой подключения трансмиттера, которая содержит контакты путевых и сигнальных реле, обмотку трансмиттерного реле, причем к полюсам источника питания переменного тока подсоединен вход трансформатора, выход которого соединен с входом триггера Шмидта, выход которого соединен с тактовым входом первого счетчика, второй и четвертый выходы которого соединены с входами первого логического элемента И, выход которого соединен со вторым входом сброса первого счетчика и тактовым входом второго счетчика, первый вход сброса которого соединен с первым входом сброса первого счетчика, первым установочным входом дешифратора, общим контактом четвертого путевого реле и первым полюсом резистора, второй полюс которого соединен с минусовым полюсом источника питания, тыловые контакты четвертого, третьего, второго и первого путевых реле соединены между собой и с фронтовым контактом первого путевого реле, а также с плюсовым полюсом источника питания, фронтовой контакт четвертого путевого реле соединен с общим контактом третьего путевого реле, фронтовой контакт которого соединен с общим контактом второго путевого реле, фронтовой контакт которого соединен с общим контактом первого путевого реле, второй вход сброса второго счетчика соединен с выходом второго логического элемента И и нулевым установочным входом дешифратора, первый, второй, третий и четвертый выходы второго счетчика соединены соответственно с первым, вторым, третьим и четвертым входами дешифратора, а второй, третий и четвертый выходы второго счетчика соединены с входами второго логического элемента И, пятый выход дешифратора соединен с первым входом третьего логического элемента И, второй вход которого соединен с первым входом четвертого логического элемента И, седьмым входом пятого логического элемента И и шестым выходом дешифратора, седьмой выход которого соединен с шестым входом пятого логического элемента И и вторым входом четвертого логического элемента И, третий вход которого соединен с девятым выходом дешифратора, восьмой выход которого соединен с пятым входом пятого логического элемента И, четвертый вход которого соединен с четвертым входом четвертого логического элемента И и десятым выходом дешифратора, одиннадцатый выход которого соединен с третьим входом пятого логического элемента И, второй вход которого соединен с пятым входом четвертого логического элемента И, третьим входом третьего логического элемента И и двенадцатым выходом дешифратора, тринадцатый выход которого соединен с первым входом пятого логического элемента И, шестым входом четвертого логического элемента И и четвертым входом третьего логического элемента И, выход которого соединен с тыловым контактом реле желтого огня, фронтовой контакт которого соединен с общим контактом реле зеленого огня, фронтовой контакт которого соединен с выходом четвертого логического элемента И, а тыловой – с выходом пятого логического элемента И, общий контакт реле желтого огня соединен с входом усилителя, выход которого соединен с первым выводом обмотки трансмиттерного реле, второй вывод которой соединен с минусовым полюсом источника питания.
РИСУНКИ
|
|