|
(21), (22) Заявка: 2007142060/15, 13.11.2007
(24) Дата начала отсчета срока действия патента:
13.11.2007
(46) Опубликовано: 10.05.2009
(56) Список документов, цитированных в отчете о поиске:
SU 664667 А, 30.05.1979. RU 2005130996 A1, 20.04.2007. SU 1721084 A1, 23.03.1992. US 6221260 В1, 24.04.2001.
Адрес для переписки:
400120, г.Волгоград, ул. Буханцева, 4, кв.46, Б.Г. Стахову
|
(72) Автор(ы):
Стахов Борис Григорьевич (RU), Налимов Сергей Федорович (RU), Тузова Елена Варфаломеевна (RU)
(73) Патентообладатель(и):
Стахов Борис Григорьевич (RU), Налимов Сергей Федорович (RU), Тузова Елена Варфаломеевна (RU)
|
(54) УСТАНОВКА ДЛЯ РАЗДЕЛЕНИЯ ЖИДКИХ ВЫСОКОДИСПЕРСНЫХ СИСТЕМ
(57) Реферат:
Изобретение относится к устройствам для разделения жидких высокодисперсных систем и может найти применение в нефтехимической, газовой, пищевой, микробиологической и других отраслях промышленности. Устройство включает вертикальный цилиндрический корпус с крышками, горизонтальную перегородку с окнами, коаксиально установленные отражатели и сетчатый фильтр, входную камеру с тангенциальным входным патрубком, предфильтровую камеру, соединяющуюся с входной камерой, выходную камеру с выходным патрубком, сливную камеру с тангенциальным сливным патрубком. Отражатели исключают напорное воздействие потока вводимой жидкой системы и обеспечивают отражение возмущающего электромагнитного излучения. Сетчатый фильтр выполнен из одного куска струны в виде полотна струн, закрепленных в верхней и нижней головках с возможностью осевого смещения в них струн относительно друг друга для выравнивания усилий натяжения. Устройство снабжено стержнем-резонатором. Технический результат – повышение эффективности разделения жидких высокодисперсных систем и вывод отделенной фракции с высокой степенью чистоты. 7 з.п. ф-лы, 19 ил.
Изобретение относится к устройствам для разделения жидких высокодисперсных систем из двух и более фаз и может найти применение в нефтяной, нефтехимической, химической, газовой, пищевой, микробиологической и других отраслях промышленности.
Известен способ разделения жидких высокодисперсных систем из двух и более фаз и устройство для его осуществления (А.с. СССР 362628, B01D 17/04, опубл. 20.12.1972, БИ 3 за 1973).
Способ состоит в том, что жидкую высокодисперсную систему непрерывно вводят ламинарным потоком в ультразвуковое поле с шириной рабочей зоны порядка десятков полуволн и производят одновременный непрерывный отбор фракций с периодом чередования однотипных фракций, равным половине длины волны ультразвуковых колебаний.
Устройство содержит трубу прямоугольного сечения, ультразвуковой излучатель и отражатель, помещенные перед окончанием трубы так, чтобы направление ультразвукового поля было перпендикулярно направлению потока, раструб с постоянной площадью поперечного сечения, соединенный с окончанием трубы и предназначенный для расширения слоев фракций, коллектор, состоящий из набора трубок, каждая из которых предназначена для отбора одного из слоев фракций, и емкостей для однотипных фракций.
Недостатком известного устройства является неполное разделение жидкой высокодисперсной системы и частичное перемешивание пограничных слоев разделенных фракций в процессе их совместного движения до разъединения, что не обеспечивает требуемой чистоты отделенной фракции.
Наиболее близким к заявляемой установке по совокупности признаков и достигаемому техническому результату является устройство для разделения нефти, воды и механических примесей (А.с. СССР 664667, B01D 17/04, опубл. 30.05.1979, БИ 20), включающее:
– вертикальный цилиндрический корпус,
– нижнюю и верхнюю крышки,
– горизонтальные нижнюю и верхнюю перегородки с окнами,
– коаксиально установленные
– гильзу и
– круглой цилиндрической формы коалесцирующий сетчатый фильтр,
– перепускной патрубок с диффузором, простирающиеся от нижней до верхней горизонтальных перегородок,
– входную камеру с тангенциальным входным патрубком, образованную корпусом, гильзой, нижней и верхней горизонтальными перегородками,
– предфильтровую камеру, соединяющуюся с входной камерой, образованную гильзой, сетчатым фильтром, нижней и верхней горизонтальными перегородками,
– выходную камеру внутри сетчатого фильтра, переходящую в верхней крышке в выходной патрубок для вывода отделенной фракции,
– сливную камеру со сливным патрубком, образованную корпусом, верхней горизонтальной перегородкой и верхней крышкой для вывода воды,
– камеру мехпримесей с патрубком для удаления мехпримесей, образованную корпусом, нижней крышкой и нижней горизонтальной перегородкой,
– наклонные козырьки, установленные между верхней и нижней горизонтальными перегородками, по которым в камеру мехпримесей отводятся мехпримеси.
Недостатком известного устройства является то, что имеющийся в устройстве коалесцирующий сетчатый фильтр не обеспечивает высокую степень разделения фракций жидких высокодисперсных систем, а уже разделенные фракции находятся в соприкосновении при совместном движении в устройстве до их разъединения, в результате не обеспечивается требуемая чистота отделенной фракции.
Техническим результатом предлагаемого изобретения является повышение эффективности разделения жидких высокодисперсных систем и вывод отделенной фракции с высокой степенью чистоты.
Технический результат достигается решением технической задачи, направленной на обеспечение разрыва молекулярных связей разделяемых фракций и вывод из установки отделенной фракции с высокой степенью чистоты.
Поставленная техническая задача решается за счет того, что в известном устройстве для разделения нефти, воды и механических примесей, включающем:
– вертикальный цилиндрический корпус,
– нижнюю и верхнюю крышки,
– горизонтальную перегородку с окнами,
– коаксиально установленные гильзу и
– круглой цилиндрической формы сетчатый фильтр,
– входную камеру с тангенциальным входным патрубком,
– предфильтровую камеру, соединяющуюся с входной камерой,
– выходную камеру с выходным патрубком,
– сливную камеру с тангенциальным сливным патрубком,
– гильза выполнена в виде, по меньшей мере, двух отражателей потоков вводимой жидкой высокодисперсной системы и возмущающего электромагнитного излучения, при этом отражатели выполнены в виде секторных круглых тонкостенных оболочек с центральным углом менее 180° и при установке в корпус их вертикальные кромки образуют окна, распространяющиеся по всей высоте входной камеры,
– сетчатый фильтр выполнен из одного куска струны в виде полотна струн, закрепленных в верхней и нижней головках с возможностью осевого смещения в них струн относительно друг друга для выравнивания усилий натяжения,
дополнительно введены:
– стержень-резонатор, выполненный полым, неподвижным, закрепленный нижней частью в опорной плите, с установленным на вершине штырем с конусно-сферической головкой,
– ультразвуковой излучатель, размещенный в верхней части стержня-резонатора, выполненный длиной, равной длине рабочей части полотна струн плюс длина деформации полотна струн при максимально допустимом усилии его натяжения плюс длина вершины ультразвукового излучателя, участвующая в образовании выходного канала,
при этом:
– каждая головка сетчатого фильтра содержит основание, выполненное в виде патрубка с заклепками на наружной концевой конической части, с возвышающимися зубчиками на другой наружной концевой цилиндрической части и заплечиком с внутренней стороны, в зоне конической части, бандаж для фиксации струн, установленных в канавки между зубчиками, выполненный в виде втулки с внутренней конической частью на одном конце, с внутренней цилиндрической выточкой под зубчики основания на другом конце и радиальными прорезями в зоне конической части для установки в них сухариков, входящих в зацепление с головками заклепок, для фиксации бандажа и удерживаемых от выпадания пружинным кольцом, а полотно струн сетчатого фильтра выполнено без или с круговыми перемычками струн, расположенными в плоскостях, параллельных плоскости основания цилиндра сетчатого фильтра или по винтовым линиям с подъемом по ходу вращательного ламинарного потока жидкой высокодисперсной системы, к тому же, круговая перемычка струн выполнена из пряди трех вплотную расположенных проволок или из полосы, переплетенных со струнами, или из внутренней и наружной обечаек, плотно прилегающих к струнам, или монолитно-цельной из полимерного материала.
Сущность предлагаемого изобретения заключается в том, что:
– ультразвуковой излучатель создает ультразвуковые колебания, генерируемые генератором ультразвуковых волн. Эти колебания являются возмущающими колебаниями. Этот возмущающий поток электромагнитного излучения воздействует на жидкую высокодисперсную систему, движущуюся ускоренно, вращательно, в ламинарном режиме в предфильтровой камере. При излучении возмущающих ультразвуковых колебаний с частотой, равной частоте собственных колебаний молекул отделяемой фракции, образуется резонансная частота колебаний, при которой происходит разрыв молекулярных связей разделяемых фракций жидкой высокодисперсной системы,
– стержень-резонатор имеет собственную частоту колебаний. При согласовании этой частоты колебаний с возмущающей резонансной частотой колебаний стержень-резонатор начинает совершать колебания максимальной амплитуды, усиливая колебательный процесс ультразвукового поля,
– сетчатый фильтр подвергается воздействию возмущающего электромагнитного излучения и потока жидкой высокодисперсной системы, движущегося ускоренно, вращательно, в ламинарном режиме. При настройке сетчатого фильтра посредством натяжения полотна струн определенным усилием на возмущающую резонансную частоту колебаний он свободно пропускает в выходную камеру через колеблющееся полотно струн молекулы отделяемой фракции и препятствует проникновению молекул с другой частотой колебаний. Таким образом происходит разделение отделяемой фракции от неразделенных фракций жидкой высокодисперсной системы,
– отражатели исключают напорное воздействие потока вводимой жидкой высокодисперсной системы на сетчатый фильтр при входе во входную камеру, обеспечивают ускоренное, вращательное, ламинарное движение жидкой высокодисперсной системы, а также выполняют функцию отражателей потока электромагнитного излучения, что способствует усилению колебательного процесса ультразвукового поля,
– жидкая высокодисперсная система, движущаяся в ускоренном, вращательном, ламинарном режиме, является активной составляющей колебательного процесса ультразвукового поля. С одной стороны, жидкая высокодисперсная система, соприкасаясь с полотном струн, непосредственно на него воздействует своей круговой частотой движения потока. С другой стороны, жидкая высокодисперсная система, не являясь магнитной, воздействует на ультразвуковое поле текущими в ней электрическими токами, которые обладают собственными магнитными полями. При увеличении скорости движения жидкой высокодисперсной системы увеличивается кинетическая энергия молекул, что приводит к увеличению проводимости жидкости. Вследствие этого наводимые в ней индукционные токи могут неограниченно возрастать, увеличивая напряженность собственного магнитного поля, которое взаимодействует с возмущающим электромагнитным полем, изменяя физические свойства среды. При вращательном движении потока жидкости на него начинают действовать центробежные силы.
Все указанные выше процессы могут происходить и рассматриваются исходя из предположения о ламинарности течения жидкости во всех камерах и каналах установки.
Одновременное воздействие электрических, магнитных, центробежных и гравитационных сил обеспечивают сложную картину их взаимодействия.
Таким образом создается колебательная система: ультразвуковой излучатель – осциллятор: стержень-резонатор – сетчатый фильтр – отражатели – жидкая высокодисперсная система, движущаяся в ускоренном, вращательном, ламинарном режиме.
При резонансе ультразвукового излучателя и осциллятора получается максимальный эффект разделения фракций жидкой высокодисперсной системы.
Резонанс может наступить не только при совпадении частоты внешнего воздействия (ультразвукового излучателя) с частотой собственных колебаний осциллятора, но и при кратном или дробном соотношении частот.
Для обеспечения пространственно-временного резонанса колебательной системы, т.е. совмещения не только частот волн, но и волновых векторов, и формирования автоколебаний необходимо участие всех составляющих колебательной системы.
Для этого:
– ультразвуковой излучатель выполнен длиной, равной длине рабочей части полотна струн плюс длина деформации полотна струн при максимально допустимом усилии его натяжения плюс длина вершины ультразвукового излучателя, участвующая в образовании выходного канала, для обеспечения перпендикулярного воздействия ультразвукового поля на ускоренно вращающийся ламинарный поток жидкой высокодисперсной системы,
– стержень-резонатор выполнен полым, неподвижным, закрепленным нижней частью в опорной плите, со штырем с конусно-сферической головкой,
полое исполнение расширяет арсенал технических средств, посредством которых можно добиться согласования частоты собственных колебаний с возмущающей резонансной частотой колебаний,
неподвижное исполнение с закреплением нижней части в опорной плите обеспечивает постоянство частотной характеристики,
– конусно-сферическая головка штыря исключает образование турбулентных завихрений выводимой отделенной фракции на выходе выходного канала,
– сетчатый фильтр выполнен из одного куска струны в виде полотна струн, закрепленных в верхней и нижней головках с возможностью осевого смещения в них струн относительно друг друга для выравнивания усилий натяжения при перемещении нижней головки под воздействием усилия натяжения полотна струн, что позволяет всем струнам работать в унисон по амплитуде и фазе колебаний, а также с возможностью установки круговых перемычек струн, что позволяет расширить его частотный спектр, обеспечивая возможность вхождения в комбинационный резонанс с колебательной системой,
– ускоренный, вращательный, ламинарный поток жидкой высокодисперсной системы в предфильтровой камере обеспечивается тем, что:
– тангенциальный входной патрубок выполнен с прямоугольным с закруглениями каналом на входе в корпус для формирования вводимого потока жидкой высокодисперсной системы,
– отражатели потоков выполнены так, что при установке в корпус их вертикальные кромки образуют окна, распространяющиеся по всей высоте входной камеры, а внутренние поверхности обеспечивают возможность отражения возмущающего потока электромагнитного излучения,
такое исполнение окон обеспечивает формирование ускоренного, вращательного, ламинарного потока вводимой жидкой высокодисперсной системы в предфильтровой камере и дисциплинирует поток в вертикальных и горизонтальных плоскостях,
указанное исполнение внутренних поверхностей к тому же обеспечивает повышение скорости потока за счет их высокой чистоты,
– в результате повышается кинетическая энергия молекул фракций.
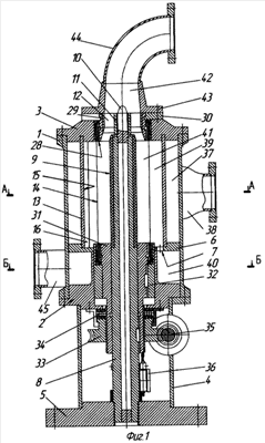
Заявляемая установка иллюстрируется чертежами.
На фиг.1 – общий вид установки для разделения жидких высокодисперсных систем (генератор ультразвуковых волн не показан).
На фиг.2 – разрез А-А на фиг.1.
На фиг.3 – разрез Б-Б на фиг.1.
На фиг.4 – общий вид сетчатого фильтра.
На фиг.5 – разрез В-В на фиг.4.
На фиг.6 – полотно струн, выполненное из одного куска струны.
На фиг.7 схематично показан сетчатый фильтр без круговых перемычек струн.
На фиг.8 – сетчатый фильтр с одной круговой перемычкой струн, выполненной в плоскости, параллельной плоскости основания цилиндра сетчатого фильтра.
На фиг.9 – сетчатый фильтр с тремя круговыми перемычками струн, выполненных в плоскостях, параллельных плоскости основания цилиндра сетчатого фильтра.
На фиг.10 – сетчатый фильтр с одной круговой перемычкой струн, выполненной по винтовой линии.
На фиг.11 – сетчатый фильтр с тремя круговыми перемычками струн, выполненными по винтовым линиям.
На фиг.12 показан фрагмент Г на фиг.8 круговой перемычки струн, выполненной из пряди трех проволок.
На фиг.13 – вид в плане фиг.12.
На фиг.14 – фрагмент Г на фиг.8 круговой перемычки струн, выполненной из полосы.
На фиг.15 – вид в плане фиг.14.
На фиг.16 – фрагмент Г на фиг.8 круговой перемычки струн, выполненной из внутренней и наружной обечаек.
На фиг.17 – вид в плане фиг.16.
На фиг.18 – фрагмент Г на фиг.8 круговой перемычки струн, выполненной монолитно-цельной из полимерного материала.
На фиг.19 – вид в плане фиг.18.
Установка содержит вертикальный цилиндрический корпус 1 с нижней 2 и верхней 3 крышками, закрепленными на подставке 4, соединенной с опорной плитой 5. В корпусе 1 установлена горизонтальная перегородка 6 с окнами 7 с опорой на цилиндрический выступ нижней крышки 2 (фиг.1).
В центре по всей высоте подставки 4 и корпуса 1 установлен стержень-резонатор 8, закрепленный нижней частью в опорной плите 5. В верхней части стержня-резонатора 8 снаружи установлен ультразвуковой излучатель 9. На вершине стержня-резонатора 8 закреплен штырь 10 с конусно-сферической головкой, на который свободно опирается пропускной стакан 11 с окнами 12 (фиг.1).
В корпусе 1 коаксиально установлены отражатели 13 и круглой цилиндрической формы сетчатый фильтр 14 (фиг.1).
Отражатели 13 (два и более) выполнены в виде секторных круглых тонкостенных оболочек с центральным углом менее 180°. При этом круглая тонкостенная оболочка характеризуется соотношением ее размеров 
где – толщина оболочки,
D – наружный диаметр оболочки.
Внутренние поверхности 15 отражателей 13 выполнены с возможностью отражения возмущающего потока электромагнитного излучения, для чего:
1) на поверхностях не должно быть дефектов материала, как-то: раковины, поры, трещины, вмятины, царапины, зарезы и т.д.;
2) поверхности должны быть твердыми (HRC 30), что обеспечивается термообработкой;
3) поверхности должны быть очень чистыми; значение параметра шероховатости (микронеровности) поверхности Ra – среднее арифметическое отклонение профиля поверхности, должно находиться в ряду: 0,025, 0,020, 0,016, 0,012, 0,010, 0,008 мкм (ГОСТ 2789-73), т.е. поверхности должны быть зеркальными;
4) направление микронеровностей на поверхностях должно быть перекрещивающееся или произвольное (табл.1 ГОСТ 2789-73).
Чистота поверхности и направление микронеровностей зависят от последовательности способов обработки поверхности. Для достижения отмеченных в п.п.3, 4 показателей необходимо после тонкого шлифования внутренних поверхностей отражателей 13 ввести доводочные операции – хонингование и зеркальное полирование.
Отражательная способность поверхности тела характеризуется коэффициентом отражения К
,
где Е0 – поток электромагнитного излучения, отраженный поверхностью,
ЕП – поток электромагнитного излучения, падающий на поверхность.
Чем в большей степени внутренние поверхности отражателей отвечают вышеизложенным требованиям (п.п.1-4), тем коэффициент К выше, приближаясь к «1».
Чем в меньшей степени внутренние поверхности отражателей отвечают вышеизложенным требованиям (п.п.1-4), тем коэффициент К ниже, приближаясь к «0», так как часть потока электромагнитного излучения поглощается отражателями (фиг.1).
При установке в корпус 1 отражатели 13 образуют окна 16 (фиг.1, 2).
Сетчатый фильтр 14 выполнен из одного куска струны в виде полотна струн 17, закрепленных в верхней 18 и нижней 19 головках с возможностью осевого смещения в них струн относительно друг друга для выравнивания усилий натяжения при перемещении нижней головки 19 под воздействием усилия натяжения полотна струн и с возможностью установки одной и более круговых перемычек 20 струн для изменения диапазона частот собственных колебаний. Каждая головка 18 и 19 содержит основание 21 в виде патрубка с заклепками 22 на наружной концевой конической части, с возвышающимися зубчиками 23 на другой наружной концевой цилиндрической части и заплечиком 24 с внутренней стороны в зоне конической части, бандаж 25 для фиксации струн 17, установленных в канавки между зубчиками 23, в виде втулки с внутренней конической частью на одном конце, с внутренней цилиндрической выточкой под зубчики 23 основания 21 на другом конце и радиальными прорезями в зоне конической части для установки в них сухариков 26, входящих в зацепление с головками заклепок 22 для фиксации бандажа 25 и удерживаемых от выпадания пружинным кольцом 27. Верхняя головка 18 закреплена посредством разрезного кольца 28 в опорной втулке 29, удерживаемой разрезным кольцом 30 в верхней крышке 3, а нижняя голова 19 закреплена посредством разрезного кольца 28 в зацепе 31 и зафиксирована втулкой 32 (фиг.1, 4, 5).
Зацеп 31 в нижней части выполнен с резьбой, посредством которой входит в зацепление с червячным колесом-гайкой 33, опирающейся на упорный подшипник 34, расположенный под нижней крышкой 2. Зацеп 31 выполнен с возможностью осевого перемещения по стержню-резонатору 8 при вращении червяка 35. Величина перемещения отслеживается индикатором часового типа 36 (фиг.1).
Ультразвуковой излучатель 9 выполнен длиной, равной длине рабочей части полотна струн 17 плюс длина деформации полотна струн 17 при максимально допустимом усилии его натяжения плюс длина вершины ультразвукового излучателя, участвующая в образовании выходного канала 42, для обеспечения воздействия ультразвукового излучения перпендикулярно полотну струн 17 на всей его длине (фиг.1).
Корпус 1, отражатели 13, горизонтальная перегородка 6 и верхняя крышка 3 образуют входную камеру 37, к которой через корпус 1 подсоединен тангенциальный входной патрубок 38, имеющий прямоугольный с закруглениями канал на входе в корпус 1 (фиг.1, 2).
Отражатели 13, полотно струн 17, горизонтальная перегородка 6 и верхняя крышка 3 образуют предфильтровую камеру 39, сообщающуюся с входной камерой 37 окнами 16, распространяющимися по всей высоте входной камеры 37, и через окна 7 в горизонтальной перегородке 6 со сливной камерой 40 (фиг.1, 2, 4).
Полотно струн 17, ультразвуковой излучатель 9, зацеп 31 и верхняя крышка 3 образуют выходную камеру 41, которая через выходной канал 42, образованный опорной втулкой 29, окнами 12 пропускного стакана 11, вершиной ультразвукового излучателя 9, конусно-сферической головкой штыря 10 и переходником 43, присоединенным к верхней крышке 3, соединяется с выходным патрубком 44 (фиг.4, 1).
Корпус 1, нижняя крышка 2 и горизонтальная перегородка 6 образуют сливную камеру 40, сообщающуюся через окна 7 в горизонтальной перегородке 6 с предфильтровой камерой 39 и тангенциальным сливным патрубком 45, имеющим прямоугольный с закруглениями канал на входе в корпус 1 (фиг.1, 3).
Полотно струн 17 выполняется из одного куска струны 46 (фиг.4, 6).
Круговые перемычки 20 струн 17 выполняются в плоскостях, параллельных плоскости основания цилиндра сетчатого фильтра 14, или по винтовым линиям с подъемом по ходу вращательного ламинарного потока жидкой высокодисперсной среды, и могут быть в виде прядей трех вплотную расположенных проволок 47, полос 48, внутренней 49 и наружной 50 обечаек, монолитно-цельными 51 (фиг.8, 4, 1, 10, 12, 14, 17, 19).
Установка работает следующим образом.
Сетчатый фильтр 14 характеризуется следующими параметрами. Полотно струн 17 имеет рабочую L и нерабочие 1+1 части. Рабочая часть – это та часть полотна струн, которая колеблется с определенной частотой. Нерабочие части – это концы струн, которые закрепляются на основаниях 21 верхней 18 и нижней 19 головок сетчатого фильтра 14. Рабочая часть полотна струн 17 может быть цельной свободной (неразделенной), а может состоять из двух и более свободных участков Lo, разделенных перемычками 20 (фиг.1, 4, 6, 7, 8, 9, 10, 11).
Частота колебаний полотна струн 17 зависит от диаметра струны, плотности материала, длины свободного участка , где k – число круговых перемычек, силы натяжения (фиг.4, 7, 8, 9).
С увеличением диаметра струны и плотности материала частота колебаний уменьшается.
Полотно струн 17 без круговых перемычек 20 имеет наименьшую частоту колебаний. Перемычки струн повышают частоту их колебаний (фиг.4, 7, 8).
При натяжении полотна струн 17 увеличивается частота его колебаний. Так как полотно струн может работать только в пределах упругих деформаций, то максимальную частоту колебаний струн можно достигнуть при создании в них напряжения, равного пределу пропорциональности их материала (фиг.4).
Сетчатый фильтр 14 с параметрами: диаметр струны, плотность материала, число круговых перемычек струн, предел пропорциональности материала, имеет определенный диапазон частот колебаний (фиг.1).
В установке настройка сетчатого фильтра 14 на резонансную частоту возмущающих колебаний, генерируемых генератором ультразвуковых волн (на фиг. не показан), может производиться только натяжением полотна струн 17. Для этого вращением червяка 35 приводится во вращение червячное колесо-гайка 33, которая перемещает зацеп 31 с нижней головкой 19 сетчатого фильтра 14. Полотно струн 17 натягивается до расчетного значения усилия натяжения, отслеживаемого индикатором часового типа 36. В процессе работы установки сетчатый фильтр 14 может донастраиваться до резонансной частоты колебательной системы. Критерием правильной настройки сетчатого фильтра 14 является получение из выходного патрубка 44 наибольшего расхода отделяемой фракции. При разбалансировке колебательной системы изменением натяжения сетчатого фильтра 14 можно довести расход выводимой отделяемой фракции до нуля (фиг.1, 4).
Через тангенциальный входной патрубок 38 во входную камеру 37 под давлением подается жидкая высокодисперсная система из двух и более фаз. Жидкая система приобретает вращательное ламинарное движение (фиг.1, 2).
Механические примеси вращаются по наружной поверхности отражателей 13 и одновременно под действием сил гравитации опускаются на горизонтальную перегородку 6 и через нижние части окон 16 попадают в нижнюю часть предфильтровой камеры 39 и далее через окна 7 в горизонтальной перегородке 6 попадают в сливную камеру 40, откуда через тангенциальный сливной патрубок 45 выводятся из установки (фиг.1, 3).
Жидкая высокодисперсная система через окна 16 по всей их высоте попадает в предфильтровую камеру 39. Здесь она ускоренно продолжает вращательное ламинарное движение и подвергается воздействию ультразвукового поля. Под воздействием ультразвуковых колебаний с частотой собственных колебаний молекул отделяемой фракции, генерируемых генератором ультразвуковых волн (не показан) и передаваемых ультразвуковым излучателем 9, поддерживаемых и усиливаемых осциллятором: стержень-резонатор 8 – сетчатый фильтр 14 – отражатели 13 – жидкая высокодисперсная система, движущаяся ускоренно, вращательно, в ламинарном режиме, происходит отделение из жидкой высокодисперсной системы выделяемой фракции. Колеблющееся полотно струн 17 свободно пропускает молекулы отделенной фракции в выходную камеру 41. Через выходной канал 42 и выходной патрубок 44 отделенная фракция выводится из установки (фиг.1, 4).
Неразделенные фракции жидкой высокодисперсной системы не могут попасть в выходную камеру 41 и под действием напора потока и сил гравитации проходят через окна 7 в горизонтальной перегородке 6 в сливную камеру 40 и, продолжая вращательное ламинарное движение через тангенциальный сливной патрубок 45, выводятся из установки (фиг.1, 3).
Примеры выполнения полотна струн 17 сетчатого фильтра 14 (фиг.4, 1).
Пример 1. Полотно струн 17 выполнено из одного куска струны 46.
Такое исполнение полотна струн 17 позволяет после установки сетчатого фильтра 14 в корпус 1 путем нескольких натяжений полотна струн 17 и сброса усилия натяжения до нуля выровнять натяжение струн 46 под рабочей нагрузкой. Это позволит после создания определенного усилия натяжения полотна струн 17 для получения требуемой частоты собственных колебаний при воздействии ультразвукового поля всем струнам колебаться в унисон, т.е. в резонансе с колебаниями ультразвукового поля. В этом случае сетчатый фильтр 14 работает с максимальным эффектом (фиг.1, 4, 6).
Пример 2. Полотно струн 17 выполнено без круговых перемычек струн.
В этом случае длина колеблющегося свободного участка Lo струн равна длине рабочей части L струн. Такое исполнение полотна струн 17 при прочих одинаковых параметрах струн (диаметр, плотность материала, диапазон сил натяжения) имеет диапазон наименьших частот колебаний сетчатого фильтра 14 (фиг.1, 4, 6, 7).
Пример 3. Полотно струн 17 выполнено с круговыми перемычками 20 струн, расположенными в плоскостях, параллельных плоскости основания цилиндра сетчатого фильтра 14. В этом случае длина колеблющегося свободного участка Lo струн уменьшается, а частота колебаний струн повышается. Круговые перемычки 20 струн в плоскостях обеспечивают строгую согласованность колебаний всех струн по амплитуде и по фазе (фиг.1, 4, 8, 9).
Пример 4. Полотно струн 17 выполнено с круговыми перемычками 20 струн, расположенными по винтовым линиям с подъемом по ходу вращательного ламинарного потока жидкой высокодисперсной системы.
В этом случае длина колеблющегося свободного участка Lo струн уменьшается, значит, повышается частота колебаний струн 17 сетчатого фильтра 14.
Круговые перемычки 20 струн по винтовым линиям в зависимости от угла их подъема несколько «размывают» амплитудные и фазовые картинки, однако активно способствуют поддержанию вращательного с подъемом ламинарного потока отделяемой фракции в выходной камере (фиг.1, 4, 10, 11).
Примеры выполнения круговых перемычек 20 струн 17.
Пример 1. Круговая перемычка 20 струн 17 выполнена из пряди трех вплотную расположенных проволок 47, каждая из которых переплетена с каждой струной, при этом прядь проволок 47 и вплетенные участки струн дополнительно неразъемно соединены между собой (например, пайкой, сваркой, склеиванием и пр.) (фиг.4, 12, 13).
Пример 2. Круговая перемычка 20 струн 17 выполнена из полосы 48, переплетенной со струнами, при этом полоса 48 и вплетенные участки струн дополнительно неразъемно соединены между собой (фиг.4, 14, 15).
Пример 3. Круговая перемычка 20 струн 17 выполнена из внутренней 49 и наружной 50 обечаек, плотно прилегающих к струнам, при этом обе обечайки 49 и 50 и закрепленные ими участки струн дополнительно неразъемно соединены между собой (фиг.4, 16, 17).
Пример 4. Круговая перемычка 20 струн 17 выполнена монолитно-цельной 51 из полимерного материала (фиг.4, 18, 19).
Заявляемая установка обеспечивает разрыв молекулярных связей жидкой высокодисперсной системы и получение отделяемой фракции с высокой степенью чистоты.
Формула изобретения
1. Установка для разделения жидких высокодисперсных систем, включающая вертикальный цилиндрический корпус, нижнюю и верхнюю крышки, горизонтальную перегородку с окнами, коаксиально установленные гильзу и круглой цилиндрической формы сетчатый фильтр, входную камеру с тангенциальным входным патрубком, предфильтровую камеру, соединяющуюся с входной камерой, выходную камеру с выходным патрубком, сливную камеру с тангенциальным сливным патрубком, отличающаяся тем, что гильза выполнена в виде по меньшей мере двух отражателей потоков вводимой жидкой высокодисперсной системы и возмущающего электромагнитного излучения, при этом отражатели выполнены в виде секторных круглых тонкостенных оболочек с центральным углом менее 180° и при установке в корпус их вертикальные кромки образуют окна, распространяющиеся по всей высоте входной камеры, сетчатый фильтр выполнен из одного куска струны в виде полотна струн, закрепленных в верхней и нижней головках с возможностью осевого смещения в них струн относительно друг друга для выравнивания усилий натяжения, при этом установка дополнительно содержит стержень-резонатор, выполненный полым, неподвижным, закрепленный нижней частью в опорной плите, с установленным на вершине штырем с конусно-сферической головкой, ультразвуковой излучатель, размещенный в верхней части стержня-резонатора, выполненный длиной, равной длине рабочей части полотна струн плюс длина деформации полотна струн при максимально допустимом усилии его натяжения плюс длина вершины ультразвукового излучателя, участвующая в образовании выходного канала.
2. Установка по п.1, отличающаяся тем, что каждая головка сетчатого фильтра содержит основание, выполненное в виде патрубка с заклепками на наружной концевой конической части, с возвышающимися зубчиками на другой наружной концевой цилиндрической части и заплечиком с внутренней стороны в зоне конической части, бандаж для фиксации струн, установленных в канавки между зубчиками, выполненный в виде втулки с внутренней конической частью на одном конце, с внутренней цилиндрической выточкой под зубчики основания на другом конце и радиальными прорезями в зоне конической части для установки в них сухариков, входящих в зацепление с головками заклепок, для фиксации бандажа и удерживаемых от выпадения пружинным кольцом.
3. Установка по любому из пп.1 и 2, отличающаяся тем, что полотно струн сетчатого фильтра выполнено с круговыми перемычками струн, расположенными в плоскостях, параллельных плоскости основания цилиндра сетчатого фильтра.
4. Установка по любому из пп.1 и 2, отличающаяся тем, что полотно струн сетчатого фильтра выполнено с круговыми перемычками струн, расположенными по винтовым линиям с подъемом по ходу вращательного ламинарного потока жидкой высокодисперсной системы.
5. Установка по любому из пп.1 и 2, отличающаяся тем, что круговая перемычка струн сетчатого фильтра выполнена из пряди трех вплотную расположенных проволок, каждая из которых переплетена с каждой струной, при этом прядь проволок и вплетенные участки струн дополнительно неразъемно соединены между собой.
6. Установка по любому из пп.1 и 2, отличающаяся тем, что круговая перемычка струн сетчатого фильтра выполнена из полосы, переплетенной со струнами, при этом полоса и вплетенные участки струн дополнительно неразъемно соединены между собой.
7. Установка по любому из пп.1 и 2, отличающаяся тем, что круговая перемычка струн сетчатого фильтра выполнена из внутренней и наружной обечаек, плотно прилегающих к струнам, при этом обе обечайки и закрепленные ими участки струн дополнительно неразъемно соединены между собой.
8. Установка по любому из пп.1 и 2, отличающаяся тем, что круговая перемычка струн сетчатого фильтра выполнена монолитно-цельной из полимерного материала.
РИСУНКИ
|