|
|
(21), (22) Заявка: 2008100465/15, 09.01.2008
(24) Дата начала отсчета срока действия патента:
09.01.2008
(46) Опубликовано: 10.05.2009
(56) Список документов, цитированных в отчете о поиске:
RU 2146164 C1, 10.03.2000. RU 2302281 C1, 10.07.2007. RU 2105584 C1, 27.02.1998. EP 1059105 A, 13.12.2000. GB 2192809 A, 27.01.1988.
Адрес для переписки:
665808, Иркутская обл., г. Ангарск, кварт. 95, 19, кв.27, Л.И. Шпилевской
|
(72) Автор(ы):
Соколов Валерий Юрьевич (RU), Зобов Александр Михайлович (RU), Шпилевская Людмила Ивановна (RU)
(73) Патентообладатель(и):
Общество с ограниченной ответственностью “Нефтяные Новации” (RU)
|
(54) УСТАНОВКА ПРОМЫСЛОВОГО СБОРА, ТРАНСПОРТА И ПЕРВИЧНОЙ ПОДГОТОВКИ НЕФТИ И ГАЗА
(57) Реферат:
Изобретение относится к технологии промыслового сбора, транспорта и подготовки нефти и газа на нефтепромыслах, в частности, к технике разделения эмульгированных углеводородных многофазных сред, и может быть использовано в нефтегазоперерабатывающей промышленности. Установка содержит скважины, групповой замерный трап с подогревом, трап-сепаратор первой ступени с фильтрующе-коалесцирующим устройством, трап-сепаратор второй ступени с фильтрующе-коалецирующим устройством, сборные емкости для нефти с понтонами, дожимные насосы, трап-сепаратор третьей ступени с фильтрующе-коалесцирующим устройством. Фильтрующе-коалесцирующие устройства выполнены в виде пакета, перекрывающего рабочее сечение емкости и составленного из композиции материалов пористо-ячеистых металлов и(или) сплавов и(или) пористо-ячеистых полимерных материалов с фиксированной пористо-ячеистой структурой. Технический результат состоит в глубоком разрушении водогазонефтяной эмульсии с получением газового потока, не содержащего капельной нефти, и нефтяного потока, практически не содержащего пластовой воды, при упрощении установки. 2 ил., 1 табл.
Изобретение относится к технологии промыслового сбора и подготовки нефти и газа на нефтепромыслах, в частности к технике разделения эмульгированных углеводородных многофазных сред, а именно к установкам промыслового сбора, транспорта и подготовки нефти и газа, и может быть использовано в нефтегазоперерабатывающей и других отраслях промышленности.
Нефтедобывающая отрасль промышленности характеризуется большим комплексом крупнотоннажных промышленных стадий мощного производства с крупногабаритным металлоемким оборудованием, с большой протяженностью коммуникаций для транспортирования сырья и продуктов, значительными площадями промплощадок на промежуточных стадиях технологии от добычи, сбора, транспорта, подготовки сырья (газ, нефть) до газопереработки и нефтепереработки непосредственно. Опыт эксплуатации месторождений показал, что неизбежными спутниками в процессе добычи нефти является газ и пластовая вода (с мехпримесями) и общая суть подготовки нефти и газа сводится к глубокому разделению многокомпонентной водогазонефтяной эмульсии на составляющие с дальнейшей подготовкой нефти и газа для переработки на соответствующих заводах.
Отечественные и зарубежные научно-проектные организации работают над обновлением процессов и технологических схем, обеспечивающих высокие качественные показатели нефти и газа, поступающих на переработку. Однако до сих пор, в целом, названное производство продолжает характеризоваться высокой финансовой затратностью, металлоемкостью, крупногабаритностью при сравнительно низкой эффективности оборудования для глубокого разделения многокомпонентной смеси (нефть, газ, пластовая вода, мехпримеси), требующей применения дорогостоящих реагентов и электроэнергии. Продолжается воздействие вредных загрязнений на воздушный бассейн и почвенный покров от коптящих факелов и стоков, содержащих нефтяные и реагентные загрязнения.
Основными нефтедобывающими районами на сегодняшний день являются северные районы с жестким климатом, особенностями рельефа местности и значительной отдаленностью добычных участков от объектов промысловой подготовки и в связи с этими своими особенностями ведения технологического процесса.
В качестве прототипа предлагается к рассмотрению стандартная принципиальная схема технологии промыслового сбора и транспорта нефти и газа института Гипровостокнефть (К.С.Каспарьянц. Промысловая подготовка нефти и газа, Изд-во «Недра», М., 1973 г., с.118).
На фиг.1 (по прототипу) подогретая нефть от скважин (1) через замерный трап (2) поступает в трапы-сепараторы первой ступени сепарации (3). Их назначение – разрушение водогазонефтяной эмульсии с целью частичной сепарации газов. Первая ступень сепарации осуществляется при снижении давления до 7-8 атм, т.е. достаточном для бескомпрессорной подачи отсепарированного газа потребителю или на газобензиновые заводы (ГБЗ), если те и другие близко расположены и газ не сложно транспортировать. Из опыта эксплуатации месторождений эта часть газа используется на добычном участке в качестве энергоресурса (для подогрева нефтяного потока и т.п.) и, как правило, избыточна. Внутренняя конструкция трапов-сеператоров не обеспечивает глубокого отделения нефти от выделяющегося на первой ступени сепарации газа, и сжигание избыточного количества газа на факельных устройствах приводит, помимо расточительности, к загрязнению атмосферы и почвы вокруг факелов продуктами неполного сгорания нефти.
При больших расстояниях от трапов первой ступени сепарации (3) и неблагоприятных условиях по рельефу местности дальнейший транспорт нефти с растворенными в ней оставшимися газами осуществляется дожимными насосами (4) через сборную емкость (5) на вторую ступень сепарации, которая как и третья ступень (при необходимости) проводится уже на централизованных пунктах сбора и подготовки нефти и газа в трапах-сепараторах второй (6) и третьей ступени (7), объем и количество которых мало чем отличается от первой ступени. На второй ступени сепарации в условиях технологии отсепарированная часть газа из трапов (6) поступает в газовую линию, а нефть, содержащая остатки растворенного газа, транспортируется на следующую ступень сепарации в трапы-сепараторы (7). На третьей ступени сепарации из нефти выделяется остаточная часть газа, которая объединяется с газовым потоком второй ступени в общем коллекторе и поступает на газобензиновый завод (ГБЗ). Нефть после трапов сепарации третьей ступени (7) представляет собой водонефтяную эмульсию и поступает в технологические сборные наполнительные емкости с понтонами (8).
Трапы-сепараторы представляют собой горизонтальные емкости, внутри которых установлены устройства для разрушения газоводонефтяной эмульсии. Ввиду их недостаточной эффективности по разрушению эмульсии, эти емкости имеют крупные габариты и их количество на каждой ступени сепарации, в зависимости от характеристики поступающего потока, может достигать до 10 и более.
Для соответствия качества нефти стандарту предприятия нефтепереработки для водонефтяной эмульсии требуется дополнительная стадия подготовки в зависимости от характеристики нефти одним из способов: холодный отстой; теплохимический отстой с использованием тепловой энергии и дорогостоящих реагентов (деэмульгаторов); электрообезвоживание и обессоливание с применением громоздкого, дорогостоящего оборудования и электроэнергии, требующих особой тщательности при ведении технологического режима для достижения требуемых показателей. Любая из этих стадий является в значительной степени финансово и трудозатратным производством, требующим оснащения также крупногабаритным отстойным и другим оборудованием, размещаемым на значительной площади промплощадки.
По достижении требуемых показателей качества нефть транспортируется уже на нефтеперерабатывающие заводы.
Устранение перечисленных недостатков достигается тем, что в предлагаемой установке промыслового сбора, транспорта и первичной подготовки нефти и газа, включающей скважины, групповой замерный трап, трапы-сепараторы в виде горизонтальных емкостей, внутри которых установлены устройства для разрушения газоводонефтяной эмульсии, выполненные в виде фильтрующе-коалесцирующего пакета, перекрывающего рабочее сечение аппарата и составленного из композиции материалов пористо-ячеистых металлов и(или) сплавов, и(или) пористо-ячеистых полимерных материалов с фиксированной пористо-ячеистой структурой, дожимные насосы, сборные емкости.
Предлагаемая установка позволяет очень громоздкую технологическую схему промыслового сбора и транспорта нефти и газа (по прототипу) преобразовать в компактную высокоэффективную схему промыслового сбора, транспорта и первичной подготовки нефти и газа, исключающую малоэффективные крупногабаритные трапы-сепараторы с заменой их на универсальные, оснащенные высокопроизводительными фильтрующе-коалесцирующими устройствами (ФКУ), позволяющими глубоко разрушать водогазонефтяную эмульсию с получением газового потока, не содержащего капельной нефти, и нефтяного потока, практически не содержащего пластовой воды.
Количество единиц трапов-сепараторов сократилось до такого количества, что теперь вся установка может разместиться на промплощадке ДНС (дожимной насосной станции).
Такую новационную реконструкцию позволяет осуществить возможность применения в ФКУ пористо-ячеистых металлических и полимерных материалов с фиксированной пористо-ячеистой структурой с оптимальными свойствами поверхности для рабочей среды.
Трап-сепаратор с ФКУ представляет собой емкость, размер которой также как и ФКУ может быть рассчитан на любую производительность. Высокая эффективность разделения газа, нефти и воды достигается за счет высокоразвитой рабочей поверхности контакта среды с фиксированной пористо-ячеистой структурой используемых материалов, имеющих 92-95% свободного объема. Высокая производительность трапа-сепаратора обусловлена очень низким сопротивлением фильтрующе-коалесцирующего пакета в пределах 50 мм водяного столба. Фильтрующая наружная поверхность пористо-ячеистых материалов способна задерживать включения водной фазы, в которой обычно накапливаются мехпримеси, и глубинные слои материалов композиции фильтра остаются свободными от мехпримесей, не требуют регенерации. При необходимости регенерации фильтрующий пакет легко промывается обратным ходом потока среды, выбранного для промывки.
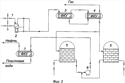
На фиг.2 в общем виде представлена принципиальная технологическая схема предлагаемой установки промыслового сбора, транспорта и первичной подготовки нефти и газа.
Установка содержит скважины (1), групповой замерный трап с подогревом (2), трап-сепаратор первой ступени с ФКУ (3), трап-сепаратор второй ступени с ФКУ (4), сборные емкости для нефти с понтонами (5), дожимные насосы (6), трап-сепаратор третьей ступени с ФКУ (7).
Установка работает следующим образом. От скважин (1) нагретая нефть, представляющая собой водонефтяную эмульсию, насыщенную углеводородными газами, через групповой замерный трап (2) поступает в трап-сепаратор первой ступени (3), представляющий собой емкость, оснащенную фильтрующе-коалесцирующим устройством (ФКУ). Размеры аппарата и ФКУ рассчитываются исходя из производительности газоводонефтяного потока. В трапе-сепараторе первой ступени при снижении исходного давления на рабочей высокоразвитой поверхности пористо-ячеистых фильтрующе-коалесцирующих материалов в ФКУ происходит частичная сепарация газа и частичное разрушение водонефтяной эмульсии. Выделившийся газ, который может содержать капельную нефть, поступает далее в верхнюю часть трапа-сепаратора второй ступени (4), а водонефтяной поток поступает в нижнюю часть трапа-сепаратора (4), где происходит сепарация остаточной части газа при понижении давления до технологических норм. Двигаясь через пористо-ячеистую структуру коалесцирующих материалов (ФКУ), газовый поток освобождается полностью от капельной нефти и поступает в газовую линию продукта, по показателям качества готового для переработки на заводах и для использования другими потребителями (в качестве энергоносителя, на газлифт и т.п.). Водонефтяной поток эмульсии, проходя через слои пористо-ячеистых материалов ФКУ (4), подвергается более глубокому разрушению и выводится в сборную емкость нефти с понтонами (5). В сборной емкости (5) более крупные глобулы и линзы пластовой воды оседают на дно и при накоплении в нижней части емкости (5) выводятся в автоматическом режиме, а водонефтяная эмульсия дожимным насосом (6) подается в трап-сепаратор третьей ступени (7). Пройдя пористо-ячеистый слой ФКУ трапа-сепаратора (7), водонефтяная эмульсия подвергается глубокому разрушению и полному расслоению нефтяной и водной фаз.
Низкое остаточное содержание пластовой воды в нефти приводит к значительному снижению содержания солей, и при необходимости дальнейшей подготовки нефти до норм по содержанию на центральном сборном пункте (ЦСП) затратный механизм может быть уже значительно снижен как по реагентам, так и по объемам оборудования. В общей сложности, как показала практика, предлагаемая схема позволяет удалять из нефти влагу в широком диапазоне – от 10 до 85% объемных; в оптимальном технологическом режиме обезвоживания – до следовых концентраций.
Технический результат состоит в том, что предлагаемая установка позволяет повысить эффективность глубокого разделения газоводонефтяной эмульсии на потоки:
– газа, не содержащего капельной нефти, по показателям качества готового к переработке на заводах; газ в случае производственной необходимости сжигания избытка его на факеле не коптит и не загрязняет почвенный покров и воздушный бассейн продуктами неполного сгорания нефти;
– нефти, глубоко обезвоженной и частично обессоленной;
– пластовой воды, не содержащей нефтяных включений, готовой при необходимости для закачки ее в нефтяной пласт, а при хранении в накопительных амбарах исключает загрязнение почв нефтяными примесями.
Замена малоэффективных крупногабаритных трапов-сепараторов на высокоэффективные, оснащенные фильтрующе-коалесцирующими устройствами, резко сократила объемы и количество металлоемкого технологического оборудования, включающего отстойную и другую аппаратуру. Установка выглядит очень компактной и может быть размещена на промплощадке ДНС (дожимных насосных станций).
Нет необходимости содержания и эксплуатации больших реагентных хозяйств и значительного парка громоздкого и энергозатратного электрооборудования для подготовки нефти (ее глубокого обезвоживания и обессоливания). Соответственно резко сократится стоимость предлагаемой схемы.
В случае уменьшения дебета скважины перемещение оборудования предлагаемой схемы на другие перспективные добычные участки будет экономически приемлемым и более выгодным по сравнению с реконструкцией по схеме-прототипу.
Для подтверждения технико-экономического преимущества предлагаемой схемы приводятся результаты опытно-промышленных испытаний в условиях реального производства на технологических установках ДНС-1 Северо-Губкинского месторождения Пуровского района Тюменской области в технологии отделения капельной нефти от попутного газа и технологии обезвоживания нефти.
Результаты, представленные в Акте промышленного испытания на установке ДНС-1 Северо-Губкинского месторождения по улавливанию капельной жидкости из попутного газа, показали, что в ходе трехмесячной обкатки трап-сепаратора, оснащенного ФКУ, по выбору оптимального режима отделения нефти от газа выявлен стабильный режим для улавливания из газа через каждые 6 часов по 10 м3 нефти (таким образом, экономия сжигаемой нефти составит, как минимум 40 м3/сут – 32 т/сут). При стоимости ее ориентировочно 7000 руб./т предотвращено сжигание на факеле: 7000 руб.×32×365=81760000 руб./год.
Результаты, представленные в Акте промышленного испытания на установке ДНС-1 Северо-Губкинского месторождения по обезвоживанию нефти, показали, что в оптимальном режиме фильтрации водонефтяной эмульсии через фильтрующе-коалесцирующее устройство в пределах скоростей фильтрации от 0,0014 до 0,0043 м/сек (таблица 1) достигнуто глубокое обезвоживание нефти.
Высокий результат глубокого обезвоживания нефти достигнут без использования дорогостоящей реагентной подготовки нефти по технологии прототипа.
Таблица 1 Режим 1 Фильтр включен в параллель основной линии с ориентировочной производительностью 30% потока. Сброс воды 2-3 раза в сутки в ручном режиме. Пробы точечные. |
 |
Дата |
Объем жидкости, проходящей через фильтр (м3/сут) |
Скорость потока на фильтре (м/сек) |
Объем сброшенной воды (м3/сек) |
Р на входе (ат) |
Р на выходе (ат) |
Т на выходе печей (°С) |
Т на входе в КСУ (°С) |
Т на аппарате (°С) |
Содержание воды на входе и выходе аппарата (%) |
| вход |
выход |
| 1 |
19.09.96 г. |
340 |
0,0012 |
8 |
2,2 |
2,2 |
45 |
9 |
27 |
6,9 |
сл |
| 2 |
20.09.96 г. |
315 |
0,0011 |
8 |
2,2 |
2,2 |
48 |
17 |
32,5 |
9,0 |
0,65 |
| 3 |
21.09.96 г. |
380 |
0,0014 |
5 |
2,2 |
2,2 |
51 |
11 |
31 |
31,3 |
0,28 |
| 4 |
22.09.96 г. |
310 |
0,0011 |
4 |
2,2 |
2,2 |
55 |
12 |
33,5 |
2,29 |
0,17 |
| 5 |
23.09.96 г. |
320 |
0,0012 |
5 |
2,2 |
2,2 |
57 |
10 |
33,5 |
1,5 |
0,18 |
| 6 |
24.09.96 г. |
310 |
0,0011 |
5 |
2,2 |
2,2 |
52 |
13 |
32,5 |
4,20 |
0,58 |
Режим 2 На фильтр направлен полный поток жидкости, приходящей на ДНС-1. Сброс воды 2-3 раза в сутки в ручном режиме. |
 |
Дата |
Объем жидкости, проходящей через фильтр (м3/сут) |
Скорость потока на фильтре (м/сек) |
Объем сброшенной воды (м3/сек) |
Р на входе (ат) |
Р на выходе (ат) |
Т на выходе печей (°С) |
Т на входе в КСУ (°С) |
Т на аппарате (°С) |
Содержание воды на входе и выходе аппарата (%) |
| вход |
выход |
| 1 |
27.09.96 г. |
1094 |
0,0039 |
7 |
2,6 |
2,6 |
30 |
10 |
20 |
2,85 |
сл |
| 2 |
28.09.96 г. |
1186 |
0,0043 |
5 |
2,6 |
2,6 |
25 |
9 |
17 |
1,50 |
сл |
| 3 |
29.09.96 г. |
1083 |
0,0039 |
3 |
2,6 |
2,6 |
50 |
9 |
29,5 |
3,29 |
1,16 |
 |
29.09.96 г. |
1083 |
0,0039 |
3 |
2,6 |
2,6 |
50 |
9 |
29,5 |
4,20 |
0,43 |
 |
29.09.96 г. |
1083 |
0,0039 |
3 |
2,6 |
2,6 |
50 |
9 |
29,5 |
3,06 |
сл |
Формула изобретения
Установка промыслового сбора, транспорта и первичной подготовки нефти и газа, включающая скважины, групповой замерный трап, трапы-сепараторы в виде горизонтальных емкостей, внутри которых установлены устройства для разрушения газо-водо-нефтяной эмульсии, дожимные насосы, сборные емкости, отличающаяся тем, что устройства для разрушения газо-водо-нефтяной эмульсии выполнены в виде фильтрующе-коалесцирующего пакета, перекрывающего рабочее сечение емкости и составленного из композиции материалов пористо-ячеистых металлов и(или) сплавов, и(или) пористо-ячеистых полимерных материалов с фиксированной пористо-ячеистой структурой.
РИСУНКИ
|
|