|
|
(21), (22) Заявка: 2007124082/14, 26.06.2007
(24) Дата начала отсчета срока действия патента:
26.06.2007
(46) Опубликовано: 10.05.2009
(56) Список документов, цитированных в отчете о поиске:
Адрес для переписки:
690035, г.Владивосток, а/я 35-94, ООО “Первое частное Приморское патентное агентство”, пат.пов. А.Г.Ермолинскому, рег. 626
|
(72) Автор(ы):
Баяндуров Сурен Эдуардович (RU), Гольцов Владимир Викторович (RU), Гольцов Владимир Владимирович (RU)
(73) Патентообладатель(и):
Баяндуров Сурен Эдуардович (RU), Гольцов Владимир Викторович (RU), Гольцов Владимир Владимирович (RU)
|
(54) СПОСОБ ПЕРСОНАЛЬНОГО ПОСТОЯННОГО НАБЛЮДЕНИЯ (МОНИТОРИНГА) СОСТОЯНИЯ ЧЕЛОВЕКА, СИСТЕМА ДЛЯ ЕГО ОСУЩЕСТВЛЕНИЯ И СПОСОБ ИЗМЕРЕНИЯ ПАРАМЕТРОВ, ОТРАЖАЮЩИХ ЕГО СОСТОЯНИЕ
(57) Реферат:
Изобретение относится к области медицины, а именно к способу обработки сигналов измерения пульсовой волны с целью диагностики и проведения лечебных рефлексотерапевтических процедур. Согласно способа обработки сигналов измерения параметров, отражающих состояние органов и/или систем, при составлении плана лечебного воздействия дополнительно отражают динамику изменения матрицы, представляющую собой разность значений сравнительных последовательностей элементов, измеренных до применения какого-либо корректирующего воздействия на организм пациента и после его применения для постановки диагноза. Изобретение позволяет расширить область использования мониторинга состояния пациента как в статике, так и в динамике. 10 з.п. ф-лы, 4 ил.
Изобретение относится к области медицины, а именно к способам и устройствам для измерения пульсовой волны с целью диагностики и проведения лечебных рефлексотерапевтических процедур.
Известен способ персонального наблюдения состояния человека и прибор для проведения рефлексологических измерений [патент ЕР 1408830, опубл. 14.03.2007]. Согласно способу рефлексологические измерения производят с помощью измерительного датчика, электрические сигналы с которого структурируют в комбинации и конфигурируют в последовательности, соответствующие параметрам БАТ, через систему трансдукции преобразуют в матрицу формата FTDB (база данных Ферраро-Ткаченко), отражающую все потенциально возможные значения измеряемых параметров, а просмотр состояния органов осуществляют с помощью компьютера, оснащенного соответствующим программным обеспечением. В качестве измеряемых параметров БАТ используют проводимость биологически активных точек (БАТ), отражающих состояние внутренних энергий каналов в соответствии с представлениями классической восточной медицины. Для постановки диагноза синусоидальный график сконфигурированных последовательностей разбивают на несколько фаз, а сравнительный анализ проводят пофазно. Прибор для проведения рефлексологических измерений включает измерительный датчик, трансдукционную систему, преобразователь электрических сигналов, матрицу формата FTDB, измеритель потенциала всех возможных параметров на базе компьютера с программным обеспечением для обследования тела пациента. Недостатками известного способа и прибора является то, что используемые матрица и график не отражают адекватно баланс внутренних энергий организма, при этом комплекс параметров, основанный на точечных оценках измеряемых параметров, является чувствительным к различным второстепенным факторам, что не позволяет поставить достоверный диагноз, а компоновка прибора является громоздкой и сложной в эксплуатации.
Также известен способ персонального мониторинга и аппарат для диагностики циркуляции крови [патент US 5730138, опубл. 24.03.1998]. Согласно способу измеряют форму пульсовой волны кровяного давления в артерии пациента, анализируют частотные составляющие пульсовой волны и сравнивают образцы каждой резонансной составляющей пульсовой волны с образцом нормальной пульсовой волны для определения возможного дисбаланса распределения крови пациента. В соответствии с этим дисбалансом производят диагноз на основе принципов китайской традиционной медицины, согласно которому каждая гармоника в пульсовой волне соответствует определенному меридиану, включающему определенные органы. Аппарат для диагностики и мониторинга циркуляции крови включает датчик, прикладываемый к артерии, аналого-цифровой преобразователь, частотно-спектральный анализатор с выходом на принтер, запоминающее устройство, клавиатуру, выпрямитель и процессор с выходом на дисплей. Недостатками известного способа и аппарата является то, что методика интерпретации измеренных параметров имеет в большей степени эмпирический характер, и выявление связи параметров пульса и оценок состояния человека представляет определенную трудность, при этом понятие «нормальной» пульсовой волны является относительным, что делает малодостоверным поставленный диагноз, а компоновка аппарата является громоздкой и сложной в эксплуатации.
Наиболее близким по технической сущности является способ персонального наблюдения состояния человека, обработки сигналов пульсовой волны и сигналов измерений параметров, а также устройство для обработки сигналов пульсовой волны на основе «Компьютерной пульсовой аналитической системы» (далее – система ПАС), построенной на основе описания основных законов восточной философии, используемых в традиционной китайской медицине [патент RU 2234241, опубл. 20.08.2004]. Согласно способу в диагностическом кабинете системы ПАС при помощи амплитудно-частотного акустического датчика в стационарном состоянии у пациента в течение непродолжительного времени измеряют электрический сигнал пульсовой волны, затем измеренный сигнал пульсовой волны, представляющий собой группу последовательных синусоидальных полуволн, разлагают на четную и нечетную составляющие, определяют энергию измеренного сигнала или его составляющих и осуществляют сравнительный анализ для постановки диагноза путем сравнения энергий составляющих между собой и/или с энергиями составляющих эталонного сигнала пульсовой волны, соответствующей нормальному состоянию органов или систем организма. Устройство для обработки сигналов пульсовой волны включает амплитудно-частотный акустический датчик пульсовой волны со средством позиционирования, приспособленный для установки на поверхность тела пациента над веной или артерией в стационарном положении для генерирования электрического сигнала предписанной формы, соответствующего измеряемой пульсовой волне, средство корректировки генерируемого акустическим датчиком сигнала для получения электрического сигнала предписанной формы, обрабатывающий модуль для обработки электрического сигнала и регистратор, регистрирующий обработанный электрический сигнал и позволяющий визуально отображать информацию о достижении стабильного электрического сигнала предписанной формы. Недостатками известных способов и устройства является то, что они предназначены для оценки состояния организма пациента дискретно, т.е. через определенные промежутки времени в течение непродолжительного времени, что не дает полной картины состояния его отдельных органов и систем организма, при этом на время измерения пульсовой волны пациента помещают в стационар, где во избежания искажения измерений он должен находиться в неподвижном состоянии, что не всегда бывает подходящим и удобным для пациента, так как не учитывает его образ жизни и деятельности.
Технической задачей, для решения которой предлагается данное техническое решение, является создание персональной системы постоянного наблюдения (мониторинга) состояния пациента как в статике, так и динамике, осуществляющей непрерывный замкнутый цикл сбора информации о состоянии его отдельных органов и/или систем организма, выявление отклонений от нормы, классификация и идентификация состояния и выработка управляющих воздействий, а также применение их для контроля и коррекции состояния пациента, что способствует повышению качества оказываемых медицинских услуг, созданию удобств для пациента и простоты применения.
Указанная техническая задача решается предлагаемым способом персонального наблюдения состояния человека, обработки сигналов пульсовой волны, согласно которому регистрируют электрический сигнал, соответствующий измеряемой пульсовой волне, с помощью, как минимум, одного датчика, устанавливаемого на поверхности тела пациента, затем корректируют амплитудно-частотную характеристику (АЧХ) электрического сигнала до предписанной формы, производят обработку электрического сигнала и осуществляют сравнительный анализ путем сравнения энергий составляющих сигнала измеряемой пульсовой волны между собой и/или с энергиями составляющих сигнала эталонной пульсовой волны для постановки диагноза. Новым является то, что над БАТ, расположенной на руке пациента, на продолжительный период времени закрепляют автономный беспроводной микрокомпьютерный датчик пульсовой волны и осуществляют непрерывную регистрацию электрического сигнала пульсовой волны, а также осуществляют непрерывное автономное сохранение и отображение регистрируемых диагностических данных и их передачу через глобальные сети, что позволяет оперативно управлять состоянием пациента. Также, для пациента доставляет удобство и не сковывает его движений, если на его руке закрепляют носимый оптический датчик пульсовой волны. Для получения объективной информации о состояния организма лучше, если осуществляют непрерывную регистрацию электрического сигнала пульсовой волны пациента по меньшей мере в течение суток. Зарегистрированные диагностические данные могут автономно передавать в экспертно-консультационный центр для анализа состояния и подготовки вариантов воздействий и/или в информационно-методический консультационный центр для накопления и сохранения информации о пациенте. Для оперативного взаимодействия внутри системы лучше, если осуществляют автономное отображение регистрируемых данных и их передачу через Интернет. Также могут осуществлять отображение диагностических данных локальными средствами контроля и коррекции состояния, при этом лучше, если осуществляют коррекцию состояния при помощи устройств обратной биологической связи.
Предлагаемый способ осуществляется системой для обработки сигналов пульсовой волны, включающей, как минимум, один амплитудно-частотный датчик пульсовой волны, устанавливаемый на поверхности тела пациента над веной или артерией для генерирования электрического сигнала, соответствующего измеряемой пульсовой волне, обрабатывающий модуль для обработки электрического сигнала и сравнительного анализа энергий составляющих сигнала и регистратор, регистрирующий обработанный электрический сигнал. Новым является то, что датчик пульсовой волны, устанавливаемый над БАТ, расположенной на руке пациента, выполнен автономным беспроводным, с возможностью непрерывной регистрации и локального отображения сигналов пульсовой волны, при этом обрабатывающий модуль выполнен с возможностью отображения регистрируемых диагностических данных на локальных средствах, а регистратор выполнен с возможностью передачи регистрируемых диагностических данных через глобальные сети в экспертно-консультационный центр и/или информационно-методический консультационный центр. Для пациента удобнее, если датчик пульсовой волны выполнен оптическим с возможностью ношения на руке. Для получения полной и объективной информации лучше, если датчик пульсовой волны будет выполнен с возможностью непрерывной регистрации пульсовой волны по меньшей мере в течение суток. Регистратор, кроме обычного отображения результатов анализа на мониторе компьютера, может быть выполнен с возможностью передачи зарегистрированных диагностических данных через Интернет. Лучше, если экспертно-консультационный и информационно-методический консультационный центры будут оборудованы локальными средствами отображения контроля состояния и средствами коррекции состояния, при этом средства коррекции состояния могут быть оснащены устройствами обратной биологической связи.
Также предлагается способ обработки сигналов измерения параметров, отражающих состояние органов и/или систем организма, согласно которому с помощью измерительного датчика, устанавливаемого на поверхности тела пациента над веной или артерией, проводят измерение генерируемых датчиком электрических сигналов пульсовой волны, которые затем представляют в виде, как минимум, одной матрицы, содержащей сравнительные последовательности элементов, используемых для постановки диагноза. Новым является то, что при подготовке плана терапевтического воздействия, дополнительно отражают динамику изменения матрицы, представляющую собой разность значений сравнительных последовательностей элементов, измеренных до применения какого-либо корректирующего воздействия на организм пациента и после его применения, при этом в матрице в качестве сравниваемых элементов при постановке диагноза используют совокупность векторов деформации Ци стихий, принятых в восточной традиционной медицине. Динамику изменения матрицы, приводящую к переходу от состояния до корректирующего воздействия к состоянию после корректирующего воздействия могут определять, как управление состоянием Ци каналов организма, направленное на его изменение в сторону оздоровления. Лучше, если применяют непосредственное управление состоянием Ци каналов организма путем корректирующего воздействия на биологически активные точки (БАТ) по методу Бу-Се, принятому в восточной традиционной медицине. Лучше, если из матрицы инверсным путем, решая обратную задачу, получают сигнал пульсовой волны, несущий информацию о необходимом корректирующем воздействии, который используют для вырабатывания сигнала обратной биологической связи и который могут использовать для гармонизирующей оздоровительной коррекции состояния организма.
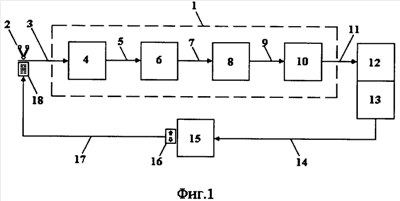
Изобретение поясняется графическими материалами. На фиг.1 представлена схема «Системы персонального мониторинга состояния» (далее ПАС-монитор); на фиг.2 представлен пример отображения носимого локального средства контроля состояния в виде перстня; на фиг.3 представлен пример отображения носимого локального средства коррекции состояния, также выполненного в виде перстня; на фиг.4 представлен алгоритм, поясняющий динамику изменения матрицы в виде разницы значений векторов деформации Ци стихий и динамику построения результирующей матрицы в виде суммы корректирующих единичных воздействий.
Предлагаемое техническое решение поясняется на примере «Системы персонального мониторинга состояния» (далее ПАС-монитор).
Система ПАС-монитор предназначена для непрерывного продолжительного наблюдения за пациентом, выявления происходящих в нем событий в виде изменений состояния отдельных органов и/или систем организма, контроля внешних и/или внутренних воздействий на его организм и своевременного корректирующего вмешательства в эти события в виде бесконечного процесса изменения состояния человека, приближающего его к идеальной гармоничной форме.
Способ обработки сигналов пульсовой волны является составной частью технологии ПАС, представленной в виде мобильной персональной системы мониторинга состояния ПАС-монитор 1 (см. фиг.1). С учетом физиологических особенностей пациента и его образа жизни и деятельности, принимают решение проводить непрерывное наблюдение за изменением его состояния в повседневных условиях на протяжении пяти суток. Для измерения пульсовой волны 3 на запястье левой руки пациента прикрепляют персональный микропроцессорный беспроводной автономный оптический датчик 2 серийного производства типа «прищепка» (пульсоксиметрический датчик производства Ю-Корея), имеющий средства локального отображения. В блоке 4 приема сигнала при помощи сигнального микропроцессора датчика 2 инициируют аналого-цифровой преобразователь (АЦП), таймер регистрации и формируют непрерывный, последовательный поток оцифрованных данных 5, усиливают его и корректируют амплитудно-фазовые частотные характеристики (АФЧХ). В блоке 6 выделения периода пульсовой волны и статистической обработки при помощи дискриминатора выделяют периоды пульсовой волны, отсекая шум и другие непериодические сигналы и в системе статистической обработки оценивают достоверность пульсовой волны, устойчивость серии пульсовых волн и качество позиционирования датчика 2, выделяя пульсовые волны 3 с заданными параметрами качества 7. В блоке 8 ПАС анализа пульсовых волн 3 путем выявления деформации локального пространства получают вектор деформации Ци стихий, который является главным результатом анализа 9. В блоке 10 подготовки диагностической информации обрабатывают результаты анализа 9, преобразуя их в удобные для отображения и передачи диагностические данные 11. Преобразованную информацию через Интернет вводят в систему ПАС для обработки с целью постановки диагноза. Конечные результаты диагностических данных 11 передают в экспертно-консультационный центр 12 и/или накапливают в базе данных информационно-методического консультационного центра 13. Процесс лечебного воздействия заключается в регулировании циркуляции энергии Ци организма с восстановлением баланса Инь-Ян. В экспертно-консультационном центре 12 постоянно работающая группа экспертов традиционной китайской медицины (ТКМ) обрабатывает полученные данные 11 для получения полной и достоверной картины о состоянии пациента, понятной для конечного пользователя, вырабатывает конкретные рекомендации по улучшению состояния пациента, назначает компоненты терапевтических воздействий 14, составляет рецепты, диеты и передает в лечебно-терапевтические учреждения 15 для их реализации и/или непосредственно пациенту по каналам обратной биологической связи 16, 17, 18. Накопленные в информационно-методическом консультационном центре 13 диагностические данные 11 также используют для выработки рецептов на базе технических элементов обратной биологической связи 16: лазера, электродов, термоэлементов, вибраторов, радиоприемников, и т.п., которые совмещают с носимыми локальными устройствами, устанавливаемыми над БАТ поверхности тела пациента. Эксперты при помощи стационарных и локальных средств отображения контролируют состояние пациента, и, при необходимости, корректируют его, для чего средства коррекции состояния оснащают устройствами обратной биологической связи 16, 17, 18. Локальные средства отображения пациент носит с собой, для чего их сопрягают с различными устройствами, например сотовые телефоны, клипсы, часы, перстни (см. фиг.2 и 3). На локальном средстве отображения 18 персонального монитора ПАС изображена гексаграмма 21, по краям которого расположены кнопки управления 19. Гексаграмма 21 состоит из шести вертикальных позиций, соответствующих знаку вектора деформации в порядке следования в строке матриц состояния 22 и 23 (см. фиг.4). Непрерывная черта обозначает положительные деформации, а прерывистая черта обозначает отрицательные или равные нулю деформации. На локальном устройстве коррекции состояния 16 ПАС расположены сигнальные световые стрелки 20 красного и зеленого цвета и кнопки управления 19. Используя текущие матрицы состояния 22 и 23, единичные матрицы действия 24-29 и суммарную результирующую матрицу действия 30, осуществляют изменения состояния с помощью управляющих воздействий, например в виде световых волн различной частоты. Локальные средства оснащают следующими средствами контроля и отображения информации, соответствующие матрицам состояния 22 и 23: уровень стабильности – величина остаточной гармонии Ци, уровень дисгармонии – сумма деформаций Ци, патологические виды Ци (имеющие максимальные и минимальные деформации), уровень Ци – площадь СИН – порядка, гексаграммы пространственные по 1 и 2 законам У – СИН, гексаграммы циркуляции по правилам циркуляции Ци во времени, структура деформаций Ци по стихиям и взаимодействию. Любые воздействия на организм человека, например медикаментами, процедурами, массажем, питанием и т.п., имеют комплексное воздействие и являются элементами управления организмом человека. После проведения курса терапевтического лечения полученные результаты лечения контролируют и/или корректируют по каналам обратной связи через сигнал пульсовой волны, который снова регистрируют автономным беспроводным микропроцессорным самокорректирующим оптическим датчиком 2 и весь процесс повторяют сначала, и продолжают до тех пор, пока состояние пациента не достигнет требуемых результатов.
Система персонального мониторинга состояния ПАС-монитор 1 является составной частью технологии ПАС и состоит из четырех блоков (см. фиг.1): блока приема сигнала 4, блока выделения пульсовой волны 6, блока ПАС анализа 8 и блока подготовки диагностической информации 10. Блок приема сигнала 4 обеспечивает получение сигнала пульсовой волны 3 с автономного оптического датчика 2, закрепленного на руке пациента, оцифровку сигнала пульса 3, управление аналого-цифровым преобразователем (АЦП), усиление сигнала 3 и коррекцию его амплитудно-фазовых частотных характеристик (АФЧХ). Блок выделения периода пульсовой волны и статистической обработки 6 производит выделение пульсовых волн 3 при помощи дискриминатора пульсовой волны 3, который выделяет из сигнала периоды пульсовых волн 3, отсекая шум и другие непериодические сигналы. Система статистической обработки оценивает достоверность пульсовой волны, устойчивость серии пульсовых волн и качество позиционирования датчика 2, выделяя пульсовые волны 3 с заданными параметрами качества 7. Блок ПАС анализа 8 пульсовых волн 3 путем выявления деформации локального пространства получает вектор деформации, который является главным результатом анализа 9. Блок подготовки диагностической информации 10 обрабатывает результаты анализа 9, преобразуя их в удобные для отображения и передачи диагностические данные 11. Преобразованная информация через Интернет вводится в систему ПАС для обработки с целью постановки диагноза. Конечным результатом являются диагностические данные 11, которые передаются в экспертно-консультационный центр 12 и/или накапливаются в базе данных информационно-методического консультационного центра 13. В экспертно-консультационном центре 12 на постоянной основе работает группа экспертов традиционной китайской медицины (ТКМ). Здесь данные обрабатываются для получения картины о состоянии человека, понятной для конечного пользователя, вырабатываются конкретные рекомендации по улучшению состояния человека, назначаются курсы лечения 14 и профилактических мер, составляются рецепты, диеты и передаются в лечебно-терапевтические учреждения 15 для реализации. Накопленные в информационно-методический консультационный центр 13 диагностические данные 11 используются для выработки сигналов по каналам обратной биологической связи 16, 17, 18. Преимущество использования таких центров заключается в высокой эффективности обслуживания и широких возможностях при жестком контроле качества. При этом затраты на обеспечение экспертов в существенно ниже, чем если бы каждый эксперт работал в отдельности. Также, при работе в группе экспертов различной специализации обеспечивается всесторонний анализ данных. Экспертно-консультационный 12 и информационно-методический консультационный 13 центры оборудованы средствами отображения контроля состояния и средствами коррекции состояния, которые оснащены элементами обратной биологической связи, например лазером, электродами, термоэлементами, вибраторами, радиоприемниками и т.п. Локальные устройства являются носимыми и сопряжены с различными устройствами, например с сотовыми телефонами, клипсами, часами, перстнями (см. фиг.2 и 3).
Обработку сигналов измерения параметров, отражающих состояние органов и/или систем организма, производят следующим способом. Акустический сигнал пульсовой волны 3 преобразуют в электрический сигнал оптическим датчиком 2 серийного производства типа «прищепка» (пульсоксиметрический датчик производства Ю-Корея). Оптический датчик 2 закрепляют над БАТ на запястье руки пациента и проводят непрерывное измерение электрических сигналов пульсовой волны 3, которые сначала представляют в виде матрицы состояния 22 до применения корректирующего воздействия, а затем в виде матрицы состояния 23 после применения корректирующего воздействия на организм пациента (см. фиг.4). В матрицах 22 и 23 в качестве элементов для постановки диагноза используют совокупность векторов деформации ЦИ стихий, принятых в восточной традиционной медицине. Вычитая результаты измерений матрицы 22 до применения корректирующего воздействия из результатов измерений матрицы 23 после применения корректирующего воздействия, получают единичную матрицу действия 24, которая является обратной по знаку разнице матриц состояния 22 и 23. Единичные матрицы действий 24-29 являются слагаемыми компонентами рецепта корректирующего терапевтического воздействия на организм пациента, суммарное воздействие которых определяют результирующей матрицей действия 30 (см. фиг.4). Используя систему диагностики ПАС-монитор, пациент и врач могут в любой момент времени узнать состояние организма и оценить эффективность предпринимаемых действий. Например, матрица состояний 22 отражает состояние организма до приема пациентом аспирина, а матрица состояния 23 отражает состояние организма после приема пациентом аспирина, в результате чего получают единичную матрицу действия 24, например от фармакопеи. Подобным методом получают другие единичные матрицы действий в виде матрицы действия 25 от фито, аромо, цвето и т.п. терапии, и/или матрицы действия 26 от Чжень-Цзю терапии, и/или матрицы действия 27 от физиотерапии, и/или матрицы действия 28 от социотерапии, и/или матрицы действия 29 от любых других терапий. Полученные значения по строчкам и столбикам складывают, и в результате получают матрицу суммарного действия 30 (см. фиг.4). Из суммарной матрицы действия 30 инверсным путем, решая обратную задачу, получают сигнал пульсовой волны 3, несущий информацию о необходимом корректирующем воздействии, который используют для вырабатывания сигнала обратной биологической связи для гармонизирующей оздоровительной коррекции состояния организма в заданном режиме и реальном времени. Используя инверсию механизма анализа получают сигнал пульсовой волны, несущий информацию о необходимом действии, который используют в механизмах обратной биологической связи на различной физической основе: звук, свет, цвет, запах, механическое или физическое действие, электрический или радиоволновый сигналы, выполненные на локальных устройствах. Локальные устройства оснащают техническими средствами контроля и отображения информации и техническими элементами обратной биологической связи, например в виде лазера, электродов, термоэлементов, вибраторов. Локальные устройства являются носимыми и их сопрягают с различными устройствами, например сотовыми телефонами, часами, клипсами или перстнями (см. фиг.2 и 3).
Динамику изменения матрицы состояния 22 до корректирующего воздействия к матрице состояния 23 после корректирующего воздействия определяют, как управление состоянием Ци энергии каналов организма, направленное на его изменение в сторону оздоровления, при этом применяют непосредственное управление состоянием Ци каналов организма путем корректирующего воздействия на БАТ на поверхности тела пациента по методу Бу-Се (концентрировать – рассеивать), отражающего основные свойства закона сохранения энергии и принятому в восточной традиционной медицине, где для коррекции состояния человека изменяют знак и величину деформаций Ци и получают рецепт для гармонизации состояния человека. Метод Бу-Се является глобальным принципом управления состоянием человеческого организма на любом уровне его существования. Например, психосознательный уровень управления включает различного рода психовоздействия в виде самовоздействия и/или внешних воздействий. К ним относится ритмотерапия, симметриотерапия и цветотерапия в виде аутотренинга, экстрасенсорики, раджа-йоги, веровательных практик, практики Ян Шен (питание тела), отдельных аспектов Ци-гун и т.д. Физический уровень управления включает все внешние воздействия на человеческий организм и характер деятельности в виде расположения и движения в пространстве самого человеческого организма. К ним относится воздействие теплом-холодом, сухостью-влажностью, разреженностью-насыщеностью, резкостью-плавностью в виде грязевых и прочих ванн, различных видов душа, парных бань, всех видов массажа, всех видов воздействия медицинскими приборами, хирургии, чженьцзю-терапии, гимнастик, боевых искусств и т.д. Химический уровень управления включает в себя потребление продуктов среды, их переработку и образование комплексной Ци энергии и процесса выбрасывания в среду отходов. К ним относится потребление пищевых продуктов, в том числе и лекарственных веществ, воды и кислорода, содержащегося во вдыхаемом воздухе, пищеварительный процесс и питание организма переработанными компонентами, выбрасывание в среду отходов пищеварительного процесса в виде фармацевтики, диетологии, санитарии и гигиены, дыхательных гимнастик, запахотерапии. Каждое из средств и способов управления состояния человека в зависимости от степени и длительности воздействия оказывает корректирующее воздействие на отдельные органы и/или систем организма на своем уровне, в зависимости от степени и длительности воздействия, одновременно приводит к гармонизации всего организма. На основе матриц действий как единичных 24-29, так и результирующей 30, учитывая векторную природу стихий, строят многомерную топографическую карту пространства состояний (не показано), на которой отображают единичные состояния в виде матрицы состояния 22 и/или 23, как точки в пространстве карты событий; отображают динамику их состояния в виде маршрута на карте событий; отображают топографическое положение стабильных состояний, как изолиний в пространстве карты событий. В ПАС-монитор динамику состояния трактуют, как событие, имеющее сложную структуру, соответствующее мерности карты. При помощи карты решают задачи идентификации состояния объекта или процесса проводят классификацию сложных по динамике и времени событий, а также проектируют маршруты изменения состояния с учетом заданных факторов и поставленной цели, которые используют для постановки диагноза, составления плана лечения и назначения рецепта.
Система ПС-монитор решает задачи динамического, автономного контроля и предоставляет возможности управления состоянием человека. В сочетании с современными технологиями передачи информации, благодаря минитюаризации устройств, их автономности, появлению средств локального отображения информации, появилась возможность создания удаленных центров по приему и обработке данных мониторинга, что является одним из самых перспективных направлений в области телемедицины.
Формула изобретения
1. Способ обработки сигналов измерения параметров пульсовой волны, отражающих состояние органов и/или систем организма, согласно которому с помощью измерительного датчика, установленного на поверхности тела пациента, проводят измерение генерируемых датчиком электрических сигналов пульсовой волны, параметры которых отражают составляющие внутренней энергии организма, которые представляют при обработке в виде матрицы, содержащей сравнительные последовательности элементов, полученных в результате сравнения энергий составляющих сигнала измеряемой пульсовой волны между собой и/или с энергиями составляющих сигнала эталонной пульсовой волны для постановки диагноза, отличающийся тем, что при измерении дополнительно отражают динамику изменения матрицы в форме матрицы разности значений сравнительных последовательностей элементов, включенных в матрицу по результатам измерения до корректирующего воздействия на организм и в матрицу по результатам измерения после такого корректирующего воздействия.
2. Способ по п.1, отличающийся тем, что в качестве корректирующего воздействия используют воздействие, выбираемое из группы: воздействие на биологически активные точки; воздействие медикаментами, процедурами, массажем или питанием.
3. Способ по п.2, отличающийся тем, что процедуры включают воздействие электрическим или радиоволновым сигналом, звуком, светом, цветом и/или запахом.
4. Способ по п.1, отличающийся тем, что измерение проводят непрерывно.
5. Способ по п.4, отличающийся тем, что используют автономный беспроводной датчик.
6. Способ по п.4, отличающийся тем, что измерение проводят, по крайней мере, в течение суток.
7. Способ по п.5, отличающийся тем, что осуществляют отображение обработанных измерений локальными средствами контроля.
8. Способ по п.7, отличающийся тем, что используют переносные локальные средства контроля.
9. Способ по п.5, отличающийся тем, что осуществляют воздействие локальными средствами коррекции состояния.
10. Способ по п.9, отличающийся тем, что используют переносные локальные переносные средства коррекции состояния.
11. Способ по п.5, отличающийся тем, что данные измерений передают через Интернет для обработки в соответствующей системе.
РИСУНКИ
|
|