|
|
(21), (22) Заявка: 2007111052/09, 26.03.2007
(24) Дата начала отсчета срока действия патента:
26.03.2007
(43) Дата публикации заявки: 20.10.2008
(46) Опубликовано: 27.04.2009
(56) Список документов, цитированных в отчете о поиске:
SU 1566513 А2, 23.05.1990. SU 1320876 А1, 30.06.1987. US 2006078221 А1, 13.04.2006. US 5161015 A1, 03.11.1992.
Адрес для переписки:
392006, г.Тамбов-6, ТВВАИУРЭ(ВИ), научно-исследовательский отдел, Д.С. Юдакову
|
(72) Автор(ы):
Богословский Евгений Андреевич (RU), Юдаков Дмитрий Сергеевич (RU)
(73) Патентообладатель(и):
Тамбовское высшее военное авиационное инженерное училище радиоэлектроники (военный институт) (RU)
|
(54) УСТРОЙСТВО ДЛЯ ФИЛЬТРАЦИИ ТЕЛЕВИЗИОННЫХ ИЗОБРАЖЕНИЙ
(57) Реферат:
Изобретение относится к устройствам для обработки телевизионных изображений и может применяться в поисково-спасательных комплексах и комплексах разведки для выделения на изображении структур определенного вида и подавления случайных помех. Техническим результатом является повышение точности фильтрации, с возможностью настройки фильтра на выделение различных структур на фоне отражений от местности. Результат достигается тем, что устройство фильтрации телевизионных изображений содержит последовательно соединенные датчик аналогового видеосигнала (1), аналого-цифровой преобразователь (2), а способ подключения блоков задержки на отсчет и электронных ключей обеспечивает комбинацию пикселей, позволяющую произвести операцию дискретной свертки входного сигнала изображения и импульсной характеристики фильтра, при этом устройство также содержит блок (8), в котором при помощи усилителей и сумматоров вычисляется значение яркости отфильтрованного пикселя изображения, блок (7), определяющий момент начала и окончания обработки кадра, блок управления значениями коэффициентов усиления усилителей. 5 ил.
Изобретение относится к устройствам для обработки телевизионных изображений, используемым в радиотехнике и вычислительной технике, может применяться в поисково-спасательных комплексах и комплексах разведки для выделения на изображении структур определенного вида и подавления случайных помех.
Из известных устройств фильтрации телевизионного сигнала наиболее близким по технической сущности является устройство, описанное в патенте СССР 1320876 1987 года по классу H04N 5/14, структурная схема приведена на фигуре 1. Устройство содержит датчик аналогового видеосигнала 1, аналого-цифровой преобразователь 2, цепи 3-5, состоящие каждая из последовательно соединенных блоков задержки на отсчет 6, два блока задержки на строку 7 и 8, три блока вычисления статистических характеристик 9-11, три блока памяти весовых коэффициентов 12-14, К-разрядный блок постоянной памяти 15 и двухразрядный регистр 16.
От датчика 1 аналогового видеосигнала сигнал поступает на вход аналого-цифрового преобразователя 2, который преобразует входной сигнал в цифровую форму. Два блока задержки на строку 7 и 8 и три цепи 3-5, каждая состоит из трех последовательно соединенных блоков задержки на отсчет 6, предназначены для выделения в каждом такте работы устройства локальной области (окна) изображения размером 3×3 элементов изображения. При этом блоки 6 задержки на отсчет реализуются в виде регистров, и с их выходов двоичные коды элементов изображения поступают на соответствующие входы блоков 9-11 вычисления статистических характеристик в каждом такте работы устройства. Каждый из блоков вычисления определяет значение медианы трех чисел путем сортировки трех чисел и их последующего суммирования с весовыми коэффициентами, равными нулю или единице. С выхода третьего блока 11 вычисления статистических характеристик код результата медианной фильтрации поступает на К-2 адресных входа блока 15 постоянной памяти. На последние два адресных входа ((К-1) и К) блока 15 поступает с выхода двухразрядного регистра 16 код 00. При этом блок 15 постоянной памяти программируется таким образом, что в данном случае считываемый код на информационном его выходе совпадает с (К-2)-мя разрядами адресного входа, т.е. на выходе блока 15 постоянной памяти имеется результат медианной фильтрации.
Недостатком такого устройства является отсутствие возможности динамического изменения импульсной характеристики фильтра, т.е. настройка его на выделение различного рода структур на изображении относительно фона. Построение фильтра непосредственно на матрице имеет ошибки за счет темновых токов и утечек.
Техническим результатом изобретения является повышение точности фильтрации, обеспечение возможности настройки фильтра на выделение различных структур на фоне отражений от местности и упрощение возможной технической реализации.
Сущность изобретения заключается в том, что в устройстве фильтрации телевизионных изображений, содержащем последовательно соединенные датчик аналогового видеосигнала, аналого-цифровой преобразователь, блоки задержки на отсчет подключены в пяти параллельных линиях, причем первая линия содержит четыре последовательно подключенных блока задержки на отсчет, вторая линия содержит три последовательно подключенных блока задержки на отсчет, третья линия содержит два последовательно подключенных блока задержки на отсчет, четвертая линия содержит один блок задержки на отсчет. В линии обработки сигнала добавлены элементы, электронные ключи, осуществляющие отсечку одного или двух импульсов в строке. В устройство добавлены: четыре блока задержки на строку, блок, определяющий момент начала и окончания обработки кадра, пять блоков, осуществляющих процедуру дискретной свертки входного сигнала и импульсной характеристики фильтра, блок суммирования, устройство управления, осуществляющее управление значениями коэффициентов усиления усилителей в блоке вычисления, электронный ключ, цифро-аналоговый преобразователь.
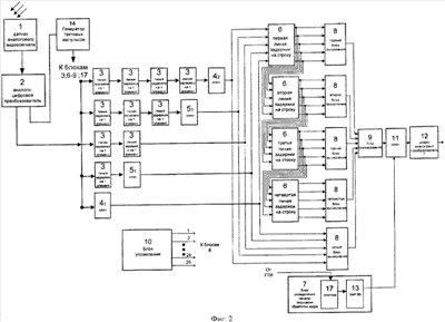
На фигуре 2 представлена структурная схема предлагаемого устройства фильтрации телевизионных изображений.
Устройство фильтрации телевизионных изображений содержит последовательно соединенные датчик аналогового видеосигнала 1, аналого-цифровой преобразователь 2, генератор тактовых импульсов 14, к.выходу аналого-цифрового преобразователя подключены пять параллельно соединенных линий обработки строки, которые включают в себя: первая линия четыре последовательно соединенных блока задержки на элемент 3, причем на выход четвертого блока задержки на элемент подключен электронный ключ 4, осуществляющий отсечку двух последних элементов в строке; вторая линия содержит три последовательно соединенных блока задержки на элемент 3, причем на выход третьего блока задержки на элемент подключен электронный ключ, осуществляющий отсечку одного последнего элемента в строке 5; третья линия содержит два последовательно соединенных блока задержки на элемент 3; четвертая линия содержит блок задержки на элемент 3 и электронный ключ 5, осуществляющий отсечку одного первого элемента в строке; пятая линия содержит электронный ключ 4, осуществляющий отсечку двух первых элементов в строке. Устройство также содержит: четыре последовательно соединенных блока задержки на строку 6, каждый из которых имеет пять входов и пять выходов; блок определения момента начала-окончания обработки кадра 7, который включает в себя счетчик 12 и триггер 13, на вход счетчика поступают тактовые импульсы с генератора тактовых импульсов, выход счетчика подключен к входу триггера, выход триггера является выходом блока определения момента начала-окончания обработки кадра; пять блоков вычисления 8, каждый с пятью входами и одним выходом, блок вычисления включает в себя пять параллельно подключенных усилителей 15 (фиг.3), входы которых являются входами блока вычисления, и сумматор 16 на пять входов и один выход, выходы усилителей подключены к входам сумматора, а выход сумматора является выходом блока вычисления; блок суммирования 9; блок управления с двадцатью пятью выходами 10; электронный ключ 11; цифро-аналоговый преобразователь 12; выходы линий обработки строки подключены к соответствующим входам пятого блока вычисления и к соответствующим входам первой линии задержки на строку, выходы первой линии задержки на строку подключены к соответствующим входам первого блока вычисления и к входам второй линии задержки на строку; выходы второй линии задержки на строку подключены к соответствующим входам второго блока вычисления и к входам третьей линии задержки на строку; выходы третьей линии задержки на строку подключены к соответствующим входам третьего блока вычисления и к входам четвертой линии задержки на строку, выходы всех пяти блоков вычисления подключены к входу блока суммирования, а выход блока суммирования подключен к электронному ключу, на второй вход которого подается сигнал от устройства определения момента начала-окончания обработки кадра, выход электронного ключа подключен к входу цифро-аналогового преобразователя, выход которого является выходом устройства, выходы генератора тактовых импульсов подключены к входам: аналого-цифрового преобразователя, линий задержки на элемент, линий задержки на строку, блока вычисления, блока суммирования, цифро-аналогового преобразователя.
Устройство работает следующим образом. В датчике аналогового видеосигнала, представляющем собой матрицу на приборах с зарядовой связью, вследствие попадания света формируется изображение в виде зарядовых пакетов, накопленных элементами матрицы, соответствующих яркости элементов изображения, далее сигнал изображения построчно поступает на блок 2, где значения яркости преобразуются в цифровую форму. С выхода блока 2 значения яркости попиксельно поступают на пять параллельных линий обработки строки, структура которых выполнена таким образом, чтобы обеспечить апертуру фильтра 5×5 (фигура 4), при которой будет реализована некаузальная фильтрация (Богословский А.В., Каверина Л.В., Кувшинов С.А. Некаузальные и квазинекаузальные фильтры для обработки изображений. – Радиотехника (журнал в журнале), 1999, 3). Возможно также реализовать и большую апертуру, устройство будет отличаться только количеством линий обработки строки, количеством линий задержки на элемент, блоков вычисления и построением обработки в линиях обработки строки для реализации процедуры дискретной свертки. Комбинация значения яркости пикселей первой строки подается на блок 8 (фигура 5) и задерживается в блоке 6, и так далее при поступлении следующей строки на обработку предыдущая задерживается на время обработки строки. С выходов блоков 6 соответствующая комбинация пикселей поступает на блоки 8, в каждом из которых значения яркости в каждой из параллельных линий умножаются на коэффициент умножения усилителя и суммируются в сумматоре, далее сигналы со всех пяти блоков 8 суммируются в блоке суммирования 9. Таким образом реализуется операция дискретной свертки сигнала с импульсной характеристикой фильтра. Так как для начала обработки первого пикселя первой строки необходимо знать значения яркости пикселей второй и третьей строки, в устройство введен блок 7, на вход которого поступают импульсы с генератора тактовых импульсов, триггер 13 изначально находится в нулевом состоянии и тем самым запрещает выдачу сигнала на выход ключевого элемента 12. Когда счетчик насчитывает количество импульсов, соответствующее моменту поступления на обработку третьей строки, он переключает триггер в единичное состояние и тем самым определяется момент выдачи первого обработанного пикселя изображения, аналогично после обработки последнего пикселя в кадре триггер переключается в нулевое состояние и тем самым определяется момент окончания обработки кадра, значения яркости обработанных пикселей изображения в блоке 12 преобразуются в аналоговую форму и выдаются на устройство отображения информации. Блок 12 является выходом устройства фильтрации телевизионных изображений.
Устройство работает в конвейерном режиме, что позволяет производить фильтрацию изображения в темпе телевизионной развертки. Блок управления обеспечивает возможность динамического изменения коэффициента усиления усилителей 15 и тем самым изменение импульсной характеристики фильтра. Синхронизация прохождения сигналов по цепи обеспечивается генератором тактовых импульсов, выход которого подключен к блокам 2; 3; 6-9; 12.
Таким образом, предлагаемое устройство позволяет производить фильтрацию телевизионного сигнала, выделяя в нем определенные структуры в зависимости от настройки фильтра без учета краевого эффекта. Импульсная характеристика легко изменяется при изменении коэффициентов усиления усилителей. Все элементы предлагаемого устройства могут быть легко реализованы на современной элементной базе.
Использование данного устройства является более дешевым способом решения задачи выделения определенных структур изображения на фоне отражения от местности по сравнению с реализацией данного алгоритма при помощи ЭВМ.
Формула изобретения
Устройство для фильтрации телевизионных изображений, содержащее последовательно соединенные датчик аналогового видеосигнала, аналого-цифровой преобразователь, генератор тактовых импульсов, отличающееся тем, что к выходу аналого-цифрового преобразователя подключены пять параллельно соединенных линий обработки строки, которые включают в себя: первая линия содержит четыре последовательно соединенных блока задержки на элемент, причем на выход четвертого блока задержки на элемент подключен электронный ключ, осуществляющий отсечку двух последних элементов в строке; вторая линия содержит три последовательно соединенных блока задержки на элемент, причем на выход третьего блока задержки на элемент подключен электронный ключ, осуществляющий отсечку одного последнего элемента в строке; третья линия содержит два последовательно соединенных блока задержки на элемент; четвертая линия содержит блок задержки на элемент и электронный ключ, осуществляющий отсечку одного первого элемента в строке; пятая линия содержит электронный ключ, осуществляющий отсечку двух первых элементов в строке, устройство также содержит: четыре последовательно соединенных блока задержки на строку, каждый из которых имеет пять входов и пять выходов; блок определения момента начала-окончания обработки кадра, который включает в себя счетчик и триггер, на вход счетчика поступают тактовые импульсы с генератора, выход счетчика подключен к входу триггера, выход триггера является выходом блока определения момента начала-окончания обработки кадра; пять блоков вычисления, каждый с пятью входами и одним выходом, блок вычисления включает в себя пять параллельно подключенных усилителей, входы которых являются входами блока вычисления, и сумматор на пять входов и один выход, выходы усилителей подключены к входам сумматора, а выход сумматора является выходом блока вычисления; блок суммирования; блок управления с двадцатью пятью выходами, осуществляющий управление значениями коэффициентов усиления усилителей в блоках вычисления; электронный ключ; цифроаналоговый преобразователь; выходы линий обработки строки подключены к соответствующим входам пятого блока вычисления и к соответствующим входам первой линии задержки на строку, выходы первой линии задержки на строку подключены к соответствующим входам первого блока вычисления и к входам второй линии задержки на строку; выходы второй линии задержки на строку подключены к соответствующим входам второго блока вычисления и к входам третьей линии задержки на строку; выходы третьей линии задержки на строку подключены к соответствующим входам третьего блока вычисления, выходы всех пяти блоков вычисления подключены к входу блока суммирования, а выход блока суммирования подключен к электронному ключу, на второй вход которого подается сигнал от блока определения момента начала-окончания обработки кадра, выход электронного ключа подключен к входу цифроаналогового преобразователя, выход которого является выходом устройства, выходы генератора тактовых импульсов подключены к входам: аналого-цифрового преобразователя, линий задержки на элемент, линий задержки на строку, блока вычисления, блока суммирования, цифроаналогового преобразователя.
РИСУНКИ
|
|