|
|
(21), (22) Заявка: 2006122958/04, 05.10.2004
(24) Дата начала отсчета срока действия патента:
05.10.2004
(30) Конвенционный приоритет:
28.11.2003 JP 2003-399217
(43) Дата публикации заявки: 10.01.2008
(46) Опубликовано: 27.04.2009
(56) Список документов, цитированных в отчете о поиске:
US 6641700 B1, 04.11.2003. JP 51-2675 А, 10.01.1976. JP 54-141721 А, 05.11.1979. SU 1169528 А, 23.07.1985.
(85) Дата перевода заявки PCT на национальную фазу:
28.06.2006
(86) Заявка PCT:
JP 2004/014639 20041005
(87) Публикация PCT:
WO 2005/051877 20050609
Адрес для переписки:
129090, Москва, ул. Б.Спасская, 25, стр.3, ООО “Юридическая фирма Городисский и Партнеры”, пат.пов. Е.Е.Назиной
|
(72) Автор(ы):
ЙАДА Сухеи (JP), ОГАВА Йасуси (JP), ТАКАСАКИ Кендзи (JP), СУЗУКИ Йосиро (JP), ДЗИННО Кимикацу (JP)
(73) Патентообладатель(и):
МИЦУБИСИ КЕМИКАЛ КОРПОРЕЙШН (JP)
|
(54) СПОСОБ УЛАВЛИВАНИЯ (МЕТ)АКРОЛЕИНА ИЛИ (МЕТ)АКРИЛОВОЙ КИСЛОТЫ И УСТАНОВКА, ПРЕДНАЗНАЧЕННАЯ ДЛЯ ЭТОЙ ЦЕЛИ
(57) Реферат:
Изобретение относится к усовершенствованному способу улавливания (мет)акролеина или (мет)акриловой кислоты, включающему стадию охлаждения газообразной реакционной смеси, содержащей (мет)акролеин или (мет)акриловую кислоту, полученный/ную реакцией каталитического окисления в паровой фазе одного или обоих реагентов, выбранных из (А) пропана, пропилена или изобутилена и (В) (мет)акролеина, молекулярным кислородом или газом, содержащим молекулярный кислород, до температуры 140-250°С; контактирования указанной газообразной реакционной смеси с растворителем, температура которого составляет 20-50°С, в установке улавливания для улавливания (мет)акролеина или (мет)акриловой кислоты в растворителе, где указанная установка улавливания содержит зону контактирования, где газообразная реакционная смесь контактирует с растворителем, имеющую поперечное сечение круглой формы и множество устройств подачи газообразной реакционной смеси для подачи газообразной реакционной смеси в зону контактирования, устройства подачи газообразной смеси установлены в зоне контактирования на одной высоте в направлении к центру зоны контактирования, газообразная реакционная смесь подается в зону контактирования из устройств подачи газовой смеси и подвергается соударению непосредственно в одной точке зоны контактирования, и установка улавливания не имеет устройства, которое предотвращает прямое соударение газообразной смеси, подаваемой из устройств подачи газообразной реакционной смеси. Изобретение относится также к установке улавливания для улавливания (мет)акролеина или (мет)акриловой кислоты. Согласно настоящему изобретению (мет)акролеин или (мет)акриловая кислота может эффективно улавливаться из газа, содержащего (мет)акролеин или (мет)акриловую кислоту, с предотвращением полимеризации. 2 н. и 5 з.п. ф-лы, 5 ил.
Область техники, к которой относится изобретение
Настоящее изобретение относится к способу улавливания (мет)акролеина или (мет)акриловой кислоты, точнее к способу улавливания (мет)акролеина или (мет)акриловой кислоты с использованием растворителя для улавливания (мет)акролеина или (мет)акриловой кислоты из газа, содержащего (мет)акролеин или (мет)акриловую кислоту, полученный/ную каталитическим окислением пропилена, пропана или изобутилена в паровой фазе с применением молекулярного кислорода.
Уровень техники
(Мет)акролеин или (мет)акриловую кислоту обычно получают в многотрубном реакторе каталитическим окислением пропилена, пропана или изобутилена в паровой фазе в присутствии смешанного оксида, используемого в качестве катализатора, с применением молекулярного кислорода или газа, содержащего молекулярный кислород. (Мет)акролеин или (мет)акриловая кислота может выделяться из полученной газообразной реакционной смеси способом улавливания с применением растворителя улавливания.
Пример стандартного способа улавливания (мет)акролеина или (мет)акриловой кислоты из газа, содержащего (мет)акролеин или (мет)акриловую кислоту, с применением растворителя включает способ улавливания с применением воды или водного раствора в качестве улавливающего растворителя. Примером такого способа улавливания является известный метод с применением охлаждения большого объема газа и регулирования состава водного раствора, используемого для улавливания, с извлечением таким образом (мет)акролеина или (мет)акриловой кислоты (см., например, JP 09-157213 A).
Основной недостаток стандартного способа улавливания (мет)акролеина или (мет)акриловой кислоты из газа, содержащего (мет)акролеин или (мет)акриловую кислоту, с применением водного раствора заключался в том, что (мет)акролеин или (мет)акриловая кислота отчасти не полностью улавливался/лась и выгружался/лась вместе с газообразной реакционной смесью, поскольку очень большой объем газообразной реакционной смеси подавался в установку улавливания.
Другой пример способа улавливания (мат)акролеина или (мет)акриловой кислоты с применением растворителя включает известную методику с применением охлаждения большого объема газа посредством изменения формы или способа расположения внутрекорпусных устройств установки улавливания для извлечения таким образом (мет)акролеина или (мет)акриловой кислоты (см., например, JP 2001-019655 A).
Способ с применением высокоэффективной насадки для внутрекорпусных устройств установки улавливания является неудовлетворительным, поскольку когда в качестве установки улавливания используется аппарат башенного типа (колонна), отклонение от заданного режима работы с повышением количества дистиллируемой в верхней части колонны (мет)акриловой кислоты вызывает забивку вследствие полимеризации акриловой кислоты.
Описание изобретения
Настоящее изобретение было создано ввиду вышеизложенных задач, и предмет настоящего изобретения должен предоставить способ и установку для осуществления эффективного улавливания (мет)акролеина или (мет)акриловой кислоты из газа, содержащего (мет)акролеин или (мет)акриловую кислоту, с применением указанной установки при предотвращении полимеризации.
Для решения указанных задач заявителями настоящего изобретения проведены серьезные исследования, в результате которых было установлено, что способ подачи газообразной реакционной смеси в установку улавливания влияет на эффективность работы установки улавливания и предотвращение полимеризации.
Таким образом, настоящее изобретение предоставляет способ улавливания (мет)акролеина или (мет)акриловой кислоты, включающий стадию контактирования газообразной реакционной смеси, содержащей (мет)акролеин или (мет)акриловую кислоту, полученный/ную реакцией каталитического окисления в паровой фазе одного или обоих реагентов, выбранных из (A) пропана, пропилена или изобутилена и (B) (мет)акролеина, молекулярным кислородом или газом, содержащим молекулярный кислород, с растворителем в установке улавливания для извлечения (мет)акролеина или (мет)акриловой кислоты в растворитель, где газообразная реакционная смесь подается в установку улавливания из множества местоположений и подвергается соударению в установке улавливания.
Настоящее изобретение предоставляет установку улавливания (мет)акролеина или (мет)акриловой кислоты контактированием газообразной реакционной смеси, содержащей (мет)акролеин или (мет)акриловую кислоту, полученный/ную реакцией каталитического окисления в паровой фазе одного или обоих реагентов, выбранных из (A) пропана, пропилена или изобутилена и (B) (мет)акролеина, молекулярным кислородом или газом, содержащим молекулярный кислород, с растворителем, причем указанная установка улавливания включает зону контактирования, в которой газообразная реакционная смесь контактирует с растворителем, множество устройств подачи газообразной реакционной смеси в зону контактирования и устройство подачи растворителя для подачи растворителя в зону контактирования, и в указанной установке множество устройств подачи газообразной реакционной смеси подают газообразную реакционную смесь таким образом, что обеспечивают ее соударение в зоне контактирования.
Краткое описание чертежей
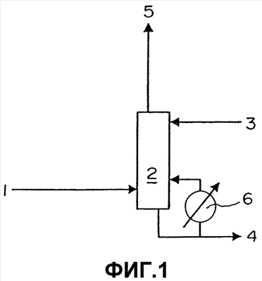
Фиг.1 представляет собой технологическую схему варианта осуществления установки улавливания согласно настоящему изобретению.
Фиг.2 представляет собой продольное сечение нижней части корпуса колонны улавливания 2, представленной на фиг.1.
На фиг.3 представлено поперечное сечение корпуса колонны улавливания 2 по линии А-А’, обозначенной на фиг.2, где показана нижняя часть колонны и способ присоединения к корпусу форсунок 2с.
На фиг.4 представлено поперечное сечение корпуса колонны улавливания 2 по линии А-А’, обозначенной на фиг.2, и другой способ присоединения к нему форсунок 2с.
На фиг.5 представлено поперечное сечение корпуса колонны улавливания 2 по линии А-А’, обозначенной на фиг.2, на котором показан еще один способ присоединения форсунок 2d, описанный в примере 2.
Наилучший вариант осуществления изобретения
Способ улавливания (мет)акролеина или (мет)акриловой кислоты настоящего изобретения включает стадию контактирования газообразной реакционной смеси, содержащей (мет)акролеин или (мет)акриловую кислоту, полученный/ую реакцией каталитического окисления в паровой фазе одного или обоих реагентов, выбранных из (A) пропана, пропилена или изобутилена и (B) (мет)акролеина, молекулярным кислородом или газом, содержащим молекулярный кислород, с растворителем в установке улавливания для улавливания (мет)акролеина или (мет)акриловой кислоты растворителем.
В настоящем изобретении термин «(мет)акролеин» относился к акролеину или метакролеину, термин «(мет)акриловая кислота» относится к акриловой кислоте или метакриловой кислоте. В промышленных условиях упомянутую в настоящем изобретении газообразную реакционную смесь, содержащую (мет)акролеин или (мет)акриловую кислоту, получают окислением пропана, пропилена, изобутилена и/или (мет)акролеина в присутствии твердого катализатора с использованием молекулярного кислорода, то есть способом так называемого каталитического окисления в паровой фазе.
Далее в описании в качестве типичного примера будет использоваться акриловая кислота.
Примеры общего способа получения акриловой кислоты включают: способ, включающий взаимодействие пропилена с газом, содержащим молекулярный кислород, таким как воздух, в присутствии используемого в качестве катализатора оксида молибдена, нанесенного на твердую основу, с получением акриловой кислоты (одностадийный способ: см., например, JP 07-053448 А); способ, включающий взаимодействие пропилена с молекулярным кислородом в присутствии используемого в качестве катализатора оксида молибдена, нанесенного на твердую основу, в первой реакционной зоне для получения акролеина и взаимодействие акролеина с молекулярным кислородом в присутствии используемого в качестве катализатора оксида молибдена, нанесенного на твердую основу, во второй реакционной зоне для получения акриловой кислоты (двухстадийный способ: см., например, JP 47-010614 A и JP 63-093747 A). Газообразный продукт, полученный данными способами, может предпочтительно применяться в качестве газообразной реакционной смеси в настоящем изобретении.
В настоящем изобретении газообразная реакционная смесь, содержащая акриловую кислоту, полученную как описано выше, представляет собой газ, содержащий акриловую кислоту. Таким образом, для выделения акриловой кислоты из газообразной реакционной смеси акриловую кислоту подвергают контактированию с растворителем для улавливания акриловой кислоты, и акриловую кислоту получают в виде раствора, содержащего акриловую кислоту.
Газообразная реакционная смесь содержит акриловую кислоту, полученную каталитическим окислением в паровой фазе, при высоких температурах, обычно примерно от 250 до 300°С, но предпочтительно охлаждается от 140 до 250°С, в частности от 170 до 220°С перед подачей в установку колонны улавливания.
Растворитель, используемый в способе улавливания настоящего изобретения (далее указанный растворитель может также называться «улавливающим растворителем»), конкретно не ограничен, но предпочтительно представляет собой водный раствор, содержащий 80% (мас.) или более воды, более предпочтительно водный раствор, содержащий 85% (мас.) или более воды. Компоненты улавливающего растворителя помимо воды включают формальдегид, муравьиную кислоту, уксусную кислоту и акриловую кислоту. Такие водные растворы могут применяться в качестве улавливающих растворителей для улучшения эффективности улавливания акриловой кислоты.
Установка улавливания, применяемая в способе улавливания настоящего изобретения, конкретно не ограничена, если только она позволяет осуществлять контактирование газа с жидкостью и удалять жидкость, но установка улавливания башенного типа, содержащая колонну для улавливания, является предпочтительной. Колонна для улавливания не ограничивается конкретным типом, и примеры такой колонны включают колонну улавливания с тарелками и колонну улавливания с насадкой.
Конкретные примеры тарелок включают колпачковые тарелки, каждая из которых содержит сливной патрубок, ситчатые тарелки, клапанные тарелки, тарелки суперфракции (SUPERFRAC trays), тарелки макси-фракции (MAX-FRAC trays), и тарелки с двумя потоками жидкости без сливных патрубков.
Примеры структурированной насадки для применения в качестве насадки включают: насадку SULZER PACKING, доступную от Sulzer Brothers Ltd.; насадку SUMITOMO-SULZER PACKING, доступную от Sumitomo Heavy Industries, Ltd.; насадку MELLAPAK, доступную от Sumitomo Heavy Industries, Ltd.; насадку GEM-PAK, доступную от Koch-Glitsch, LP; насадку MONTZ-PAK, доступную от Julius Montz GmbH; насадку GOOD ROLL PACKING, доступную от Tokyo Tokushu Kanaami K.K.; насадку HONEYCOMB PACK, доступную от NGK Insulators, Ltd.; насадку IMPULSE PACKING, доступную от Nagaoka International Corporation; и насадку MC PACK, доступную от Mitsubishi Chemical Engineering Corporation.
Примеры неупорядоченной насадки включают: насадку INTALOX SADDLES, доступную от Norton; насадку TELLERETT, доступную от Nittetsu Chemical Engineering Ltd.; насадку PALL RINGS, доступную от BASF Aktiengesellschaft; насадку CASCADE MINI-RING, доступную от Mass Transfer Ltd.; и насадку FLEXI RINGS, доступную от JGC Corporation.
Типы тарелок и насадок не ограничены в настоящем изобретении, и могут применяться тарелки и насадки одного или нескольких типов в сочетании так, как они обычно применяются.
В настоящем изобретении газообразная реакционная смесь подается в установку улавливания из множества местоположений и таким образом, чтобы вызвать ее соударение в установке улавливания.
Количество местоположений ввода газообразной реакционной смеси конкретно не ограничено, если их количество равно 2 или более. Предпочтительно их количество находится в интервале от 2 до 8, более предпочтительно с точки зрения производительности, удобства обслуживания, стоимости оборудования и т.п. в интервале от 2 до 4.
Газообразная реакционная смесь подается в установку улавливания из множества местоположений для соударения в установке улавливания. Таким образом, газообразная реакционная смесь диспергируется в установке улавливания с повышенным контактированием между растворителем и газообразной реакционной смесью без применения регулирующего элемента, такого как пластина соударения или перегородка для регулирования потока газа контактированием его с газом. Далее, газообразная реакционная смесь диспергируется без применения регулирующего элемента, что предотвращает образование полимеризованного продукта на регулирующем элементе.
В настоящем изобретении вся газообразная реакционная смесь, подаваемая из множества местоположений, предпочтительно соударяется в установке улавливания. Однако не нужно, чтобы вся газообразная реакционная смесь, подаваемая из множества местоположений, подвергалась соударению, если она является достаточно диспергированной в установке улавливания. Кроме того, в настоящем изобретении вся газообразная реакционная смесь, подаваемая из множества местоположений предпочтительно соударяется в одном месте. Однако вся газообразная реакционная смесь, подаваемая из множества положений, может соударяться во множестве местоположений в установке улавливания, если газообразная реакционная смесь достаточно диспергирована в установке улавливания.
Газообразная реакционная смесь может соударяться в установке улавливания посредством подачи газообразной реакционной смеси из множества местоположений в направлении к одному произвольному месту в установке улавливания. Соударение газообразной реакционной смеси в установке улавливания может быть вызвано: точной установкой направления подачи газообразной реакционной смеси и регулированием подаваемого количества в соответствии с направлением подачи; точным определением подаваемого количества газообразной реакционной смеси и регулированием направления ее подачи в соответствии с подаваемым количеством; или регулированием подаваемого количества или направления подачи газообразной реакционной смеси в соответствии с направлением подачи или подаваемым количеством газообразной реакционной смеси.
В настоящем изобретении, когда задано значение (Q/N), где все количество (Q) газообразной реакционной смеси, подаваемое в установку улавливания, поделено на число (N) местоположений ввода газообразной реакционной смеси в реакционной установке, отклонение расхода газообразной реакционной смеси в различных местоположениях ее ввода составляет предпочтительно ±10% или менее для улучшения диспергируемости газообразной реакционной смеси в установке улавливания. Расход может контролироваться, например, с применением распределительного устройства, такого как коллектор (распределитель), или устройства регулирования расхода, такого как вентилятор или вентиль; и комбинированием диаметров отдельных форсунок для подачи газообразной реакционной смеси в установку улавливания и скорости потока газообразной реакционной смеси, проходящего через каждую из форсунок. Такой контроль расхода является более эффективным для случая, когда газообразная реакционная смесь подвергается соударению в произвольном месте, по существу равноудаленном от множества местоположений в установке улавливания.
В настоящем изобретении вся газообразная реакционная смесь, подаваемая в установку улавливания из множества местоположений, предпочтительно соударяется непосредственно в одном месте для повышения диспергируемости газообразной реакционной смеси в установке улавливания и предотвращения образования полимеризованного продукта вследствие контакта между элементом установки улавливания, таким как распределительный элемент, и газообразной реакционной смесью.
В настоящем изобретении, когда поперечное сечение установки улавливания имеет круглую форму, как упомянутая выше установка улавливания башенного типа, вся газообразная реакционная смесь, подаваемая в установку улавливания из множества местоположений, соударяется непосредственно в центре установки улавливания для повышения диспергируемости газообразной реакционной смеси в установке улавливания, повышения контакта между газообразной реакционной смесью и улавливающим ее растворителем и предотвращения упомянутого выше образования полимеризованного продукта.
Установка улавливания настоящего изобретения применяется для улавливания (мет)акролеина или (мет)акриловой кислоты в собирающий растворитель контактированием газообразной реакционной смеси с собирающим растворителем. Установка улавливания включает зону контактирования, где газообразная реакционная смесь контактирует с собирающим растворителем; множество устройств подачи газообразной реакционной смеси в зону контактирования; и устройство подачи растворителя для подачи улавливающего растворителя в зону контактирования.
Зона контактирования конкретно не ограничивается, если только указанная зона предоставляет возможность контактировать газу с жидкостью. Пример зоны контактирования включает устройство орошения. Однако в настоящем изобретении поперечное сечение зоны контактирования имеет круглую форму для повышения диспергируемости газообразной реакционной смеси и, более предпочтительно применение тарелочной колонны или аналогичного аппарата, как описано выше.
Типы устройств подачи газообразной реакционной смеси конкретно не ограничены при условии, что газообразная реакционная смесь, подаваемая в зону контактирования из каждого из устройств подачи газообразной реакционной смеси, подвергается соударению в зоне контактирования. Каждое из устройств подачи газообразной реакционной смеси конкретно не ограничено при условии, что газ подается в заданном направлении. Каждое из устройств подачи газообразной реакционной смеси может представлять собой устройство, которое может регулировать количество подаваемой газообразной реакционной смеси, или устройство, способное изменять направление подачи газообразной реакционной смеси. Примеры каждого из устройств подачи газообразной реакционной смеси включают следующие устройства: распылитель, способный изменять направление распыляющего отверстия и уменьшать диаметр распыляющего отверстия; и форсунка, зафиксированная в зоне контактирования.
Форсунка, используемая в настоящем изобретении, соответствует общему определению. Точнее, термин «форсунка» означает патрубок, соединенный с основным корпусом оборудования, и включает патрубок от корпуса до первого фланца. Форсунка устанавливается с помощью сварки или скрепления болтами. В настоящем изобретении каждая из выбранных форсунок имеет диаметр, подходящий для доставки газообразной реакционной смеси в зону контактирования с достаточной скоростью потока в зависимости от подаваемого количества газообразной реакционной смеси для обеспечения таким образом соударения газообразной реакционной смеси в зоне контактирования. Форсунки устанавливаются для направления в произвольное место в зоне контактирования. Диаметры форсунок могут быть одинаковыми или могут отличаться друг от друга. Произвольное место может представлять собой одно местоположение или множество местоположений.
В настоящем изобретении устройства подачи газообразной реакционной смеси предпочтительно устанавливаются в таком направлении, что газообразная реакционная смесь, подаваемая из каждого устройства подачи газообразной реакционной смеси, соударяется в одном месте в зоне контактирования для улучшения диспергируемости газообразной реакционной смеси в зоне контактирования.
В настоящем изобретении применяются одинаковые устройства подачи газообразной реакционной смеси. Устройства подачи газообразной реакционной смеси предпочтительно устанавливаются в одной плоскости (на одной высоте) в зоне контактирования, имеющей круглое поперечное сечение, колонны улавливания для подачи газообразной реакционной смеси в направлении к центру зоны контактирования с целью улучшения диспергируемости газообразной реакционной смеси в зоне контактирования.
В настоящем изобретении установка улавливания предпочтительно не содержит такого элемента, как перегородка или пластина соударения, для предотвращения прямого столкновения с ним газообразной реакционной смеси, подаваемой из устройств подачи газообразной реакционной смеси, и образования полимеризованного продукта, что обеспечивает стабильную работу установки улавливания в течение длительного периода времени.
Устройство подачи растворителя конкретно не ограничено, если только растворитель улавливания может подаваться в зону контактирования. Примеры устройства подачи растворителя включают известные устройства, используемые для подачи растворителя улавливания в установку контактирования газа с жидкостью, такую как верхняя часть колонны улавливания, или устройство орошения.
Материалы для установки улавливания, форсунок и патрубков, соединенных с форсунками, выбираются в зависимости от состава газообразной реакционной смеси или улавливающего растворителя и температурных условий и конкретно не ограничены. В качестве таких материалов зачастую применяются нержавеющие стали, но указанные материалы настоящего изобретения не ограничиваются нержавеющими сталями. Примеры таких материалов включают стали марок SUS 304, SUS 304L, SUS 316, SUS 316L, SUS 317, SUS 317L, SUS 327 и коррозионностойкие сплавы «hastelloys». Материалы могут быть выбраны в соответствии с их физическими свойствами по отношению данной жидкости с учетом коррозионной стойкости.
Установка улавливания настоящего изобретения применяется для улавливания (мет)акролеина или (мет)акриловой кислоты из газообразной реакционной смеси, но вещество, извлекаемое в установке улавливания настоящего изобретения, не ограничено (мет)акролеином или (мет)акриловой кислотой. Установка улавливания может применяться для улавливания любого компонента газа, который может быть собран посредством контактирования газа с жидкостью с подбором подходящего растворителя.
Далее будет описан вариант осуществления настоящего изобретения со ссылкой на чертежи, но настоящее изобретение не ограничивается данным вариантом. Фиг.1 представляет технологическую схему, на которой показан пример установки улавливания акриловой кислоты в качестве варианта осуществления настоящего изобретения.
Как показано на Фиг.1, установка улавливания оснащена корпусом 2 колонны улавливания; линией подачи газообразной реакционной смеси 1 в корпус колонны улавливания 2; линией подачи растворителя для подачи водного раствора 3 в качестве растворителя улавливания в верхнюю часть корпуса колонны улавливания 2; линией выгрузки кубовой жидкости 4 из корпуса колонны улавливания, кубовая жидкость представляет собой водный раствор 3, содержащий растворимый в воде компонент, такой как акриловая кислота, извлеченный из газообразной реакционной смеси 1; линией выгрузки газа 5, отгоняемого в верхней части колонны улавливания, такого как водяной пар, полученный в корпусе колонны улавливания 2; и теплообменником 6 для охлаждения части кубовой жидкости 4, возвращаемой в основной корпус колонны улавливания 2 по линии выгрузки кубовой жидкости. Положение ввода водного раствора 3 в корпус колонны улавливания 2 по линии подачи растворителя конкретно не ограничено верхней частью колонны улавливания и может находиться в другом месте, таком как центральная часть колонны улавливания, или может находиться в нескольких местоположениях, таких как верхняя часть колонны улавливания и центральная часть колонны улавливания.
Как показано на фиг.2, корпус 2 колонны улавливания представляет собой тарелочную колонну улавливания, оснащенную множеством тарелок сдвоенного сегмента с двумя потоками жидкости 2а. Две форсунки 2b в качестве устройств подачи газообразной реакционной смеси, расположенные в нижней части колонны улавливания, соединены с линией подачи газообразной реакционной смеси с помощью фланцев 2с. Форсунки 2b расположены симметрично относительно центра поперечного сечения корпуса колонны улавливания 2. Как показано на фиг.3, форсунки 2b обращены навстречу друг другу и расположены в направлении продольной оси тарелки 2а, установленной концентрически в корпусе колонны улавливания 2. На фиг.4 представлен другой способ установки форсунок, при котором форсунки 2b обращены навстречу друг другу и расположены перпендикулярно продольной оси тарелки 2а.
В установке улавливания газообразная реакционная смесь 1, содержащая акриловую кислоту, полученную каталитическим окислением в паровой фазе, подается в нижнюю часть корпуса колонны улавливания 2 из выходного устройства реактора окисления (не показано). Газообразная реакционная смесь 1 охлаждается предпочтительно до температуры в интервале от 140 до 250°С, особенно предпочтительно в интервале от 170 до 220°С с помощью теплообменника (не показан), установленного на выходном устройстве реактора окисления или на линии подачи газообразной реакционной смеси, перед введением в аппарат улавливания башенного типа. Если газообразная реакционная смесь охлаждается до температуры ниже 140°С, акриловая кислота нежелательно конденсируется в трубопроводе и полимеризуется, что может привести к забивке труб и т.п. Слишком высокая температура приводит к увеличению объема газа и повышению количества теплоты, которое должно отводиться в колонне улавливания, с повышением диаметра колонны улавливания. Таким образом, имеет место тенденция возрастания затрат на оборудование и снижения эффективности улавливания.
При получении акриловой кислоты с помощью каталитического окисления пропилена в паровой фазе образующаяся газообразная реакционная смесь обычно содержит акриловую кислоту, азот, диоксид углерода, кислород, оксид углерода, неконденсируемый углеводород, конденсируемые органические соединения, воду и т.п. В настоящем изобретении термин «конденсируемое» относится к соединению, которое в чистом виде имеет температуру кипения 20°С или выше.
Водный раствор 3 в качестве улавливающего растворителя подается в верхнюю часть корпуса колонны улавливания. Температура подачи водного раствора предпочтительно находится в интервале от 20 до 50°С. Объем воды в водном растворе 3, подлежащем вводу, составляет от 0,5 до 2 объемов воды, содержащейся в газообразной реакционной смеси. Температура подачи водного раствора предпочтительно является низкой, но обычно находится в интервале от 20 до 50°С. Температура подачи ниже 20°С является не очень экономичной, поскольку холодильник или т.п. оборудование может быть дорогостоящим. При температуре подачи выше 50°С эффективность улавливания имеет тенденцию снижаться.
Отвод теплоты предпочтительно контролируется с помощью теплообменника 6, установленного в качестве внешнего устройства нижней части колонны, для сохранения верхней температуры колонны улавливания в определенной области, в частности в пределах ±1°С температур стабильного режима работы. Поддерживая температуру верхней части колонны в определенном интервале, можно поддерживать постоянным объем воды (пара), удаляемого из верхней части колонны в качестве газа, отгоняемого из верхней части колонны. Кроме того, может сохраняться постоянным и содержание воды в водном растворе акриловой кислоты в нижней части аппарата башенного типа, то есть концентрация акриловой кислоты в кубовой жидкости 4.
Температура нижней колонны предпочтительно равна 86°С или ниже, температура верхней части колонны предпочтительно равна 72°С или ниже для предотвращения забивки вследствие полимеризации акриловой кислоты.
Температура верхней части колонны может контролироваться с помощью единственного периферийного теплообменника нижней части колонны, единственного периферийного теплообменника верхней части колонны или с помощью двух таких теплообменников.
В настоящем изобретении местоположения форсунок 2с конкретно не ограничены, если форсунки расположены таким образом, что обеспечивают соударение газообразной реакционной смеси 1 в корпусе 2 колонны улавливания. Когда зона контактирования представляет собой тарелочную колонну, как показано на фиг.1, сопла предпочтительно располагают симметрично, как показано на фиг.3 и 4.
В настоящем изобретении диаметр каждой из форсунок 2с конкретно не ограничен. Диаметр каждой из форсунок 2с обычно определяется расходом газа в каждой из форсунок 2с. Скорость потока газа изменяется в зависимости от условий, таких как диаметр или форма корпуса колонны 2, а также количества установленных форсунок 3с, но находится в интервале от 3 до 80 м/сек, предпочтительно в интервале от 5 до 50 м/сек, более предпочтительно в интервале от 10 до 40 м/сек.
В установку улавливания газообразная реакционная смесь 1 подается по существу с одинаковой скоростью потока из двух установленных напротив форсунок 2с. Газообразная реакционная смесь 1, подаваемая в корпус 2 колонны улавливания из каждой форсунки, подвергается соударению в центральной части поперечного сечения корпуса колонны 2 и диспергируется. В таком корпусе 2 колонны удельная анизотропия газообразной реакционной смеси снижается вследствие соударения движущейся газообразной реакционной смеси 1. Следовательно, контакт между газообразной реакционной смесью и водным раствором 3 значительно возрастает по сравнению с вариантом, в котором отсутствует такое соударение. Таким образом, газообразная реакционная смесь 1 эффективно абсорбируется водным раствором 3.
В настоящем изобретении газообразная реакционная смесь 1, вдуваемая в установку улавливания через две или несколько форсунок 3с, подвергается соударению и диспергируется, и поэтому обычно устанавливаемая перегородка не нужна.
Установка улавливания, содержащая одну форсунку, в которой не применяется настоящее изобретение, предпочтительно оснащается перегородкой для улучшения диспергируемости газа в установке улавливания, но на перегородке образуется полимеризованный продукт. Отказ от перегородки приводит к тому, что газ сталкивается с поверхностью стены напротив сопла и диспергируется, но это не предпочтительно, поскольку эффект диспергирования является небольшим.
Таким образом, установка двух или нескольких форсунок согласно настоящему изобретению предотвращает образование полимеризованного продукта на разделительной перегородке. Предотвращается отклонение от заданного режима работы, вызываемое таким полимеризованным продуктом, что дает возможность осуществлять стабильный режим работы установки улавливания в течение длительного периода времени.
Количество форсунок 2с равно 2 или более, предпочтительно от 2 до 8, более предпочтительно от 2 до 4. Количество является предпочтительно большим для демонстрации эффекта настоящего изобретения, но максимальное количество может быть ограничено технологическими и экономическими причинами.
Акриловая кислота, попавшая в водный раствор в виде кубовой жидкости 4, как описано выше, подвергается обычным стадиям, включенным в способ получения акриловой кислоты. То есть акриловая кислота подвергается экстракции для экстрагирования водного раствора, содержащего акриловую кислоту, подходящим экстракционным растворителем, стадию разделения растворителя, стадию очистки или т.п. для получения очищенной акриловой кислоты.
Примеры
Далее настоящее изобретение будет описано более подробно со ссылкой на примеры и сравнительные примеры, но настоящее изобретение не ограничивается примерами без выделения их из зоны настоящего изобретения.
Пример 1
Пропилен смешивают с воздухом и инертным газом, состоящим из воды, азота и диоксида углерода. Пропилен подвергают взаимодействию с молекулярным кислородом в присутствии катализатора оксида молибдена, нанесенного на твердый носитель, в первой реакционной зоне с получением акролеина. Затем акролеин подвергают взаимодействию с молекулярным кислородом в присутствии катализатора оксида молибдена, нанесенного на твердый носитель, во второй реакционной зоне с получением, таким образом, газообразной реакционной смеси, содержащей 3200 кг/час акриловой кислоты.
1. Состав газообразной реакционной смеси
| Мольные доли |
| Азот + диоксид углерода |
71,6% |
| Неконденсируемые компоненты за исключением указанных выше (в частности, включая непрореагировавший исходный пропилен, кислород и оксид углерода) |
5,3% |
| Акриловая кислота |
6,3% |
| Вода |
16,4% |
| Конденсируемые компоненты за исключением указанных выше (в частности, включая уксусную кислоту и малеиновую кислоту) |
0,4% |
| Массовые доли |
| Азот + диоксид углерода |
68,2% |
| Неконденсируемые компоненты за исключением указанных выше |
5,8% |
| Акриловая кислота |
15,2% |
| Вода |
10,0% |
| Конденсируемые компоненты за исключением указанных выше |
0,8% |
Массовая доля акриловой кислоты в конденсируемых компонентах в газообразной реакционной смеси составляет 58,5 мас.%.
2. Установка улавливания
В качестве установки улавливания используют тарелочную колонну, представленную на фиг.2. Как показано на фиг.1, корпус колонны улавливания 2 оснащен линией циркуляции для отбора кубовой жидкости (водного раствора, содержащего акриловую кислоту, в виде кубовой жидкости 4, полученной в нижней части колонны) и для возврата жидкости на шестую колонну, считая от нижней части. Линию циркуляции оснащают теплообменником 6 для охлаждения циркулирующей жидкости.
Корпус колонны улавливания 2, используемой в примере 1, высотой 30000 мм и диаметром 2100 мм оснащен 36 сдвоенными тарелками сегментного типа с двумя потоками жидкости и двумя форсунками для подачи газообразной реакционной смеси, установленными в нижней части колонны, каждая диаметром 16 дюймов. Как показано на фиг.4, сопла 2с расположены симметрично относительно центра поперечного сечения корпуса колонны улавливания 2.
Газообразную реакционную смесь, полученную как описано выше, охлаждают до 190°С с помощью теплообменника (не показан), установленного на линии выгрузки из реактора окисления, и подают в нижнюю часть корпуса 2 колонны из форсунок 2с. Скорость потока газа в форсунках 2с составляет примерно 33 м/сек.
Водный раствор 3 при 40°С, содержащий 93 мас.% воды и 6 мас.% уксусной кислоты (остаток, равный 1%, включает формальдегид, муравьиную кислоту и акриловую кислоту) в качестве улавливающего растворителя подают в корпус колонны улавливания 2 из верхней части колонны, и подачу улавливающего растворителя регулируют таким образом, что давление в верхней части колонны составляет 105 кПа. Собирающий растворитель подают таким образом, что объем воды в собирающем растворителе равен объему воды в газообразной реакционной смеси. Температуру верхней части корпуса 2 аппарата улавливания башенного типа поддерживают на уровне 60°С регулировкой загрузки теплообменника 6, установленного в циркуляционной линии.
После работы в течение 3 месяцев потеря акриловой кислоты с отгоняемым из верхней части газом составляет 0,3%, и в корпусе 2 колонны улавливания не наблюдается образования полимеризованного продукта.
Пример 2
Режим работы, описанный в примере 1, воспроизводят с тем отличием, что 4 форсунки 2d, каждая диаметром 12 дюймов, устанавливают симметрично в одной горизонтальной плоскости на одинаковом удалении друг от друга, как показано на фиг.5; и скорость потока газа в каждой форсунке составляет примерно 30 м/сек.
После работы в течение 3 месяцев потеря акриловой кислоты с отгоняемым из верхней части газом составляет 0,3%, что соответствует результату, полученному в примере 1. В корпусе колонны улавливания 2 не наблюдается образование полимеризованного продукта.
Сравнительный пример 1
Воспроизводят режим работы, описанный в примере 1, с тем отличием, что устанавливают одну форсунку диаметром 22 дюйма в одном местоположении, и скорость потока газа в сопле составляет примерно 33 м/сек.
После работы в течение 3 месяцев потеря акриловой кислоты с отгоняемым из верхней части газом составляет 1,5%, и в корпусе колонны улавливания 2 не наблюдается образование полимеризованного продукта.
Сравнительный пример 2
Воспроизводят режим работы, описанный в сравнительном примере 1, с тем отличием, что для улучшения дисперсии газа на наконечнике форсунки в корпусе колонны улавливания 2 устанавливают вертикальную перегородку в форме перевернутой буквы L.
Потеря акриловой кислоты с отгоняемым из верней части газом сначала составляет 0,4%, что сравнимо с результатом примера 1. Однако в кубовой жидкости в корпусе колонны улавливания 2 наблюдается образование полимеризованного продукта. Спустя 2 месяца работу останавливают и обследуют внутреннюю часть корпуса колонны улавливания 2, в результате на перегородке наблюдают большое количество полимеризованного продукта.
Промышленная применимость
Согласно настоящему изобретению газообразная реакционная смесь может подвергаться дополнительному диспергированию в установке улавливания с повышением контакта между газообразной реакционной смесью и растворителем без применения используемого в настоящее время регулирующего устройства, такого как перегородка.
Таким образом, (мет)акролеин или (мет)акриловая кислота может эффективно извлекаться с использованием растворителя при одновременном предотвращении полимеризации.
Формула изобретения
1. Способ улавливания (мет)акролеина или (мет)акриловой кислоты, включающий стадию охлаждения газообразной реакционной смеси, содержащей (мет)акролеин или (мет)акриловую кислоту, полученный/ную реакцией каталитического окисления в паровой фазе одного или обоих реагентов, выбранных из (А) пропана, пропилена или изобутилена и (В) (мет)акролеина, молекулярным кислородом или газом, содержащим молекулярный кислород, до температуры 140-250°С; контактирования указанной газообразной реакционной смеси с растворителем, температура которого составляет 20-50°С, в установке улавливания для улавливания (мет)акролеина или (мет)акриловой кислоты в растворителе, где указанная установка улавливания содержит зону контактирования, где газообразная реакционная смесь контактирует с растворителем, имеющую поперечное сечение круглой формы и множество устройств подачи газообразной реакционной смеси для подачи газообразной реакционной смеси в зону контактирования, устройства подачи газообразной смеси установлены в зоне контактирования на одной высоте в направлении к центру зоны контактирования, газообразная реакционная смесь подается в зону контактирования из устройств подачи газовой смеси и подвергается соударению непосредственно в одной точке зоны контактирования, и установка улавливания не имеет устройства, которое предотвращает прямое соударение газообразной смеси, подаваемой из устройств подачи газообразной реакционной смеси.
2. Способ улавливания (мет)акролеина или (мет)акриловой кислоты по п.1, где отличия скоростей потоков газообразной реакционной смеси в множестве местоположений ее ввода составляет ±10% или менее.
3. Способ улавливания (мет)акролеина или (мет)акриловой кислоты по п.1, где вся газообразная реакционная смесь, подаваемая в установку улавливания из множества местоположений, соударяется непосредственно в центре установки улавливания.
4. Способ улавливания (мет)акролеина или (мет)акриловой кислоты по п.1, где растворитель представляет собой водный растворитель, содержащий 80 мас.% или более воды.
5. Способ улавливания (мет)акролеина или (мет)акриловой кислоты по п.1, где установка улавливания включает аппарат улавливания башенного типа, содержащий колонну улавливания.
6. Установка улавливания для улавливания (мет)акролеина или (мет)акриловой кислоты контактированием газообразной реакционной смеси, охлажденной до 140-250°С, содержащей (мет)акролеин или (мет)акриловую кислоту, полученный/ную реакцией каталитического окисления в паровой фазе одного или обоих реагентов, выбранных из (А) пропана, пропилена или изобутилена и (В) (мет)акролеина, молекулярным кислородом или газом, содержащим молекулярный кислород, с растворителем, температура которого составляет 20-50°С, где установка улавливания включает зону контактирования, имеющую поперечное сечение круглой формы, где газообразная реакционная смесь контактирует с растворителем, множество устройств подачи газообразной реакционной смеси для подачи газообразной реакционной смеси в зону контактирования и устройство подачи растворителя для подачи растворителя в зону контактирования, где устройства подачи газообразной реакционной смеси расположены на той же высоте в зоне контактирования в направлении к центру зоны контактирования таким образом, чтобы вызвать прямое соударение газообразной реакционной смеси в зоне контактирования в одном месте, и установка улавливания не имеет устройства, которое предотвращает прямое соударение газообразной реакционной смеси, подаваемой из устройств подачи газообразной реакционной смеси.
7. Установка улавливания по п.6, где зона контактирования включает колонну улавливания.
РИСУНКИ
|
|