|
|
(21), (22) Заявка: 2007102067/15, 21.06.2005
(24) Дата начала отсчета срока действия патента:
21.06.2005
(30) Конвенционный приоритет:
21.06.2004 GB PCT/GB2004/002656
(43) Дата публикации заявки: 27.07.2008
(46) Опубликовано: 27.04.2009
(56) Список документов, цитированных в отчете о поиске:
GB 1221550 А, 03.02.1971. SU 1838322 А, 30.08.1993. GB 2182563 А, 20.05.1987. US 6784168 В1, 31.08.2004. US 4000657 А, 04.01.1997. П.Р.ТАУБЕ, А.Г.БАРАНОВА. Химия и микробиология воды. – М.: Высшая школа, 1983, с.253, 264, 267. ЕР 0699631 A1, 06.03.1996.
(85) Дата перевода заявки PCT на национальную фазу:
22.01.2007
(86) Заявка PCT:
GB 2005/002439 20050621
(87) Публикация PCT:
WO 2005/123607 20051229
Адрес для переписки:
129090, Москва, ул. Б.Спасская, 25, стр.3, ООО “Юридическая фирма Городисский и Партнеры”, пат.пов. Е.Е.Назиной
|
(72) Автор(ы):
ПЕШЕР Иветт Раймонд Одетт Эльян (FR), ТЭЛБОТ Роберт Эрик (GB), ЛУВЕЛЬ Люк Оливье Энри (FR), ПИЛА-БЕГ Аньес (FR)
(73) Патентообладатель(и):
РОДИА ЮКей ЛИМИТЕД (GB)
|
(54) ПОВЫШЕНИЕ КАЧЕСТВА ИЛА
(57) Реферат:
Изобретение относится к применению эффективного количества неокисляющего водорастворимого биоцида для повышения качества ила за счет уменьшения склонности ила к набуханию. Для обработки используют ил из промышленных или бытовых стоков, из промышленных процессов, включающих производство бумаги, пищевую промышленность и химическую промышленность, из бытовых и коммунальных стоков поселений для проживания и жизнедеятельности человека и т.п. Биоцид представляет собой алкилзамещенное фосфониевое соединение. В качестве алкилзамещенного фосфониевого соединения используют сульфат, хлорид, бромид, ацетат или фосфат тетракис(гидроксиметил)фосфония (THPS). Эффективность биоцида рассчитывают по уменьшению индекса объема ила, определяемого индексом Mohlman, который должен быть до 200 см3/г или менее. Рецептура водорастворимого биоцида в предпочтительном варианте может дополнительно включать один или несколько следующих химикатов: поверхностно-активное вещество, пеногаситель, средство против накипи, ингибитор коррозии, биоцид, флоккулирующий агент, добавку для обезвоживания и диспергирующий агент. Изобретение обеспечивает повышение качества ила за счет значительного уменьшения содержания нитчатых бактерий в обрабатываемом иле, сопровождающегося снижением склонности его к набуханию, при увеличении содержания в иле полезных микроорганизмов, например, простейших и червей. 27 з.п. ф-лы, 2 ил., 3 табл.
Настоящее изобретение относится к применению неокисляющих водорастворимых биоцидов для повышения качества ила, конкретно к применению неокисляющих водорастворимых биоцидов для повышения качества ила путем уменьшения склонности ила к набуханию.
При очистке сточных вод, как из промышленных, так и из бытовых источников, качество ила может быть разным. Предпочтительно иметь ил хорошего качества, который не склонен к набуханию, имеет относительно высокую скорость осаждения и поэтому может быть легко отделен от чистой воды. В противном случае выходящая вода, вероятно, будет мутной и, следовательно, будет загрязнять воду, в которую ее спускают (например, речную воду).
В частности, предпочтительно, чтобы в иле содержалось относительно низкое количество нитчатых бактерий и/или относительно короткие нитчатые бактерии, так как наличие нитчатых бактерий и в особенности бактерий с длинной цепью может вызывать вспухание ила.
Предпочтительно также, когда в иле присутствуют простейшие и/или другие более сложные организмы, в том числе черви, так как они улучшают качество ила. Это происходит потому, что в системах с ростом микрофлоры во взвешенном слое, многие простейшие и коловратки являются хищниками, питающимися бактериями; поэтому считается, что они усиливают как флоккуляцию, так и очистку, так как питаются диспергированными микроорганизмами и органикой.
Соответственно, существует потребность в способах повышения качества ила.
Первый объект настоящего изобретения относится к применению эффективного количества водорастворимого биоцида для улучшения качества ила.
Изобретение конкретно относится к применению эффективного количества неокисляющего водорастворимого биоцида для повышения качества ила путем уменьшения склонности ила к набуханию, где биоцид содержит алкилзамещенное фосфониевое соединение, алкилзамещенный фосфин, конденсированный алкилзамещенный фосфин или полимерное четвертичное аммониевое соединение.
Предпочтительно водорастворимый биоцид применяют для улучшения качества ила путем уменьшения индекса объема ила (SVI), определяемого по индексу Mohlman, до 200 см3/г или меньше, до 200 см3/г или меньше, предпочтительно до 180 см3/г или меньше, более предпочтительно до 170 см3/г или меньше, наиболее предпочтительно до 150 см3/г или меньше.
Водорастворимый биоцид предпочтительно применяют для повышения качества ила путем уменьшения содержания нитчатых бактерий. В случае набухания (из-за наличия нитчатых бактерий), отличающегося высоким SVI (>300 см/г), уменьшение содержания нитчатых бактерий можно определить по значительному уменьшению SVI до предпочтительных величин, упомянутых выше. Содержание нитчатых бактерий можно уменьшить необратимо, убивая бактерии или на время, например, инактивируя бактерии. Предпочтительно, если водорастворимый биоцид добавляют в количестве, эффективном для уменьшения содержания нитчатых бактерий на какое-то время, а не в количестве, эффективном для того, чтобы действительно убить бактерии. Такой подход позволяет использовать более низкую дозу биоцида, что более экономично. Кроме того, применение биоцида в количестве, убивающем бактерии, может ненадлежащим образом повлиять на активность ила, что нежелательно для ряда стадий очистки сточных вод.
Уменьшение содержания нитчатых бактерий может предпочтительно быть таким, чтобы SVI уменьшилось до значения, составляющего 80% или меньше значения SVI перед обработкой, предпочтительно 70% или меньше, более предпочтительно 60% или меньше, предпочтительно 55% или меньше, например, 50% или меньше.
В частности, водорастворимый биоцид используют для повышения качества ила предпочтительно путем уменьшения содержания ниточных бактерий одного или нескольких видов, выбранных из следующих родов: Thiothrix sp., Type 021N, H.hydrossis, Type 0092, N.limicola, Type 0041 и Type 0803.
Альтернативно или дополнительно водорастворимый биоцид можно применять для повышения качества ила предпочтительно путем уменьшения содержания бактерий. Содержание длинноцепочечных нитчатых бактерий можно уменьшить необратимо, убивая длинноцепочечные нитчатые бактерии, или на время, например, инактивируя длинноцепочечные нитчатые бактерии, или разрывая длинные нитчатые бактерии на более короткие нити. Предпочтительно водорастворимый биоцид добавляют в количестве, эффективном для уменьшения содержания длинноцепочечных нитчатых бактерий на какое-то время, а не в количестве, эффективном для того, чтобы действительно убить бактерии. Такой подход позволяет использовать более низкую дозу биоцида, что более экономично. Кроме того, применение биоцида в количестве, убивающем бактерии, может ненадлежащим образом повлиять на активность ила, что нежелательно для ряда стадий очистки сточных вод.
Предпочтительно уменьшают содержание длинноцепочечных нитчатых бактерий длиной >500 мкм, например, можно предпочтительно уменьшать содержание длинноцепочечных нитчатых бактерий длиной >600 мкм. Содержание длинноцепочечных нитчатых бактерий длиной >500 мкм уменьшают предпочтительно в 2 раза или больше, более предпочтительно в 3 раза или больше, наиболее предпочтительно в 4 раза или больше, например, примерно в 5 раз.
Особенно предпочтительно, если водорастворимый биоцид применяют для повышения качества ила путем уменьшения содержания нитчатых бактерий таким образом, что уменьшается общая длина нитей в поле микроскопа. Общая длина нитей в поле микроскопа предпочтительно уменьшается в 2 и более раз, более предпочтительно в 3 и более раз, наиболее предпочтительно – в 5 раз и больше, например, в 7 раз и больше, например, примерно в 10 раз.
Предпочтительно, если эффективное количество водорастворимого биоцида, используемого для повышения качества ила, не уменьшает содержания простейших и/или других более сложных организмов и даже может увеличивать содержание простейших и/или других более сложных организмов.
Предпочтительно, если эффективное количество водорастворимого биоцида, используемого для повышения качества ила, не уменьшает активность ила и может увеличивать активность ила.
Эффективное количество используемого водорастворимого биоцида составляет соответственно от 0,01 до 5000 м.д., например, от 0,05 до 3000 м.д., предпочтительно 0,1 до 1000 м.д. Используемое количество составляет предпочтительно от 0,05 до 500 м.д., например, от 0,1 до 300 м.д., предпочтительно от 0,5 до 200 м.д. Более предпочтительно, если используемое количество составляет от 0,1 до 100 м.д., например, от 0,5 до 80 м.д., предпочтительно от 0,75 до 50 м.д., например, от 1 до 40 м.д. Наиболее предпочтительно, если используемое количество составляет от 0,1 до 30 м.д., предпочтительно от 0,5 до 25 м.д., например, от 0,75 до 20 м.д., предпочтительно от 1 до 15 м.д. В одном варианте осуществления изобретения используемое количество составляет от 0,5 до 20 м.д., предпочтительно от 1 до 10 м.д., например, от 2 до 7 м.д., предпочтительно от 3 до 5 м.д. Соответствующее количество будет, разумеется, зависеть от первоначального качества ила, который подлежит обработке, и требуемого улучшения его качества.
На предшествующем уровне техники известны как окисляющие, так и неокисляющие водорастворимые биоциды. Водорастворимый биоцид, применяемый в настоящем изобретении, является неокисляющим. Считается, что неокисляющий биоцид в меньшей степени реагирует с инертным органическим веществом и, следовательно, более специфично воздействует на бактерии.
Используемый биоцид должен представлять собой такой биоцид, который пригоден для применения в любой водной системе, и поэтому он предпочтительно должен обладать низкой токсичностью для окружающей среды. Например, предпочтительным может быть биоцид, который обладает низкой персистентностью в окружающей среде и/или хорошей способностью к биологическому разложению.
Соответственно, в настоящем изобретении не используют биоциды, которые, как известно, не подходят для применения в водных средах, такие, как биоциды, обладающие относительно высокой токсичностью для окружающей среды (например, производные фенола, например, 2,4-динитрофенол и пара-нитрофенол; цианиды, такие, как цианид калия; соединения олова, такие, как ацетат трифенилолова; и толуол).
Неокисляющий водорастворимый биоцид, используемый в настоящем изобретении, содержит алкилзамещенное фосфониевое соединение, или алкилзамещенный фосфин, или продукт конденсации алкилзамещенного фосфина, или полимерное четвертичное аммониевое соединение.
Неокисляющий водорастворимый биоцид может, если желательно, содержать смеси двух или нескольких таких соединений. Альтернативно, водорастворимый биоцид может содержать только одно такое соединение.
В одном варианте осуществления изобретения используемый в настоящем изобретении водорастворимый биоцид содержит алкилзамещенное фосфониевое соединение, или алкилзамещенный фосфин, или продукт конденсации алкилзамещенного фосфина.
Более предпочтительно, если неокисляющий водорастворимый биоцид содержит алкилзамещенное фосфониевое соединение формулы (I), или алкилзамещенный фосфин формулы (II), или продукт конденсации формулы (III):

где X обозначает анион;
n обозначает валентность аниона X, изображаемую m;
заместители А могут быть одинаковыми или различными и каждый выбран из OH, ORа, SO3Rа, PO3Rа 2, COOH, COORа, SO3H, PO3H2, CH2COOH, замещенного алкила, арила и замещенных аминогрупп;
каждый R и каждый Rа (если имеется) в каждой группе A независимо выбран из водорода, C1-С20алкила, арила, замещенного алкила или арила, карбокси- или сложноэфирной группы, где CR2 группы могут быть одинаковыми или различными.
R” обозначает двухвалентный углеводородный радикал, содержащий от 2 до 20 атомов углерода, необязательно замещенный одним или несколькими заместителями, выбранными из группы, состоящей из галогена, гидрокси-, карбокси-, амино-, алкиламино- или PR1 mCH2OH групп, и/или его углеродная цепь необязательно «прервана» одной или несколькими эфирными или карбонильными связями;
каждый R1 независимо обозначает одновалентный углеводородный радикал, содержащий от 1 до 25 атомов углерода, необязательно замещенный одним или несколькими заместителями, выбранными из группы, состоящей из галогена, гидрокси-, карбокси-, амино-, алкиламино- или PR1 vCH2OH групп, и/или его углеродная цепь необязательно «прервана» одной или несколькими эфирными или карбонильными связями; и
в формуле (III) каждый v обозначает 1 или 2, k представляет собой 0-10 (например, от 1 до 10), x обозначает количество групп в молекуле с v=2 и X обозначает совместимый анион с валентностью y, такой, при котором соединение является водорастворимым.
X предпочтительно выбран из группы, состоящей из хлорида, сульфата, фосфата, ацетата и бромида.
В особенно предпочтительном варианте осуществления изобретения алкилзамещенное фосфониевое соединение представляет собой сульфат тетракис(гидроксиметил)фосфония (THPS). Однако алкилзамещенное фосфониевое соединение может также предпочтительно быть выбрано из группы, состоящей из хлорида тетракис(гидроксиметил)фосфония, бромида тетракис(гидроксиметил)фосфония, ацетата тетракис(гидроксиметил)фосфония и фосфата тетракис(гидроксиметил)фосфония.
Алкилзамещенный фосфин предпочтительно представляет собой трис(гидроксиметил)фосфин (THP).
Продукт конденсации предпочтительно представляет собой продукт конденсации трис(гидроксиоргано)фосфина, более предпочтительно продукт конденсации трис(гидроксиоргано)фосфина с азотсодержащим соединением.
Азотсодержащее соединение предпочтительно представляет собой мочевину. Альтернативно, азотсодержащее соединение может быть выбрано из C1-20алкиламина, дициандиамида, тиомочевины и гуанидина.
В одном варианте осуществления изобретения неокисляющий водорастворимый биоцид может содержать полимерное четвертичное аммониевое соединение, например, полиоксиэтилен(диметилимино)этилендихлорид. В качестве подходящего полимерного четвертичного аммониевого соединения можно упомянуть GLOKILL PQ (имеющийся в продаже от компании Rhodia).
Если необходимо, биоцид может дополнительно содержать другие водорастворимые биоцидные соединения. Например, он может дополнительно содержать неокисляющее соединение, выбранное из:
четвертичных аммониевых соединений, например, додецилтриметиламмонийхлорида, цетилтриметиламмонийбромида, бензалконийхлорида, дидецилдиметиламмонийхлорида и алкилдиметилбензиламмонийхлорида;
гидрохлоридов полимерных бигуанидов, например, гидрохлорида полигексаметиленбигуанида, гидрохлорида додецилгуанидина;
трис(гидроксиметил)нитрометана;
4,4-диметилозазолидина;
феноксипропанола;
феноксиэтанола;
глиоксаля;
акролеина;
альдегидов, например, формальдегида, глутаральдегида;
триазинов, например, 1,3,5-трис(2-гидроксиэтил)-1,3,5-гексагидротриазина;
четвертичных фосфониевых соединений, например, трибутилтетрадецилфосфонийхлорида и тетрадецилтрибутилфосфонийхлорида;
2-бром-4-гидроксиацетофенона;
карбаматов, например, N-диметилкарбамата натрия, динатрийэтиленбисдитиокарбамата;
трет-бутилазина;
тетрахлор-2,4,6-циано-3-бензонитрила;
производных тиазола и изотиазола, таких как 2-метил-4-изотиазолин-3-он, 5-хлор-2-метил-4-изотиазолин-3-он, 5-хлор-2-метил-3(2H)-изотиазолон и 1,2-бензизотиазолин-3-он;
соединений с активированными группами галогена, таких как 2-бром-2-нитропропан-1,3-диол;
бисхлорметилсульфона и
метиленбистиоцианата.
В рецептуру водорастворимого биоцида может быть дополнительно включены один или несколько из нижеследующих химикатов, обычно используемых в очистке сточных вод:
поверхностно-активное вещество,
пеногаситель,
средство против накипи,
ингибитор коррозии,
биоцид,
флоккулирующий агент,
добавка для обезвоживания и
диспергирующий агент.
Ил может представлять собой ил из промышленных или бытовых стоков. В частности, ил может быть илом из промышленных процессов, включающих производство бумаги, пищевую промышленность и химическую промышленность, или из бытовых и коммунальных стоков поселений для проживания и жизнедеятельности человека.
Водорастворимый биоцид можно использовать надлежащим образом в процессе очистки воды и можно использовать в любой подходящий момент во время такого процесса. Конкретно, водорастворимый биоцид может быть использован надлежащим образом в процессе очистки воды, осуществляемом на станции очистки сточных вод. Водорастворимый биоцид предпочтительно использовать после стадии аэробного разложения в процессе очистки воды, например, в отстойнике или накопителе. Однако, альтернативно, водорастворимый биоцид мог бы использоваться в процессе очистки воды до стадии аэробного разложения или во время указанной стадии.
Водорастворимый биоцид можно использовать, прибавляя его к илу непрерывно или периодически. Водорастворимый биоцид предпочтительно прибавлять периодически, например, отдельными порциями один или несколько раз по мере необходимости.
В одном варианте осуществления изобретения к илу добавляют одну отдельную порцию эффективного количества биоцида, затем одну или несколько дополнительных порций эффективного количества биоцида добавляют к илу по мере необходимости. Конкретно, после первого прибавления биоцида качество ила можно контролировать (например, путем мониторинга SVI), и каждый раз, когда качество ила не отвечает требуемым критериям (например, когда один из предпочтительных желаемых критериев, обсуждаемых выше, например, SVI, определяемый по индексу Mohlman, составляет 200 см3/г или меньше), осуществляют прибавление дополнительной порции эффективного количества биоцида к илу.
Соответственно, можно прибавлять эффективное количество биоцида два раза или несколько раз, причем прибавлять порции биоцида через любые подходящие промежутки времени). Указанный промежуток времени в одном варианте осуществления изобретения может составлять 12 часов или больше, например, 24 часа или больше, например 48 часов или больше.
В предпочтительном варианте осуществления изобретения водорастворимый биоцид добавляют одной или несколькими отдельными порциями в отстойник или накопитель по мере необходимости, например, прибавляя биоцид на входе отстойника или накопителя.
Изобретение также относится к способу улучшения качества ила путем уменьшения склонности ила к набуханию, причем указанный способ включает прибавление неокисляющего водорастворимого биоцида к илу, где биоцид содержит алкилзамещенное фосфониевое соединение, алкилзамещенный фосфин, продукт конденсации алкилзамещенного фосфина или полимерное четвертичное аммониевое соединение.
Предпочтительные признаки указанного способа представляют собой такие, как обсуждались выше в связи с применением настоящего изобретения.
Теперь изобретение будет описано примерами со ссылкой на нижеследующие примеры и сопровождающие их чертежи:
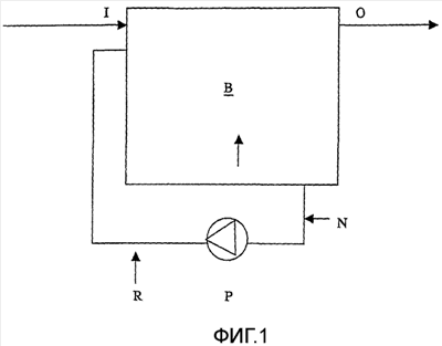
фиг.1 представляет собой схему, иллюстрирующую способ мгновенного смешивания;
фиг.2 представляет собой схему системы полунепрерывных хемостатических реакторов.
На фиг.1 показан обычный биореактор В с линией рециркуляции R, в которую может быть введен водорастворимый биоцид. Биореактор содержит ил, который по существу представляет собой массу микроорганизмов для очистки сточных вод, таких, как бактерии, простейшие, черви и грибы. В биореакторе В имеются вход I для сточных вод и выход 0 для очищенной воды. С помощью насоса Р ил извлекают из биореактора и подают в линию рециркуляции R. Обычно используют шланговый насос. Подходящий водорастворимый биоцид вводят в ил в линии рециркуляции через иглу, соединенную со шприцевым насосом N. Следует понимать, что в биореактор промышленных масштабов водорастворимый биоцид вводят через тройниковое соединение или трубку для введения, а шланговый насос может быть заменен винтовым насосом. Это делает возможным непосредственный контакт ила с водорастворимым биоцидом. Водорастворимый биоцид может быть введен в линию рециркуляции R в место, расположенное позади насоса Р или перед ним.
Однако следует понимать, что осуществление изобретения не ограничено применением способа «мгновенного смешивания» и при желании можно использовать другие способы дозирования.
Пример 1 – Исследования на полупериодической пилотной установке для мгновенного смешивания.
1. Оборудование
Сооружают ряд полупериодических хемостатических реакторов, чтобы имитировать способы очистки сточных вод. Схема установки полупериодического хемостатического реактора показана на фиг.2.
Центральной частью установки является биологический хемостатический реактор 1.
Реакционный сосуд 2 (внутренний объем 10 л) изготовлен из стекла и снабжен 4 датчиками растворенного кислорода с pH 3 и барботером воздуха 5. В сосуде находится ил, который по существу представляет собой обычные микроорганизмы для очистки воды. Реактор работает при температуре окружающей среды (приблизительно 20°C).
Имитационные сточные воды 13 содержатся в отдельном сосуде 6, в котором поддерживается температура 4°С, чтобы не допустить бактериальной порчи. Сточные воды 13 переносят в реактор через линию подачи 7 и шланговый насос 8.
Реактор обеспечен линией рециркуляции 9, включающей участок гибкого силиконового трубопровода и шланговый насос. С помощью шлангового насоса извлекают ил из реактора и подают в линию рециркуляции. Подходящий водорастворимый биоцид вводят в указанную линию 9 иглой 11, в которую он подается шприцевым насосом 12. С помощью указанной системы можно добиться «мгновенного смешивания», которое обеспечивает быстрый контакт водорастворимого биоцида с микроорганизмами ила. Внутренний диаметр линии рециркуляции составлял 8 мм и скорость потока 0,5 метра в секунду, что обеспечивает время контакта подходящего водорастворимого биоцида и ила, равное 3 секундам до его повторного введения в реактор.
Обработанный сток 17 удаляют из реактора в сосуд-приемник 16 через выпускной трубопровод 15.
2. Методика
В реактор загружают ил, полученный из муниципальной станции очистки сточных вод в Courly-Lyon (Франция). Указанный ил обеспечивает «затравку», чтобы начать процесс. Затем реактор заполняют имитационными сточными водами до отметки 5 л. Доводят рН приблизительно до 7,5 и начинают аэрацию. В реактор непрерывно подают имитационные сточные воды со скоростью 800 мл в день имитационными сточными водами, изготовленными по рецептуре, показанной в таблице В.
Каждый будний день (т.е. 5 раз в неделю) 13,3% содержимого реактора удаляют, чтобы поддерживать равновесие. Это обеспечивает возраст ила в реакторе 7,5 дня.
Также каждый будний день после регулировок, описанных в предыдущем абзаце, в систему вводят подходящий водорастворимый биоцид (в виде разбавленного раствора) через линию рециркуляции для мгновенного смешивания. Разбавленный раствор приготавливают, растворяя 10 граммов гидрокарбоната натрия в приблизительно 900 мл деионизированной воды, добавляют 5 граммов подходящего водорастворимого биоцида и хорошо перемешивают. Затем объем полученной смеси доводят до 1 литра деионизированной водой. В систему вводят соответствующий объем полученного разбавленного раствора, обеспечивающий получение требуемой дозы.
Опыт проводят в течение 52 дней до прекращения эксплуатации системы.
3. Испытываемые концентрации
В описанном ниже тесте оценивают соединение X в виде 75% водного раствора сульфата тетракис(гидроксиметил)фосфония (THPS). Оценивались две концентрации: 2 и 4 миллиграмма на литр в день, а также контроль, который не обрабатывали веществом X.
4. Результаты
Исследование контроля (необработанного ила) показало пролиферацию нитчатых бактерий в иле, хотя их по существу не было в иле, взятом из систем, обработанных соединением X.
Существенно более высокая концентрация простейших и других более сложных организмов отмечалась в обработанном иле, чем в необработанном.
Обработка соединением X не уменьшала флокуляцию ила.
5. Комментарии
Проведенное исследование подтвердило, что мгновенная обработка соединением X в низких дозах способно значительно повышать качество ила, в результате получают ил, который будет легче флокулировать, обеспечивая, таким образом, технологические преимущества.
Композиция имитационных сточных вод
| Таблица В |
| Компонент |
Концентрация (мг/л) |
| Уксусная кислота |
3400 |
| Сахароза |
600 |
| Экстракт дрожжей |
1200 |
| Пептон казеина |
600 |
| Сульфат калия |
180 |
| Гептагидрат сульфата магния |
180 |
| Гептагидрат сульфата железа (II) |
30 |
| Хлорид кальция безводный |
20 |
| disodium hydrogen |
280 |
| Гидрокарбонат натрия |
Количество, необходимое для доведения рН до 4,3 |
Пример 2 – Тесты на осаждение в пробирках
1. Методика
Образцы отбирают из полунепрерывных реакторов, описанных в примере 1, через 48 дней после начала опыта и помещают в пробирки.
Образцы с каждой из концентраций соединения X, испытываемых в реакторах примера 1, оценивают в рассматриваемом тесте. Соответственно испытывают образцы, обработанные соединением Х в концентрациях 2 и 4 миллиграмма на литр в день, а также контрольный образец без обработки соединением X.
Пробирки оставляют для осаждения на 1 час, чтобы дать возможность илу отстояться в воде.
2. Результаты
Результаты наблюдений после осаждения показаны на примерах 3А-С.
| Пример |
Обработка |
Наблюдения |
| 3А |
Отсутствует (контроль) |
Мутная вода, так как ил не осажден |
| 3В |
2 мг/л/день |
Прозрачная вода с осажденным илом на дне |
| 3С |
4 мг/л/день |
Прозрачная вода с осажденным илом на дне |
3. Комментарии
Вышеописанное исследование подтвердило, что обработка сточных вод соединением Х в низких дозах может значительно повысить скорость осаждения ила, обеспечивая, таким образом, технологический эффект.
Пример 3 – Результаты наблюдений по качеству ила
1. Методика
Образцы отбирают из полунепрерывных реакторов, описанных в примере 1, через 48 дней после начала опыта и помещают в пробирки.
Образцы с каждой из концентраций соединения X, испытываемых в реакторах примера 1, оценивают в рассматриваемом тесте. Соответственно испытывают образцы, обработанные соединением Х в концентрациях 2 и 4 миллиграмма на литр в день, а также контрольный образец без обработки соединением X.
Образцы наблюдают в фазово-контрастном микроскопе при увеличении в 220 раз.
2. Результаты
Результаты наблюдений микрофотографий образцов ила показаны на примерах 4А-С.
| Пример |
Обработка |
Наблюдения |
| 4А |
Отсутствует (контроль) |
Ясно видно, что длинноцепочечные нитчатые бактерии присутствуют (нитевидная масса) |
| 4В |
2 мг/л/день |
нитчатые бактерии отсутствуют и ясно видно, что присутствуют простейшие |
| 4С |
4 мг/л/день |
нитчатые бактерии отсутствуют и ясно видно, что присутствуют простейшие и черви |
Можно добиться уменьшения количества нитчатых бактерий и, следовательно, улучшения осаждения ила с помощью введения двух доз по 4 мг/л/день (т.е. дозу 4 мг/л/день два дня подряд), и уровень нитей остается низким в течение более чем одной недели без дополнительной обработки.
3. Комментарии
Данное исследование подтвердило, что обработка сточных вод соединением X в низких дозах может значительно уменьшить содержание нитчатых бактерий в иле, а также увеличить содержание полезных организмов, таких, как простейшие и черви, обеспечивая таким образом технологический эффект.
Формула изобретения
1. Применение эффективного количества неокисляющего водорастворимого биоцида для повышения качества ила путем уменьшения склонности ила к набуханию, где биоцид включает алкилзамещенное фосфониевое соединение.
2. Применение по п.1, где водорастворимый биоцид применяют для повышения качества ила путем уменьшения индекса объема ила (SVI), определяемого по индексу Mohlman, до 200 см3/г или меньше.
3. Применение по п.2, где SVI уменьшают до 180 см3/г или меньше.
4. Применение по п.3, где SVI уменьшают до 150 см3/г или меньше.
5. Применение по любому из предшествующих пунктов, где SVI уменьшают до значения, составляющего 80% или меньше значения SVI до обработки.
6. Применение по п.5, где SVI уменьшают до значения, составляющего 60% или меньше значения SVI до обработки.
7. Применение по п.1, где водорастворимый биоцид используют для повышения качества ила путем уменьшения содержания нитчатых бактерий.
8. Применение по п.7, где водорастворимый биоцид используют для повышения качества ила путем уменьшения содержания нитчатых бактерий одного или нескольких видов, выбранных из следующих родов: Thiothrix sp., Type 021N, H.hydrossis, Type 0092, N.limicola, Type 0041 и Type 0803.
9. Применение по п.1, где водорастворимый биоцид используют для повышения качества ила путем уменьшения содержания длинноцепочечных нитчатых бактерий.
10. Применение по п.9, где уменьшают содержание длинноцепочечных нитчатых бактерий длиной >500 мкм.
11. Применение по п.10, где содержание длинноцепочечных нитчатых бактерий длиной >500 мкм уменьшают в 2 раза или больше.
12. Применение по п.11, где содержание длинноцепочечных нитчатых бактерий длиной >500 мкм уменьшают в 4 раза или больше.
13. Применение по пп.7-12, где водорастворимый биоцид используют для повышения качества ила путем уменьшения содержания нитчатых бактерий таким образом, что уменьшается общая длина нитей в поле микроскопа.
14. Применение по п.13, где общую длину нитей в поле микроскопа уменьшают в 2 раза или больше.
15. Применение по п.14, где общую длину нитей в поле микроскопа уменьшают в 5 раз или больше.
16. Применение по п.1, где эффективное количество используемого биоцида составляет от 0,01 до 5000 м.д.
17. Применение по п.16, где эффективное количество используемого биоцида составляет от 0,05 до 500 м.д.
18. Применение по п.17, где эффективное количество используемого биоцида составляет от 0,1 до 100 м.д.
19. Применение по п.18, где эффективное количество используемого биоцида составляет от 0,1 до 30 м.д.
20. Применение по п.1, где алкилзамещенное фосфониевое соединение представляет собой сульфат тетракис(гидроксиметил)фосфония (THPS).
21. Применение по п.1, где алкилзамещенное фосфониевое соединение выбирают из группы, состоящей из хлорида тетракис(гидроксиметил)фосфония, бромида тетракис(гидроксиметил)фосфония, ацетата тетракис(гидроксиметил)фосфония и фосфата тетракис(гидроксиметил)фосфония.
22. Применение по п.1, где рецептура водорастворимого биоцида дополнительно включает один или несколько следующих химикатов, обычно используемых для очистки сточных вод: поверхностно-активное вещество, пеногаситель, средство против накипи, ингибитор коррозии, биоцид, флоккулирующий агент, добавка для обезвоживания и диспергирующий агент.
23. Применение по п.1, где ил представляет собой ил из промышленных или бытовых стоков.
24. Применение по п.23, где ил является илом из промышленных процессов, включающих производство бумаги, пищевую промышленность и химическую промышленность или из бытовых и коммунальных стоков поселений для проживания и жизнедеятельности человека и т.п.
25. Применение по п.1, где водорастворимый биоцид используют во время процесса очистки воды, осуществляемого на станции очистки сточных вод.
26. Применение по п.25, где водорастворимый биоцид используют во время процесса очистки воды после стадии аэробного разложения.
27. Применение по п.26, где водорастворимый биоцид используют в отстойнике или в накопителе во время процесса очистки воды.
28. Применение по п.1, где водорастворимый биоцид добавляют периодически.
РИСУНКИ
|
|