|
|
(21), (22) Заявка: 2007133628/15, 07.09.2007
(24) Дата начала отсчета срока действия патента:
07.09.2007
(46) Опубликовано: 27.04.2009
(56) Список документов, цитированных в отчете о поиске:
RU 2216505 С2, 20.11.2003. SU 1685865 A1, 23.10.1991. RU 2109679 C1, 27.04.1998. GB 668874 A, 26.03.1952. JP 2000001305 A, 07.01.2000. GB 778966 A, 17.07.1957.
Адрес для переписки:
429950, Чувашская Республика, г. Новочебоксарск, ул. Советская, 38, кв.89, Н.И. Савельеву
|
(72) Автор(ы):
Савельев Алексей Николаевич (RU), Савельев Николай Иванович (RU)
(73) Патентообладатель(и):
Савельев Алексей Николаевич (RU)
|
(54) ДВУХСТАДИЙНЫЙ СПОСОБ ВЫДЕЛЕНИЯ 40-60% ВОДНОГО РАСТВОРА ПЕРОКСИДА ВОДОРОДА
(57) Реферат:
Изобретение относится к химической технологии неорганических веществ, конкретно к выделению 40-60% водного раствора пероксида водорода из оксидата, полученного окислением изопропанола кислородсодержащим газом. Сущность изобретения: на первой стадии перед вакуумной ректификацией из оксидата в отпарной колонне при абсолютном давлении 65-110 кПа отгоняют легкую фракцию в количестве 0,2-0,6 мас. ч. от потока исходного оксидата, а вакуумную ректификацию проводят при остаточном давлении 25-65 кПа. Технический результат: повышение выхода пероксида водорода и снижение энергетических затрат. 2 ил., 2 табл.
Изобретение относится к химической технологии неорганических веществ, конкретно к процессу выделения водного 40-60% пероксида водорода из оксидата, полученного окислением изопропанола кислородсодержащим газом.
Данный жидкий продукт используют в качестве отбеливателя в целлюлозно-бумажной и текстильной промышленности, а твердые продукты дальнейшей его переработки в виде перкарбоната и пербората натрия входят в составы моющих, отбеливающих и дезинфицирующих средств бытового, промышленного и медицинского назначения.
Оксидат получают окислением изопропанола в присутствии до 25 мас.% воды газом, содержащим до 70 об.% кислорода, при давлении выше 1,0 МПа и температуре 120-160°С (патент 2109679 RU «Способ получения пероксида водорода», МПК6 С01В 15/023, опубл. 1998.04.27).
Из охлажденного оксидата, содержащего ацетон, изопропанол, воду, пероксид водорода, стабилизатор и органические примеси, товарный пероксид водорода в промышленности выделяют вакуумной ректификацией при температуре куба колонны 90-95°С (Химия и технология перекиси водорода. / Под ред. Г.А.Серышева. – Л.:Химия, 1985. С.101-103).
С целью повышения выхода пероксида водорода горячий оксидат из реактора окисления предложено дросселировать непосредственно в вакуумную ректификационную колонну, в куб которой непрерывно подают воду, а водный раствор пероксида водорода отбирают с глухой по жидкости тарелки, расположенной над кубом (авт. свид. 1685865 SU «Способ получения водного раствора пероксида водорода», МПК5 С01В 15/026, опубл. 23.10.1991). Однако данным способом реально можно получить только 20-30 мас.% водный раствор пероксида водорода.
С целью повышения выхода пероксида водорода и снижения энергетических затрат оксидат перед вакуумной ректификацией предложено подвергать испарению при давлении 0,1-0,2 МПа и температуре 85-95°С за счет внутреннего тепла, выделяющегося при охлаждении оксидата со 125-130°С до 85-95°С (патент 2216505 «Способ выделения водных растворов пероксида водорода», МПК7 С01В 15/026, опубл. 2003.11.20). На первой стадии путем самоиспарения из оксидата в паровую фазу отделяют 0,10-0,15 мас. ч. от количества исходного оксидата и снижают концентрацию ацетона в жидкой фазе с 18,7 до 16,35 мас.%. На второй стадии вакуумной ректификацией из жидкой фазы при остаточном давлении 25-65 кПа получают 35-40 мас.% пероксида водорода.
Недостатком известного двухстадийного способа (прототипа) является рост потерь пероксида водорода при производстве 40-60 мас.% продукта, так как на стадии вакуумной ректификации из жидкой фазы необходимо отогнать в дистиллят более 0,7 мас. ч. от исходного количества оксидата при температуре куба колонны выше 90°С. При такой температуре в производственных условиях из-за термической деструкции теряется 2-3% исходного пероксида водорода.
Задачей данного изобретения является снижение потерь при выделении из оксидата 40-60% пероксида водорода.
Для решения поставленной задачи на первой стадии перед вакуумной ректификацией из оксидата в отпарной колонне при абсолютном давлении 65-110 кПа отгоняют легкую фракцию в количестве 0,2-0,6 мас. ч. от потока исходного оксидата.
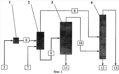
На фиг.1 представлена принципиальная блок-схема материальных потоков установки двухстадийного выделения из оксидата 40-60% пероксида водорода. На фиг.2 показаны область детонации смесей и составы жидкости на ступенях колонны вакуумной ректификации (пример 3).
Установка включает, фиг.1, узел дросселирования и испарения 1, отпарную колонну 2, колонну вакуумной ректификации 3 и колонну концентрирования ацетона 4.
Исходный оксидат, содержащий ацетон, изопропанол, воду, пероксид водорода, стабилизатор и органические примеси (поток 5), с начальной температурой 120-140°С и давлением 1,0-1,5 МПа из реактора окисления изопропанола пропускают через узел дросселирования и испарения 1, в котором давление снижают до 65-110 кПа и при необходимости дополнительно испаряют жидкую фазу подводом тепла от внешнего источника. Полученную парожидкостную смесь (поток 6) подают в отпарную колонну 2 с разделяющей способностью 3-6 теоретических тарелок. В нижнюю часть отпарной колонны вводят водяной пар или смесь паров ацетона, изопропанола и воды (поток 7), полученную путем испарения воды из абсорбера газоочистки. Отогнанный первичный дистиллят (поток 8) в количестве 0,2-0,6 мас. ч. от количества исходного оксидата направляют в колонну концентрирования ацетона 4, а отпаренный оксидат (поток 9) подают в колонну вакуумной ректификации 3.
Отогнанный в колонне 3 вторичный дистиллят (поток 10) также направляют в колонну концентрирования ацетона 4. Кубовым продуктом выделяют целевой 40-60% пероксид водорода (поток 11).
В колонне 4 кубовым остатком получают смесь изопропанола и воды (поток 12), которую возвращают в реактор окисления. Дистиллят (поток 13) используют как товарный ацетон или перерабатывают в изопропанол методом гидрогенизации.
Рабочие параметры процесса выделения 40-60% пероксида водорода на описанной установке рассчитаны по программе ChemCAD. Материальные и тепловые потоки даны в расчете на 1 т исходного оксидата.
Пример 1. Оксидат с температурой 127°С и давлением 1,1 МПа дросселируют до давления 105 кПа с подводом Q1=166 МДж/т тепла и подают в нижнюю часть колонны 2, работающей при флегмовом числе R2=0,2. В нижнюю часть этой колонны подают 0,062 т/т водяного пара с подводом Q2=962 МДж/т тепла и отбирают дистиллятом отгон легкой фракции в количестве 0,338 т/т. Отпаренный оксидат подают в среднюю часть колонны вакуумной ректификации 3, работающей при флегмовом числе R3=0,25 и остаточном давлении внизу колонны 50 кПа. В испаритель колонны 3 подводят Q3=673 МДж/т тепла при температуре 93°С. Из колонны отбирают вторичный дистиллят и товарный пероксид водорода.
Данные о количестве и составах материальных потоков представлены в таблице 1. Из оксидата типового состава (поток 4) получают товарный 50% пероксид водорода (поток 11). При доле отгона легкой фракции на первой стадии 0,338 т/т потери пероксида водорода с первичным дистиллятом (поток 8) от исходного количества составляют всего 0,08%. Общий расход тепла составляет 1801 МДж/т, из которого на испаритель вакуумной колонны 3, работающий в наиболее жестких условиях, приходится 37%.
Пример 2. Процесс выделения осуществляют по аналогии с примером 1 из оксидата идентичного состава. На первой стадии при давлении 110 кПа и подаче 0,108 т/т водяного пара отгоняют 0,181 т/т легкой фракции. Потери перекиси водорода с легкой фракцией от его количества в исходном оксидате составляют 0,04%. На второй стадии при давлении внизу колонны 60 кПа получают 40% пероксид водорода. Общий расход тепла составляет 2526 МДж/т, из которого на испаритель вакуумной колонны приходится 33%.
Пример 3. Процесс выделения осуществляют по аналогии с примером 1 из оксидата идентичного состава. На первой стадии при давлении 70 кПа и подаче 0,054 т/т водяного пара отгоняют 0,474 т/т легкой фракции. Потери пероксида водорода с легкой фракцией от исходного количества составляют 0,10%. На второй стадии при давлении внизу колонны 40 кПа получают 60% пероксид водорода. Общий расход тепла составляет 1700 МДж/т, из которого на испаритель вакуумной колонны приходится 34%.
Пример 4 (сравнительный). Исходный оксидат с температурой 127°С и давлением 1,1 МПа, состав которого идентичен составу оксидата из примера 1, дросселируют без подвода тепла. Из полученной смеси без подачи водяного пара отделяют легкую фракцию. Жидкий остаток подают в колонну вакуумной ректификации. При давлении на выходе из дросселирующего узла 105 кПа количество легкой фракции составляет 0,20 т/т, с которой уносится 1,3% исходного пероксида водорода.
Использование нового двухстадийного способа выделения пероксида водорода по сравнению с известным способом позволяет уменьшить потери пероксида водорода:
– на первой стадии с потоком легкой фракции с 1,3% до 0,1%;
– на второй стадии вследствие снижения тепловой нагрузки на испаритель колонны вакуумной ректификации с 2-3 до 1-2%.
Неожиданно также оказалось, что при увеличении концентрации пероксида водорода в продукте с 40 до 60% общий удельный расход тепловой энергии на двух стадиях можно снизить с 2526 до 1700 МДж/т (для исходного оксидата, содержащего 8,6 мас.% пероксида водорода).
В процессе выделении пероксида водорода с концентрацией выше 30% необходимо исключить работу в области, в которой перерабатываемая смесь способна детонировать (У.Шамб, Ч.Сеттерфильд, Р.Вентворс. Перекись водорода. М.: И.Л., 1958. – С.156). При концентрации пероксида водорода 40% содержание кетона и спирта должно быть меньше 10%, соответственно при 50% – меньше 8% и при 60% – меньше 6%, фиг.2. Расчеты показывают, таблица 2, что при вводе необходимого количества водяного пара (поток 7) и правильным выбором тарелки питания попадание в опасную зону концентраций веществ исключается.
Таким образом, данный двухстадийный способ выделения 40-60% водного раствора пероксида водорода с отгонкой на перовой стадии в отпарной колонне при абсолютном давлении 65-110 кПа легкой фракции в количестве 0,2-0,6 массовых частей от потока исходного оксидата является безопасным, позволяет уменьшить потери целевого вещества, а также снизить удельный расход тепла на процесс концентрирования.
Таблица 1 Показатели процесса по примеру 1 |
| Наименование показателя |
Величина показателя для потока |
| 5 |
7 |
8 |
9 |
10 |
11 |
| 1 |
Температура, °С |
127 |
102 |
66 |
84 |
54 |
93 |
| 2 |
Количество, т/т |
1,000 |
0,062 |
0,338 |
0,724 |
0,559 |
0,165 |
| 3 |
Содержание, мас.% |
 |
 |
 |
 |
 |
 |
 |
ацетон |
18,7 |
– |
40,5 |
6,9 |
9,0 |
0,00 |
 |
изопропанол |
56,0 |
– |
48,2 |
54,9 |
71,1 |
0,00 |
 |
вода |
16,7 |
100 |
11,3 |
26,3 |
19,9 |
48,1 |
 |
пероксид водорода |
8,6 |
– |
0,02 |
11,9 |
0,02 |
51,9 |
Таблица 2 Составы паровой и жидкой фаз в колонне вакуумной ректификации 3 вблизи тарелки питания при выделении 50% пероксида водорода (пример 1) и 60% пероксида водорода (пример 3) |
| Наименование компонента |
Содержание компонента на ступени, масс.% |
| выше |
ступень питания |
ниже |
| пар |
жидк. |
пар |
жидк. |
пар |
жидк. |
 |
Пример 1 |
 |
 |
 |
 |
 |
 |
| 1 |
Ацетон |
8,1 |
0,7 |
8,1 |
0,9 |
1,3 |
0,0 |
| 2 |
Изопропанол |
65,1 |
13,1 |
64,8 |
20,3 |
29,5 |
1,7 |
| 3 |
Вода |
26,5 |
78,1 |
26,2 |
60,8 |
66,7 |
77,4 |
| 4 |
Пероксид водорода |
0,3 |
8,1 |
0,9 |
18,0 |
2,5 |
20,9 |
 |
Пример 3 |
 |
 |
 |
 |
 |
 |
| 1 |
Ацетон |
3,3 |
0,2 |
3,3 |
0,3 |
0,4 |
0,0 |
| 2 |
Изопропанол |
65,4 |
10,5 |
65,4 |
15,7 |
23,3 |
1,2 |
| 3 |
Вода |
30,7 |
76,9 |
30,0 |
61,7 |
73,0 |
73,9 |
| 4 |
Пероксид водорода |
0,6 |
12,4 |
1,3 |
22,3 |
3,3 |
24,9 |
Формула изобретения
Двухстадийный способ выделения 40-60%-ного водного раствора пероксида водорода из оксидата, содержащего ацетон, изопропанол, воду, пероксид водорода, стабилизатор и органические примеси, включающий вакуумную ректификацию при остаточном давлении 25-65 кПа, отличающийся тем, что на первой стадии перед вакуумной ректификацией из оксидата при абсолютном давлении 65-110 кПа в отпарной колонне отгоняют легкую фракцию в количестве 0,2-0,6 мас.ч. от потока исходного оксидата.
РИСУНКИ
|
|