|
|
(21), (22) Заявка: 2007137952/11, 12.10.2007
(24) Дата начала отсчета срока действия патента:
12.10.2007
(46) Опубликовано: 27.04.2009
(56) Список документов, цитированных в отчете о поиске:
WO 2005047044 А, 25.05.2005. US 2699075 А, 11.01.1955. SU 1017525 A1, 15.05.1983. SU 818923 A1, 07.04.1981.
Адрес для переписки:
423827, Республика Татарстан, г. Набережные Челны, пр. Автозаводской, 2, ОАО “КАМАЗ”, НТЦ, БПЛиИР, И.Я. Бурганову
|
(72) Автор(ы):
Логунов Юрий Михайлович (RU)
(73) Патентообладатель(и):
Открытое Акционерное Общество “КАМАЗ” (RU)
|
(54) ПРОХОДНАЯ ГИПОИДНАЯ ГЛАВНАЯ ПЕРЕДАЧА
(57) Реферат:
Изобретение относится к транспортному машиностроению, в частности к проходным ведущим мостам. Проходная гипоидная главная передача содержит картер (1) редуктора, ведущий фланец (2), установленный на ведущем валу (3), на который напрессована ведущая цилиндрическая шестерня (4). В картере (1) на конических подшипниках (5) и (6) расположена ведущая гипоидная шестерня (7), выполненная с хвостовиком. В картере (1) расположен межосевой дифференциал, содержащий чашки (10) и (11). Чашка (10) установлена на коническом подшипнике (12), расположенном в картере (1), и выполнена за одно целое с ведомой шестерней (13), входящей в зацепление с ведущей цилиндрической шестерней (4). Чашка (11) установлена на радиально-упорном подшипнике (14), расположенном в картере (1). Полуосевая шестерня (17) межосевого дифференциала соединена посредством шлиц с проходным валом (19) привода задней главной передачи, горизонтальная ось которого расположена ниже оси межколесного дифференциала (20). Полуосевая шестерня (18) установлена на шлицах вал-шестерни (24) соосно валу (19) привода задней главной передачи на подшипниках (25) и (26), расположенных соответственно в картере (1) и чашке (10) межосевого дифференциала. Вал-шестерня (24) входит в зацепление с ведомой шестерней (27), закрепленной на шлицевом конце хвостовика ведущей гипоидной шестерни (7). Технический результат заключается в увеличении долговечности карданного вала и увеличении долговечности гипоидной передачи. 3 ил.
Изобретение относится к транспортному машиностроению, в частности к проходным ведущим мостам.
Известна проходная главная передача, содержащая ведущий фланец, соединенный с ним межосевой дифференциал, одна из полуосевых шестерен которого соединена с цилиндрической зубчатой передачей, состоящей из трех шестерен, одна из которых, ведущая шестерня, установлена на подшипниках, расположенных в картере редуктора и в чашке дифференциала, одна ведомая шестерня закреплена консольно на ведущей гипоидной шестерне, а другая, дополнительная ведомая, шестерня (паразитная) зацеплена одновременно с ведущей и ведомой шестернями и установлена на подшипниках, расположенных в картере (см. З.Яскевич. Ведущие мосты. М.: Машиностроение, 1985, стр.473, рис.8.20).
Недостаток известной конструкции заключается в наличии дополнительной ведомой (паразитной) шестерни, которая несет только одну функциональную нагрузку – передачу крутящего момента от ведомой шестерни к ведущей, в результате чего снижается общий к.п.д. главной передачи, а это ведет к потере мощности, передаваемой главной передачей. Кроме того, необходимо применение масляного насоса для принудительной смазки подшипников, расположенных соосно с межосевым дифференциалом.
Наиболее близкой к заявляемому техническому решению является проходная гипоидная главная передача, содержащая картер редуктора, ведущую гипоидную шестерню, расположенную на конических подшипниках, один из которых установлен в картере редуктора, а другой – в стакане, закрепленном на картере редуктора со стороны вершины конуса гипоидной шестерни, ведущий фланец, установленный на чашке межосевого дифференциала, одна из полуосевых шестерен которого соединена с ведущей гипоидной шестерней, а другая установлена на шлицах проходного вала привода задней главной передачи, горизонтальная ось которого расположена ниже оси межколесного дифференциала (см. патент WO 2005047044, МПК7 В60К 17/36, опубл. 26.05.2005).
Известное техническое решение имеет следующие недостатки:
– низкую долговечность карданного вала, соединяющего проходную гипоидную главную передачу с коробкой передач из-за того, что точка крепления входного ведущего фланца проходной гипоидной главной передачи расположена значительно ниже точки крепления карданного вала к фланцу коробки передач, следствием этого является значительный угол между вилками карданного вала, что приводит к повышенным нагрузкам на детали карданного вала;
– низкую долговечность гипоидного зацепления из-за значительного гипоидного смещения, вызывающего повышенное скольжение в зацеплении и, как следствие, быстрый износ зубьев гипоидных шестерен.
Задачей, на решение которой направлено заявляемое техническое решение, является увеличение долговечности карданного вала, соединяющего проходную гипоидную главную передачу с коробкой передач, а также увеличение долговечности гипоидной передачи. Для решения поставленной задачи в проходной гипоидной главной передаче, содержащей картер редуктора, расположенную на конических подшипниках ведущую гипоидную шестерню с хвостовиком, ведущий фланец, соединенный с межосевым дифференциалом, одна из полуосевых шестерен которого связана с ведущей гипоидной шестерней, а другая установлена на шлицах проходного вала привода задней главной передачи, горизонтальная ось которого расположена ниже оси межколесного дифференциала, полуосевая шестерня межосевого дифференциала связана с ведущей гипоидной шестерней через зубчатую передачу, ведущая вал-шестерня которой соединена с указанной полуосевой шестерней и установлена соосно проходному валу привода задней главной передачи на подшипниках, один из которых расположен в картере редуктора, а другой – в чашке дифференциала, а ведомая шестерня установлена на хвостовике ведущей гипоидной шестерни, при этом ведущий фланец соединен с межосевым дифференциалом через зубчатую передачу, ведущая шестерня которой установлена на ведущем валу и соединена с ведомой шестерней, выполненной за одно целое с чашкой межосевого дифференциала.
Существует следующее противоречие.
С одной стороны, увеличить долговечность карданного вала и гипоидной передачи можно путем уменьшения гипоидного смещения, но это невозможно, так как в этом случае проходной вал привода задней главной передачи будет упираться в полуось.
С другой стороны, увеличить долговечность карданного вала можно также путем уменьшения угла между его вилками за счет увеличения угла установки главной передачи, но в этом случае значительно ухудшаются условия смазки деталей и узлов главной передачи, что приводит к их преждевременному износу и разрушению, вследствие чего уменьшается надежность и долговечность проходной главной передачи в целом.
В заявляемом техническом решении отличительные признаки, заключающиеся в том, что полуосевая шестерня межосевого дифференциала связана с ведущей гипоидной шестерней через зубчатую передачу, ведущая вал-шестерня которой соединена с указанной полуосевой шестерней и установлена соосно проходному валу привода задней главной передачи на подшипниках, один из которых расположен в картере редуктора, а другой – в чашке дифференциала, а ведомая шестерня установлена на хвостовике ведущей гипоидной шестерни, позволяют уменьшить гипоидное смещение в проходной главной передаче, обеспечив при этом работоспособность конструкции.
Отличительный признак, заключающийся в том, что ведущий фланец соединен с межосевым дифференциалом через зубчатую передачу, ведущая шестерня которой установлена на ведущем валу и соединена с ведомой шестерней, выполненной за одно целое с чашкой межосевого дифференциала, позволяет уменьшить расстояние между точкой крепления входного ведущего фланца главной передачи и точкой крепления карданного вала к фланцу коробки, в результате чего уменьшается угол между вилками карданного вала и, как следствие, уменьшаются нагрузки на детали карданного вала.
Такая совокупность существенных признаков, характеризующих созданную проходную гипоидную главную передачу, позволила разрешить указанное противоречие и тем самым увеличить долговечность карданного вала, соединяющего проходную гипоидную главную передачу с коробкой передач, а также увеличить долговечность гипоидной передачи.
Анализ известных технических решений в данной области техники показал, что заявляемое техническое решение имеет признаки, которые отсутствуют в аналогах, а их использование в заявляемой совокупности существенных признаков позволяет получить новый технический результат, следовательно, заявляемое техническое решение соответствует условиям патентоспособности «новизна» и «изобретательский уровень».
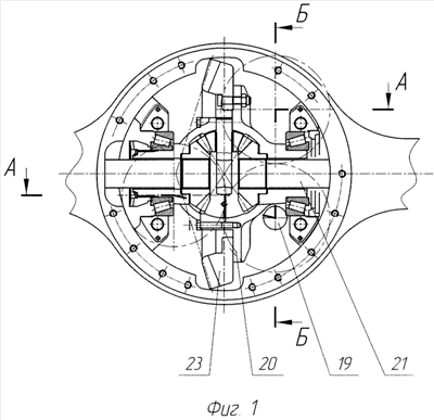
Предлагаемое техническое решение поясняется чертежами:
фиг.1 – проходная гипоидная главная передача, вид спереди;
фиг.2 – разрез А-А на фиг.1;
фиг.3 – разрез Б-Б на фиг.1.
Проходная гипоидная главная передача содержит картер 1 редуктора, ведущий фланец 2, установленный на ведущем валу 3, на который напрессована ведущая цилиндрическая шестерня 4.
В картере 1 на конических подшипниках 5 и 6 расположена ведущая гипоидная шестерня 7, выполненная с хвостовиком. Подшипники 5 и 6 наружными кольцами запрессованы в стакан 8, который болтами через регулировочные прокладки 9 закреплен в картере 1 со стороны большего диаметра гипоидной шестерни 7.
В картере 1 расположен межосевой дифференциал, содержащий чашки 10 и 11. Чашка 10 установлена на роликовом радиальном подшипнике 12, расположенном в картере 1, и выполнена за одно целое с ведомой цилиндрической шестерней 13, входящей в зацепление с ведущей цилиндрической шестерней 4, а чашка 11 установлена на радиально-упорном подшипнике 14, расположенном в картере 1.
В чашках 10 и 11 установлена крестовина 15, на которой свободно вращаются сателлиты 16, взаимодействующие с полуосевыми шестернями 17 и 18. Полуосевая шестерня 17 соединена посредством шлиц с проходным валом 19 привода задней главной передачи. Вал 19 проходит ниже оси межколесного дифференциала 20, а значит, ниже и полуоси 21, и соединен с выходным фланцем 22. Ведомое зубчатое колесо 23 межколесного дифференциала 20 взаимодействует с ведущей гипоидной шестерней 7.
Полуосевая шестерня 18 установлена на шлицах вал-шестерни 24, установленной соосно валу 19 привода задней главной передачи на подшипниках 25 и 26, расположенных соответственно в картере 1 и чашке 10 межосевого дифференциала. Вал-шестерня 24 входит в зацепление с шестерней 27, закрепленной на шлицевом конце хвостовика ведущей гипоидной шестерни 7.
Вал-шестерня 24 и чашка 10 межосевого дифференциала имеют шлицы, на которые установлена муфта 28, обеспечивающая блокировку межосевого дифференциала. Муфта 28 перемещается с помощью пневматики (на чертеже не показано).
Проходная гипоидная главная передача работает следующим образом.
Крутящий момент от карданного вала, соединяющего проходную главную передачу с коробкой передач, передается ведущему фланцу 2, затем ведущему валу 3 и на ведущую цилиндрическую шестерню 4, которая вращает чашки 10 и 11 межосевого дифференциала. Далее крутящий момент передается на крестовину 15, которая воздействует на сателлиты 16, тем самым равномерно распределяя крутящий момент на полуосевые шестерни 17 и 18. От полуосевой шестерни 17 вращение передается на проходной вал 19, который, в свою очередь, вращает выходной фланец 22, передавая крутящий момент на заднюю главную передачу. Полуосевая шестерня 18 приводит во вращение вал-шестерню 24, которая, взаимодействуя с ведомой шестерней 27, вращает гипоидную шестерню 7. Ведущая гипоидная шестерня 7 взаимодействует с ведомым гипоидным колесом 23, которое приводит во вращение межколесный дифференциал 20 и полуоси 21.
Заявляемое техническое решение позволяет увеличить долговечность карданного вала, соединяющего проходную главную передачу с коробкой передач, а также увеличить долговечность гипоидной передачи.
Заявляемое техническое решение соответствует требованию промышленной применимости и возможно для реализации на стандартном технологическом оборудовании.
Формула изобретения
Проходная гипоидная главная передача, содержащая картер редуктора, расположенную на конических подшипниках ведущую гипоидную шестерню с хвостовиком, ведущий фланец, соединенный с межосевым дифференциалом, одна из полуосевых шестерен которого связана с ведущей гипоидной шестерней, а другая установлена на шлицах проходного вала привода задней главной передачи, горизонтальная ось которого расположена ниже оси межколесного дифференциала, отличающаяся тем, что полуосевая шестерня межосевого дифференциала связана с ведущей гипоидной шестерней через зубчатую передачу, ведущая вал-шестерня которой соединена с указанной полуосевой шестерней и установлена соосно проходному валу привода задней главной передачи на подшипниках, один из которых расположен в картере редуктора, а другой – в чашке дифференциала, а ведомая шестерня установлена на хвостовике ведущей гипоидной шестерни, при этом ведущий фланец соединен с межосевым дифференциалом через зубчатую передачу, ведущая шестерня которой установлена на ведущем валу и соединена с ведомой шестерней, выполненной за одно целое с чашкой межосевого дифференциала.
РИСУНКИ
|
|