|
|
(21), (22) Заявка: 2007119883/12, 29.05.2007
(24) Дата начала отсчета срока действия патента:
29.05.2007
(43) Дата публикации заявки: 10.12.2008
(46) Опубликовано: 27.04.2009
(56) Список документов, цитированных в отчете о поиске:
US 5114291 А, 19.05.1992. US 5636957 А, 10.06.1997. US 3982744 А1, 28.09.1976. US 5190316 А, 02.03.1993.
Адрес для переписки:
103006, Москва, пер. Воротниковский, 5/9, кв.4, пат.пов. Г.А.Флястер
|
(72) Автор(ы):
Чокуа Гарри Владимирович (RU), Приселков Михаил Юрьевич (RU), Зимин Юрий Анатольевич (RU)
(73) Патентообладатель(и):
Чокуа Гарри Владимирович (RU)
|
(54) СПОСОБ ПРОИЗВОДСТВА КНИГ И УСТРОЙСТВО ДЛЯ ЕГО РЕАЛИЗАЦИИ
(57) Реферат:
Изобретение относится к книгопроизводству и может быть использовано для создания персонифицированных книг. Устройство для производства книг содержит главный процессинговый центр изготовления персонифицированных книг, который включает в себя соединенные между собой двухсторонними линиями связи через первый интерфейс авторский экземпляр издаваемой книги, первый блок ввода/вывода информации, первый блок памяти, блок изготовления электронного макета, блок выделения полей заменяемых фрагментов текста, блок полиграфической печати, второй выход которого соединен со складом каждого из пунктов печати персонифицированных книг. При этом через второй интерфейс соединены между собой второй блок ввода/вывода информации, блок корректировки заменяемых параметров текста, первый дисплей и блок печати, выход которого соединен с блоком брошюровки и переплета. В главный процессинговый центр изготовления персонифицированных книг дополнительно введен блок выделения заменяемых фрагментов изображения, соединенный двухсторонней линией связи с первым интерфейсом, а в каждый пункт печати индивидуализированных книг также дополнительно введены соединенные между собой через второй интерфейс второй блок памяти, второй дисплей, третий блок ввода/вывода информации и блок корректировки заменяемых фрагментов иллюстраций. Предложенные устройство и способ обеспечивают технологически простое изготовление книг с индивидуализированными данными. 2 н.п. ф-лы, 1 ил.
Изобретение относится к области производства книг с помощью современных компьютерных издательских систем и может быть использовано для создания персонофицированных книг в единичных экземплярах в качестве подарочных изданий.
Известен способ производства книг, заключающийся в том, что на этапе предпечатной подготовки создают и запоминают в блоке памяти сигнал, соответствующий электронному макету книги, определяют местоположение фрагментов текста, содержащих индивидуальные данные действующих лиц, удаляют содержательную часть и запоминают в блоке памяти соответствующий электрический сигнал с незаполненным информацией интервалом, изготавливают в полиграфическом исполнении заготовки страниц книги с незаполненными полями, изготавливают соответствующие этим полям клеящиеся заготовки (стикерсы), а при предпродажной подготовке книги для конкретного заказчика формируют сигнал согласно требуемым конкретным индивидуальным данным для действующих лиц и печатают соответствующий текст на каждой из зарезервированных заготовок, соответственно их вклеивают, а затем брошюруют и переплетают издаваемую персонофицированную книгу (U.S. Patent 5636957, класс В42 19/00; B42D 1/00).
Недостатками известного способа являются существенное технологическое усложнение процесса книгопроизводства, связанное с изготовлением и вклеиванием стикерсов, невозможность адаптации иллюстраций к конкретной внешности действующих лиц при их изменении в зависимости от конкретного заказа, невозможность индивидуального подбора содержания книги под требования заказчика.
Известно устройство для производства книг, основанное на компьютерной обработке сигнала, соответствующего текстовой части книги, при которой в текстовой странице выделяют постоянную и изменяемую части, причем в изменяемую часть включают сведения об идентификационных параметрах действующих лиц, формируют соответствующие сигналы, которые запоминают в блоке памяти компьютера. Подготавливают макет книги, в котором изменяемые фрагменты представляют в виде незаполненных участков и полиграфическим методом печатают набор заготовок страниц. При подготовке книги к изданию оператор согласно новым идентификационным данным с помощью блока ввода/вывода информации формирует сигнал, который подают в блок памяти компьютера, где запоминают в соответствующей ее части, проверяют и корректируют выполнение условий совмещения для всех изменяемых фрагментов с помощью дисплея, а затем печатают с помощью принтера соответствующий текст на стикерсах, которые затем вклеивают в полиграфические заготовки страниц, брошюруют и переплетают книгу (U.S. Patent 5636957, класс В42 19/00; B42D 1/00).
Недостатками известного устройства являются невозможность корректировки иллюстраций под требования конкретного заказчика при смене идентификационных данных действующих лиц книги, невозможность индивидуального подбора содержания книги под требования заказчика.
Наиболее близким техническим решением, т.е. прототипом заявленного способа, является способ производства книг, заключающийся в том, что в процессинговом центре на этапе предпечатной подготовки создают и запоминают в блоке памяти сигнал, соответствующий электронному макету книги, определяют местоположение фрагментов текста, содержащих индивидуальные данные действующих лиц, фиксируют адреса начала и конца заменяемых фрагментов, удаляют содержательную часть и запоминают в блоке памяти соответствующий электрический сигнал с незаполненным информацией интервалом, изготавливают в полиграфическом исполнении заготовки страниц книги с незаполненными полями, а при предпродажной подготовке книги для конкретного заказчика формируют сигнал, соответствующий требуемым конкретным индивидуальным данным для действующих лиц, которые размещают и печатают соответственно в каждом из зарезервированных полей издаваемой индивидуальной книги (US Patent 5114291, класс В42 19/00; B42D 1/00).
Недостатками известного способа являются невозможность адаптации иллюстраций к конкретной внешности действующих лиц при их изменении в зависимости от конкретного заказа, невозможность индивидуального подбора содержания книги под требования заказчика.
Наиболее близким техническим решением, т.е. прототипом заявленного устройства, является устройство, содержащее главный процессинговый центр изготовления персонофицированных книг, который включает в себя соединенные между собой двухсторонними линиями связи через первый интерфейс авторский экземпляр издаваемой книги, первый блок ввода/вывода информации, первый блок памяти, блок изготовления электронного макета, блок выделения полей заменяемых фрагментов текста, блок полиграфической печати, второй выход которого соединен со складом каждого из пунктов печати персонофицированных книг, который содержит соединенные между собой через второй интерфейс второй блок ввода/вывода информации, блок корректировки заменяемых параметров текста, первый дисплей, блок печати, выход которого соединен с блоком брошюровки и переплета.
(U.S. Patent 5114291, класс В42 19/00; B42D 1/00.)
Недостатками известного устройства являются невозможность корректировки иллюстраций под требования конкретного заказчика при смене идентификационных данных действующих лиц книги, невозможность индивидуального подбора содержания книги под требования заказчика.
Сущность заявленного в изобретении способа производства книг заключается в том, что в процессинговом центре на этапе предпечатной подготовки создают и запоминают в блоке памяти сигнал, соответствующий электронному макету книги, определяют местоположение фрагментов текста, содержащих индивидуальные данные действующих лиц, фиксируют адреса начала и конца заменяемых фрагментов, удаляют содержательную часть и запоминают в блоке памяти соответствующий электрический сигнал с незаполненным информацией интервалом, изготавливают в полиграфическом исполнении заготовки страниц книги с незаполненными полями, а при предпродажной подготовке книги для конкретного заказчика формируют сигнал, соответствующий требуемым конкретным индивидуальным данным для действующих лиц, которые размещают и печатают соответственно в каждом из зарезервированных полей издаваемой индивидуальной книги, дополнительно на этапе предпечатной подготовки при электронной верстке макета книги авторский текст разделяют по содержанию на N логических фрагментов (N-целое число), каждый из которых располагают на счетном числе страниц Sn с учетом включенных иллюстраций, определяют конкретное число логических фрагментов J, где (0 J N), изменение которых меняет содержание книги, создают дополнительно для каждого из J логических фрагментов дополнительно I различных вариантов текста с соблюдением условия равенства в них числа страниц, причем I 0, при этом в иллюстративном материале выделяют поля, в которых идентифицируют образы героев книги, фиксируют их адреса, удаляют содержательную часть изображения, запоминают соответствующий электрический сигнал, формируют типовой набор графических фрагментов образов действующих лиц, создают библиотеку и запоминают соответствующий сигнал, изготавливают в полиграфическом исполнении заготовки логических фрагментов книги, создают библиотеку наименований логических фрагментов с их краткой аннотацией и запоминают в блоке памяти соответствующий электрический сигнал, а при оформлении конкретного заказа покупатель вносит в соответствии с запросом в бланк-заказ идентификационные данные героев книги и определяет конкретный набор логических фрагментов в издаваемой персонофицированной книге, а после завершения финансовых расчетов оператор корректирует содержательную часть незаполненных полей выделенных фрагментов текстового и иллюстративного материалов, и соответствующий электрический сигнал подают на вход портативных печатающих средств, вносят дополнения в полиграфические заготовки, которые затем брошюруют, переплетают и передают покупателю.
Сущность заявленного в изобретении устройства заключается в том, что в устройстве для производства книг, содержащем главный процессинговый центр изготовления персонофицированных книг, который включает в себя соединенные между собой двухсторонними линиями связи через первый интерфейс авторский экземпляр издаваемой книги, первый блок ввода/вывода информации, первый блок памяти, блок изготовления электронного макета, блок выделения полей заменяемых фрагментов текста, блок полиграфической печати, второй выход которого соединен со складом каждого из пунктов печати персонофицированных книг, который содержит соединенные между собой через второй интерфейс второй блок ввода/вывода информации, блок корректировки заменяемых параметров текста, первый дисплей, блок печати, выход которого соединен с блоком брошюровки и переплета, дополнительно в главный процессинговый центр изготовления персонофицированных книг введен блок выделения заменяемых фрагментов изображения, соединенный двухсторонней линией связи с первым интерфейсом, а в каждый пункт печати индивидуализированных книг также дополнительно введены соединенные между собой через второй интерфейс второй блок памяти, второй дисплей, третий блок ввода/вывода информации, блок корректировки заменяемых фрагментов иллюстраций.
Заявленное техническое решение может быть реализовано в виде аппаратно-программного комплекса, выполненного на базе современных средств вычислительной техники и полиграфии.
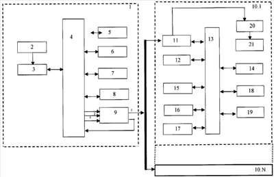
На чертеже приведена функциональная схема устройства для реализации предложенного способа, где: главный процессинговый центр изготовления персонофицированных книг – 1, авторский экземпляр издаваемой книги – 2, первый блок ввода/вывода информации – 3, первый интерфейс – 4, первый блок памяти – 5, блок изготовления электронного макета – 6, блок выделения полей заменяемых фрагментов текста – 7, блок выделения заменяемых элементов изображения – 8, блок полиграфической печати – 9, пункты печати персонофицированных книг – 10.1-10.N, склады – 11, второй блок ввода/вывода информации – 12, второй интерфейс – 13, второй блок памяти – 14, первый дисплей – 15, второй блок ввода/вывода информации – 16, блок корректировки заменяемых параметров текста – 17, второй дисплей – 18, блок корректировки заменяемых фрагментов иллюстраций – 19, блок печати – 20, блок брошюровки и переплета – 21.
Принцип реализации способа поясняется описанием работы устройства. Работает устройство следующим образом.
В главный процессинговый центр изготовления персонофицированных книг 1 авторский экземпляр издаваемой книги 2 поступает на вход первого блока ввода/вывода информации 3, в котором с помощью оператора осуществляют преобразование рукописи книги в электронную форму и на выходе блока ввода/вывода информации 3 формируют сигнал, который подают по двухсторонней линии связи через первый интерфейс 4 на вход первого блока памяти 5 и запоминают в соответствующем разделе. По команде оператора этот сигнал подают из блока памяти 5 через первый интерфейс 4 и двухстороннюю линию связи на вход блока изготовления электронного макета 6, в котором осуществляют предварительную верстку книги, для чего разделяют текст книги на логические фрагменты, каждый из которых размещают на отдельной странице и выделяют (планируют) место для размещения иллюстраций, и на выходе блока изготовления электронного макета книги 6 формируют соответствующий сигнал, который через первый интерфейс 4 подают на вход первого блока памяти 5 и запоминают в соответствующем разделе.
Дополнительно по конкретному сюжету базового варианта издаваемой книги выделяют страницы с узловыми фрагментами, после которых возможно изменение сюжетной линии, определяют число страниц в каждом следующем за ним логическом фрагменте, формулируют дополнительные требования к рукописи и на его выходе формируют соответствующий сигнал, который через первый интерфейс 4 подают в первый блок ввода/вывода информации 3 и на вход первого блока памяти 5 и запоминают в соответствующем разделе.
С выхода первого блока ввода/вывода информации 3 сигнал преобразовывают в соответствующее текстовое сообщение и передают авторам для доработки оригинала. Автор создает дополнительно для каждого выделенного узлового фрагмента несколько новых логических фрагментов с соблюдением условия равенства числа страниц в каждом из взаимозаменяемых логических фрагментов, а также полный комплект иллюстративного материала. Модифицированный авторский экземпляр издаваемой книги 2 вновь поступает на вход блока ввода/вывода информации 3, с выхода которого соответствующий сигнал через первый интерфейс 4 подают в блок памяти 5 и запоминают в соответствующем разделе, а затем по команде оператора передают его на вход блока изготовления электронного макета 6, в котором осуществляют электронную редакционно-издательскую верстку издаваемой книги, формируют соответствующий электронному макету электрический сигнал, который с выхода блока изготовления электронного макета 6 через первый интерфейс 4 подают на вход первого блока памяти 5 и запоминают в соответствующем разделе.
Дополнительно определяют и запоминают адреса полей заменяемых фрагментов текста, например индивидуальных идентификационных данных (имена героев, местоимения, падежные окончания и т.д.), для чего оператор на выходе первого блока ввода/вывода информации 3 формирует сигнал, который через первый интерфейс 4 подают на управляющий вход первого блока памяти 5, и сигнал, соответствующий окончательному варианту электронного макета книги, из соответствующего раздела первого блока памяти 5 подают через первый интерфейс 4 на вход блока выделения полей заменяемых фрагментов текста 7, формируют сигналы, соответствующие границам этих участков, удаляют из этих участков содержательную часть текста, оставляют в оригинале макета незаполненные поля, определяют адреса границ этих участков и соответствующий сигнал подают через первый интерфейс 4 на вход первого блока памяти 5 и запоминают.
При подготовке персонофицированных книг к печати предусматривают возможность изменить в иллюстративном материале отдельные черты внешнего образа героя книги, чтобы придать ему новые характерные черты и, тем самым, обеспечить сходство с внешним образом будущего героя издаваемой книги в соответствии с пожеланиями заказчика. Для этого по команде оператора сигнал, соответствующий иллюстрациям окончательного варианта электронного макета, из соответствующего раздела первого блока памяти 5 подают через первый интерфейс 4 на вход блока выделения заменяемых элементов изображения 8, в котором с помощью, например, графического редактора выделяют характерные участки в изображении образа, которые существенно меняют его восприятие (форма носа, разрез глаз, овал лица, прическа, тип фигуры и т.д.), определяют границы выделенных областей, удаляют изображения внутри выделенных областей, наносят на основное изображение реперные точки для упрощения последующей процедуры компоновки иллюстрации и формируют на выходе блока сигнал, соответствующий оставшейся – базовой части иллюстраций, который подают через первый интерфейс 4 на вход первого блока памяти 5 и запоминают.
По команде оператора на выходе первого блока ввода/вывода информации 3 формируют сигнал, который с его выхода подают через первый интерфейс 4 на первый вход блока полиграфической печати 9 и соответственно формируют на его 1-м выходе сигнал запроса, который через первый интерфейс 4 подают на вход первого блока памяти 5, по которому осуществляют передачу сигнала базовой части изображения с выхода первого блока памяти 5 через первый интерфейс 4 на 2-й вход блока полиграфической печати 9.
По команде оператора на выходе первого блока ввода/вывода 3 формируют сигнал, который с его выхода подают через первый интерфейс 4 на третий вход блока полиграфической печати 9, который разрешает передачу готовой печатной продукции (наборов заготовок) с его второго выхода в пункты печати персонофицированных книг 10.1-10.N на склады 11.
Дополнительно в блоке выделения заменяемых элементов изображения 8 подготавливают библиотеку изменяемых элементов иллюстраций, которые могут быть вмонтированы в заготовку при предпродажной подготовке, наносят реперы, формируют на выходе соответствующие сигналы, подают через первый интерфейс 4 на вход первого блока памяти 5 и запоминают.
При подготовке конкретной книги к производству дополнительно на каждой странице, в части, предназначенной для переплета, наносят служебную информацию, которая определяет порядковый номер фрагмента и условный номер используемого варианта, который также подают на вход первого блока памяти 5 и запоминают.
При первичном запуске каждого пункта печати персонофицированных книг, например 10.1 (каждый из которых представляет собой местный процессинговый центр), снабжают соответствующим набором программных средств для обработки текстовой и графической информации, электронными макетами издаваемых книг, базами адресов редактируемых фрагментов, полиграфическим набором заготовок и т.д.
Покупатель в специализированном пункте печати персонофицированных книг, например 10.1, в диалоговом режиме с помощью второго блока ввода/вывода информации 12 формирует на его выходе сигнал запроса об имеющихся в данном конкретном пункте печати наименований печатных изданий, который поступает через второй интерфейс 13 на вход второго блока памяти 14, и с его выхода соответствующий сигнал поступает на вход первого дисплея 15 (дисплей клиента).
В случае отсутствия в предлагаемом списке интересующего покупателя издания он формирует сигнал отказа от покупки и система переходит в режим ожидания. При положительном исходе, т.е. когда покупатель нашел заинтересовавшую его книгу, он формирует на выходе второго блока ввода/вывода информации 12 управляющий сигнал, который через интерфейс 13 поступает на вход второго блока памяти 14, и на его выходе формируют сигнал выбора варианта приобретаемой книги. В соответствии с этим сигналом на экране первого дисплея 15 покупателю последовательно предлагают список названий фрагментов книги с возможностью их просмотра и выбора.
После завершения процедуры подбора конкретного содержания книги покупатель через второй блок ввода/вывода информации 12 формирует сигнал, по которому из соответствующего раздела второго блока памяти 14 формируют набор сигналов заменяемых идентификационных фрагментов текста, который подают через интерфейс 13 на вход второго дисплея 18 (дисплей оператора пункта печати). Покупатель заполняет бланк-заказ, в котором указывает требуемые идентификационные данные, подтверждает и оплачивает установленную стоимость услуги, и после поступления денежных средств оператор пункта печати на выходе третьего блока ввода/вывода информации 16 формирует сигнал, который через интерфейс 13 подают на вход блока складирования 11, и разрешает передачу выбранных покупателем фрагментов книги в виде полиграфических заготовок в блок печати 20.
Оператор пункта печати с помощью установленных при запуске пункта в эксплуатацию графического и текстового редакторов проводит требуемую корректировку текста. Для этого с помощью третьего блока ввода/вывода информации 16 на выходе формирует набор сигналов, по которым последовательно запрашивает из второго блока памяти 14 наборы сигналов, соответствующие заменяемым фрагментам текста, и подает их соответственно на вход блока корректировки заменяемых фрагментов текста 17, выход которого соединен через второй интерфейс 13 с входом второго дисплея 18.
После завершения процедуры корректировки текста по команде оператора производят корректировку иллюстраций, для чего оператор на выходе третьего блока ввода/вывода информации 16 формирует сигнал запроса ко второму блоку памяти 14 к разделам хранения баз данных требуемой иллюстрации и созданной в процессе подготовки книги к изданию библиотеке изменяемых элементов иллюстраций, с выхода второго блока памяти 14 соответствующие им сигналы подают через интерфейс 13 на вход блока корректировки заменяемых фрагментов иллюстраций 14 и на второй вход второго дисплея 18.
После завершения процедуры корректировок по команде оператора последовательно устанавливают в блоке печати 20 заготовки страниц книги в полиграфическом исполнении и печатают в заранее предусмотренных полях (в соответствии со списком адресов) заменяемые фрагменты текста и иллюстраций, а затем передают в блок брошюровки и переплета 21.
При необходимости оператору представляется возможность провести корректировку текста и изображения в главном процессинговом центре 1. В этом варианте работы оператор пункта печати с помощью второго блока ввода/вывода информации 18 формирует сигнал запроса в главный процессинговый центр 1, который содержит как текстовую, так и графическую информацию, например, для случая, когда оператору не удается удовлетворить требования клиента при создании графического образа героя. По запросу рисунок изготавливают художники центра, который затем преобразовывают в электрический сигнал в первом блоке ввода/вывода информации и передают в требуемый пункт печати по линии связи.
Использование заявленного технического решения позволит потребителю при производстве персонофицированных книг самостоятельно формировать содержание издаваемой книги из представленного набора сюжетных фрагментов с персонофикацией героев книги и корректировкой их изображений в заранее подготовленных базовых иллюстрациях.
Формула изобретения
1. Способ изготовления книг, заключающийся в том, что в процессинговом центре на этапе предпечатной подготовки создают и запоминают в блоке памяти сигнал, соответствующий электронному макету книги, определяют местоположение фрагментов текста, содержащих индивидуальные данные действующих лиц, фиксируют адреса начала и конца заменяемых фрагментов, удаляют содержательную часть и запоминают в блоке памяти соответствующий электрический сигнал с незаполненным информацией интервалом, изготавливают в полиграфическом исполнении заготовки страниц книги с незаполненными полями, а при предпродажной подготовке книги для конкретного заказчика формируют сигнал, соответствующий требуемым конкретным индивидуальным данным для действующих лиц, которые размещают и печатают соответственно в каждом из зарезервированных полей издаваемой индивидуальной книги, отличающийся тем, что дополнительно на этапе предпечатной подготовки при электронной верстке макета книги авторский текст разделяют по содержанию на N логических фрагментов (N – целое число), каждый из которых располагают на счетном числе страниц Sn с учетом включенных иллюстраций, определяют конкретное число логических фрагментов J, где (0 J0, при этом в иллюстративном материале выделяют поля, в которых идентифицируют образы героев книги, фиксируют их адреса, удаляют содержательную часть изображения, запоминают соответствующий электрический сигнал, формируют типовой набор графических фрагментов образов действующих лиц, создают библиотеку и запоминают соответствующий сигнал, изготавливают в полиграфическом исполнении заготовки логических фрагментов книги, создают библиотеку наименований логических фрагментов с их краткой аннотацией и запоминают в блоке памяти соответствующий электрический сигнал, а при оформлении конкретного заказа покупатель вносит в соответствии с запросом в бланк-заказ идентификационные данные героев книги и определяет конкретный набор логических фрагментов в издаваемой персонифицированной книге, а после завершения финансовых расчетов оператор корректирует содержательную часть незаполненных полей выделенных фрагментов текстового и иллюстративного материалов и соответствующий электрический сигнал подают на вход портативных печатающих средств, вносят дополнения в полиграфические заготовки, которые затем брошюруют, переплетают и передают покупателю.)>
2. Устройство для производства книг, содержащее главный процессинговый центр изготовления персонифицированных книг, который включает в себя соединенные между собой двухсторонними линиями связи через первый интерфейс, авторский экземпляр издаваемой книги, первый блок ввода/вывода информации, первый блок памяти, блок изготовления электронного макета, блок выделения полей заменяемых фрагментов текста, блок полиграфической печати, второй выход которого соединен со складом каждого из пунктов печати персонифицированных книг, который содержит соединенные между собой через второй интерфейс второй блок ввода/вывода информации, блок корректировки заменяемых параметров текста, первый дисплей, блок печати, выход которого соединен с блоком брошюровки и переплета, отличающееся тем, что в главный процессинговый центр изготовления персонифицированных книг дополнительно введен блок выделения заменяемых фрагментов изображения, соединенный двухсторонней линией связи с первым интерфейсом, а в каждый пункт печати индивидуализированных книг также дополнительно введены соединенные между собой через второй интерфейс, второй блок памяти, второй дисплей, третий блок ввода/вывода информации, блок корректировки заменяемых фрагментов иллюстраций.
РИСУНКИ
|
|