|
|
(21), (22) Заявка: 2007126769/02, 13.07.2007
(24) Дата начала отсчета срока действия патента:
13.07.2007
(46) Опубликовано: 27.04.2009
(56) Список документов, цитированных в отчете о поиске:
WO 2006121370 A, 16.11.2006. RU 2198772 C1, 20.02.2003. RU 2058865 C1, 27.04.1996. RU 2071189 C1, 27.12.1996. RU 2192338 C2, 10.11.2002. RU 2036059 C1, 27.05.1995. DE 3711259 A, 20.10.1988. JP 11104841 A, 20.04.1999. US 4532409 A, 30.07.1985. JP 58119469 A, 15.07.1983.
Адрес для переписки:
125195, Москва, Ленинградское ш., 98, корп.6, кв.20, В.С.Тверскому
|
(72) Автор(ы):
Тверской Владимир Семенович (RU), Тверской Алексей Владимирович (RU)
(73) Патентообладатель(и):
ООО “ПЛАЗАРИУМ” (RU)
|
(54) ПЛАЗМЕННАЯ ГОРЕЛКА (ВАРИАНТЫ)
(57) Реферат:
Изобретение относится к плазменным горелкам и может быть использовано для плазменной обработки материалов, в частности для резки и сварки металлов. Плазменная горелка содержит корпус, завихритель, стержневой электрод, диэлектрическую трубку, сопловую насадку с открытым центральным каналом, разрядную и вихревую камеры. Торцовая часть стержневого электрода выполнена суженной в направлении к сопловой насадке и расположена относительно нее с образованием между ними кольцевой конфузорной полости. Разрядная камера выполнена в виде цилиндрической полости, которая имеет конфузорное сопряжение с внутренней поверхностью завихрителя и конфузорное сопряжение с выходным отверстием центрального канала сопловой насадки, при этом сужение сопряжения с выходным отверстием центрального канала сопловой насадки больше сужения сопряжения с внутренней поверхностью завихрителя. Выходное отверстие центрального канала сопловой насадки может быть выполнено с уширением вниз по потоку рабочего газа. Сужение сопряжения с выходным отверстием центрального канала сопловой насадки не больше сужения сопряжения с внутренней поверхностью завихрителя. Техническим результатом изобретения является увеличение длины и газодинамического напора плазменной струи при одновременном улучшении стабилизации электрической дуги и снижении тепловых потерь в стенку центрального канала сопловой насадки. 3 н. и 4 з.п. ф-лы, 8 ил.
Изобретение относится к плазменным горелкам с вихревой стабилизацией электрической дуги, а именно к усовершенствованиям, относящимся к прохождению газа для охлаждения и работы горелки, и может быть использовано для плазменной обработки материалов, в частности для резки и сварки металлов.
Известна плазменная горелка, содержащая трубчатый корпус, в котором соосно размещены завихритель, выполненный в виде втулки с каналами, формирующими струйки рабочего газа с окружной компонентой скорости, стержневой электрод с электродной вставкой, расположенный в названном завихрителе с зазором, обеспечивающим возможность образования кольцевой вихревой камеры с вихревым потоком рабочего газа, диэлектрическая трубка, расположенная в зазоре между стержневым электродом и завихрителем, торец которой образует торец вихревой камеры, сопловая насадка с профилированным открытым центральным каналом, расположенная на торце завихрителя с зазором относительно торцовой части стержневого электрода с обеспечением возможности образования разрядной камеры с преимущественно осевым расположением электрической дуги в потоке рабочего газа, поступающего из вихревой камеры и истекающего из выходного отверстия центрального канала сопловой насадки с образованием плазменной струи и электрической дуги прямого действия (WO 94/12308, 27.11.1992). Согласно известному изобретению внутренняя поверхность сопловой насадки включает смежное расположение цилиндрического, конического, второго цилиндрического, второго конического и третьего цилиндрического участков, причем цилиндрические участки имеют разные диаметры, а конические участки сужаются от цилиндрического участка большего диаметра к цилиндрическому участку меньшего диаметра. При этом плазменную горелку выполняют с соблюдением определенных геометрических соотношений. Техническим результатом известного изобретения является увеличение плотности энергии в дуге за счет стабилизации осевого расположения электрической дуги. При этом уменьшается вероятность двойного дугообразования. Известным техническим решением в сопловой насадке предусмотрена цилиндрическая полость, уменьшающая осевую компоненту скорости потока рабочего газа в разрядной камере. Известная плазменная горелка предназначена для резки металлов прямой электрической дугой, совмещенной с плазменной струей, в условиях предотвращения двойного дугообразования. Эффективность технического решения подтверждена при токах в дуге более 27 А и использовании кислорода в качестве рабочего газа (молекулярная масса µ=32 кг/кмоль).
Из уровня научных знаний известно, что на процессы стабилизации дуги и фокусировки катодного пятна влияет не только геометрия разрядной камеры, давление, расход, но и род рабочего газа (Михайлов Б.И. Влияние на осевую стабилизацию дуги в газовихревых плазмотронах. – «Теплофизика и аэромеханика», 2001, том 8, 1, с.133-141). Поэтому недостатком известного изобретения является его неэффективность при изменении рода рабочего газа – его молекулярной массы, химического состава, в частности, в плазменных горелках, использующих косвенную дугу, пар рабочей жидкости, содержащей воду, в качестве рабочего газа и рекуперацию тепловых потоков как основу организации рабочих процессов.
Известна плазменная горелка (WO 2006/121370, 16.11.2006), наиболее близкая к заявленной по числу совпадающих признаков, содержащая трубчатый корпус, в котором соосно размещены завихритель, выполненный в виде втулки с каналами, сообщающимися с генератором пара и формирующими струйки рабочего газа с окружной компонентой скорости, стержневой электрод с электродной вставкой, расположенный в названном завихрителе с зазором, обеспечивающим возможность образования кольцевой вихревой камеры с вихревым потоком рабочего газа, и с возможностью осевого возвратно-поступательного перемещения, диэлектрическая трубка, расположенная в зазоре между стержневым электродом и завихрителем, торец которой образует торец вихревой камеры, сопловая насадка с профилированным открытым центральным каналом, расположенная на торце завихрителя с зазором относительно торцовой части стержневого электрода с обеспечением возможности образования разрядной камеры с преимущественно осевым расположением электрической дуги в потоке рабочего газа, поступающего из вихревой камеры и истекающего из выходного отверстия центрального канала сопловой насадки с образованием плазменной струи. Известная плазменная горелка является малоамперной с током в дуге до 20 А, использует паровихревую стабилизацию дуги и водяной пар (молекулярная масса µ=18 кг/кмоль) в качестве составной части рабочего газа. В известной плазменной горелке повышение качества рабочих процессов осуществлено за счет рекуперации больших тепловых потоков высокой плотности теплоподвода с малым термическим сопротивлением. Однако остается общий для плазменных горелок с рекуперацией тепловых потоков недостаток:
– для резки металлов необходимо повышать степень сжатия электрической дуги, увеличить длину и газодинамический напор плазменной струи. Для этого повышают давление в разрядной камере, выходное отверстие центрального канала сопловой насадки выполняют с минимальным размером, исключающим тепловое запирание сопловой насадки. При этом технический эффект достигают за счет увеличения теплового КПД плазменной горелки, определяемого в основном конвективным теплообменом, который тем выше, чем выше степень турбулентности потока рабочего газ. Однако чем выше степень турбулентности потока рабочего газ и, следовательно, массо- и теплообмен, тем выше тепловой поток в стенку канала сопловой насадки и температура стенки сопловой насадки. При этом стабилизирующее действие вихревого потока рабочего газа демпфируется подводом тепла и самим существованием турбулентности потока;
– для сварки металлов необходимо увеличить длину плазменной струи и одновременно уменьшить ее газодинамический напор. Для этого выходное отверстие центрального канала сопловой насадки выполняют с размером, большим минимального размера, исключающим тепловое запирание сопловой насадки, и меньше размера, при котором происходит обрыв косвенной дуги. При этом, чем ниже газодинамический напор плазменной струи, тем ниже степень турбулентности потока рабочего газа, хуже тепломассообмен, и стабилизирующее действие вихревого потока рабочего газа уменьшается, что сопровождается ростом теплового потока в стенку канала сопловой насадки.
Таким образом, имеется техническое противоречие: любое альтернативное действие, направленное на повышение эффективности, сопровождается ростом теплового потока в стенку канала сопловой насадки.
В предложенной плазменной горелке это противоречие преодолено в определенных пределах изменения ее характеристик.
Техническим результатом изобретения является увеличение длины и газодинамического напора плазменной струи при одновременном улучшении стабилизации электрической дуги и снижении тепловых потерь в стенку центрального канала сопловой насадки. Техническим результатом изобретения также является увеличение длины при одновременном уменьшении газодинамического напора и турбулентности плазменной струи, улучшении стабилизации электрической дуги и снижении тепловых потерь в стенку центрального канала сопловой насадки.
Достижение технического результата обусловливает новое, неизвестное ранее свойство, а именно соотношение конфузорностей, которое определяется как соотношение относительных размеров смежных участков проточной части плазменной горелки. Новое свойство сообщается заявленной совокупности признаков благодаря новому механизму взаимовлияния всех признаков, обусловленному характером среды, в которую помещены отличительные признаки, а именно характером рабочего газа, состоящего из компонентов, имеющих разную молекулярную массу и помещенных в поле центробежных сил в вихревом потоке. При повышенном давлении в разрядной камере, когда выходное отверстие центрального канала сопловой насадки имеет минимальный размер, воздействие на поток рабочего газа переменной конфузорностью, увеличивающейся вниз по потоку, повышает степень сжатия электрической дуги, улучшает ее осевую стабилизацию, увеличивает длину и газодинамический напор плазменной струи, чего нельзя было предсказать заранее. При пониженном давлении в разрядной камере, когда выходное отверстие центрального канала сопловой насадки имеет размер, существенно больший минимального размера, исключающего тепловое запирание сопловой насадки, воздействие на поток рабочего газа переменной конфузорностью, не увеличивающейся вниз по потоку, улучшает осевую стабилизацию электрической дуги, увеличивает длину плазменной струи и одновременно уменьшает ее газодинамический напор при одновременном обеспечении слабой турбулентности плазменной струи и высокого качества смешения компонентов рабочего газа, чего нельзя было предсказать заранее.
Технический результат достигается тем, что в плазменной горелке, содержащей трубчатый корпус, в котором соосно размещены завихритель, выполненный в виде втулки с каналами, сообщающимися с генератором пара и формирующими струйки рабочего газа с окружной компонентой скорости, стержневой электрод с электродной вставкой, расположенный в названном завихрителе с зазором, обеспечивающим возможность образования кольцевой вихревой камеры с вихревым потоком рабочего газа, и с возможностью осевого возвратно-поступательного перемещения, диэлектрическая трубка, расположенная в зазоре между стержневым электродом и завихрителем, торец которой образует торец вихревой камеры, сопловая насадка с профилированным открытым центральным каналом, расположенная на торце завихрителя с зазором относительно торцовой части стержневого электрода с обеспечением возможности образования разрядной камеры с преимущественно осевым расположением электрической дуги в потоке рабочего газа, поступающего из вихревой камеры и истекающего из выходного отверстия центрального канала сопловой насадки с образованием плазменной струи, торцовая часть стержневого электрода выполнена по направлению к сопловой насадке сужающейся и расположена относительно сопловой насадки с образованием между ними кольцевой конфузорной полости, разрядная камера выполнена в виде цилиндрической полости, которая имеет конфузорное сопряжение с внутренней поверхностью завихрителя и конфузорное сопряжение с выходным отверстием центрального канала сопловой насадки, при этом сужение Da/De сопряжения с выходным отверстием центрального канала сопловой насадки больше сужения Dw/Da сопряжения с внутренней поверхностью завихрителя.
Технический результат также достигается тем, что сужение стержневого электрода выполнено в виде усеченного конуса с углом наклона образующей усеченного конуса к оси =15 23°, конфузорное сопряжение разрядной камеры с внутренней поверхностью завихрителя выполнено в виде усеченного конуса с углом наклона образующей усеченного конуса к оси =23 40°, конфузорное сопряжение разрядной камеры с выходным отверстием центрального канала сопловой насадки выполнено в виде усеченного конуса с углом наклона образующей усеченного конуса к оси =23 60°, и плазменная горелка имеет следующее соотношение размеров:









где Dw – диаметр вихревой камеры,
dw – диаметр каналов завихрителя,
i – число каналов завихрителя,
– угол между направлением осей каналов завихрителя и центрального канала сопловой насадки,
De – диаметр выходного отверстия центрального канала сопловой насадки,
Da – диаметр разрядной камеры,
Dc – внешний диаметр стержневого электрода в вихревой камере,
dc – диаметр торца стержневого электрода,
Hw – длина вихревой камеры,
На – длина разрядной камеры,
Не – длина выходного отверстия центрального канала насадки.
Технический результат достигается тем, что в плазменной горелке, содержащей трубчатый корпус, в котором соосно размещены завихритель, выполненный в виде втулки с каналами, сообщающимися с генератором пара и формирующими струйки рабочего газа с окружной компонентой скорости, стержневой электрод с электродной вставкой, расположенный в названном завихрителе с зазором, обеспечивающим возможность образования кольцевой вихревой камеры с вихревым потоком рабочего газа, и с возможностью осевого возвратно-поступательного перемещения, диэлектрическая трубка, расположенная в зазоре между стержневым электродом и завихрителем, торец которой образует торец вихревой камеры, сопловая насадка с профилированным открытым центральным каналом, расположенная на торце завихрителя с зазором относительно торцовой части стержневого электрода с обеспечением возможности образования разрядной камеры с преимущественно осевым расположением электрической дуги в потоке рабочего газа, поступающего из вихревой камеры и истекающего из центрального канала сопловой насадки с образованием плазменной струи, торцовая часть стержневого электрода выполнена по направлению к сопловой насадке сужающейся и расположена относительно сопловой насадки с образованием между ними кольцевой конфузорной полости, разрядная камера выполнена в виде цилиндрической полости, которая имеет конфузорное сопряжение с внутренней поверхностью завихрителя и конфузорное сопряжение с выходным отверстием центрального канала сопловой насадки, при этом выходное отверстие центрального канала сопловой насадки выполнено с уширением вниз по потоку рабочего газа Do/De 2,6, а сужение Da/De сопряжения с выходным отверстием центрального канала сопловой насадки не больше сужения Dw/Da сопряжения с внутренней поверхностью завихрителя.
Технический результат также достигается тем, что сужение стержневого электрода выполнено в виде усеченного конуса с углом наклона образующей усеченного конуса к оси =15 23°, конфузорное сопряжение разрядной камеры с внутренней поверхностью завихрителя выполнено в виде усеченного конуса с углом наклона образующей усеченного конуса к оси =23 40°, конфузорное сопряжение разрядной камеры с выходным отверстием центрального канала сопловой насадки выполнено в виде поверхности усеченного конуса с углом наклона образующей усеченного конуса к оси =23 60°, уширение выходного отверстия центрального канала насадки вниз по потоку рабочего газа выполнено в виде усеченного конуса с углом наклона образующей усеченного конуса к оси =45 75°, и плазменная горелка имеет следующее соотношение размеров:










где Dw – диаметр вихревой камеры,
dw – диаметр каналов завихрителя,
i – число каналов завихрителя,
– угол между направлением осей каналов завихрителя и центрального канала сопловой насадки,
De – диаметр выходного отверстия центрального канала сопловой насадки,
Do – диаметр большего основания усеченного конуса уширения выходного отверстия центрального канала сопловой насадки,
Da – диаметр разрядной камеры,
Dc – внешний диаметр стержневого электрода в вихревой камере,
dc – диаметр торца стержневого электрода,
Hw – длина вихревой камеры,
На – длина разрядной камеры,
Не – длина выходного отверстия центрального канала насадки.
Технический результат достигается тем, что в плазменной горелке, содержащей трубчатый корпус, в котором соосно размещены завихритель, выполненный в виде втулки с каналами, сообщающимися с генератором пара и формирующими струйки рабочего газа с окружной компонентой скорости, стержневой электрод с электродной вставкой, расположенный в названном завихрителе с зазором, обеспечивающим возможность образования кольцевой вихревой камеры с вихревым потоком рабочего газа, и с возможностью осевого возвратно-поступательного перемещения, диэлектрическая трубка, расположенная в зазоре между стержневым электродом и завихрителем, торец которой образует торец вихревой камеры, сопловая насадка с профилированным открытым центральным каналом, расположенная на торце завихрителя с зазором относительно торцовой части стержневого электрода с обеспечением возможности образования разрядной камеры с преимущественно осевым расположением электрической дуги в потоке рабочего газа, поступающего из вихревой камеры и истекающего из центрального канала сопловой насадки с образованием плазменной струи, завихритель выполнен с винтовыми канавками на внутренней поверхности с направлением винтовой линии, совпадающим с направлением окружной компоненты скорости потока рабочего газа в вихревой камере.
Технический результат также достигается тем, что трубчатый корпус выполнен с радиальным кольцевым выступом, опирающимся на торцовую часть завихрителя.
Изобретение поясняется описанием примера его реализации и приложенными к нему чертежами, на которых:
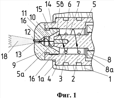
фиг.1 изображает горелку для резки материалов в сборе, в разрезе, согласно изобретению,
фиг.2 изображает горелку для резки материалов в сборе, в разрезе, с указанием геометрических характеристик завихрителя и сечения, перпендикулярного оси плазменной горелки, согласно изобретению,
фиг.3 – сопловая насадка для резки, в разрезе, с контуром
проточной части, показывающим размеры и геометрические
параметры, согласно изобретению,
фиг.4 – стержневой электрод, в разрезе, согласно изобретению,
фиг.5 – завихритель, сечение А-А, согласно изобретению,
фиг.6 изображает горелку для сварки материалов в сборе, в разрезе, согласно изобретению,
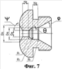
фиг.7 – сопловая насадка для сварки, в разрезе, с контуром проточной части, показывающим размеры и геометрические параметры, согласно изобретению,
фиг.8 изображает горелку в сборе, в разрезе, с видом внутренней поверхности завихрителя, согласно изобретению.
Лучшие варианты осуществления изобретения:
а) Плазменная горелка для резки материалов.
Плазменная горелка, фиг.1, содержит трубчатый корпус (1), в котором соосно размещены завихритель (2), выполненный в виде втулки с каналами (3), фиг.2, сообщающимися с генератором пара и формирующими струйки (4) рабочего газа с окружной компонентой скорости, фиг.5, стержневой электрод (5) с электродной вставкой (6), расположенный в названном завихрителе с зазором, обеспечивающим возможность образования кольцевой вихревой камеры (7) с вихревым потоком рабочего газа, и с возможностью осевого возвратно-поступательного перемещения, диэлектрическая трубка (8), расположенная в зазоре между стержневым электродом и завихрителем, торец (8а) которой образует торец вихревой камеры (7), сопловая насадка (9), фиг.3, с профилированным открытым центральным каналом (10), расположенная на торце завихрителя (2) с зазором относительно торцовой части (5b) стержневого электрода (5) с обеспечением возможности образования разрядной камеры (11) с преимущественно осевым расположением электрической дуги (12) в потоке рабочего газа, поступающего из вихревой камеры (7) и истекающего из выходного отверстия (13) центрального канала сопловой насадки с образованием плазменной струи (18). Торцовая часть (5b) стержневого электрода (5) выполнена сужающейся по направлению к сопловой насадке (9) и расположена относительно сопловой насадки с образованием между ними кольцевой конфузорной полости (14). Разрядная камера (11) выполнена в виде цилиндрической полости, которая имеет конфузорное сопряжение (15) с внутренней поверхностью завихрителя и конфузорное сопряжение (16) с выходным отверстием (13) центрального канала (10) сопловой насадки (9). При этом сужение Da/De сопряжения (16) с выходным отверстием (13) центрального канала (10) сопловой насадки (9) больше сужения Dw/Da сопряжения (15) с внутренней поверхностью завихрителя (2).
Для улучшения отвода тепла и сохранения максимальной величины окружной компоненты скорости потока рабочего газа по всей длине вихревой камеры завихритель (2) выполнен с винтовыми канавками (19) на внутренней поверхности, фиг.8. Направление винтовой линии винтовых канавок совпадает с направлением окружной компоненты скорости потока рабочего газа в вихревой камере (7). Число входящих каналов берут равным i=4 8, фиг.5, и располагают их в одной или двух плоскостях, перпендикулярных оси горелки. При таком числе входных каналов улучшено распределение расходонапряженности потока рабочего газа по окружности вихревой камеры. Толщину стенки завихрителя выбирают из условия
Lw/dw=1,5 3,0,
где Lw – длина каналов завихрителя, dw – диаметр каналов завихрителя. При Lw/dw<1,5 нарушается тангенциальность входа потока рабочего газа. При Lw/dw>3,0 увеличиваются потери напора рабочего газа. Плазменная горелка имеет тангенциальный ввод рабочего газа в вихревую камеру в плоскости, перпендикулярной оси плазменной горелки, =90°, фиг.2.
Сужение стержневого электрода (5), фиг.4, выполнено в виде усеченного конуса с углом наклона образующей усеченного конуса к оси =15°.
Конфузорное сопряжение разрядной камеры (11) с внутренней поверхностью завихрителя (2) выполнено в виде усеченного конуса с углом наклона образующей усеченного конуса к оси =30°. Такой угол наклона образующей обеспечивает наиболее оптимальное соотношение осевой и радиальной составляющих скорости потока рабочего газа, вводимого в разрядную камеру.
Конфузорное сопряжение разрядной камеры (11) с выходным отверстием (13) центрального канала (10) сопловой насадки (9) выполнено в виде поверхности усеченного конуса с углом наклона образующей усеченного конуса к оси =40°. Такой угол наклона образующей обеспечивает минимальные потери напора на входе в выходное отверстие центрального канала сопловой насадки. Соотношение наиболее оптимальных геометрических размеров плазменной горелки, где
Dw=10 мм – диаметр вихревой камеры,
dw=1 мм – диаметр каналов завихрителя,
i=8 – число каналов завихрителя,
=90° – угол между направлением осей каналов завихрителя и центрального канала сопловой насадки,
De=1,1 мм – диаметр выходного отверстия центрального канала сопловой насадки,
Da=3,5 мм – диаметр разрядной камеры,
Dc=5 мм – внешний диаметр стержневого электрода в вихревой камере,
dc=3,1 мм – диаметр торца стержневого электрода,
Hw=10 мм – длина вихревой камеры,
На=1,6 мм – длина разрядной камеры,
Не=2 мм – длина выходного отверстия центрального канала насадки,
R1, R2, R3 – радиусы округления, фиг.3,
удовлетворяет следующим условиям:









При соблюдении данных соотношений обеспечиваются оптимальные условия для получения плазменной струи, пригодной для резки материалов.
б) Плазменная горелка для сварки материалов.
Плазменная горелка, фиг.6, содержит трубчатый корпус (1), в котором соосно размещены завихритель (2), выполненный в виде втулки с каналами (3), сообщающимися с генератором пара и формирующими струйки (4) рабочего газа с окружной компонентой скорости, стержневой электрод (5) с электродной вставкой (6), расположенный в названном завихрителе с зазором, обеспечивающим возможность образования кольцевой вихревой камеры (7) с вихревым потоком рабочего газа, и с возможностью осевого возвратно-поступательного перемещения, диэлектрическая трубка (8), расположенная в зазоре между стержневым электродом и завихрителем, торец (8а) которой образует торец вихревой камеры (7), сопловая насадка (9) с профилированным открытым центральным каналом (10), расположенная на торце завихрителя (2) с зазором относительно торцовой части стержневого электрода с обеспечением возможности образования разрядной камеры (11) с преимущественно осевым расположением электрической дуги (12) в потоке рабочего газа, поступающего из вихревой камеры (7) и истекающего из выходного отверстия (13) центрального канала сопловой насадки с образованием плазменной струи (13). Торцовая часть (5b) стержневого электрода (5) выполнена по направлению к сопловой насадке (9) сужающейся и расположена относительно сопловой насадки с образованием между ними кольцевой конфузорной полости (14). Разрядная камера (11) выполнена в виде цилиндрической полости, которая имеет конфузорное сопряжение (15) с внутренней поверхностью завихрителя и конфузорное сопряжение (16) с выходным отверстием (13) центрального канала (10) сопловой насадки (9). При этом, фиг.7, выходное отверстие (13) центрального канала (10) сопловой насадки (9) выполнено с уширением (17) вниз по потоку рабочего газа Do/De 2,6, а сужение Da/De сопряжения (16) с выходным отверстием (13) центрального канала (10) сопловой насадки (9) не больше сужения Dw/Da сопряжения (15) с внутренней поверхностью завихрителя (2), фиг.9.
Плазменная горелка имеет тангенциальный ввод рабочего газа в вихревую камеру в плоскости, перпендикулярной оси плазменной горелки, =90°.
Сужение стержневого электрода (5) выполнено в виде усеченного конуса с углом наклона образующей усеченного конуса к оси =15°.
Конфузорное сопряжение разрядной камеры (11) с внутренней поверхностью завихрителя (2) выполнено в виде усеченного конуса с углом наклона образующей усеченного конуса к оси =30°.
Конфузорное сопряжение разрядной камеры (11) с выходным отверстием (13) центрального канала (10) сопловой насадки (9) выполнено в виде поверхности усеченного конуса с углом наклона образующей усеченного конуса к оси =40°.
Уширение (17) выходного отверстия (13) центрального канала (10) сопловой насадки (9) вниз по потоку рабочего газа выполнено в виде усеченного конуса с углом наклона образующей усеченного конуса к оси =60°.
Соотношение наиболее оптимальных геометрических размеров плазменной горелки, где
Dw=10 мм – диаметр вихревой камеры,
dw=1 мм – диаметр каналов завихрителя,
i=8 – число каналов завихрителя,
=90° – угол между направлением осей каналов завихрителя и центрального канала сопловой насадки,
De=1,8 мм – диаметр выходного отверстия центрального канала сопловой насадки,
Da=3,5 мм – диаметр разрядной камеры,
Dc=5 мм – внешний диаметр стержневого электрода в вихревой камере,
Do=5 мм – диаметр большего основания усеченного конуса уширения выходного отверстия центрального канала сопловой насадки,
dc=3,1 мм – диаметр торца стержневого электрода,
Hw=10 мм – длина вихревой камеры,
На=1,6 мм – длина разрядной камеры,
Не=1,8 мм – длина выходного отверстия центрального канала насадки,
R1, R2, R3 – радиусы скругления, фиг.7,
удовлетворяет следующим условиям:










При соблюдении данных соотношений обеспечиваются оптимальные условия для получения плазменной струи, пригодной для сварки материалов.
Для улучшения отвода тепла и сохранения максимальной величины окружной компоненты скорости потока рабочего газа по всей длине вихревой камеры завихритель (2) выполнен с винтовыми канавками (19) на внутренней поверхности, фиг.8. Направление винтовой линии винтовых канавок совпадает с направлением окружной компоненты скорости потока рабочего газа в вихревой камере (7).
Выполнение трубчатого корпуса (1) плазменной горелки с радиальным кольцевым выступом (1а), опирающимся на торцовую часть завихрителя (2), позволяет сопловую насадку (9) делать сменной и осуществлять монтаж и демонтаж сопловой насадки (9) и стержневого электрода (5) без разборки головки плазменной горелки.
Плазменная горелка работает следующим образом.
Через каналы (3) завихрителя (2) вводят тангенциально рабочий газ в вихревую камеру, формируя струйки газа (4) с окружной компонентой скорости.
Из вихревой камеры (7) поток рабочего газа (4) движется через кольцевую конфузорную полость (14) между сужающейся частью (5) стержневого электрода (5) и насадкой (9). В этой области проточной части происходит разгон потока газа в радиальном и осевом направлениях.
Сужающийся и ускоряющийся поток рабочего газа под углом наклона образующей усеченного конуса, фиг.3, 7, подают на начальный участок дуги вблизи торца (5а) стержневого электрода (5) и с минимальным гидравлическим сопротивлением, чему способствуют радиусы округления R1, R2, R3, поток рабочего газа поступает на вход в разрядную камеру (11), выполненную в виде цилиндрической полости, – область, в которой поток газа взаимодействует с электрической дугой (12).
В разрядной камере (11) рабочий газ претерпевает диссоциацию и ионизацию, и в вихревом потоке под действием центробежных сил происходит сепарация газа по компонентам, имеющим разную молекулярную массу. В результате сепарации компонентов рабочего газа по молекулярной массе на поверхности разрядной камеры образуется осесимметричный заградительный вихревой слой из относительно холодной компоненты рабочего газа. При этом более тяжелая компонента располагается у стенки разрядной камеры (11), а на оси остается легкая компонента, в среде которой происходит формирование столба электрической дуги (12). Сепарация газа по компонентам, имеющим разную молекулярную массу, ведет к стабилизации электрической дуги вдоль оси плазменной горелки.
Из разрядной камеры (11) через конфузорное сопряжение (16) в виде усеченного конуса поток газа поступает в выходное отверстие (13) центрального канала (10) сопловой насадки (9), образующая поверхности которого параллельна оси разрядной камеры.
В плазменной горелке, предназначенной для резки материалов, на выходе из отверстия (13) скорость движения газа и его температура достигают максимального значения, и поток газа истекает в виде узкой плазменной струи со следующим техническим результатом: воздействие на поток рабочего газа переменной конфузорностью, увеличивающейся вниз по потоку, повышает степень сжатия электрической дуги, улучшает ее осевую стабилизацию, увеличивает длину и газодинамический напор плазменной струи.
В плазменной горелке, предназначенной для сварки материалов, на выходе из отверстия (13) поток рабочего газа поступает в уширение (17) выходного отверстия, где происходит расширение плазменного потока и уменьшение скорости истечения плазменной струи до оптимального уровня со следующим техническим результатом: воздействие на поток рабочего газа переменной конфузорностью, не увеличивающейся вниз по потоку, улучшает осевую стабилизацию электрической дуги, увеличивает длину плазменной струи и одновременно уменьшает ее газодинамический напор при обеспечении слабой турбулентности плазменной струи и высокого качества смешения компонентов рабочего газа при пониженном давлении.
Дополнительно получен и другой технический результат – возможность монтажа и демонтажа сопловой насадки и стержневого электрода без разборки головки плазменной горелки, то есть без снятия трубчатого корпуса (2).
Таким образом, плазменная горелка, выполненная в соответствии с предложенными техническими решениями, обеспечивает наилучшие показатели эксплуатации и функционирования.
При проведении испытаний плазменной горелки, выполненной в соответствии с изобретением, получено устойчивое возбуждение и горение электрической дуги с надежным охлаждением элементов конструкции в диапазоне токов в дуге 4-16А и напряжении на дуге в пределах 80-210 В. Плазменная горелка устойчиво работает в любом пространственном положении.
Испытания показали, что плазменная горелка надежно функционирует при размере выходного отверстия канала сопловой насадки в пределах от 0,8 до 1,4 мм и использовании в качестве рабочего газа пара воды или паров смесевого жидкого рабочего тела, состоящего из воды и пероксида водорода, для осуществления способа обработки поверхностей согласно патенту RU 2286866, 13.05.2005; а также при размере выходного отверстия канала сопловой насадки в пределах от 1,8 до 2,3 мм и использовании в качестве рабочего газа паров смесевого жидкого рабочего тела, состоящего в основном из воды и углеродсодержащего жидкого топлива, для осуществления способов обработки поверхностей согласно патентам RU 2286867, 13.05.2005, RU 2286868, 13.05.2005.
Изобретение может быть использовано при изготовлении плазменных горелок для обработки поверхности материалов плазменной струей или выносной электрической дугой, совмещенной с плазменной струей, а также для концентрации тепла при нагреве, резке, пайке и сварке металлов в ремонтных мастерских и машиностроении при монтаже металлоконструкций.
Формула изобретения
1. Плазменная горелка, содержащая трубчатый корпус, в котором соосно размещены завихритель, выполненный в виде втулки с каналами, сообщающимися с генератором пара и формирующими струйки рабочего газа с окружной компонентой скорости, стержневой электрод с электродной вставкой, расположенный в названном завихрителе с зазором, обеспечивающим возможность образования кольцевой вихревой камеры с вихревым потоком рабочего газа, и с возможностью осевого возвратно-поступательного перемещения, диэлектрическая трубка, расположенная в зазоре между стержневым электродом и завихрителем, торец которой образует торец вихревой камеры, сопловая насадка с профилированным открытым центральным каналом, расположенная на торце завихрителя с зазором относительно торцовой части стержневого электрода с обеспечением возможности образования разрядной камеры с преимущественно осевым расположением электрической дуги в потоке рабочего газа, поступающего из вихревой камеры и истекающего из выходного отверстия центрального канала сопловой насадки с образованием плазменной струи, отличающаяся тем, что торцовая часть стержневого электрода выполнена суженной в направлении к сопловой насадке и расположена относительно сопловой насадки с образованием между ними кольцевой конфузорной полости, разрядная камера выполнена в виде цилиндрической полости, которая имеет конфузорное сопряжение с внутренней поверхностью завихрителя и конфузорное сопряжение с выходным отверстием центрального канала сопловой насадки, при этом отношение диаметра разрядной камеры Da к диаметру выходного отверстия центрального канала сопловой насадки Dе больше отношения диаметра вихревой камеры Dw к диаметру разрядной камеры.
2. Плазменная горелка по п.1, отличающаяся тем, что сужение торцевой части стержневого электрода выполнено в виде усеченного конуса с углом наклона образующей усеченного конуса к оси =15 23°, конфузорное сопряжение разрядной камеры с внутренней поверхностью завихрителя выполнено в виде усеченного конуса с углом наклона образующей усеченного конуса к оси =23 40°, конфузорное сопряжение разрядной камеры с выходным отверстием центрального канала сопловой насадки выполнено в виде усеченного конуса с углом наклона образующей усеченного конуса к оси =23 60° при следующем соотношении размеров: 0,9 ((Dw-dw)·De/i·dw 2)·sin 2,8 1,3 Dw/Dc 2,1 2,94 Da/De 4,55 2,27 Dw/Da 2,94 1,4 He/De 2,5 0,4 Ha/Da 1,3 0 Нw/Dw 1,3 1,4 Dc/dc 1,7 0,9 Da/dc 1,3, где Dw – диаметр вихревой камеры, мм; dw – диаметр каналов завихрителя, мм; i – число каналов завихрителя, мм;
– угол между направлением осей каналов завихрителя и центрального канала сопловой насадки; De – диаметр выходного отверстия центрального канала сопловой насадки, мм; Da – диаметр разрядной камеры, мм; Dc – внешний диаметр стержневого электрода в вихревой камере, мм; dc – диаметр торца стержневого электрода, мм; Hw – длина вихревой камеры, мм; На – длина разрядной камеры, м; Не – длина выходного отверстия центрального канала насадки, мм.
3. Плазменная горелка по п.1, отличающаяся тем, что трубчатый корпус выполнен с радиальным кольцевым выступом, опирающимся на торцовую часть завихрителя.
4. Плазменная горелка, содержащая трубчатый корпус, в котором соосно размещены завихритель, выполненный в виде втулки с каналами, сообщающимися с генератором пара и формирующими струйки рабочего газа с окружной компонентой скорости, стержневой электрод с электродной вставкой, расположенный в названном завихрителе с зазором, обеспечивающим возможность образования кольцевой вихревой камеры с вихревым потоком рабочего газа, и с возможностью осевого возвратно-поступательного перемещения, диэлектрическая трубка, расположенная в зазоре между стержневым электродом и завихрителем, торец которой, образует торец вихревой камеры, сопловая насадка с профилированным открытым центральным каналом, расположенная на торце завихрителя с зазором относительно торцовой части стержневого электрода с обеспечением возможности образования разрядной камеры с преимущественно осевым расположением электрической дуги в потоке рабочего газа, поступающего из вихревой камеры и истекающего из центрального канала сопловой насадки с образованием плазменной струи, отличающаяся тем, что торцовая часть стержневого электрода выполнена суженной в направлении к сопловой насадке и расположена относительно сопловой насадки с образованием между ними кольцевой конфузорной полости, разрядная камера выполнена в виде цилиндрической полости, которая имеет конфузорное сопряжение с внутренней поверхностью завихрителя и конфузорное сопряжение с выходным отверстием центрального канала сопловой насадки, причем выходное отверстие центрального канала сопловой насадки выполнено с уширением вниз по потоку рабочего газа, при этом Do/De 2,6, а отношение Da/De не больше отношения Dw/Da, где Da – диаметр разрядной камеры, мм; De – диаметр выходного отверстия центрального канала сопловой насадки, мм; Dw – диаметр вихревой камеры мм.
5. Плазменная горелка по п.4, отличающаяся тем, что сужение торцевой части стержневого электрода выполнено в виде усеченного конуса с углом наклона образующей усеченного конуса к оси =15 23°, конфузорное сопряжение разрядной камеры с внутренней поверхностью завихрителя выполнено в виде усеченного конуса с углом наклона образующей усеченного конуса к оси =23 40°, конфузорное сопряжение разрядной камеры с выходным отверстием центрального канала сопловой насадки выполнено в виде поверхности усеченного конуса с углом наклона образующей усеченного конуса к оси =23 60°, уширение выходного отверстия центрального канала насадки вниз по потоку рабочего газа выполнено в виде усеченного конуса с углом наклона образующей усеченного конуса к оси =45 75° при следующем соотношении размеров: 1,6 ((Dw-dw)·De/i·dw 2)·sin 5,5 1,3 Dw/Dc 2,1 1,50 Da/De 2,27 2,27 Dw/Da 2,94 0,9 He/De 1,4 0,4 Ha/Da 1,3 0 Нw/Dw 1,3 1,4 Dc/dc 1,7 0,9 Da/dc 1,3 2,2 Do/Dc 4,0, где Dw – диаметр вихревой камеры, мм; dw – диаметр каналов завихрителя, мм; i – число каналов завихрителя;
– угол между направлением осей каналов завихрителя и центрального канала сопловой насадки; De – диаметр выходного отверстия центрального канала сопловой насадки, мм; Do – диаметр большего основания усеченного конуса уширения выходного отверстия центрального канала сопловой насадки, мм; Da – диаметр разрядной камеры, мм; Dc – внешний диаметр стержневого электрода в вихревой камере, мм; dc – диаметр торца стержневого электрода, мм; Hw – длина вихревой камеры, мм; На – длина разрядной камеры, мм; Не – длина выходного отверстия центрального канала насадки, мм.
6. Плазменная горелка по п.4, отличающаяся тем, что трубчатый корпус выполнен с радиальным кольцевым выступом, опирающимся на торцовую часть завихрителя.
7. Плазменная горелка, содержащая трубчатый корпус, в котором соосно размещены завихритель, выполненный в виде втулки с каналами, сообщающимися с генератором пара и формирующими струйки рабочего газа с окружной компонентой скорости, стержневой электрод с электродной вставкой, расположенный в названном завихрителе с зазором, обеспечивающим возможность образования кольцевой вихревой камеры с вихревым потоком рабочего газа, и с возможностью осевого возвратно-поступательного перемещения, диэлектрическая трубка, расположенная в зазоре между стержневым электродом и завихрителем, торец которой образует торец вихревой камеры, сопловая насадка с профилированным открытым центральным каналом, расположенная на торце завихрителя с зазором относительно торцовой части стержневого электрода с обеспечением возможности образования разрядной камеры с преимущественно осевым расположением электрической дуги в потоке рабочего газа, поступающего из вихревой камеры и истекающего из выходного отверстия центрального канала сопловой насадки с образованием плазменной струи, отличающаяся тем, что завихритель выполнен с винтовыми канавками на внутренней поверхности с направлением винтовой линии, совпадающим с направлением окружной компоненты скорости потока рабочего газа в вихревой камере.
РИСУНКИ
|
|