|
|
(21), (22) Заявка: 2008104683/15, 12.02.2008
(24) Дата начала отсчета срока действия патента:
12.02.2008
(46) Опубликовано: 27.04.2009
(56) Список документов, цитированных в отчете о поиске:
RU 2141336 C1, 20.11.1999. RU 2163922 C1, 10.03.2001. SU 1819288 A3, 30.05.1993. RU 2149892 C1, 27.05.2000. RU 2311045 C2, 27.11.2007. RU 2238751 C1, 27.10.2004.
Адрес для переписки:
127562, Москва, ул. Каргопольская, 12, кв.60, Е.В. Корниенко
|
(72) Автор(ы):
Тихонов Владимир Петрович (RU), Юдаев Василий Федорович (RU), Тырсин Юрий Александрович (RU)
(73) Патентообладатель(и):
Открытое акционерное общество Завод экологической техники и экопитания “ДИОД” (RU)
|
(54) СПОСОБ ПОЛУЧЕНИЯ КОМПЛЕКСА, ОБЛАДАЮЩЕГО ОБЩЕУКРЕПЛЯЮЩИМ ДЕЙСТВИЕМ
(57) Реферат:
Изобретение относится к химико-фармацевтической промышленности, а именно к способу получения комплекса биологически активных веществ из растительного сырья, содержащего биологически активные вещества (БАВ), из низкомасличного растительного сырья, преимущественно из зародышей пшеницы. Способ включает экстракцию зародышей пшеницы растительным маслом с одновременной дезинтеграцией зародышей пшеницы в роторном аппарате с модуляцией площади проходного сечения потока с коэффициентом модуляции объемного расхода не меньше 0,9 и коэффициентом модуляции объема не меньше 0,75 до получения тонкодисперсной суспензии с размером частиц твердой фазы меньше 15 мкм. Предварительно зародыши пшеницы сушат при температуре 55-65°С, готовят смесь зародышей пшеницы в растительном масле при соотношении твердой фазы к жидкой от 1:2 до 1:1., получают крупнодисперсную суспензию зародышей пшеницы в растительном масле в аппарате с мешалкой, которую затем обрабатывают в роторном аппарате. Полученная тонкодисперсная суспензия образует конечный продукт в виде растительно-жировой пасты, содержащей БАВ, с размерами дисперсных частиц, обеспечивающими необходимые органолептические качества пасты. Способ позволяет получать высококачественный жировой продукт, обеспечивает экономию дорогостоящего растительного сырья и снижение себестоимости готовой продукции. 4 з.п. ф-лы, 1 ил., 2 табл.
Изобретение относится к химико-фармацевтической промышленности, а именно к способу получения комплекса биологически активных веществ растительного происхождения для нормализации жизнедеятельности организма.
В настоящее время зародыши пшеницы широко используются для повышения биологической ценности различных продуктов, и их комплексная переработка позволяет решить одну из важнейших задач – расширение сырьевой базы за счет переработки нетрадиционного сырья и применение его в составе жировых продуктов, обладающих оздоровительными свойствами.
Зародыши пшеницы являются биологически ценным природным продуктом, концентрирующим в себе: белки с незаменимыми аминокислотами и высокой степенью усвоения; жиры, жирнокислотный состав которых представлен, в основном (80-85%), ненасыщенными жирными кислотами, в особенности, линолевой кислотой (свыше 65%); витамины группы В, РР, токоферолы, а также макро- и микроэлементы. Исследованные образцы зародышей пшеницы имели следующий качественный состав: сырой жир, % – 11,0±0,7; сырой протеин, % – 37,5±1,0; клетчатка, % – 3,0±0,5; зольность (содержание минеральных элементов), % – 6,0±0,7; влажность, % – 10,0±1,0; безазотистые экстрактивные вещества, % – 35,0±0,5; общий Р2О5, % – 3,5±0,3; кислотное число, мг КОН – 5,0±0,5.
Известен способ получения масла и белкового продукта из зародышей пшеницы путем отжима, который включают сушку исходного сырья до влажности 6-8% при температуре не выше 80°С в псевдоожиженном слое и отжим сырья в зеерной камере с одновременным измельчением, нагревом и перемешиванием при добавлении в него масла (RU 2163922). В известном способе получают масло и белковый продукт (жмых) высокого качества.
Однако этот способ обеспечивает сравнительно невысокий выход масла при отжиме низкомасличного растительного сырья в виде зародышей пшеницы.
Известны экстракционные способы получения масла из зародышей пшеницы (SU 1819288, RU 2149892), которые включают измельчение сырья и экстракцию растворителями в экстракторе с последующим удалением экстрагентов. Способы позволяют получать масла лечебно-профилактического назначения и обеспечивают достаточно высокий выход масла, однако они требуют использования специальных растворителей для экстракции, что усложняет процесс получения масла. При этом эффективность процесса экстракции в системе сырье-растворитель недостаточна и поэтому не обеспечивается высокая производительность процесса.
Наиболее близким к предлагаемому изобретению является способ выделения биологически активных веществ из растительного сырья, который включает замачивание растительного сырья, например, в виде измельченных травы, цветков или орехов в водном растворе этилового спирта до его полной пропитки и экстракцию жирорастворимых биологически активных веществ (БАВ) путем обработки сырья маслом в присутствии спирта. Экстракцию жирорастворимых БАВ проводят одновременно с механической дезинтеграцией растительного сырья в роторно-пульсационном аппарате. Полученную массу отстаивают и отделяют путем фильтрации экстракт в виде целевого жидкого продукта (RU 2141336). Известный способ позволяет значительно интенсифицировать процесс экстракции в системе сырье-растворитель, обеспечивает высокую производительность процесса и высокий выход продукта в виде жидкого экстракта, однако в известном способе с помощью обычного роторно-пульсационного аппарата невозможно обеспечить условия, необходимые для получения растительно-жировой пасты из зародышей пшеницы в виде тонкодисперсной суспензии с размерами дисперсных частиц меньше 15 мкм, обеспечивающими необходимые органолептические качества пасты.
Задачей настоящего изобретения является разработка способа получения комплекса из зародышей пшеницы в виде растительно-жировой пасты, содержащей БАВ.
Указанная задача достигается тем, что в способе получения растительно-жировой пасты, содержащей биологически активные вещества из низкомасличного растительного сырья, преимущественно из зародышей пшеницы, включающем экстракцию биологически активных веществ из растительного сырья растительным маслом с одновременной дезинтеграцией растительного сырья в роторном аппарате, экстракцию биологически активных веществ из зародышей пшеницы растительным маслом с одновременной дезинтеграцией зародышей пшеницы проводят в роторном аппарате с модуляцией площади проходного сечения потока при коэффициенте модуляции объемного расхода не менее 0,9 и коэффициенте модуляции объема не менее 0,75 до получения тонкодисперсной суспензии с размером частиц твердой фазы меньше 15 мкм, при этом полученная тонкодисперсная суспензия образует конечный продукт в виде растительно-жировой пасты, содержащей БАВ, диспергированные зародыши пшеницы и экстрагированное масло с жиро- и водорастворимыми БАВ.
При этом предпочтительно используют зародыши пшеницы и растительное масло при соотношении от 1:2 до 1:1 соответственно.
Предпочтительно проводят предварительную сушку зародышей пшеницы при температуре 55-65°С.
Предпочтительно до подачи смеси в роторный аппарат с модуляцией площади проходного сечения потока предварительно получают крупнодисперсную суспензию зародышей пшеницы в растительном масле в непрерывном режиме с применением двух параллельно работающих аппаратов с мешалками, соединенных с роторным аппаратом.
Кроме того, при необходимости можно суспензию растительно-жировой пасты, содержащей БАВ, разделять на фильтре с получением растительно-жировой пасты, содержащей БАВ, с заданной масличностью и фильтрата в виде растительного масла, обогащенного жирорастворимыми БАВ.
Известно (Балабышко A.M., Юдаев В.Ф. Роторные аппараты с модуляцией потока и их применение в промышленности. М.: Недра, 1992, с.65), что для достижения заданной дисперсности твердой фазы в текучей среде в роторных аппаратах с модуляцией потока необходимо воздействие мощных импульсных акустических и гидродинамических типов кавитации, которая достигается при глубокой модуляции объемного расхода и объема, вытекающего за период перекрывания отверстий статора отверстиями ротора.
Коэффициент модуляции объемного расхода m определяется из соотношения
,
где Qmax, Qmin – максимальный и минимальный объемные расходы обрабатываемой текучей среды через отверстия ротора и статора за период перекрывания отверстий статора отверстиями ротора.
Коэффициент модуляции объема определяется из соотношения
,
где ,
где аp ас – ширина отверстий ротора и статора соответственно.
Как показали исследования, для получения высококачественного комплекса в роторном аппарате с модуляцией площади проходного сечения потока необходимо выбрать коэффициент модуляции объемного расхода не меньше 0,9 и коэффициент модуляции объема не меньше 0,75. При обработке смеси зародыши пшеницы – растительное масло в роторном аппарате с выбранными коэффициентами модуляции получают тонкодисперсную суспензию с размерами частиц твердой фазы менее 15 мкм. За счет тонкого диспергирования происходит интенсификация физико-химическим процессов в системе растительное масло – зародыши пшеницы и уменьшение толщины гидродинамического, теплового и диффузионного пограничных слоев. При взаимодействии частиц дисперсной фазы с дисперсионной средой наряду с уменьшением толщины пограничного слоя уменьшается диаметр частиц, что важно не только с точки зрения увеличения площади межфазного взаимодействия, но и уменьшения внутреннего сопротивления, что позволяет эффективно экстрагировать биологически активные вещества из зародышей пшеницы: жиры, водо- и жирорастворимые витамины, белки, углеводы и тонкодиспергированные балластные вещества (пищевые волокна). При этом частицы измельченных зародышей достигают мелкодисперсного состояния меньше 15 мкм, а получаемый продукт имеет тонкодисперсную гомогенизированную структуру, что обеспечивает высокие органолептические качества растительно-жировой пасты.
Поскольку при воздействии различных технологических факторов на зародыш пшеницы происходят массообменные процессы, влияющие на биохимический состав, то проведено исследование по влиянию влажности и температуры на биологически активные вещества и, особенно, липидную фракцию зародыша пшеницы. Для этого зародыши с влажностью 14% досушивали на паровой ленточной сушилке «СПК» при температуре 55-65°С до влажности 6-8%. При подборе оптимальных параметров сушки было изучено влияние температуры воздуха на скорость сушки. Эксперимент проводился при следующих постоянных параметрах: степень наполнения 0,6; скорость воздуха 3,5 м/с; относительная влажность воздуха 5-20%. Математическая обработка полученных данных позволила установить зависимость влагосодержания (W°) от времени сушки ( ) при различных значениях (t):
WC=101,34-0,018 при t=55°C;
WC=101,34-0,020 при t=60°С;
WC=101,34-0,025 при=65°С.
В ходе экспериментов было выявлено функциональное влияние температуры воздушного агента (t) на скорость сушки (N) зародышей при различных значениях (WC). Ниже приведены полученные зависимости:
N=2,3·10-3 t1,065+0,021 при WC=8%;
N=9,2·10-25 t11,42+0,50 при WC=12%;
N=7,3·10-21 t9,65+0,63 при WC=16%;
N=1,1·10-22 t10,65+0,78 при WC=20%.
На основании проведенных исследований установлено, что диапазон нагрева образцов 55-65°С оказывает влияние на свободные липиды образцов зародышей пшеницы и увеличивает их содержание на 40%, при этом количество связанных липидов уменьшается на 30%, в результате чего сумма липидов увеличивается на 25%. Кроме того, данный температурный диапазон не оказывает существенного влияния на аминокислотный состав и питательную ценность белка.
Для исследования была составлена смесь из высушенных семян зародышей пшеницы и рафинированного дезодорированного подсолнечного масла в соотношении 1:1 со следующими качественными показателями:
– физико-химические: кислотное число – 0,4 мг КОН/г; цветное число – 10 мг йода; содержание влаги – 0,1%; степень прозрачности – 25 фем; перекисное число – 10 ммоль О/кг; йодное число – 125 г I2/100 г; содержание неомыляемых – 1%;
– органолептические: прозрачное без осадка; обезличенное без запаха и вкуса;
– жирнокислотный состав, %: пальмитиновая – 5,5; стеариновая – 6,7; олеиновая – 24,8; линолевая – 69,5; линоленовая – 0,5; арахиновая – 1,5.
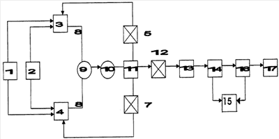
Способ осуществляют на технологической установке для получения растительно-жировой пасты путем смешения и гомогенизации зародышей пшеницы (далее сыпучий материал СМ) в растительном масле, схема которой приведена на чертеже. Установка содержит дозатор 1 сыпучего материала СМ, дозатор 2 растительного масла, аппараты 3, 4 с мешалкой, насос 10, роторно-пульсационный аппарат с модуляцией площади проходного сечения потока 11, трубопроводы 6, 6.1 линии рециркуляции, трубопровод 8 с трехходовым краном 9, вентили 6, 7, 12, накопительную емкость 13 растительно-жировой пасты, фильтр 14, приемную емкость 15 фильтрата, приемную емкость 17 растительно-жировой пасты с заданной масличностью, ленточный фильтр 16.
Способ осуществляют следующим образом. Через дозатор 1 сыпучего материала (СМ) зародышами пшеницы в количестве ХН и через дозатор 2 растительным маслом (подсолнечным) наполняем аппарат с мешалкой 3 в соотношении твердой фазы к жидкой (Т:Ж), равном от 1:2 до 1:1. В это время трубопровод линии рециркуляции 6 и вентиль 5 закрыты, а трубопровод линии рециркуляции 6.1 при открытом вентиле 7 работает. Гомогенизированная крупнодисперсная суспензия в аппарате 3 с мешалкой через трубопровод 8 и трехходовой кран 9 подается насосом 10 в роторный аппарат 11 при закрытом вентиле 12. Суспензия в роторном аппарате 11 с коэффициентом модуляции объемного расхода 0,9 и коэффициентом модуляции объема 0,75 подвергается многофакторному воздействию (импульсная, акустическая и гидродинамическая виды кавитаций, большие тангенциальные напряжения в зазоре между ротором и статором, тангенциальные пульсации и т.д.), в результате чего частицы СМ диспергируются, уменьшается толщина диффузионного пограничного слоя, процесс экстракции интенсифицируется. Из аппарата 11 суспензия самотеком через открытый вентиль 7 по линии рециркуляции 6.1 возвращается в аппарат 4 с мешалкой, выполняющий роль гомогенизатора. После 4-5-кратной рециркуляции через аппарат 11 открывается вентиль 12, а вентиль 7 закрывается. Тонкодиспергированная суспензия, образующая конечный продукт в виде растительно-жировой пасты, содержащей БАВ, диспергированные зародыши пшеницы и экстрагированное масло с жиро- и водорастворимыми БАВ, направляется в накопительную емкость 13. При опорожнении аппарата 4 закрывается вентиль 12 и открывается вентиль 5, трехходовой кран 9 закрывает трубопровод от аппарата 4 и открывает трубопровод от аппарата 3. Начинает работать линия рециркуляции с открытым вентилем 5 и аппаратом 3, а аппарат 4 заполняется через дозаторы. Из накопительной емкости 13 непрерывно независимо от положения вентиля 12 растительно-жировая паста подается при необходимости в фильтр 14, откуда фильтрат в виде растительного масла, обогащенного жирорастворимыми БАВ, поступает в приемную емкость 15, а осадок в виде растительно-жировой пасты с фильтра 14 поступает на ленточный фильтр 16, где растительно-жировую пасту доводят до заданной масличности, фильтрат подают в емкость 15, а растительно-жировая паста заданной масличности поступает в приемную емкость 17. Из приемных емкостей 15 и 17 полученные продукты фасуются в соответствующую тару и транспортируются на склад готовой продукции.
Полученная в накопительной емкости 13 гомогенная суспензия используется полностью как растительно-жировая паста для изготовления эмульсионных продуктов повышенной пищевой ценности (майонезы, соусы, кетчупы, дрессинги и т.п.).
После пропускания крупнодисперсной суспензии через роторный аппарат с коэффициентом модуляции объемного расхода 0,9 и коэффициентом модуляции объема 0,75 при нескольких циклах рециркуляции частицы зародышей пшеницы значительно уменьшились в размере (15 мкм), возросла стабильность тонкодисперсной суспензии и улучшилась органолептика продукта.
При разработанном способе в комплекс полностью переходят все полезные жирорастворимые биологически активные вещества. Физико-химические характеристики полученного комплекса имеют следующие показатели: содержание фосфолипидов – 0,9%; кислотное число – 1,8 мг КОН; содержание воскоподобных веществ – 0,1%; перекисное число – 12 ;
цветность – 30 мг I2; плотность при 22°С г/см3 – 0,924.
Жирнокислотный состав растительно-жировой пасты приведен в таблице 1, белковый состав – в таблице 2. Витаминно-минеральный состав полученного модельного образца содержит: B1 – 3,1 мг %; В2 – 0,8 мг %; В3 – 0,9 мг %; РР – 9,1 мг %; B6 – 1,5 мг %; инозитол – 0,9 мг %; холин – 40,0 мг %; токоферол – 237,0 мг %; каротиноидов – 0,4 мг/100 г; фитостерины – 2,0 мг %; калий – 15,0 мг %; кальций – 7,2 мг %; магний – 8,9 мг %; марганец – 0,3 мг %; натрий – 5,0 мг %; фосфор – 20,0 мг %; цинк – 0,4 мг %.
Анализ полученных данных позволяет установить, что получен высококачественный комплекс из зародышей пшеницы, обогащенный легкоусваиваемыми организмом человека веществами, обладающими высокой активностью и специфичностью, необходимыми для нормальной жизнедеятельности организма.
Полученный данным способом комплекс может быть широко использован в качестве общеукрепляющего средства и биологически активной добавки.
Данный комплекс способствует восстановлению тканей кожи и слизистых оболочек, укрепляет иммунную систему, а также проявляет антиоксидантные свойства, регулирует процесс проникновения питательных веществ через клеточные мембраны.
Таблица 2 Белковый состав растительно-жировой пасты |
| Наименование аминокислот белков (к общему азоту) |
Содержание, % |
| Аргинин |
7,5 |
| Валин |
3,8 |
| Гистидин |
6,7 |
| Глутаминовая кислота |
7,8 |
| Изолейцин |
8,2 |
| Лизин |
5,9 |
| Метионин |
2,5 |
| Триптофан |
1,5 |
| Треонин |
3,0 |
| Цистеин |
2,0 |
Формула изобретения
1. Способ получения комплекса, обладающего общеукрепляющим действием, включающий экстракцию зародышей пшеницы растительным маслом с одновременной дезинтеграцией растительного сырья в роторном аппарате, с модуляцией площади проходного сечения потока с коэффициентом модуляции объемного расхода не меньше 0,9 и коэффициентом модуляции объема не меньше 0,75 до получения тонкодисперсной суспензии с размером частиц твердой фазы меньше 15 мкм, при этом полученная тонкодисперсная суспензия образует конечный продукт в виде растительно-жировой пасты, содержащей биологически активные вещества, диспергированные зародыши пшеницы и экстрагированное масло с жиро- и водорастворимыми биологически активными веществами (БАВ).
2. Способ по п.1, где зародыши пшеницы и растительное масло берут в соотношении от 1:2 до 1:1 соответственно.
3. Способ по п.1, где предварительно сушат зародыши пшеницы при температуре 55-65°С.
4. Способ по п.1, где предварительно получают крупнодисперсную суспензию зародышей пшеницы в растительном масле в непрерывном режиме с применением двух параллельно работающих аппаратов с мешалками, соединенных с роторным аппаратом.
5. Способ по любому из пп.1-4, где тонкодисперсную суспензию растительно-жировой пасты, содержащую БАВ, разделяют на фильтре с получением растительно-жировой пасты, содержащей БАВ заданной масличности, и фильтрата в виде растительного масла, обогащенного жирорастворимыми БАВ.
РИСУНКИ
|
|