|
|
(21), (22) Заявка: 2007140059/09, 31.10.2007
(24) Дата начала отсчета срока действия патента:
31.10.2007
(46) Опубликовано: 20.04.2009
(56) Список документов, цитированных в отчете о поиске:
МАЙЗЕЛЬС Е.Н. и др. Измерение характеристик рассеяния радиолокационных целей. – М.: Советское радио, 1972, с.59, рис.3.1.а). SU 302810 А1, 01.01.1971. RU 2265230 С2, 27.11.2005. DE 19803067 А1, 29.07.1999. ЕР 1744172 А1, 17.01.2007. US 5500646 А, 19.03.1996.
Адрес для переписки:
105064, Москва, Гороховский пер., 8, кв.6, Г.Г. Валееву
|
(72) Автор(ы):
Валеев Георгий Галиуллович (RU)
(73) Патентообладатель(и):
Валеев Георгий Галиуллович (RU)
|
(54) ОДНОАНТЕННЫЙ ИЗМЕРИТЕЛЬ ПОЛЯРИЗАЦИОННОЙ МАТРИЦЫ
(57) Реферат:
Изобретение относится к области радиолокации и предназначено для измерения радиолокационных характеристик целей. Одноантенный измеритель поляризационной матрицы содержит передатчик, поляризатор, направленный разделитель поляризаций с Е и Н боковыми плечами, две переменные комплексные нагрузки, два амплифазометра и линзовую приемопередающую антенну. Линза антенны выполнена с одной внешней преломляющей поверхностью. Выход передатчика соединен с входом поляризатора, выход которого соединен с входом основного плеча направленного разделителя поляризаций. Выход разделителя поляризаций соединен с входом приемопередающей антенны. Ненаправленные выходы Е и Н боковых плеч разделителя поляризаций соединены с переменными нагрузками, кроме того, направленные выходы Е и Н боковых плеч разделителя поляризации соединены с сигнальными входами соответствующих амплифазометров. Технический результат изобретения – уменьшение размеров измерителя, увеличение его потенциала и динамического диапазона измерений. 4 ил.
Изобретение относится к области радиолокации и предназначено для измерения радиолокационных характеристик целей. Преимущественное применение изобретения – измерение поляризационной матрицы радиолокационных целей на моделях.
Известна измерительная установка для измерения «нелинейных» радиолокационных характеристик целей (RU пат. 2265230 G01R 29/08, G01S 13/04, Бюл. 33 от 27.11.2005 г.). Это устройство содержит задающий генератор, полосовой фильтр, передающую и приемную антенны, регистратор, последовательно соединенные усилитель, гетеродин и блок стабилизации частоты гетеродина. Между приемной антенной и регистратором последовательно соединены разделитель поляризаций и два параллельных приемных канала. Каждый канал состоит из последовательно соединенного смесителя и усилителя приемного канала. Выходы усилителей присоединены к соответствующим входам регистратора, а вторые их выходы подключены к фазовому детектору, выход которого подключен к регистратору. Между задающим генератором и полосовым фильтром введен направленный ответвитель. К боковому выходу направленного ответвителя последовательно подключены усилитель и блок стабилизации частоты гетеродина. Передающая антенна выполнена круговой поляризации излучения. Два выхода гетеродина подключены к смесителям соответствующих приемных каналов, третий выход – к блоку стабилизации частоты, а выход полосового фильтра подсоединен к передающей антенне.
Это установка не позволяет измерять полную поляризационную матрицу и для измерения комплексных элементов требуется большая дальность до цели для создания условий измерений, близких к условиям измерения в дальней зоне антенны, что приводит к увеличению потенциала установки, размеру измерительной площадки и материальным затратам.
Известный одноантенный измеритель обратного рассеяния (СССР авт.св. 302810, H03J 5/00, Бюл. 15 от 28.04.71) содержит генератор, основной и опорный каналы, поляризатор, устройство разделения и регистрации падающих и радиоволн вторичного излучения целью и приемопередающую антенну. Устройство разделения излучаемых антенной и переотраженных целью радиоволн выполнено в виде волноводного направленного разделителя поляризаций с основной линией квадратного или круглого сечения и с двумя боковыми линиями прямоугольного сечения. Широкие стенки боковых волноводов взаимно перпендикулярны. Измеритель обратного рассеяния предназначен для измерения поляризационной матрицы М цели при закреплении цели на жесткой опоре.
Матричное уравнение (1), связывающее две ортогональные компоненты падающих на цель радиоволн с соответствующими компонентами вторичного излучения целью радиоволн, имеет вид

где Ei,x и Ei,y – ортогональные компоненты падающих на цель радиоволн;
Er,х и Er,y – ортогональные компоненты вторичного излучения целью радиоволны;
a·expi xx, b·expi xy, c·expi yx и d·expi yy – элементы поляризационной матрицы;
a, b, с и d – модули элементов поляризационной матрицы;
уу, хх, ух и ху – аргументы элементов поляризационной матрицы.
Матрица М, модули которой откалиброваны в значениях эффективной поверхности рассеяния – (ЭПР), записывается в виде
   
где уу, xx и ух, ху – эффективные поверхности рассеяния цели при параллельном и ортогональном приеме вторичного излучения целью радиоволн в заданном поляризационном базисе.
Поляризационная матрица симметрична, если передающая и приемная антенны совмещены. В этом случае элементы матрицы  ух, expi ух и  xy, expi xy равны и матрица рассеяния (2) принимает вид
      
Это устройство измеряет полную поляризационной матрицу, но для измерения комплексных элементов требуется большая дальность до цели для создания условий измерений, близких к условиям измерения в дальней зоне антенны, что требует увеличить потенциал установки, размер измерительной площадки и материальные затраты.
Известно устройство, позволяющее существенно сократить необходимое расстояние до цели. Этим устройством является коллиматор, выполненный в виде линзовой антенны с линзой с одной внутренней преломляющей поверхностью (Майзельс Е.Н., Торгованов В.А., Измерение характеристик рассеяния радиолокационных целей, М., Сов. радио, 1972, с.59, рис. 3.1.а). Линза с одной внутренней преломляющей поверхностью приближает фазовое распределение электромагнитного поля в раскрыве к фазовому распределению в плоской электромагнитной волне, но увеличивает неоднородность амплитудного распределения облучателя, что ведет к большим погрешностям измерения, к уменьшению потенциала измерительной установки и динамического диапазона измерений.
Амплитудное распределение поля в раскрыве линзы не совпадает с угловым амплитудным распределением поля ее облучателя. При прохождении энергии через линзу вследствие неодинаковости углов преломления для различных лучей происходит изменение ширины элементарных пучков лучей до и после прохождения лучом преломляющей поверхности линзы.
Для линзы с внутренней преломляющей поверхностью элементарные пучки, падающие на преломляющую поверхность, расширяются (фиг.1), что приводит к увеличению спада амплитудного распределения от оси линзы к краям, в то же время для линзы с внешней преломляющей поверхности элементарные пучки, падающие на преломляющую поверхность, сужаются (фиг.2), тем самым увеличивают амплитуду в амплитудном распределение на краях линзы и компенсируют спад амплитуды, вызванный диаграммой направленности облучателя.
На фиг.1 и 2 введены обозначения: f – фокусное расстояние линзы; t – толщина линзы; – угол, под которым луч выходит из раскрыва облучателя; r – луч, падающий на преломляющую поверхность линзы под углом ; – угол, образованный лучом r и перпендикуляром в точке его падения на преломляющую поверхность линзы; у и х – координаты декартовой системы координат с центром в фазовом центре облучателя; y1 и x1 – координаты декартовой системы координат с центром в точке падения луча r на преломляющую поверхность линзы.
На фиг.3 приведены рассчитанные графики относительного углового распределения потока мощности Р( ) на внешней поверхности линзы с внутренней (пунктирная кривая) и внешней (сплошная кривая) преломляющей поверхностью, выполненные из пенопласта ПС-1 с диэлектрической постоянной, равной 1,1. Распределение потока мощности Р( ) облучателя обозначено штрихпунктирной линией. Графики подтверждают, что линза с внутренней преломляющей поверхностью увеличивает амплитудную неоднородность, а линза с внешней преломляющей поверхностью уменьшает амплитудную неоднородность в раскрыве.
У линзы с одной внешней преломляющей поверхностью, выполненной из пенопласта РС-1, коэффициент использования раскрыва в два раза больше по сравнению с линзой с одной внутренней преломляющей поверхностью. При одинаковых размерах амплитудной неоднородности в раскрывах линз с внутренней и внешней преломляющей поверхностью последняя имеет фокусное расстояние в 2-3 раза меньше, что увеличивает потенциал измерительной установки на 12-19 дБ по сравнению с установкой, снабженной линзой с внутренней преломляющей поверхностью.
Технический результат изобретения – уменьшение размеров измерительной установки, увеличение ее потенциала и динамического диапазона измерений при прочих равных условиях.
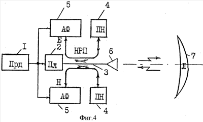
На фиг.4 представлена структурная схема одноантенного измерителя. Одноантенный измеритель поляризационной матрицы содержит: 1 – передатчик (Прд); 2 – поляризатор (Пл); 3 – направленный разделитель поляризаций (НРП) с ортогональными Е и Н плечами; 4 – две переменные комплексные нагрузки (ПН); 5 – два амплифазометра (АФ); линзовую антенну, состоящую из облучателя 6 и линзы (Л) 7 с одной внешней преломляющей поверхностью.
Выход передатчика 1 соединен с входами опорных сигналов амплифазометров 5 и с входом поляризатора 2. Выход поляризатора 2 соединен с входом основного плеча направленного разделителя поляризаций 3. Выход разделителя поляризаций 3 соединен с входом приемопередающей антенны. Ненаправленные выходы Е и Н боковых плеч разделителя поляризаций 3 соединены с соответствующими переменными нагрузками 4. Направленные выходы Е и Н боковых плеч разделителя поляризации 3 соединены с сигнальными входами соответствующих амплифазометров 5.
Приемопередающая антенна выполнена линзовой из облучателя 6 и линзы 7. Линза 7 выполнена с одной внешней преломляющей поверхностью.
Одноантенный измеритель работает следующим образом. СВЧ-сигнал передатчика 1 поступает на вход поляризатора 2, небольшая часть СВЧ-сигнала поступает на входы опорных сигналов амплифазометров 5, необходимых для измерения фаз. Поляризатор 2 преобразует волну с вертикальной линейной поляризацией на его входе в волну с требуемой поляризацией на его выходе (горизонтальную, наклонную, с круговой поляризацией или не меняет поляризацию). С выхода поляризатора 2 СВЧ-сигнал поступает на облучатель 6, а с его выхода – на внутреннюю непреломляющую поверхность линзы 8. На внешней преломляющей поверхности линзы формируется электромагнитное поле с равномерными распределениями амплитуды и фазы, которым облучается модель цели. Отражения СВЧ-сигнала от частей СВЧ-тракта, облучателя и линзы (местных предметов) компенсируются до уровня шумов супергетеродинных приемников амплифазометров с помощью комплексных переменных нагрузок 4. С помощью нагрузок изменяют амплитуду и фазу отраженных от них сигналов. После чего перед линзой помещают измеряемую модель. Вторичное излучение модели цели через линзу и облучатель поступает на выход основного плеча НРП 3, а из него – на направленные выходы Е (вертикальной поляризации) и Н (горизонтальной поляризации) боковых плеч. С выходов Е и Н боковых плеч НРП 3 сигнал поступает на входы соответствующих амплифазометров 5.
Передатчик 1 выполнен непрерывного излучения. Поляризатор 2 имеет вход прямоугольного волновода, переходящего в круглый волновод. В круглом волноводе имеются две четвертьволновые вставки, одна из которых преобразует вертикальную поляризацию волны в волну с круговой поляризацией, а вторая – круговую поляризацию в линейную с требуемым наклоном плоскости поляризации. Круглый волновод поляризатора переходит в квадратный. Основное плечо направленного разделителя поляризации 3 имеет квадратное сечение, а боковые плечи выполнены на волноводах прямоугольного сечения. Комплексные переменные нагрузки 4 выполнены на волноводе прямоугольного сечения с изменением амплитуды и фазы отраженного СВЧ-сигнала. Амплифазометры выполнены с супергетеродинными приемниками, фазовыми и амплитудными детекторами и регистраторами фаз и амплитуд. Облучатель 6 выполнен в виде рупора. Линза 7 выполнена из пенопласта с одной внешней преломляющей поверхностью.
Пример выполнения одноантенного измерителя поляризационной матрицы
Генератор 1 работает на волне 3,2 см, его мощность 2 Вт, стабильность несущей частоты – одна десятимиллионная, которая сохраняется в течение 30 минут. Диаметр круглого волновода поляризатора 23 мм. Сечение основного плеча НРП 3 квадратное 20×20 мм, боковые Е и Н плечи выполнены на прямоугольном волноводе с сечением 23×10 мм. Раскрыв облучателя равен 6,4 см. Линза выполнена из пенопласта ПС-1 с одной внешней преломляющей поверхностью, диаметр линзы 150 см и фокусное расстояние 200 см. Комплексные переменные нагрузки выполнены на волноводе прямоугольного сечения 23×10 мм с возможностью изменения амплитуды в 20 раз и фазы на 2 отраженного СВЧ-сигнала. Нагрузки обеспечивают компенсацию сигналов сторонних предметов на 60 дБ. В раскрыве линзы в пределах 50×50 см обеспечивается равномерное распределение: амплитуды с точностью 1 дБ и фазы – /8.
Технический результат изобретения достигнут. При заданных размерах поля 50×50 см с равномерными распределениями амплитуды и фазы уменьшены размеры площади под измеритель в два раза, его потенциал и динамический диапазон измерений увеличены на 8 дБ.
Формула изобретения
Одноантенный измеритель поляризационной матрицы, содержащий передатчик, поляризатор, направленный разделитель поляризаций с ортогональными Е и Н боковыми плечами, две комплексные переменные нагрузки, два амплифазометра и приемопередающую антенну, причем выход передатчика соединен с входами опорных сигналов амплифазометров и с входом поляризатора, выход которого соединен с входом основного плеча направленного разделителя поляризаций, кроме того, выход разделителя поляризаций соединен с входом приемопередающей антенны, причем ненаправленные выходы Е и Н боковых плеч разделителя поляризаций соединены с переменными нагрузками, направленные выходы Е и Н боковых плеч разделителя поляризаций соединены с сигнальными входами соответствующих амплифазометров, отличающийся тем, что приемопередающая антенна выполнена линзовой, и линза выполнена с одной внешней преломляющей поверхностью.
РИСУНКИ
|
|