|
|
(21), (22) Заявка: 2008101023/09, 18.01.2008
(24) Дата начала отсчета срока действия патента:
18.01.2008
(46) Опубликовано: 20.04.2009
(56) Список документов, цитированных в отчете о поиске:
БОРОДУЛИН Б.М. и др., Конденсаторные установки электрофицированных железных дорог. – М.: Транспорт, 1983, рис.10. RU 2057655 C1, 10.04.1996. SU 1562175 A1, 07.05.1990. SU 1532362 A1, 30.12.1989. JP 6108523 А, 30.04.1986.
Адрес для переписки:
125993, Москва, ул. Часовая, 22/2, РГОТУПС
|
(72) Автор(ы):
Герман Леонид Абрамович (RU), Пупынин Владимир Николаевич (RU)
(73) Патентообладатель(и):
Государственное образовательное учреждение высшего профессионального образования “Российский государственный открытый технический университет путей сообщения” (РГОТУПС) (RU)
|
(54) ПОСТ СЕКЦИОНИРОВАНИЯ КОНТАКТНОЙ СЕТИ ПЕРЕМЕННОГО ТОКА С УСТАНОВКОЙ ПОПЕРЕЧНОЙ ЕМКОСТНОЙ КОМПЕНСАЦИИ
(57) Реферат:
Изобретение относится к системе электроснабжения электрических железных дорог, а именно, к устройствам автоматизации постов секционирования контактной сети переменного тока с установками поперечной емкостной компенсации (КУ). Техническим результатом является повышение надежности поста секционирования контактной сети переменного тока с установкой поперечной емкостной компенсации за счет исключения излишних отключений выключателей поста секционирования при проходящих коротких замыканиях в контактной сети. Этот результат достигается тем, что в схему автоматического управления постом секционирования вводится блок кратковременного отключения установки поперечной емкостной компенсации и определения наличия короткого замыкания в отключенной контактной сети. При коротком замыкании кратковременно отключается КУ и проверяется наличие разрядного тока в трансформаторе тока КУ. При отсутствии этого тока устанавливается запрет на отключение выключателей поста секционирования. 1 ил.
Изобретение относится к системе электроснабжения электрических железных дорог, а именно, к устройствам автоматизации постов секционирования контактной сети переменного тока с установками поперечной емкостной компенсации.
Известен пост секционирования контактной сети двухпутного участка железной дороги переменного тока (ПС) с установкой поперечной емкостной компенсации (КУ) [1, рис.10], содержащий выключатели поста секционирования, подключенные к шине поста, к которой через выключатель КУ подключены последовательно соединенные первичная обмотка трансформатора тока, реактор и конденсаторная батарея КУ с параллельно подключенной первичной обмоткой первого трансформатора напряжения, причем вывод конденсаторной батареи подключен к рельсам, второй трансформатор напряжения, первичная обмотка которого подключена между шиной поста и рельсами, а ко вторичной обмотке подключено реле напряжения, причем вторичная обмотка трансформатора тока и размыкающий контакт реле напряжения поданы на вход схемы автоматического управления постом секционирования, получающей питание от шин источника 110 В постоянного тока. К выключателям поста секционирования и тяговой подстанции подключена контактная сеть двухпутного участка.
Надежность функционирования любого поста секционирования, в том числе с КУ, влияние его работы на бесперебойность и надежность системы электроснабжения в целом, зависит от алгоритма управления его коммутационными аппаратами. Главным недостатком известного поста секционирования с КУ заключается в том, что выключатели поста отключаются при любом коротком замыкании (КЗ), вне зависимости от характера КЗ, т.е. вне зависимости от того, КЗ устойчивое (сохраняющееся) или же проходящее (самоликвидирующееся) после отключения КЗ выключателями фидеров тяговых подстанций с обеих сторон от поста. Если учесть, что согласно статистике количество устойчивых КЗ составляет лишь малую долю (не свыше 15%) от всех КЗ, то ясно, что отключений выключателей поста при проходящих КЗ следовало бы избегать. Это позволило бы существенно увеличить время и надежность работы выключателей поста и, что самое главное, повысило бы бесперебойность и надежность работы системы электроснабжения в целом.
Известно устройство [2], определяющее наличие проходящих КЗ в отключенной контактной сети по, так называемому, остаточному напряжению в контактной сети, генерируемому фазорасщепителями (асинхронными машинами) электровозов.
Однако не на всех электровозах есть фазорасщепители на базе асинхронных машин. В частности, на пассажирских чешских электровозах типа ЧС, а также на новых отечественных электровозах переменного тока таких фазорасщепителей нет, поэтому указанное устройство [2] в этом случае не будет работать.
Цель изобретения состоит в разработке поста секционирования с КУ, свободного от указанного выше недостатка известного поста секционирования с КУ.
Поставленная цель достигается тем, что в пост секционирования контактной сети двухпутного участка железной дороги переменного тока (ПС) с установкой поперечной емкостной компенсации (КУ) [1, рис.10], содержащий выключатели поста секционирования, подключенные к шине поста, к которой через выключатель КУ подключены последовательно соединенные первичная обмотка трансформатора тока, реактор и конденсаторная батарея КУ с параллельно подключенной первичной обмоткой первого трансформатора напряжения, причем вывод конденсаторной батареи подключен к рельсам, второй трансформатор напряжения, первичная обмотка которого подключена между шиной поста и рельсами, а ко вторичной обмотке подключено реле напряжения, причем вторичная обмотка трансформатора тока и размыкающий контакт реле напряжения поданы на вход схемы автоматического управления постом секционирования, получающей питание от шин источника 110 В постоянного тока, а к выключателям поста секционирования и тяговой подстанции подключена контактная сеть двухпутного участка, в схему автоматического управления постом секционирования вводится блок кратковременного отключения установки поперечной емкостной компенсации и определения наличия короткого замыкания в отключенной контактной сети, состоящий из реле времени повторного включения выключателя установки поперечной емкостной компенсации, промежуточного реле с размыкающим и замыкающими контактами и токового реле для контроля тока разряда на короткое замыкание с замыкающим контактом, катушка которого подключена ко вторичной обмотке трансформатора тока. Замыкающий контакт реле напряжения одним концом подключается к «плюс» шине 110 В, а другим концом подключается в точку соединения первых выводов первого и второго замыкающих и третьего размыкающего контактов промежуточного реле, второй вывод третьего размыкающего контакта промежуточного реле подключен к первому выводу катушки реле времени и к цепи отключения установки поперечной емкостной компенсации, замыкающий контакт реле времени одним концом подключен к « плюс» шине 110В, а другим концом к точке соединения второго вывода первого замыкающего контакта промежуточного реле и первого вывода катушки промежуточного реле, вторые выводы катушек реле времени и промежуточного реле подключены к «минус» шине 110В, цепь отключения выключателей поста секционирования соединяется со вторым выводом второго замыкающего контакта промежуточного реле через замыкающий контакт токового реле, а цепь включения установки поперечной емкостной компенсации соединена с «плюс» шиной 110 В через четвертый замыкающий контакт промежуточного реле.
Такое выполнение поста секционирования позволяет определять характер КЗ (устойчивое или проходящее КЗ) в контактной сети и разрешает отключение выключателей поста секционирования только в случае устойчивого КЗ.
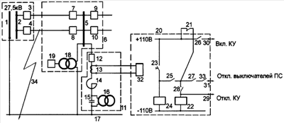
Схема предлагаемого поста секционирования двухпутного участка контактной сети переменного тока с новой схемой автоматического управления, позволяющей определять характер КЗ в контактной сети и разрешающей отключение выключателей поста только в случае устойчивого КЗ, приведена на чертеже, где обозначено:
1, 2 – шины 27,5 кВ тяговой подстанции;
3, 4 – выключатели фидеров контактной сети тяговой подстанции;
5 – шина 27,5 кВ поста секционирования;
6 – пост секционирования;
7, 8, 9, 10 – выключатели фидеров поста секционирования;
12 – выключатель КУ;
13 – трансформатор тока КУ;
14 – реактор КУ;
15 – конденсаторная батарея КУ;
16 – трансформатор напряжения КУ;
11 – КУ;
17 – рельсы путей железной дороги;
18 – трансформатор напряжения поста секционирования;
19 – реле напряжения и его размыкающий контакт 21;
20 – блок кратковременного отключения КУ и определения наличия короткого замыкания в отключенной контактной сети;
22 – реле времени повторного включения выключателя КУ и его замыкающий контакт 23;
24 – промежуточное реле и его замыкающие контакты 25, 26 и 27 и размыкающий контакт 28;
29 и 30 – цепи соответственно отключения и включения КУ;
31 – цепь отключения выключателей поста секционирования;
32 – реле тока и его замыкающий контакт 33;
34 – условное место короткого замыкания в контактной сети.
Работа предлагаемой схемы поста секционирования происходит следующим образом.
Принята распространенная схема питания контактной сети [3], когда при КЗ в контактной сети на межподстанцонной зоне отключаются все выключатели на тяговых подстанциях, питающих рассматриваемую зону.
При КЗ 34 отключаются от защиты выключатели 3 и 4 тяговой подстанции слева от поста секционирования, а также аналогичные выключатели тяговой подстанции справа от поста (на схеме не показаны). Напряжение на шинах поста секционирования, поддерживаемое КУ, постепенно уменьшается из-за разряда на первичную обмотку трансформатора напряжения 16. При спадании напряжения до уровня уставки реле напряжения 19 (15 17 кВ) оно срабатывает и размыкающий контакт 21 отключает КУ по цепи 29 (для исключения разряда КУ на КЗ) [4].
Одновременно контакт 21 запускает реле времени 22 и его контакт 23 с выдержкой времени включает промежуточное реле 24, а его замыкающий контакт 26 включает КУ 11, причем промежуточное реле 24 встает на самоудержание с помощью своего замыкающего контакта 25.
Таким образом, с помощью блока 20 происходит кратковременное отключение и последующее включение КУ после КЗ в контактной сети.
Если КЗ проходящее, то после отключения и последующего включения КУ разрядный ток КУ на КЗ 34 в трансформаторе тока 13 отсутствует, катушка реле тока 32 обесточена и отключения выключателей ПС не произойдет, так как цепь 31 на их отключение разорвана контактом 33 реле тока 32.
Далее включаются выключатели 3 и 4 по системе автоматического повторного включения этих выключателей (АПВ) и электроснабжение контактной сети восстанавливается.
Контакт 21 размыкается, и схема блока 20 приходит в исходное состояние.
Таким образом, при проходящих КЗ не происходит излишних отключений выключателей поста секционирования в сравнении с прототипом, что повышает надежность его работы выключателей поста, а также надежность и бесперебойность работы системы электроснабжения в целом.
При устойчивом КЗ после отключения и последующего включения КУ с помощью блока 20 в трансформаторе тока 13 будет проходить разрядный ток КУ на КЗ 34, тогда срабатывает реле тока 32, замыкается его контакт 33 и по замкнутой цепи «контакт 21 – контакт 27 – контакт 33 – цепь 31» происходит отключение выключателей ПС.
Литература
1. Бородулин Б.М., Герман Л.А., Николаев Г.А. Конденсаторные установки электрифицированных ж.д. – М.: Транспорт, 1983. – 183 с. (Прототип – рис.10).
2. Пупынин В.Н., Герман Л.А. Заявка на изобретение 2006125103/09 от 13.07.2006 «Способ управления фидерным выключателем тяговой подстанции переменного тока 27,5 кВ и устройство для его реализации». Положительное решение 18.09.2007.
3. Герман Л.А., Пиглицын В.И., Демидов С.В. «Новые схемы питания контактной сети », Локомотив 11, 2006 г.
4. Бей Ю.М., Мамошин P.P., Пупынин В.Н. и др. Тяговые подстанции./ Учебник для вузов, М.: Транспорт, 1986 – 319 с.
Формула изобретения
Пост секционирования контактной сети двухпутного участка железной дороги переменного тока (ПС) с установкой поперечной емкостной компенсации (КУ) [1, рис.10], содержащий выключатели поста секционирования, подключенные к шине поста, к которой через выключатель КУ подключены последовательно соединенные первичная обмотка трансформатора тока, реактор и конденсаторная батарея КУ с параллельно подключенной первичной обмоткой первого трансформатора напряжения, причем вывод конденсаторной батареи подключен к рельсам, второй трансформатор напряжения, первичная обмоткой которого подключена между шиной поста и рельсами, а ко вторичной обмотке подключено реле напряжения, причем вторичная обмотка трансформатора тока и размыкающий контакт реле напряжения поданы на вход схемы автоматического управления постом секционирования, получающей питание от шин источника 110 В постоянного тока, а к выключателям поста секционирования и тяговой подстанции подключена контактная сеть двухпутного участка, отличающийся тем, что в схему автоматического управления постом секционирования вводится блок кратковременного отключения установки поперечной емкостной компенсации и определения наличия короткого замыкания в отключенной контактной сети, состоящий из реле времени повторного включения выключателя установки поперечной емкостной компенсации, промежуточного реле с размыкающим и замыкающими контактами и токового реле для контроля тока разряда на короткое замыкание с замыкающим контактом, катушка которого подключена ко вторичной обмотке трансформатора тока, замыкающий контакт реле напряжения одним концом подключается к «плюс» шине 110 В, а другим концом в точку соединения первых выводов первого и второго замыкающих и третьего размыкающего контактов промежуточного реле, второй вывод третьего размыкающего контакта промежуточного реле подключен к первому выводу реле времени повторного включения и к цепи отключения установки поперечной емкостной компенсации, замыкающий контакт реле времени повторного включения одним концом подключен к «плюс» шине 110 В, а другим концом к точке соединения второго вывода первого замыкающего контакта промежуточного реле и первого вывода катушки промежуточного реле, вторые выводы катушек реле времени и промежуточного реле подключены к «минус» шине 110, цепь отключения выключателей поста секционирования соединяется со вторым выводом второго замыкающего контакта промежуточного реле через замыкающий контакт токового реле, а цепь включения установки поперечной емкостной компенсации соединена с «плюс» шиной 110 В через четвертый замыкающий контакт промежуточного реле.
РИСУНКИ
|
|