|
|
(21), (22) Заявка: 2007137624/28, 10.10.2007
(24) Дата начала отсчета срока действия патента:
10.10.2007
(46) Опубликовано: 27.03.2009
(56) Список документов, цитированных в отчете о поиске:
ИНГЛИШ С., МОЛИН Э. Дешевый счетчик с защитой от хищения электроэнергии на основе ИС ADE7761 компании «Analog devices», Электронные компоненты, 2005, №8, с.27. RU 23316 U1, 10.06.2002. RU 5653 U1, 16.12.1997. RU 2301416 C2, 20.06.2007. RU 2178892 C2, 27.01.2002.
Адрес для переписки:
350003, г.Краснодар, а/я 5337, Р.Э. Палий
|
(72) Автор(ы):
Шехмаметьев Рахим Гереевич (RU)
(73) Патентообладатель(и):
Шехмаметьев Рахим Гереевич (RU)
|
(54) ИЗМЕРИТЕЛЬНОЕ УСТРОЙСТВО
(57) Реферат:
Изобретение относится к измерительной технике и предназначено для оперативного измерения и индикации электрических величин. Технический результат – расширение функциональных возможностей. Для достижения данного результата измерительное устройство содержит АЦП, микропроцессор, драйвер шагового двигателя, шаговый двигатель и указатель, закрепленный на его оси. При этом микропроцессор выполнен с возможностью получения отсчетов АЦП, их обработки и выдачи управляющих команд на драйвер шагового двигателя. 6 з.п. ф-лы, 1 ил.
Изобретение относится к электроизмерительной технике и предназначено для оперативного измерения и индикации электрических величин.
Измерительные устройства, выполненные с использованием цифровой измерительной техники, известны.
По свидетельству на полезную модель №5653 (МПК 6 G01R 19/00, 1997 [1]) известен регистратор напряжения и тока, включающий преобразователи входного напряжения и тока, соединенные с коммутатором, который через аналого-цифровой преобразователь и детектор нуля соединен с микропроцессорным блоком управления, к которому подключены сторожевой таймер, энергонезависимое запоминающее устройство, часы реального времени, порт для вывода информации в последовательном интерфейсе RS-232 и отсчетное устройство для индикации текущих значений измеряемых величин, выполненное в виде дисплея.
По свидетельству на полезную модель №23316 (МПК 7 F02D 41/22, G01D 7/00, 2002 [2]) известен индикатор качества смеси, включающий измерительное устройство, содержащее аналого-цифровой преобразователь, входящий в состав микропроцессора, включающего также арифметическое логическое устройство, оперативное запоминающее устройство, постоянное запоминающее устройство, перепрограммируемое устройство. При этом микропроцессор соединен с отсчетным устройством, выполненным в виде трехцветного светодиодного или цифрового индикатора.
Недостатком указанных устройств [1, 2] является сложная и энергоемкая конструкция отсчетного устройства. Дополнительным недостатком указанных устройств является невозможность простой замены аналоговых измерительных устройств указанными измерительными устройствами. В частности, ввиду значительного отличия принципа индикации и внешнего вида аналоговых стрелочных приборов от указанных цифровых устройств [1, 2] такая замена всегда сопряжена со значительным изменением эргономических характеристик изделия, в состав которого они входят.
Известен счетчик электроэнергии (С.Инглиш, Э.Молин. Дешевый счетчик с защитой от хищения электроэнергии на основе ИС АDЕ7761 компании «Analog devices», «Электронные компоненты», 2005, №8 [3]), включающий три трансформатора тока, цепь питания, интегральную микросхему и электромеханическое отсчетное устройство. Интегральная микросхема содержит четыре прецизионных АЦП и источник опорного напряжения. В ней также реализованы необходимые функции обработки сигналов. Отсчетное устройство содержит двухфазный шаговый двигатель, редуктор и набор цифровых барабанчиков.
Недостатком указанного счетчика электроэнергии является ограниченность его области применения, обусловленная его узким назначением и конструкцией отсчетного устройства. Указанный счетчик не способен оперативно индицировать текущие измеряемые величины, а работает только в интегральном режиме.
Указанный счетчик электроэнергии [3] является по совокупности существенных признаков наиболее близким устройством к заявляемому изобретению. Поэтому он принят в качестве прототипа заявляемого изобретения.
Техническим результатом, обеспечиваемым заявляемым изобретением, является способность функционирования отсчетного устройства, содержащего указатель, например стрелочный или световой, в составе измерительного устройства, выполненного с использованием цифровой измерительной техники. Дополнительным техническим результатом является расширение функциональности измерительных устройств с шаговым двигателем в составе отсчетного устройства.
Сущность изобретения состоит в том, что измерительное устройство содержит аналого-цифровой преобразователь (АЦП), шаговый двигатель, микропроцессор, драйвер шагового двигателя и указатель, закрепленный на оси шагового двигателя. При этом микропроцессор выполнен с возможностью получения отсчетов АЦП, их обработки и выдачи управляющих команд на драйвер шагового двигателя, который электрически связан с шаговым двигателем.
Указатель преимущественно выполнен в виде стрелочного или светового указателя. Измерительное устройство допустимо снабжать дополнительными устройствами: интерфейсом связи, устройством управления нагрузками, устройством индикации, устройством звуковой сигнализации, входы которых связаны с соответствующими выходами микропроцессора.
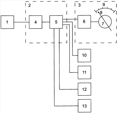
Сущность изобретения поясняется чертежом, на котором показана схема заявляемого измерительного устройства.
Измерительное устройство содержит последовательно соединенные измерительную цепь 1, измеритель 2 и отсчетное устройство 3.
Измерительная цепь 1 обеспечивает преобразование измеряемой величины в промежуточную электрическую величину, преимущественно напряжение, функционально связанную с измеряемой величиной и непосредственно воздействующую на измеритель 2. Например, для измерения напряжения измерительная цепь 1 может представлять собой делитель напряжения. Для измерения температуры измерительная цепь 1 содержит терморезистор и делитель напряжения. Если измеряемой величиной является давление, то измерительная цепь 1 содержит датчик давления.
Измеритель 2 содержит аналого-цифровой преобразователь (АЦП) 4, вход которого подключен к выходу измерительной цепи 1, и микропроцессор 5, выполненный с возможностью считывания отсчетов АЦП 4. Измеритель 2 может быть выполнен как в виде набора интегральных микросхем, так и в виде одной интегральной микросхемы, преимущественно микроконтроллера.
Отсчетное устройство 3 содержит драйвер шагового двигателя 6, электрически соединенный с шаговым двигателем 7, указатель 8 и шкалу 9. Указатель 8, преимущественно стрелочный или световой, закреплен на оси шагового двигателя 7. Шкала 9 установлена в области перемещения указателя 8.
С целью унификации измерительное устройство может содержать следующие дополнительные устройства:
– интерфейсы связи 10, например USB, RS485, RS232, Eternet, радиомодем европейского стандарта ETSI EN-300-220, радиомодем американского стандарта связи FCC, Part 15.247 и 15.249;
– устройства индикации 12, например жидкокристаллические или светодиодные индикаторы;
– устройство звуковой сигнализации 13.
При этом выходы микропроцессора 5 связаны с соответствующими входами драйвера шагового двигателя 6 и дополнительных устройств (10-13).
Полностью или частично устройства, реализующие драйвер шагового двигателя 6, а также дополнительные устройства (10-13), могут входить в состав интегральной микросхемы, реализующей микропроцессор 5 измерителя 2.
Заявляемое измерительное устройство работает следующим образом. При внешнем воздействии факторов, величину которых требуется измерить, на измерительную цепь 1, происходит функционально однозначное в допустимых пределах изменение электрических параметров измерительной цепи 1. Таким образом происходит преобразование измеряемой величины в промежуточную электрическую величину, преимущественно напряжение на выходе измерительной цепи 1.
АЦП 4 измерителя, подключенный к выходу измерительной цепи 1, производит преобразование промежуточной электрической величины в цифровой код, который считывается микропроцессором 5. Полученный код обрабатывается микропроцессором 5.
В результате обработки, в частности, появляется набор цифровых команд для передачи драйверу шагового двигателя 6. Указанные команды после преобразования в драйвере шагового двигателя 6 в сигналы шаговому двигателю 7 обеспечивают поворот оси шагового двигателя 7 на некоторый угол, соответствующий изменению промежуточной электрической величины и функционально связанной с ней измеряемой величины. В результате отработки команд указатель 8, закрепленный на оси шагового двигателя 7, будет установлен в области шкалы 9, соответствующей текущему значению измеряемой величины.
Кроме того, микропроцессор 5 вырабатывает цифровые коды, соответствующие изменению или значению измеряемой величины, и направляет их в дополнительные устройства (10-13).
Благодаря использованию в заявляемом измерительном устройстве цифровой измерительной техники ему присущи все достоинства цифровых измерительных устройств: повышенная точность измерений, увеличение функциональности и прочности конструкции, снижение массы и материалоемкости. В то же время конструкция измерителя и отсчетного устройства позволяет использовать указатель и шкалу в заявляемом измерительном устройстве. Этот факт приводит, в частности к обеспечению возможности простой замены аналоговых приборов заявляемыми измерительными устройствами, не приводящей к значительному изменению внешнего вида и способа визуализации показаний. Это приводит к отсутствию затрат на эргономическое перепланирование панелей приборов в ходе замены. Дополнительно это приводит к значительному сокращению энергопотребления измерительного устройства: при неизменности показаний отсчетное устройство не потребляет энергии в отличие от аналоговых приборов и приборов с цифровой индикацией на жидкокристаллических или светодиодных индикаторах, которые потребляют энергию при индикации любых показаний.
Заявляемое измерительное устройство реализовано на промышленно выпускаемых конструктивных элементах, может быть изготовлено на любом радиоинженерном предприятии и найдет широкое применение в области электроизмерительной техники.
ИСТОЧНИКИ ИНФОРМАЦИИ.
1. Свидетельство на полезную модель РФ №5653, МПК 6 G01R 19/00, 1997.
2. Свидетельство на полезную модель РФ №23316, МПК 7 F02D 41/22, G01D 7/00, 2002.
3. С.Инглиш, Э.Молин. Дешевый счетчик с защитой от хищения электроэнергии на основе ИС АDЕ7761 компании «Analog devices», «Электронные компоненты»», 2005, №8.
Формула изобретения
1. Измерительное устройство, содержащее аналого-цифровой преобразователь (АЦП) и шаговый двигатель, отличающееся тем, что дополнительно содержит микропроцессор, драйвер шагового двигателя и указатель, закрепленный на оси шагового двигателя, причем микропроцессор выполнен с возможностью получения отсчетов АЦП, их обработки и выдачи управляющих команд на драйвер шагового двигателя, который электрически связан с шаговым двигателем.
2. Измерительное устройство по п.1, отличающееся тем, что указатель выполнен в виде стрелочного указателя.
3. Измерительное устройство по п.1, отличающееся тем, что указатель выполнен в виде светового указателя.
4. Измерительное устройство по п.1, отличающееся тем, что содержит интерфейс связи, вход которого связан с выходом микропроцессора.
5. Измерительное устройство по п.1, отличающееся тем, что содержит устройство управления нагрузками, вход которого связан с выходом микропроцессора.
6. Измерительное устройство по п.1, отличающееся тем, что содержит устройство индикации, вход которого связан с выходом микропроцессора.
7. Измерительное устройство по п.1, отличающееся тем, что содержит устройство звуковой сигнализации, вход которого связан с выходом микропроцессора.
РИСУНКИ
|
|