|
|
(21), (22) Заявка: 2007142059/06, 15.11.2007
(24) Дата начала отсчета срока действия патента:
15.11.2007
(46) Опубликовано: 27.03.2009
(56) Список документов, цитированных в отчете о поиске:
SU 1721325 А1, 23.03.1992. RU 2187723 С1, 20.08.2002. SU 756091 А, 15.08.1980. JP 59131786 А, 28.07.1984. US 3347094 А, 17.10.1967.
Адрес для переписки:
109428, Москва, 1-й Институтский пр-д, 1, ГНУ ГОСНИТИ
|
(72) Автор(ы):
Черноиванов Вячеслав Иванович (RU), Филиппова Елена Михайловна (RU), Каргиев Борис Шамилович (RU), Каргиев Владислав Альбертович (RU), Емельянов Георгий Геннадьевич (RU), Ивлева Ирина Борисовна (RU), Данков Алексей Алексеевич (RU)
(73) Патентообладатель(и):
Государственное научное учреждение Всероссийский научно-исследовательский технологический институт ремонта и эксплуатации машинно-тракторного парка (ГНУ ГОСНИТИ) (RU)
|
(54) ГИДРОТЕСТЕР ДЛЯ ОПРЕДЕЛЕНИЯ ТЕХНИЧЕСКОГО СОСТОЯНИЯ АГРЕГАТОВ ГИДРОСИСТЕМ МАШИН
(57) Реферат:
Гидротестер предназначен для контроля технического состояния агрегатов гидросистем машин при их техническом обслуживании. Гидротестер содержит гидролинию со входом для подключения к гидронасосу 2 испытываемой гидросистемы и выходом для подключения к гидробаку 1 этой гидросистемы, установленные в гидролинии регулируемый дроссель 4 для создания давления в нагнетающей полости гидронасоса 2 и расположенный после дросселя 4 электронный счетчик-расходомер 9 с датчиком роторного типа, установленные на входе в дроссель 4 датчики 6, 5 давления и температуры рабочей жидкости, а также счетчик 13 импульсов для измерения числа оборотов гидронасоса 2 и обеспечивающий измерение текущего или интегрального числа оборотов. Гидротестер снабжен имеющим управляющую рукоятку 14 трехходовым краном 8 низкого давления, установленным между дросселем 4 и счетчиком-расходомером 9 для выборочного направления нагнетаемой рабочей жидкости или к выходу гидролинии при первом положении рукоятки 14, или в счетчик-расходомер 9 при втором положении рукоятки 14, а также электрической схемой управления счетчиком 13 и счетчиком-расходомером 9, имеющей первую пару контактов 16, включающих счетчик 13 на измерение текущего числа оборотов при первом положении рукоятки 14, и вторую пару контактов 17, включающих в работу счетчик-расходомер 9 и счетчик 13 на измерение интегрального числа оборотов при втором положении рукоятки 14. Перед дросселем 4 установлен регулируемый предохранительный клапан 15 для ограничения максимального давление рабочей жидкости. Слив клапана 15 подключен к гидролинии между дросселем 4 и трехходовым краном 8. Технический результат – повышение точности определения расхода рабочей жидкости при снижении трудоемкости измерений. 1 з.п. ф-лы, 1 ил.
Настоящее изобретение относится к области машиностроения, в частности к технике контроля технического состояния агрегатов гидросистем машин, например тракторов или сельскохозяйственных уборочных комбайнов, при их техническом обслуживании.
В настоящее время техническое состояние агрегатов гидросистемы требуется определять в любом режиме по объемному расходу и давлению рабочей жидкости, что позволяет дополнительно оценивать техническое состояние гидроагрегатов и по коэффициенту подачи рабочей жидкости. Определение объемной подачи при разных давлениях позволяет более точно оценивать техническое состояние гидроагрегатов с использованием коэффициента подачи. Выход указанных контролируемых параметров за пределы допустимых значений приводит к ухудшению выполняемых гидросистемой функций: уменьшению скорости выполняемых операций; падению давления рабочей жидкости в гидролинии; уменьшению объема выполняемых работ и т.д. Поэтому определение технического состояния агрегатов гидросистемы по объемному расходу, давлению рабочей жидкости и коэффициенту подачи крайне важно как в условиях эксплуатации, так и после ремонта при установке гидроагрегатов на машину.
Известно устройство для определения расхода рабочей жидкости в гидрообъемных приводах машин, содержащее корпус с нагнетательной и сливной полостями, по меньшей мере часть внутренней стенки которого выполнена цилиндрической, расположенный в корпусе дроссель; средство регулирования дросселя, измеритель давления рабочей жидкости в нагнетательной полости и индикатор расхода рабочей жидкости (см. Прибор для определения технического состояния гидросистем тракторов и комбайнов КИ-1097-1-ГОСНИТИ. Паспорт 1097-1-ПС).
В указанном известном устройстве дроссель выполнен в виде плунжерной пары из гильзы с дросселирующей щелью и плунжера с осевым отверстием, на цилиндрической стенке которого выполнен срез в виде спирали. Эта конструкция характеризуется сложной конфигурацией сопряжений частей плунжерной пары, что помимо усложненной конструкции как таковой затрудняет уплотнение этих сопряжений и приводит к возрастанию риска нежелательных утечек рабочей жидкости через сопряжения, что может привести к снижению точности измерений. Помимо этого, предел измерения расхода рабочей жидкости в известном устройстве ограничен 90 л/мин, при этом расход определяется только при определенном давлении – 100 кгс/см2. Эти недостатки не позволяют использовать известное устройство в широком масштабе, в том числе невозможно определение технического состояния агрегатов гидросистемы по коэффициенту подачи.
Известен также гидротестер для определения технического состояния агрегатов гидросистем машин, содержащий гидролинию со входом для подключения к гидронасосу испытываемой гидросистемы и выходом для подключения к гидробаку этой гидросистемы, последовательно установленные в гидролинии регулируемый дроссель для создания давления в нагнетающей полости гидронасоса и устройство для измерения расхода рабочей жидкости, установленные на входе в дроссель датчики давления и температуры рабочей жидкости, а также устройство для измерения числа оборотов гидронасоса (RU 1721325 А1, кл. F15B 19/00, 1992). Указанный известный гидротестер принят в качестве ближайшего аналога заявленного технического решения. Известный гидротестер не обеспечивает достаточную точность определения расхода рабочей жидкости при различных давлениях и характеризуется повышенной трудоемкостью работ, необходимых для таких измерений.
Задача настоящего изобретения заключается в создании универсального гидротестера для определения технического состояния агрегатов (сборочных единиц) гидросистем машин, который был бы лишен вышеуказанных недостатков, а именно обеспечивал бы повышение точности определения расхода рабочей жидкости при снижении трудоемкости измерений путем ограничения продолжительности измерений временем накопления интегрального числа оборотов гидронасоса испытываемой гидросистемы.
Решение указанной задачи обеспечивается тем, что в гидротестере для определения технического состояния агрегатов гидросистем машин, содержащем гидролинию со входом для подключения к гидронасосу испытываемой гидросистемы и выходом для подключения к гидробаку этой гидросистемы, последовательно установленные в гидролинии регулируемый дроссель для создания давления в нагнетающей полости гидронасоса и устройство для измерения расхода рабочей жидкости, установленные на входе в дроссель датчики давления и температуры рабочей жидкости, а также устройство для измерения числа оборотов гидронасоса, в соответствии с настоящим изобретением устройство для измерения расхода установлено в гидролинии после дросселя и выполнено в виде электронного счетчика-расходомера с датчиком роторного типа, а устройство для измерения числа оборотов выполнено в виде счетчика импульсов, обеспечивающего измерение текущего или интегрального числа оборотов, причем гидротестер снабжен имеющим управляющую рукоятку трехходовым краном низкого давления, установленным между дросселем и счетчиком-расходомером для выборочного направления нагнетаемой рабочей жидкости или к выходу гидролинии при первом положении рукоятки, или в счетчик-расходомер при втором положении рукоятки, а также электрической схемой управления счетчиком импульсов и счетчиком-расходомером, имеющей первую пару контактов, включающих счетчик импульсов на измерение текущего числа оборотов при первом положении рукоятки, и вторую пару контактов, включающих в работу счетчик-расходомер и счетчик импульсов на измерение интегрального числа оборотов при втором положении рукоятки.
Наличие в гидротестере, выполненном по настоящему изобретению, электронного счетчика-расходомера указанного типа в совокупности с указанным счетчиком импульсов и электрической схемой их управления, функционирование которой связано с положением рукоятки трехходового крана, как изложено выше, позволяет с высокой точностью и при небольшой трудоемкости работ определить расход рабочей жидкости, соответствующий заданному интегральному числу оборотов гидронасоса. Гидротестер по настоящему изобретению обеспечивает измерение расхода рабочей жидкости в любом режиме работы по давлению и частоте вращения гидронасоса, что в свою очередь позволяет оценивать техническое состояние контролируемых гидронасосов гидросистемы по коэффициенту подачи, который является очень важным параметром при оценке технического состояния гидроагрегатов без их снятия с машины.
Кроме того, в соответствии с настоящим изобретением гидротестер может быть снабжен регулируемым предохранительным клапаном, установленным перед дросселем для ограничения максимального давления рабочей жидкости, причем слив предохранительного клапана подключен к гидролинии между дросселем и трехходовым краном. Такая схема подключения слива предохранительного клапана позволяет дополнительно повысить точность измерения расхода рабочей жидкости в испытываемом агрегате (составной части) гидросистемы.
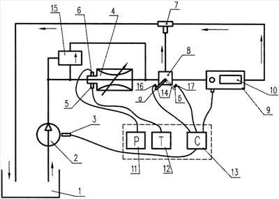
Конструкция настоящего гидротестера поясняется чертежом, на котором изображена принципиальная схема гидротестера, подключенного к гидронасосу испытываемой гидросистемы.
Предлагаемый гидротестер содержит регулируемый предохранительный клапан 15, который ограничивает максимальное давление в полости нагнетания регулируемого дросселя 4. При срабатывании предохранительного клапана 15 слив рабочей жидкости происходит в гидролинию после дросселя 4. Дроссель 4 имеет корпус с входным и выходными отверстиями диаметром до 16 мм. Внутри корпус имеет цилиндрическую форму, в нем размещается плунжерная пара, состоящая из втулки и плунжера, которые зафиксированы от смещения в осевом направлении. Плунжер может поворачиваться вокруг своей оси, уменьшая или увеличивая сечение отверстий во втулке дросселя 4. Дроссель 4 обладает увеличенной пропускной способностью, обеспечивая расход рабочей жидкости более 200 л/мин. На входном отверстии корпуса дросселя 4 устанавливаются датчики 5 и 6 температуры и давления рабочей жидкости соответственно, которые связаны с соответствующими указателями 12 и 11.
Выходное отверстие дросселя 4 соединяется с входным отверстием трехходового крана 8, с помощью которого рабочая жидкость направляется на слив через тройник 7 в гидробак 1 испытываемой гидросистемы машины или на измерение в электронный счетчик-расходомер 9 при установке крана 8 с помощью рукоятки 14 в соответствующее положение. При этом рукоятка 14 крана 8 позволяет управлять работой счетчика 13 импульсов, а также счетчиком-расходомером 9 (запуская его в работу и останавливая его) посредством имеющейся в гидротестере электрической схемы управления счетчиком 13 импульсов и счетчиком-расходомером 9, имеющей первую и вторую пары контактов 16 и 17 соответственно. Когда рукоятка 14 находится в первом положении (положение “а”), кран 8 направляет рабочую жидкость на слив через тройник 7. При этом первая пара контактов 16 находится в замкнутом положении и счетчик 13 работает в режиме определения текущих оборотов ведущего вала гидронасоса 2 гидросистемы с помощью датчика 3 импульсов, который может фиксировать импульсы вала гидронасоса 2 непосредственно, как показано на чертеже, или же косвенно через фиксацию импульсов коленвала дизельного двигателя, если производятся испытания гидроагрегата, установленного, например, на тракторе или на уборочном комбайне. Если рукоятка 14 крана 8 находится во втором положении (положение “б”), то замыкается вторая пара контактов 17 и запускается в работу счетчик-расходомер 9, а счетчик 13 импульсов переключается в режим регистрации интегрального (накопительного) числа оборотов. При этом на дисплее счетчика 13 отображается интегральное число оборотов, а на дисплее 10 счетчика-расходомера 9 фиксируется объемный расход рабочей жидкости (л/мин), соответствующий интегральному числу оборотов, регистрируемых счетчиком 13. Сливное отверстие счетчика-расходомера 9 соединено с тройником 7.
В качестве электронного счетчика-расходомера 9 может быть использован счетчик марки К600 (изготовитель – Италия, продавец – ООО Торговый Дом «Все для АЗС»), а в качестве счетчика 13 импульсов – счетчик импульсов марки СИ8 (изготовитель – ООО «Овен Комплект Автоматика», г.Москва).
Предложенный гидротестер работает следующим образом. Перед определением технического состояния составных частей гидросистемы машины гидрошлангами выходное (нагнетательное) отверстие гидронасоса гидросистемы соединяют с входным штуцером гидротестера, расположенным перед предохранительным клапаном 15, а выходной штуцер гидротестера, расположенный после тройника 7, соединяют со сливной гидролинией, направляющей рабочую жидкость в гидробак 1 гидросистемы. При этом регулирующая рукоятка (не показана) дросселя установлена в положение “открыто”. Запускают дизель, прогревают рабочую жидкость в гидросистеме до соответствующей температуры, используя указатель 12, плавно поворачивают регулирующую рукоятку дросселя 4 и поднимают давление в полости нагнетания до 50-100 кгс/см2, используя указатель 11.
При прогреве рабочей жидкости рукоятка 14 должна находиться в положении “слив” (первое положение), при котором рабочая жидкость сливается в гидробак 1, минуя счетчик-расходомер 9. Счетчик 13 фиксирует обороты дизеля или ведущего вала гидронасоса 2. После прогрева рабочей жидкости в гидросистеме машины устанавливают номинальные обороты дизеля или вала гидронасоса 2 по показаниям счетчика 13, путем поворота рукоятки дросселя 4 устанавливают номинальное давление в нагнетающей полости по указателю 11 и поворачивают рукоятку 14 из положения “слив” в положение “измерение” (второе положение). При этом одновременно включается в работу счетчик-расходомер 9, а счетчик 13 включается на измерение интегрального числа оборотов. В момент достижения предварительно установленного интегрального числа оборотов на дисплее счетчика 13 рукоятку 14 крана 8 переводят в положение “слив”. При этом на дисплее счетчика 13 фиксируется интегральное число оборотов гидронасоса 2, а на дисплее счетчика-расходомера 9 – расход рабочей жидкости гидронасосом 2.
Точно так же определяют расход рабочей жидкости при минимальном давлении. Затем определяют коэффициент подачи К, разделив расход рабочей жидкости при номинальном давлении на расход рабочей жидкости при минимальном давлении.
С помощью гидротестера по настоящему изобретению также можно определить техническое состояние гидрораспределителей гидросистемы машины по расходу рабочей жидкости через гидрозолотник, давление автоматического возврата золотников в нейтральное положение и давление открытия предохранительных клапанов, а также состояние гидроусилителей рулевого управления машин по расходу рабочей жидкости, давлению открытия предохранительного клапана, клапанов расхода; состояние гидросистемы коробок передач машин по расходу рабочей жидкости гидронасоса, давлению открытия предохранительного клапана, давлению, поддерживаемому в гидромуфтах, давлению, поддерживаемому гидроаккумулятором (зарядка гидроаккумулятора).
Пример.
Входной штуцер гидротестера с помощью рукавов высокого давления и переходников подсоединили к нагнетательной полости гидронасоса 2 гидросистемы машины (трактора Т-150 К), а выходной штуцер – к сливной магистрали гидросистемы. Датчик 3 циклов установили у шкива коленвала, чтобы получать сигналы в виде импульсов при вращении коленвала двигателя. Рукоятку дросселя 4 установили в положение «открыто», а рукоятку 14 крана 8 – в положение «слив». Рычаг включения гидронасоса 2 установили в положение «включено». Запустили дизель трактора, рукояткой дросселя подняли давление в нагнетательной магистрали до 50-60 кгс/см2 и прогрели рабочую жидкость до температуры 50±5°С. Рычагом подачи топлива установили номинальные обороты, рукояткой дросселя 4 подняли давление до номинального, рукоятку 14 крана 8 перевели в положение “измерение”. При этом счетчик 13 и счетчик-расходомер 9 запускаются. Счетчик 13, отсчитав запрограммированное заранее интегральное число оборотов (циклов), остановился. В момент окончания интегрального счета циклов на дисплее счетчика 13 перевели рукоятку 14 в положение «слив». На дисплее счетчика-расходомера 9 отразилось число, показывающее объемную подачу гидронасоса 2 гидросистемы трактора, которая составила около 79 л/мин.
Такое же измерение объемной подачи гидронасоса произвели при минимальном давлении и получили объемную подачу гидронасоса, равную 86 л/мин.
Коэффициент подачи гидронасоса составил .
Подсоединив входной штуцер гидротестера к нагнетательной полости, а выходной штуцер – к сливной полости гидрораспределителя, определили давление возврата автомата золотников в нейтральное положение, которое составило 125 кгс/см2; давление открытия предохранительного клапана составило 143 кгс/см2; расход рабочей жидкости через секции гидрораспределителя составил 74 л/мин.
Гидротестер с помощью переходников подсоединили к гидросистеме коробки передач и определили: подачу гидронасоса коробки передач – 40 л/мин; давление открытия перепускного клапана – 9±0,5 кгс/см2; давление срабатывания предохранительного клапана – 16 кгс/см2; давление, поддерживаемое гидроаккумулятором (диагностирование зарядки гидроаккумулятора) – 9-6 кгс/см2.
Формула изобретения
1. Гидротестер для определения технического состояния агрегатов гидросистем машин, содержащий гидролинию со входом для подключения к гидронасосу испытуемой гидросистемы и выходом для подключения к гидробаку этой гидросистемы, последовательно установленные в гидролинии регулируемый дроссель для создания давления в нагнетающей полости гидронасоса и устройство для измерения расхода рабочей жидкости, установленные на входе в дроссель датчики давления и температуры рабочей жидкости, а также устройство для измерения числа оборотов гидронасоса, отличающийся тем, что устройство дли измерения расхода установлено в гидролинии после дросселя и выполнено в виде электронного счетчика-расходомера с датчиком роторного типа, а устройство для измерения числа оборотов выполнено в виде счетчика импульсов, обеспечивающего измерение текущего или интегрального числа оборотов, причем гидротестер снабжен имеющим управляющую рукоятку трехходовым краном низкого давления, установленным между дросселем и счетчиком-расходомером для выборочного направления нагнетаемой рабочей жидкости, или к выходу гидролинии при первом положении рукоятки, или в счетчик-расходомер при втором положении рукоятки, а также электрической схемой управления счетчиком импульсов и счетчиком-расходомером, имеющей первую пару контактов, включающих счетчик импульсов на измерение текущего числа оборотов при первом положении рукоятки, и вторую пару контактов, включающих в работу счетчик-расходомер и счетчик импульсов на измерение интегрального числа оборотов при втором положении рукоятки.
2. Гидротестер по п.1, отличающийся тем, что он снабжен регулируемым предохранительным клапаном, установленным перед дросселем для ограничения максимального давление рабочей жидкости, причем слив предохранительного клапана подключен к гидролинии между дросселем и трехходовым краном.
РИСУНКИ
|
|