|
|
(21), (22) Заявка: 2007134643/06, 17.09.2007
(24) Дата начала отсчета срока действия патента:
17.09.2007
(46) Опубликовано: 27.03.2009
(56) Список документов, цитированных в отчете о поиске:
RU 2290573 С, 27.12.2006. RU 2109973 С1, 27.04.1988. SU 1758264 А1, 30.08.1992. US 3198191 А, 03.08.1965. FR 2767189 А1, 12.02.1999.
Адрес для переписки:
601900, Владимирская обл., г. Ковров, ул. Труда, 4, ОАО “Завод им. В.А. Дегтярева”, ОПЛИР
|
(72) Автор(ы):
Маринин Михаил Геннадьевич (RU), Мосалёв Сергей Михайлович (RU), Наумов Виктор Иванович (RU), Сыса Виктор Павлович (RU)
(73) Патентообладатель(и):
Открытое акционерное общество “Завод им. В.А. Дегтярева” (RU)
|
(54) СИЛОВОЙ ПАРОГЕНЕРАТОРНЫЙ АГРЕГАТ
(57) Реферат:
Изобретение относится к теплогенераторам и может быть использовано в двигателях внутреннего сгорания (ДВС). Нагревательный модуль агрегата имеет привод от электродвигателя постоянного тока и выполнен в виде статора с цилиндрической полостью, в которой установлен с зазором ротор, представляющий собой закрепленный на вале электродвигателя диск. На цилиндрической поверхности и торцах ротора-диска выполнены глухие отверстия. Подобные отверстия выполнены и на противоположных поверхностях статора. В статоре имеются отверстие входного канала для подвода жидкости и отверстие выходного канала с подключенным к нему преобразователем для обеспечения парообразования. На торце ротора, расположенном напротив отверстия входного канала, установлены ребра-крылья, обеспечивающие возможность одновременно совмещать с функцией парогенератора функцию насоса, кроме того, в роторе выполнены сквозные отверстия, расположенные ближе к валу. К отверстию выходного канала через гидравлическую систему подключен сепаратор и силовая паровая турбина, установленная с возможностью осуществления механической и гидравлической связи соответственно с коленчатым валом и системой охлаждения двигателя внутреннего сгорания, а к отверстию выходного канала через гидравлическую систему подключен теплоутилизатор энергии отработавших газов для дополнительного нагрева жидкости, используемой в системе охлаждения подключаемого двигателя внутреннего сгорания. Изобретение обеспечивает повышение мощности и крутящего момента в подключаемых ДВС. 2 з.п. ф-лы, 3 ил.
Изобретение относится к теплотехнике, а именно к теплогенераторам, и может быть использовано в двигателях внутренего сгорания транспортных средств и силовых установках.
Известно устройство для нагрева жидкости, представляющее собой нагревательный модуль (см. патент RU 2290573, F24J 3/00, 27.12.2006 г., Бюл. №36), взятое за прототип. Нагревательный модуль выполнен в виде корпуса-статора с цилиндрической полостью и установленного с зазором в эту полость диска-ротора с глухими отверстиями, выполненными на цилиндрической поверхности и торцах диска, и с подобными отверстиями на противолежащих поверхностях статора, имеющего входной канал для жидкости от подающей системы и выходной канал, связанный с распределяющей системой через преобразователь для обеспечения парообразования.
Недостатками прототипа являются недостаточное использование функциональных возможностей устройства и недостаточная теплопроизводительность.
Предлагаемым изобретением решается задача: создание силового парогенераторного агрегата, обладающего возможностью снижать энергозатраты при эксплуатации двигателей внутреннего сгорания.
Технический результат, получаемый при осуществлении изобретения, заключается в обеспечении генерирования пара с дальнейшим преобразованием энергии пара в крутящий момент для повышения мощности и крутящего момента в подключаемых двигателях внутреннего сгорания.
Указанный технический результат достигается тем, что в предлагаемом силовом парогенераторном агрегате, состоящем из нагревательного модуля, имеющего привод от электродвигателя постоянного тока, выполненного в виде статора с цилиндрической полостью и установленного с зазором в эту полость ротора, представляющего собой закрепленный на вале электродвигателя диск с выполненными глухими отверстиями на цилиндрической поверхности и торцах ротора-диска и с подобными отверстиями на противоположных поверхностях статора, имеющего отверстие входного канала для подвода жидкости и отверстие выходного канала с подключенным к нему преобразователем для обеспечения парообразования, новым является то, что в нагревательном модуле на торце ротора, расположенном напротив отверстия входного канала, установлены ребра-крылья, обеспечивающие возможность работы нагревательного модуля в режиме центробежного насоса, при этом в роторе выполнены сквозные отверстия, расположенные ближе к валу, а к отверстию выходного канала через гидравлическую систему подключен сепаратор и силовая паровая турбина, установленная с возможностью осуществления механической и гидравлической связи соответственно с коленчатым валом и системой охлаждения двигателя внутреннего сгорания, при этом к отверстию входного канала через гидравлическую систему подключен теплоутилизатор энергии отработавших газов для дополнительного нагрева жидкости, используемой в системе охлаждения в подключаемом двигателе внутреннего сгорания.
Соосно с отверстием выходного канала установлен регулируемый дроссель в качестве преобразователя.
На переходе от торцевой поверхности ротора с размещенными на ней ребрами-крыльями к цилиндрической поверхности выполнена фаска или округление.
Силовой парогенераторный агрегат (СПГА), в котором происходит генерирование пара с дальнейшим преобразованием энергии пара в крутящий момент для повышения мощности и крутящего момента в подключаемых к СПГА двигателях внутреннего сгорания.
Силовой парогенераторный агрегат состоит из нагревательного модуля, силовой паровой турбины, теплоутилизатора, сепаратора и использует в процессе эксплуатации тепловую энергию подключаемого двигателя внутреннего сгорания, безвозвратно теряемую в двух температурных контурах: в системе охлаждения и в системе выпуска отработавших газов, что позволяет улучшить динамические показатели двигателя, не расходуя углеводородное топливо.
Соединение гидравлической системы СПГА с системой охлаждения двигателя позволяет использовать тепловую энергию разогретой охлаждающей жидкости. В дальнейшем требуется только поднять ее температуру до уровня парообразования и поддерживать на необходимом уровне. Данная задача решается за счет применения силового парогенераторного агрегата, принцип действия которого основан на генерировании тепловой энергии экологически чистым способом за счет вихревых технологий.
Нагревательный модуль выполняет одновременно функцию насоса и парогенератора, что обусловлено необходимостью обеспечения возможности прокачивания жидкости по всей гидравлической системе СПГА без установки дополнительного насоса и в совокупности со штатным насосом для системы охлаждения позволяет осуществить данную задачу.
Использование в качестве привода силового парогенераторного агрегата регулируемого электродвигателя постоянного тока, питающегося от генератора двигателя внутреннего сгорания, позволяет обеспечить высокую частоту вращения ротора-диска. При высокой частоте вращения теплопроизводительность, а следовательно, скорость парообразования возрастают. Возможность регулирования электродвигателя постоянного тока позволяет обеспечить оптимальный высокопроизводительный режим работы СПГА.
Установка ребер-крыльев в нагревательном модуле на торце ротора, расположенном напротив отверстия входного канала для подвода жидкости, как раз позволяет обеспечить работу нагревательного модуля в режиме центробежного насоса. Жидкость, поступающая через отверстие вводного канала для подвода жидкости внутрь цилиндрической полости статора, подхватывается ребрами-крыльями и подается далее к отверстию выходного канала для отвода пароводяной смеси.
Размещение на торцевых поверхностях и цилиндрической поверхности ротора соответственно радиальных и диаметрального ряда несквозных отверстий приводит к активации процесса нагрева жидкости и подготавливает ее переход в парообразное состояние.
Переход от торцевой поверхности ротора с размещенными на ней ребрами-крыльями к цилиндрической поверхности выполнен через фаску или округление, предназначенных для облегчения возможности поступления жидкости в зазор между цилиндрической полостью статора и цилиндрической поверхностью ротора.
Регулируемый дроссель, используемый в качестве преобразователя, установленный соосно с отверстием выходного канала для отвода пароводяной смеси, является элементом, влияющим на эффективность процесса перехода жидкости в пар. Это обусловлено тем, что к выходному отверстию жидкость поступает максимально нагретой в зазоре между внутренними поверхностями статора поверхностями вращающегося ротора. Регулируемый дроссель обеспечивает дросселирование нагретого однокомпонентного потока жидкости, сопровождающееся изменением его агрегатного состояния с переходом из однофазного состояния в двухфазное.
При дросселировании потока жидкости происходит “запирание” жидкости по расходу и давлению, поэтому перегрев двухфазной смеси возрастает, что приводит к образованию течения вскипающей (самоиспаряющейся) жидкости. Полученный пар имеет высокие потребительские показатели. Уровень дросселирования подбирается для конкретных режимов потребления пара.
Статор паровой турбины состоит из корпуса и, как минимум, двух барабанов, жестко установленных во внутренней полости. Ротор посредством муфты подсоединяется к коленчатому валу двигателя внутреннего сгорания и выполнен в форме, как минимум, двух дисков, чередующихся с барабанами, на барабане и диске выполнена система сопел. Пар, поступающий через впускной патрубок во внутреннюю полость, способствует вращению ротора паровой турбины и, таким образом, способствует созданию на выходном вале паровой турбины заданного крутящего момента, повышая эффективность двигателя внутреннего сгорания за счет повышения его мощности и крутящего момента.
Система выпуска отработавших газов соединена с теплоутилизатором, внутри которого размещен теплообменник, связанный с гидравлической системой СПГА. Тепловая энергия отработавших газов перераспределяется в теплоутилизаторе. В теплообменнике жидкость дополнительно нагревается и поступает через гидравлическую систему к отверстию входного канала нагревательного элемента.
Отработавший в паровой турбине пар через выпускной патрубок поступает в радиатор двигателя, который является естественным конденсатором, где происходит его переход в жидкое состояние.
Технические решения с признаками, отличающими заявляемое решение от прототипа, не известны и явным образом из уровня техники не следуют. Это позволяет считать, что заявляемое решение является новым и обладает изобретательским уровнем.
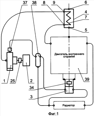
Сущность изобретения поясняется чертежами, где на фиг.1 изображен силовой парогенераторный агрегат, общая схема; на фиг.2 – нагревательный модуль; на фиг.3 – паровая турбина.
Силовой парогенераторный агрегат состоит из нагревательного модуля 1, электродвигателя постоянного тока 2, силовой паровой турбины 3, теплоутилизатора, имеющего корпус 4 с входным патрубком 5 и выходным патрубком 6, которые предназначены для соединения с системой выпуска отработавших газов двигателя внутреннего сгорания. Внутри теплоутилизатора размещен теплообменник 7, своим входом 8 и выходом 9 связанный с гидравлической системой СПГА. Нагревательный модуль 1 состоит из статора 11 с цилиндрической полостью 12, внутри которой с возможностью вращения на вале 13 жестко закреплен ротор 14. Вал 13 установлен в подшипниковой опоре 15 и уплотнен сальником 16, установленным в камере 17. Камера 17 через отверстия 18, 19 гидравлически связана с цилиндрической полостью 12. На торцевой поверхности статора 11 со стороны камеры 17 и на торцевых поверхностях и цилиндрической поверхности ротора 14 расположены ряды несквозных отверстий 20. В нагревательном модуле 1 на торце ротора 14, расположенном напротив отверстия входного канала 23, установлены ребра-крылья 21, обеспечивающие возможность работы нагревательного модуля 1 центробежного насоса. В роторе 14 выполнены также сквозные отверстия 22, расположенные ближе к валу 13. Отверстие входного канала 23 для подвода жидкости размещено соосно с валом 13 на торцевой поверхности статора 11. Вал 13 связан с электродвигателем постоянного тока 2 посредством муфты 25. На переходе от торцевой поверхности ротора с размещеными на ней ребрами-крыльями 21 к цилиндрической поверхности выполнена фаска 26.
Паровая турбина 3 состоит из статора 27 с внутренней полостью 28, в которой установлены неподвижный барабан 29 с соплами 30 и ротор 31 с аналогичными соплами 30. Ротор 31 установлен в подшипниковых опорах 32, уплотнен сальниками 33 и соединен с муфтой 34. Статор 27 имеет впускной патрубок 35 и выпускной патрубок 36 и жестко закреплен на корпусе двигателя.
Сепаратор 38 установлен непосредственно после регулируемого дросселя 37 и присоединен через этот дроссель к отверстию выходного канала 24.
Силовой парогенераторный агрегат работает следующим образом.
Использование силового парогенераторного агрегата для повышения мощности и крутящего момента двигателей внутреннего сгорания обусловлено необходимостью повышения энергетической эффективности двигателей внутреннего сгорания, являющихся наиболее распространенным типом привода в транспортных средствах и силовых энергетических установках. Данная задача является наиболее актуальной в условиях возрастающего дефицита углеводородного топлива.
Перед началом работы СПГА ротор 31 паровой турбины 3 посредством муфты 34 подсоединяется к коленчатому валу двигателя внутреннего сгорания 39, а выпускной патрубок 36 паровой турбины – к радиатору двигателя. Входной патрубок 5 и выходной патрубок 6 теплоутилизатора соединяются с системой выпуска отработавших газов двигателя внутреннего сгорания 39. Теплообменник 7, размещенный внутри теплоутилизатора, своим входом 8 также соединяется с двигателем 39, в результате гидравлическая система СПГА образует замкнутый гидравлический контур.
Разогретая охлаждающая жидкость из системы охлаждения двигателя 39 после его запуска через вход 8 попадает в теплообменник 7, где происходит ее дополнительный разогрев за счет тепловой энергии отработавших газов, поступающих внутрь корпуса 4 через входной патрубок 5 из системы выпуска отработавших газов двигателя 39. Отработавшие газы покидают корпус 4 теплоутилизатора через выходной патрубок 6. Дополнительно нагретая охлаждающая жидкость из теплообменника 7 через выход 9 поступает к отверстию входного канала 23 для подвода жидкости в нагревательный модуль 1 СПГА. Далее жидкость поступает в цилиндрическую полость 12, вовлекается во вращательное движение ребрами-крыльями 21 и перемещается частично к зазору между поверхностями ротора 14 и статора 11, а частично – через сквозные отверстия 22 к противоположной торцевой стороне ротора 14. Фаска 26 позволяет сформировать устойчивый поток жидкости при изменении направления ее движения. Охлаждающая жидкость, имеющая к этому времени высокую температуру, нагревается при движении в зазорах между ротором 14 и внутренней поверхностью статора 11 до температуры парообразования и поступает к отверстию выходного канала 24 для отвода пароводяной смеси, почти готовой для дальнейшей транспортировки. После прохождения регулируемого дросселя пароводяная смесь полностью превращается в пар, который поступает в сепаратор 38, где происходит отделение от пара остатков влаги. “Сухой” пар через верхнюю часть сепаратора 38 поступает к впускному патрубку 35 паровой турбины 3 и далее во внутреннюю полость 28. Отработанный пар направляется в радиатор двигателя. Пар приводит во вращение ротор 31, установленный в подшипниковых опорах 32 и уплотненный сальниками 33 паровой турбины 3, крутящий момент которого через муфту 34 передается на коленчатый вал двигателя. Канал впускного патрубка 35 соединен с неподвижным барабаном 29 паровой турбины 3, на котором установлена система сопел 30. Такие же сопла 30 имеются на роторе 31.
Отработанный пар через выпускной патрубок 36 поступает в радиатор двигателя 39, являющийся естественным конденсатором. В радиаторе пар сжижается. Образовавшаяся вода за счет насоса системы охлаждения двигателя 39 и насоса нагревательного модуля 1, имеющего функции парогенератора и насоса, поступает в систему охлаждения двигателя.
Преобразование энергии пара в крутящий момент заданного значения, получаемый на вале ротора 31 паровой турбины 3, обеспечивает повышение мощности и крутящего момента в подключенном к СПГА двигателе внутреннего сгорания.
Формула изобретения
1. Силовой парогенераторный агрегат, состоящий из нагревательного модуля, имеющего привод от электродвигателя постоянного тока, выполненного в виде статора с цилиндрической полостью и установленного с зазором в эту полость ротора, представляющего собой закрепленный на вале электродвигателя диск с выполненными глухими отверстиями на цилиндрической поверхности и торцах ротора-диска и с подобными отверстиями на противоположных поверхностях статора, имеющего отверстие входного канала для подвода жидкости и отверстие выходного канала, с подключенным к нему преобразователем для обеспечения парообразования, отличающийся тем, что в нагревательном модуле на торце ротора, расположенном напротив отверстия входного канала, установлены ребра-крылья, обеспечивающие возможность работы нагревательного модуля в режиме центробежного насоса, при этом в роторе выполнены сквозные отверстия, расположенные ближе к валу, а к отверстию выходного канала через гидравлическую систему подключены сепаратор и силовая паровая турбина, установленная с возможностью осуществления механической и гидравлической связи соответственно с коленчатым валом и системой охлаждения двигателя внутреннего сгорания, при этом к отверстию входного канала через гидравлическую систему подключен теплоутилизатор энергии отработавших газов для дополнительного нагрева жидкости, используемой в системе охлаждения в подключаемом двигателе внутреннего сгорания.
2. Агрегат по п.1, отличающийся тем, что соосно с отверстием выходного канала установлен регулируемый дроссель в качестве преобразователя.
3. Агрегат по п.1, отличающийся тем, что на переходе от торцевой поверхности ротора с размещенными на ней ребрами-крыльями к цилиндрической поверхности выполнена фаска или округление.
РИСУНКИ
|
|