|
|
(21), (22) Заявка: 2007121435/06, 07.06.2007
(24) Дата начала отсчета срока действия патента:
07.06.2007
(46) Опубликовано: 27.03.2009
(56) Список документов, цитированных в отчете о поиске:
ИОНИН А.А., ХЛЫБОВ Б.М. и др. Теплоснабжение. – М.: Стройиздат, 1982, стр.274-275. RU 2107826 C1, 27.03.1998. RU 2067668 C1, 10.10.1996. SU 1813885 A1, 07.05.1993. JP 2004232561 A, 19.08.2004. JP 03253707 A, 12.11.1991. JP 11351509 A, 24.12.1999. JP 8200606 A, 06.08.1996. RU 2230255 C2, 20.01.2004.
Адрес для переписки:
432027, г.Ульяновск, Северный Венец, 32, ГОУ ВПО “Ульяновский государственный технический университет”, Проректору по научной работе
|
(72) Автор(ы):
Шарапов Владимир Иванович (RU), Маликов Михаил Александрович (RU)
(73) Патентообладатель(и):
Государственное образовательное учреждение высшего профессионального образования “Ульяновский государственный технический университет” (RU)
|
(54) СПОСОБ РАБОТЫ ТЕПЛОВОЙ ЭЛЕКТРИЧЕСКОЙ СТАНЦИИ
(57) Реферат:
Изобретение относится к области теплоэнергетики и может быть использовано на тепловых электростанциях. Способ работы тепловой электрической станции, по которому основной конденсат турбины подогревают в подогревателях низкого давления и подают в деаэратор питательной воды, затем питательную воду подогревают в подогревателях высокого давления, подключенных по греющей среде к регенеративным отборам пара турбины. Конденсат пара подогревателей высокого давления направляют по конденсатопроводу в барабан-испаритель. Полученный в барабане-испарителе пар по паропроводу направляют в паровую часть бака-аккумулятора деаэратора питательной воды по паропроводу. Неиспарившийся в барабане-испарителе конденсат направляют по конденсатопроводу в водяную часть бака-аккумулятора деаэратора питательной воды. Изобретение позволяет повысить надежность работы ТЭС. 1 ил.
Изобретение относится к области теплоэнергетики и может быть использовано на тепловых электростанциях.
Известен аналог – способ работы тепловой электрической станции, по которому основной конденсат турбины подогревают в подогревателях низкого давления и подают в деаэратор питательной воды, затем питательную воду подогревают в подогревателях высокого давления, подключенных по греющей среде к регенеративным отборам пара турбины, конденсат пара подогревателей высокого давления подают в деаэрационную колонку деаэратора питательной воды (А.А.Ионин, Б.М.Хлыбов, В.Н.Братенков, Е.Н.Терлецкая Теплоснабжение: Учебник для вузов; Под ред. А.А.Ионина. М.: Строиздат, 1982. – 336 с., с.274-275). Этот аналог принят в качестве прототипа.
Недостатком аналога и прототипа является низкая экономичность тепловых электростанций вследствие недостаточного использования ценных свойств высокопотенциального конденсата подогревателей высокого давления при его отводе в деаэрационную колонку деаэратора питательной воды.
Техническим результатом, достигаемым настоящим изобретением, является повышение экономичности тепловой электрической станции за счет снижения расхода основного греющего агента деаэратора питательной воды, при подводе к нему в качестве дополнительного греющего агента пара, полученного сепарацией в барабане-испарителе конденсата подогревателей высокого давления.
Для достижения этого результата предложен способ работы тепловой электрической станции, по которому основной конденсат турбины подогревают в подогревателях низкого давления и подают в деаэратор питательной воды, затем питательную воду подогревают в подогревателях высокого давления, подключенных по греющей среде к регенеративным отборам пара турбины.
Особенность заключается в том, конденсат пара подогревателей высокого давления отводят из первого по ходу питательной воды подогревателя высокого давления в барабан-испаритель, вырабатываемый в барабане-испарителе пар используют для паровой части бака-аккумулятора деаэратора питательной воды, а неиспарившейся конденсат направляют в водяную часть бака-аккумулятора деаэратора питательной воды.
Новый способ работы тепловой электрической станции позволяет повысить эффективность использования высокопотенциального конденсата подогревателей высокого давления, а значит, повысить надежность работы тепловой электрической станции за счет предотвращения насыщения потоков питательной воды коррозионно-активными газами при прохождении бака-аккумулятора деаэратора питательной воды.
Далее рассмотрим сведения, подтверждающие возможность осуществления изобретения с получением искомого технического результата.
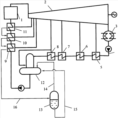
На чертеже изображена принципиальная схема тепловой электрической станции, поясняющая предложенный способ. Станция содержит котел 1, паровую турбину 2 с регенеративными отборами, конденсатор 3, трубопровод основного конденсата турбины 4 со включенными в него подогревателями низкого 5, 6, 7, 8 и высокого 9, 10, 11 давлений, деаэратор питательной воды 12. Первый по ходу питательной воды подогреватель высокого давления 9 связан конденсатопроводом 16 с барабаном-испарителем 13, который соединен паропроводом 14 с паровой частью бака-аккумулятора деаэратора питательной воды 12, а конденсатопроводом 15 соединен с водяной частью бака-аккумулятора деаэратора питательной воды 12.
Рассмотрим пример реализации заявленного способа работы тепловой электрической станции.
Вырабатываемый в котле 1 пар направляют в турбину 2 и конденсируют в конденсаторе 3, основной конденсат турбин подают в подогреватели низкого давления 5, 6, 7, 8, далее – в деаэратор питательной воды 12, после которого питательную воду питательным насосом прокачивают через подогреватели высокого давления 9, 10, 11 и подают в паровой котел. Конденсат пара подогревателей высокого давления 9, 10, 11 направляют из первого по ходу движения питательной воды подогревателя высокого давления 9 по конденсатопроводу 19 в барабан-испаритель 13. В качестве продувочной среды в паровую часть бака-аккумулятора деаэратора питательной воды 12 по паропроводу 14 из барабана-испарителя 13 подают полученный в нем пар, при этом неиспарившейся в барабане-испарителе 13 конденсат направляют по конденсатопроводу 15 в водяную часть бака-аккумулятора деаэратора питательной воды 12.
Таким образом, новый способ позволяет повысить надежность работы тепловой электрической станции за счет удаления из паровой части бака-аккумулятора деаэратора питательной воды коррозионно-активных газов, а так же за счет повышения эффективности использования конденсата подогревателей высокого давления.
Формула изобретения
Способ работы тепловой электрической станции, по которому основной конденсат турбины подогревают в подогревателях низкого давления и подают в деаэратор питательной воды, затем питательную воду подогревают в подогревателях высокого давления, подключенных по греющей среде к регенеративным отборам пара турбины, отличающийся тем, что конденсат пара подогревателей высокого давления отводят из первого по ходу питательной воды подогревателя высокого давления в барабан-испаритель, вырабатываемый в барабане-испарителе пар используют для паровой части бака-аккумулятора деаэратора питательной воды, а неиспарившийся конденсат направляют в водяную часть бака-аккумулятора деаэратора питательной воды.
РИСУНКИ
|
|