|
|
(21), (22) Заявка: 2007101262/15, 11.01.2007
(24) Дата начала отсчета срока действия патента:
11.01.2007
(30) Конвенционный приоритет:
11.01.2006 US 11/329,511
(43) Дата публикации заявки: 20.07.2008
(46) Опубликовано: 27.03.2009
(56) Список документов, цитированных в отчете о поиске:
US 2003136146 A1, 24.07.2003. US 4758258 A, 19.07.1988. RU 2226660 C2, 10.04.2004. RU 2215952 C2, 10.11.2003. US 4701200 A, 20.10.1987.
Адрес для переписки:
129090, Москва, ул. Б.Спасская, 25, стр.3, ООО “Юридическая фирма Городисский и Партнеры”, пат.пов. Е.Е.Назиной
|
(72) Автор(ы):
РОБЕРТС Марк Джулиан (US), РЕПАСКИ Джон Майкл (US)
(73) Патентообладатель(и):
ЭР ПРОДАКТС ЭНД КЕМИКАЛЗ, ИНК. (US)
|
(54) СПОСОБ И УСТРОЙСТВО ДЛЯ ПРОИЗВОДСТВА ПРОДУКТОВ ИЗ ПРИРОДНОГО ГАЗА, ВКЛЮЧАЮЩИХ В СЕБЯ ГЕЛИЙ И СЖИЖЕННЫЙ ПРИРОДНЫЙ ГАЗ
(57) Реферат:
Изобретение может быть использовано для получения сжиженного природного газа, сырого гелия и синтез-газа. Способ производства продуктов из природного газа включает охлаждение сжатого сырьевого природного газа, содержащего гелий в количестве менее чем 0,5% об. и метан, с получением из по меньшей мере части природного газа сжиженной первой текучей среды, содержащей гелий и метан; снижение давления по меньшей мере части первой текучей среды с получением первой текучей среды при пониженном давлении и разделение первой текучей среды при пониженном давлении на первый пар, содержащий гелий и метан, и первую жидкость, содержащую метан в молярном соотношении первого пара к первой жидкости от 0,0001 до 0,04; отведение по меньшей мере части сырого гелия из по меньшей мере части первого пара; снижение давления по меньшей мере части первой жидкости с получением текучей среды при пониженном давлении и разделение указанной среды с получением пара, содержащего метан, и жидкости, содержащей метан; реакцию по меньшей мере части метана из пара, содержащего метан, с получением по меньшей мере части синтез-газа и отведение по меньшей мере части продукта сжиженного природного газа из по меньшей мере части жидкости, содержащей метан. Также предложено устройство для получения продуктов из природного газа. Изобретение позволяет снизить удельные затраты энергии при производстве сжиженного природного газа, 2 н. и 17 з.п. ф-лы, 6 ил., 2 табл.
Это изобретение относится к экономически эффективному способу производства промышленных продуктов из природного газа. Более конкретно, это изобретение относится к объединенному способу производства сжиженного природного газа (СПГ), сырого гелия и синтез-газа.
Природный газ, в общем, относится к разреженным или газообразным углеводородам, которые находятся в земле. Негорючие природные газы, встречающиеся в земле, как, например, двуокись углерода, гелий и азот, в общем упоминаются под их правильными химическими названиями. Часто, однако, негорючие газы находятся в сочетании с горючими, и смесь упоминается в общем как «природный газ», без какой-либо попытки различить горючие и негорючие газы.
Природным газом часто богаты области, где неэкономично разрабатывать эти запасы в связи с отсутствием местного рынка сбыта для газа или высокой стоимостью переработки и транспортировки газа на отдаленные рынки.
Обычной практикой является криогенное сжижение природного газа с получением сжиженного природного газа (СПГ) для хранения и транспортировки. Основной причиной для сжижения природного газа является уменьшение объема примерно 1/600, что дает возможность хранить и транспортировать его в контейнерах при низком или даже атмосферном давлении. Сжижение природного газа имеет даже большую важность в возможности транспортировки газа от источника на рынок, где источник и рынок разделены большими расстояниями и транспортировка по трубопроводу ни практически, ни экономически не осуществима.
Для того чтобы хранить и транспортировать природный газ в жидком состоянии, природный газ предпочтительно охлаждается от -240°F (-151°C) до -260°F (-162°C), где он может существовать как жидкость при давлении пара, близком к атмосферному. Существуют различные установки на известном уровне техники для сжижения природного газа или тому подобного, посредством чего газ сжижается последовательным проходом при повышенном давлении через множество ступеней охлаждения, охлаждая газ до последовательно более низких температур до тех пор, пока не будет достигнуто сжижение. Охлаждение, в общем, осуществляется посредством теплообмена с одним или большим числом хладагентов, как, например, пропаном, пропиленом, этаном, этиленом, азотом и метаном или их смесями. Хладагенты обычно располагаются каскадным образом для того, чтобы понизить их точку кипения.
Дополнительно охлажденный сжатый природный газ может быть расширен до атмосферного давления посредством прохода природного газа через одну или большее число ступеней расширения. В течение этого расширения до атмосферного давления, газ дополнительно охлаждается до подходящей для хранения или транспортировки температуры посредством мгновенного испарения по меньшей мере части уже сжиженного природного газа. Пары мгновенного испарения из ступеней расширения, в общем, собираются и рециркулируют для сжижения или сжигаются, чтобы выработать мощность для оборудования для производства СПГ.
Проекты СПГ не всегда были экономичными, так как криогенные холодильные установки являются высоко энергоемкими и требуют существенных капиталовложений. Вдобавок, участие в бизнесе СПГ требует дополнительных инвестиций для сложных и дорогостоящих грузовых судов и установок для повторного испарения, так чтобы потребитель СПГ мог перерабатывать продукт.
Альтернатива криогенному сжижению природного газа в СПГ представляет собой химическое превращение природного газа в продукты, например в продукты «Газ в Жидкость» (ГВЖ), посредством производства синтез-газа (сингаза). Синтез-газ здесь определен как газ, содержащий водород и двуокись углерода. Генератор синтез-газа здесь определен как любое устройство, которое производит синтез-газ, как промежуточный или конечный продукт.
Традиционные продукты ГВЖ включают, но не ограничиваются этим, метанол, уксусную кислоту, олефины, диметиловый эфир, диметоксиметан, полидиметоксиметан, мочевину, аммиак, удобрения, продукты реакции Фишера-Тропша и водород. Реакция Фишера-Тропша производит, главным образом, парафиновые продукты с различной длиной углеродной цепи, полезные для производства низкокипящих алканов, лигроина, дистиллятов, полезных как реактивное и дизельное топливо и печное топливо, и смазочных масел и исходного сырья на основе парафинов.
Наиболее обычными промышленными способами производства синтез-газа являются реформинг метана с водяным паром, автотермический реформинг, реформинг нагретого газа, частичное окисление и их сочетания. Вспомогательные технологии включают каталитическое частичное окисление и процессы с ионопроницаемой мембраной (ИПМ).
При реформинге метана с водяным паром, в общем, реагируют пар и природный газ при высоких температурах и умеренных давлениях на восстановительном, содержащем никель катализаторе, чтобы произвести синтез-газ.
Автотермический реформинг, в общем, перерабатывает пар, природный газ и кислород посредством специализированной горелки, где сжигается только часть метана из природного газа. Частичное сжигание природного газа обеспечивает тепло, необходимое для того, чтобы провести реакции реформинга, которые будут иметь место в слое катализатора, расположенном вблизи горелки.
Реформинг нагретого газа состоит из двух реакторов или реакционных зон, реактора/зоны установки для реформинга нагретого газа и реактора/зоны установки для автотермического реформинга. В одной конфигурации, пар и природный газ подаются в реформинг-установку нагретого газа, где часть природного газа реагирует на катализаторе, чтобы образовать синтез-газ. Эта смесь непрореагировавшего природного газа и синтез-газа затем подается в установку автотермического реформинга вместе с кислородом, где остающийся природный газ превращается в синтез-газ. Поток горячего синтез-газа, выходящий из установки для автотермического реформинга, затем возвращается обратно в установку для реформинга газа, чтобы обеспечить тепло реакции, необходимое для установки для реформинга нагретого газа.
Реформинг частичного окисления, в общем, перерабатывает природный газ, кислород, и, возможно, пар посредством специализированной горелки, где существенная часть метана сжигается при высоких температурах с образованием синтез-газа. В отличие от автотермического реформинга никакой катализатор не присутствует в реакторе частичного окисления.
Современная технология для производства синтез-газа является очень капиталоемкой. Автотермические способы и способы частичного окисления синтез-газа в общем требуют дорогой установки для разделения воздуха для получения кислорода. Реформинг с водяным паром, который не требует получения кислорода, производит синтез-газ, имеющий более высокое отношение водорода к моноксиду углерода, которое является меньшим, чем стехиометрический оптимум для производства продуктов по способу Фишера-Тропша. Дополнительно, рынок для продуктов ГВЖ, как например, диметилового эфира и продуктов Фишера-Тропша, был неустойчивым или в некоторых случаях недостаточно стабильным, чтобы преодолеть большой риск капиталовложений, свойственный сооружению таких установок.
Было обнаружено, что резервные резервуары для природного газа, которые существенно увеличивают производительность установки по СПГ или ГВЖ, могут улучшить экономику сооружения установки. Многие из затрат, присущих сооружению таких установок, которые являются фиксированными или минимальными, не увеличиваются линейно с производительностью. Однако также было обнаружено, что, поскольку большее количество одного продукта производится в отдельной и часто изолированной географической области, цена продукта уменьшается.
Гелий все больше и больше требуется для некоторых применений, например, как защитный газ в непрерывной сварке и в химической промышленности, хладагент для MRI магнитов, как газ для закалки при обработке металлов, как инертный газ в космической технологии, как респираторный газ для погружения, как газ-носитель в хроматографии, для обнаружения утечек, как газ, заполняющий баллон, и также для других целей. Для этих целей может требоваться гелий высокой чистоты. Для того чтобы достичь высокой чистоты гелия из смесей газов, содержащих его низкие концентрации, могут потребоваться несколько стадий обработки. Смесь газов может быть обработана, чтобы образовать смесь газов с сырым гелием, и впоследствии очищена, чтобы образовать поток гелия высокой чистоты из этой смеси газов с сырым гелием.
Гелий обогащается и извлекается, главным образом, из содержащих гелий природных газов. Основные компоненты этих природных газов представляют собой азот и метан, а также вплоть до 10% по объему гелия, помимо более низких содержаний некоторых углеводородов с более высоким молекулярным весом и двуокиси углерода.
Гелий типично встречается при очень низких концентрациях в некоторых месторождениях природного газа. Потоки природного газа, из которых гелий может быть экономично извлечен, обычно содержат, по меньшей мере, примерно 0,1%об.-0,5%об. гелия. Этот гелий может быть обогащен, чтобы получить сырой гелий, содержащий обычно по меньшей мере 20%об. гелия. Сырой гелий определен здесь как текучая среда, содержащая более чем 20%об. гелия.
Способы обогащения гелия известны.
Содержащий гелий природный газ охлаждается до примерно -150°С на криогенной установке, посредством чего сначала будут выделены углеводороды конденсацией. Полученная таким образом смесь газов, за исключением низких содержаний других газов, может содержать более чем 50%об. гелия и азота. Такой сырой гелий может быть переработан на месте с получением гелия очень высокой чистоты, например, подвергая его некоторой комбинации процессов, содержащих адсорбционную установку с колебанием давления и второй криогенный блок.
Другой альтернативой является продажа сырого гелия, как промежуточного продукта, для переработки третьим лицом.
Настоящее изобретение полезно для извлечения гелия из природного газа. Было бы желательно эффективно совместить производство сырого гелия, СПГ и синтез-газа. Было бы желательно извлекать гелий из природного газа, где его концентрация меньше, чем 0,1%об. Прежде извлечение гелия из природного газа с низкой концентрацией считалось неосуществимым.
Настоящее изобретение удовлетворяет возрастающую потребность в гелии для промышленных процессов и возрастающую потребность в энергии ископаемого топлива, в особенности полностью сгорающего топлива.
Краткая сущность изобретения
Настоящее изобретение относится к способу и устройству для производства продуктов из природного газа, включая сырой гелий, сжиженный природный газ и, возможно, синтез-газ.
В соответствии со способом по изобретению сжатый природный газ, содержащий гелий в количестве менее 0,5%об. и метан, охлаждается с получением сжиженного охлажденного природного газа. По меньшей мере, в части гелия и метана из охлажденного природного газа понижается давление и она разделяется на пар, содержащий гелий, из которого отводится сырой гелий, и жидкость, содержащую метан в молярном соотношении пара к жидкости 0,001-0,04. По меньшей мере, часть метана из этой жидкости разделяется на пар, содержащий метан, из которой метан предусматривается для реакции производства синтез-газа, и жидкость, из которой выделяется сжиженный природный газ. Дополнительные стадии теплообмена и разделения могут быть включены.
Устройство по изобретению включает первый теплообменник, по меньшей мере, для частичного сжижения сжатого природного газа. Теплообменник имеет выходное отверстие, сообщающееся текучей средой с входным отверстием первого редуктора давления, имеющего выходное отверстие, с которым соединяется текучей средой первое устройство для разделения. Первое устройство сепарации имеет выходное отверстие для жидкости, сообщающееся текучей средой с входным отверстием второго редуктора давления, имеющего выходное отверстие, с которым соединяется текучей средой второе устройство сепарации. Первое устройство сепарации также имеет выходное отверстие для пара, сообщающееся текучей средой с входным отверстием второго теплообменника для формирования первой мультифазной текучей среды. Второе устройство сепарации имеет выходное отверстие для жидкости, сообщающееся текучей средой с входным отверстием резервуара для хранения сжиженного природного газа, и выходное отверстие для пара. Второй теплообменник имеет выходное отверстие, сообщающееся текучей средой с входным отверстием третьего устройства сепарации. Третье устройство сепарации имеет выходное отверстие для пара для выпуска сырого гелия и выходное отверстие для жидкости. По меньшей мере, через одно из выходных отверстий жидкости третьего устройства сепарации и из выходных отверстий пара второго устройства сепарации подается метан на генератор синтез-газа. Возможно, выходное отверстие для пара для выпуска сырого гелия соединено с входным отверстием устройства для очистки гелия.
Краткое описание нескольких видов на чертежах
Фиг.1 представляет собой принципиальную схему другого варианта осуществления настоящего изобретения для производства продуктов из природного газа.
Фиг.2 представляет собой принципиальную схему другого варианта осуществления настоящего изобретения для производства продуктов из природного газа.
Фиг.3 представляет собой принципиальную схему другого варианта осуществления настоящего изобретения для производства продуктов из природного газа.
Фиг.4 представляет собой принципиальную схему другого варианта осуществления настоящего изобретения для производства продуктов из природного газа.
Фиг.5 представляет собой принципиальную схему другого варианта осуществления настоящего изобретения для производства продуктов из природного газа.
Фиг.6 представляет собой принципиальную схему способа и устройства для производства продуктов из природного газа.
Подробное описание изобретения
В первом аспекте настоящее изобретение создает способ для производства продуктов из природного газа, содержащий:
охлаждение сжатого природного сырьевого газа, содержащего гелий в количестве менее 0,5%об. и метан для производства первой сжиженной текучей среды;
уменьшение давления, по меньшей мере, части первой текучей среды для производства первой текучей среды уменьшенного давления и сепарация первой текучей среды уменьшенного давления на первый пар, содержащий гелий и метан, и первую жидкость, содержащую метан с молярным соотношением первого пара к первой жидкости 0,0001-004;
выделение, по меньшей мере, части сырого гелия, по меньшей мере, из части первого пара;
уменьшение давления, по меньшей мере, части первой текучей среды для производства первой текучей среды уменьшенного давления и сепарация первой текучей среды уменьшенного давления на второй пар, содержащий метан и вторую жидкость, содержащую метан;
осуществление реакции, по меньшей мере, части метана из второго пара для производства, по меньшей мере, части синтез-газа и
выделение, по меньшей мере, части сжиженного продукта природного газа, по меньшей мере, из части второй жидкости.
Подходящее давление второй жидкости составляет менее 22 фунтов/дюйм абс.
Способ изобретения может дополнительно содержать:
уменьшение давления, по меньшей мере, части второй текучей среды для производства второй текучей среды уменьшенного давления и сепарацию второй текучей среды уменьшенного давления на третий пар, содержащий метан, и третью жидкость, содержащую метан; и
выделение, по меньшей мере, части сжиженного продукта природного газа, по меньшей мере, из части второй жидкости;
в котором давление второй жидкости больше 22 фунтов/дюйм абс. (0,152 МПа).
По меньшей мере, часть метана из третьего пара для производства, по меньшей мере, части синтез-газа или бытовой природный газ могут выделяться, по меньшей мере, из части, по меньшей мере, одного из паров, второго пара и третьего пара.
Способ изобретения может дополнительно содержать:
конденсацию, по меньшей мере, части пара и формирование тем самым первой мультифазной текучей среды, содержащей гелий и метан;
сепарацию, по меньшей мере, части первой мультифазной текучей среды на четвертый пар, содержащий, по меньшей мере, 40%об. гелия, и четвертую жидкость, содержащую метан; и
выделение, по меньшей мере, сырого гелия, по меньшей мере, из части четвертого пара.
По меньшей мере, для части метана из четвертой жидкости может осуществляться реакция для производства, по меньшей мере, части синтез-газа. Этап конденсации может содержать прохождение, по меньшей мере, части четвертого пара с сообщением через теплообменник, по меньшей мере, с частью первого пара. По меньшей мере, часть четвертой жидкости может расширяться, формируя при этом текучую среду более низкого давления, а этап конденсации содержать прохождение, по меньшей мере, части текучей среды более низкого давления с сообщением через теплообменник, по меньшей мере, с частью первого пара.
В способе изобретения подходящее молярное соотношение первого пара к первой жидкости составляет 0,0001-004, температура первой текучей среды выше -140°С или температура первой текучей среды выше -135°С.
В одном варианте осуществления изобретения способ производства продуктов из природного газа может содержать:
охлаждение сжатого природного сырьевого газа, содержащего гелий в количестве менее 0,5%об. и метан для производства первой сжиженной текучей среды, содержащей гелий и метан, по меньшей мере, из части природного газа;
уменьшение давления, по меньшей мере, части гелия и метана первой текучей среды для производства первой текучей среды уменьшенного давления и сепарацию первой текучей среды уменьшенного давления на первый пар, содержащий гелий и метан, и первую жидкость, содержащую метан с молярным соотношением первого пара к первой жидкости 0,001-0,03;
выделение, по меньшей мере, части сырого гелия, по меньшей мере, из части первого пара;
уменьшение давления, по меньшей мере, части метана из первой жидкости для производства текучей среды уменьшенного давления и сепарацию упомянутой первой текучей среды уменьшенного давления на второй пар, содержащий метан, и вторую жидкость, содержащую метан, причем вторую жидкость, имеющую давление больше 22 фунтов/дюйм абс. (базис №0052);
уменьшение давления, по меньшей мере, части метана из второй жидкости для производства текучей среды уменьшенного давления и сепарацию упомянутой первой текучей среды уменьшенного давления на третий пар, содержащий метан, и третью жидкость, содержащую метан, причем третью жидкость, имеющую давление меньше 22 фунтов/дюйм абс. (базис №0052);
выделение, по меньшей мере, части продукта сжиженного природного газа, по меньшей мере, из части третьей жидкости; и
осуществление реакции, по меньшей мере, части метана, по меньшей мере, из одного из паров, второго пара и третьего пара для производства, по меньшей мере, части синтез-газа.
Вариант осуществления изобретения может дополнительно содержать:
конденсацию, по меньшей мере, части метана из первого пара и формирование, тем самым, первой мультифазной текучей среды, содержащей гелий и метан;
сепарацию, по меньшей мере, части гелия и метана из первой мультифазной текучей среды на четвертый пар, содержащий, по меньшей мере, 40%об. гелия, и четвертую жидкость, содержащую метан; и
выделение, по меньшей мере, части сырого гелия, по меньшей мере, из части четвертого пара.
Во втором аспекте настоящего изобретения создается устройство для производства продуктов из природного газа, содержащее:
первый теплообменник, по меньшей мере, для частичного сжижения сжатого природного газа, содержащего гелий в количестве менее 0,5%об. и метан для производства первой сжиженной текучей среды, причем теплообменника, имеющего входное отверстие и выходное отверстие;
первый редуктор давления, имеющий входное отверстие, сообщающееся текучей средой с выходным отверстием первого теплообменника, и выходное отверстие;
первое устройство сепарации, имеющее входное отверстие, сообщающееся текучей средой с выходным отверстием первого редуктора давления, выходное отверстие пара для выпуска первого пара, содержащего гелий и выходное отверстие жидкости для выпуска первой жидкости, содержащей метан;
второй редуктор давления, имеющий входное отверстие, сообщающееся текучей средой с выходным отверстием жидкости первого устройства сепарации, и выходное отверстие;
второе устройство сепарации, имеющее входное отверстие, сообщающееся текучей средой с выходным отверстием второго редуктора давления, выходное отверстие пара для выпуска второго пара, содержащего метан и выходное отверстие жидкости для выпуска второй жидкости, содержащей метан;
сосуд для хранения сжиженного природного газа, имеющий первое входное отверстие, сообщающееся текучей средой с выходным отверстием жидкости второго устройства сепарации;
второй теплообменник для формирования первой мультифазной текучей среды, имеющий входное отверстие, сообщающееся текучей средой с выходным отверстием пара первого устройства сепарации, и выходное отверстие;
третье устройство сепарации, имеющее входное отверстие, сообщающееся текучей средой с выходным отверстием второго теплообменника, выходное отверстие пара для выпуска пара сырого гелия и выходное отверстие жидкости для выпуска третьей жидкости; и
генератор синтез-газа, имеющий входное отверстие, сообщающееся текучей средой с метаном, по меньшей мере, выходного отверстия пара второго устройства сепарации.
Устройство изобретения может дополнительно содержать: третий редуктор давления, имеющий входное отверстие, сообщающееся текучей средой с выходным отверстием жидкости второго устройства сепарации, и выходное отверстие; и
четвертое устройство сепарации, имеющее входное отверстие, сообщающееся текучей средой с выходным отверстием третьего редуктора давления, выходное отверстие пара для выпуска третьего пара и выходное отверстие жидкости для выпуска четвертой жидкости, причем упомянутое выходное отверстие жидкости для выпуска четвертой жидкости, сообщающееся текучей средой с первым входным отверстием или вторым входным отверстием упомянутого сосуда для хранения сжиженного природного газа.
Упомянутое выходное отверстие пара для выпуска третьего пара может сообщаться текучей средой с входным отверстием упомянутого генератора синтез-газа или устройство может содержать устройство очистки гелия, имеющее входное отверстие, сообщающееся текучей средой с выходным отверстием пара для выпуска пара сырого гелия.
Настоящее изобретение направлено на способ и устройство для производства сжиженного природного газа, сырого гелия и синтез-газа из природного газа. Природный газ, рассматриваемый здесь, содержит гелий и по меньшей мере 50 мольных процентов метана, и может содержать по меньшей мере 75 мольных процентов метана, и может содержать по меньшей мере 90 мольных процентов метана для наилучших результатов. Концентрация гелия составляет менее чем 0,5%об., или может быть менее чем 0,1%об., или может быть менее чем 0,05%об. Остальная часть природного газа может содержать другой горючий углеводород, как, например, но не ограничиваясь этим, этан, пропан, бутан, пентан и более тяжелые углеводороды и негорючие компоненты, как например, двуокись углерода, сероводород, вода и азот.
Природный газ может быть предварительно переработан на установке для удаления воды, двуокиси углерода, ртути и/или сероводорода. Природный газоконденсат (ПГК) может также быть отделен и удален, как отделенный продукт. ПГК, в общем, включает алканы, присутствующие в природном газе, имеющие два или более атомов углерода.
Настоящее изобретение может обеспечивать существенное снижение удельных затрат энергии при производстве сжиженного природного газа. После сжижения при высоком давлении сжиженный природный газ далее охлаждается, и давление в конечном итоге понижается до атмосферного посредством мгновенного испарения части сжиженного природного газа. Температура сжиженного природного газа перед мгновенным испарением воздействует на количество выработанного пара. Более низкая температура приводит в результате к меньшему количеству пара. Когда необходим только сжиженный природный газ в качестве продукта, количество произведенного пара мгновенного испарения, в общем, задается, чтобы удовлетворять требованиям к топливу для оборудования для производства сжиженного природного газа. Избыточный пар мгновенного испарения приводит в результате к снижению эффективности процесса. Для изобретения, которое включает в себя производство сжиженного природного газа, сырого гелия и синтез-газа, может требоваться большее количество пара мгновенного испарения. Температура сжиженного природного газа перед мгновенным испарением может быть выше, чем в случае когда не производится синтез-газ. Это означает, что меньшее охлаждение и, следовательно, меньшая мощность необходимы, чтобы охлаждать подачу в объединенный процесс. Уменьшение мощности может приводить к снижению капиталовложений, требуемых, чтобы получать сжиженный природный газ с данной производительностью, или может дать возможность увеличить производство сжиженного природного газа при данных капиталовложениях.
Природный газ, в общем, доступен или транспортируется при давлениях, таких высоких, как 19,4 МПа (2800 фунтов/дюйм ман.), более обычно при давлениях в диапазоне от 0,79 МПа (100 фунтов/дюйм ман.) до 9,75 МПа (1400 фунтов/дюйм ман.) и наиболее обычно при давлениях в диапазоне от 2,86 МПа (400 фунтов/дюйм ман.) до 8,37 МПа (1200 фунтов/дюйм йм ман.). Температура природного газа зависит от источника его происхождения. Там, где природный газ представляет собой газ из трубопровода, его температура может приближаться к условиям окружающей среды, как например, от -17,8°С до 48,9°С. Если параметры природного газа измеряются вблизи транспортирующего устройства, как например, компрессора природного газа, выходное отверстие и посткомпрессионное оборудование могут определять температуру и давление подачи природного газа или воздействовать на них.
Стадии предварительной переработки, подходящие для использования по настоящему изобретению, могут начинаться со стадий, обычно идентифицируемых с производством сжиженного природного газа и/или синтез-газа, включая, но не ограничиваясь этим, сжатие до повышенного давления, удаление кислых газов, меркаптанов, ртути и влаги из природного газа. Кислые газы и меркаптаны обычно удаляются посредством сорбции, использующей водный раствор, содержащий амин или другие типы физических или химических растворителей. Эта стадия, в общем, осуществляется выше по потоку, чем большая часть стадий охлаждения природного газа. Существенная часть воды, в общем, удаляется, как жидкость, посредством разделения на две фазы газ-жидкость до или после низкоуровневого охлаждения, за которым следует обработка на молекулярных ситах для удаления следов воды. Стадии удаления воды, в общем, имеют место выше по потоку, чем любое изоэнтальпическое или адиабатическое расширение, как рассматривается здесь. Ртуть может быть удалена посредством использования слоев сорбента ртути. Остаточные количества воды и кислых газов обычно удаляются посредством использования специально выбранных таких слоев сорбента, как регенерируемые молекулярные сита. Такие специально выбранные слои сорбента также, в общем, размещаются выше по потоку, чем большая часть стадий охлаждения природного газа.
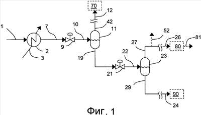
Следующий за любыми возможными стадиями предварительной обработки способ по настоящему изобретению объединяет производство сырого гелия, сжиженного природного газа и продукта синтез-газа. Сошлемся на фиг. от 1 до 5, на которых подача 1 природного газа, который может иметь давление примерно от 3,45 до 6,20 МПа (от 500 до 900 фунтов/дюйм абс.), направляется в один или большее число теплообменников 2 для охлаждения природного газа, посредством этого производя охлажденную текучую среду 7 природного газа. Как использовано здесь, термин «текучая среда» будет включать пар, жидкость и смеси пар/жидкость. Природный газ в подаче 1 может быть предварительно переработан или не переработан, и из него может быть удален ПГК. Охлажденная сжиженная текучая среда 7 природного газа может быть переохлажденной жидкостью, насыщенной жидкостью или двухфазной смесью. Охлажденная текучая среда 7 природного газа может иметь температуру, большую, чем примерно -140°С (-220°F), или большую, чем примерно -135°С (-211°F). Было обнаружено, что меньшее переохлаждение требуется для настоящего изобретения, в котором производятся как сжиженный природный газ, так и синтез-газ, по сравнению со способом, в котором производится сжиженный природный газ и не производится синтез-газ, посредством этого обеспечивается энергосбережение. Теплообменник(и) может быть теплообменником для сжиженного природного газа, как, например, тем, который коммерчески доступен промышленности от фирм-производителей Air Products and Chemicals, Inc. Охлаждение может включать одну или большее число ступеней охлаждения, заданных так, чтобы достичь последовательно более низких температур природного газа. Любой подходящий хладагент или сочетание хладагентов может быть использовано, как охлаждающая жидкость(и) 3. Например, в связи с их доступностью и стоимостью, хладагенты могут включать аммиак, пропан, пропилен, этан, этилен, метан, азот и другие, газообразные в нормальном состоянии материалы или их смеси, которые были сжаты и охлаждены, и сжижены. Хладагент может также быть включен в конфигурацию открытого цикла, в котором имеет место тесный контакт между хладагентом и обрабатываемым потоком. Если позволяют обстоятельства, более чем один жидкий хладагент используется в одном или большем числе теплообменников 2, хладагент, используемый на более поздней части одного или большего числа теплообменников 2, будет, в общем, иметь точку кипения ниже, чем хладагент, используемый на более ранних ступенях одного или большего числа теплообменников 2. В варианте осуществления используется пропан как первый хладагент и смешанный хладагент, содержащий метан, этан, пропан и азот, используется как последующий хладагент.
В соответствии с вариантами осуществления, проиллюстрированными на фиг. от 1 до 5, по меньшей мере часть охлажденной текучей среды 7 природного газа разделяется на пар 42 и жидкость 19.
Охлажденная текучая среда 7 природного газа расширяется посредством средства 9 для снижения давления так, чтобы снизить давление текучей среды 7 природного газа и произвести автоохлаждение природного газа до более низкой температуры, посредством этого образуя многофазную текучую среду 10, имеющую молярное отношение пара к жидкости, отличное от нуля. Молярное отношение пара к жидкости составляет от 0,0001 до 0,04 или может составлять от 0,001 до 0,03. Как известно в этой области техники, снижение давления может регулироваться, чтобы создать конкретное молярное отношение пара к жидкости. Хотя средство 9 для снижения давления показано как вентиль, средство 9 для снижения давления может быть одним или большим числом устройств для понижения давления, известных в этой области техники.
Понижение давления может быть осуществлено, по меньшей мере частично, изоэнтальпическим способом. Соответствующие устройства для изоэнтальпического расширения природного газа в соответствии с настоящим изобретением известны в этой области техники и, в общем, включают, но не ограничиваются этим, приводимые в действие вручную или автоматически дросселирующие устройства, как например, вентили, регулирующие вентили, вентили Джоуля-Томпсона, устройства трубки Вентури и т.п.
Снижение давления может быть осуществлено, по меньшей мере частично, адиабатическим средством. Соответствующие устройства для адиабатического расширения природного газа в соответствии с настоящим изобретением известны в этой области техники и, в общем, включают оборудование, как например, детандеры или турбодетандеры, которые извлекают или отводят работу от такого расширения. В то время, как стадия снижения давления изображена посредством изоэнтальпического расширения в форме вентиля для целей устройства по фиг. от 1 до 5, это изображение должно рассматриваться так, чтобы оно содержало одно или большее число устройств для снижения давления, рассмотренных выше, содержащих адиабатическое и/или изоэнтальпическое расширение, расположенных параллельно или последовательно.
В соответствии с вариантами осуществления, проиллюстрированными на фиг. от 1 до 5, по меньшей мере часть многофазной текучей среды 10 из стадии снижения давления направляется в устройство 11 для отделения пара от жидкости. Пар, который обогащен гелием, удаляется как пар 42, и жидкость, которая содержит метан, удаляется как жидкость 19. По меньшей мере часть сырого гелия 12 отводится из по меньшей мере части пара 42. Следовательно, сырой гелий 12 содержит по меньшей мере часть гелия из пара 42. Сырой гелий 12 может быть, возможно, далее очищен в возможном очистителе 70 для гелия с использованием любого традиционного способа очистки гелия, известного в этой области техники.
Устройство 11 для разделения может быть барабаном для одноступенчатого мгновенного испарения или может включать множество теоретических ступеней разделения для обеспечения лучшего разделения компонентов между составляющими паром 42 и жидкостью 19 на фиг. от 1 до 5. Соответствующие устройства для разделения жидкость-газ для обеспечения множества теоретических ступеней разделения могут включать перегонную колонну, которая может включать ребойлер, конденсатор или орошение или может не включать их.
В соответствии с вариантами осуществления, проиллюстрированными на фиг.1, 2, 4 и 5, по меньшей мере, часть жидкости 19 разделяется на пар 27 и жидкость 29.
В вариантах осуществления, проиллюстрированных на фиг.1, 2, 4 и 5, жидкость 19 может расширяться посредством средства 21 для снижения давления так, чтобы снизить давление жидкости 19 и произвести автоохлаждение текучей среды до более низкой температуры, посредством этого образуя многофазную текучую среду 22. Хотя средство 21 для понижения давления проиллюстрировано как вентиль, средство 21 для понижения давления может быть одним или большим числом устройств для снижения давления, известных в этой области техники, как описано выше, для средства 9 для понижения давления.
В соответствии с вариантами осуществления, проиллюстрированными на фиг.1, 2, 4 и 5, по меньшей мере часть многофазной текучей среды 22 направляется в устройство 23 для отделения пара от жидкости. Пар, который содержит метан, удаляется как пар 27, и жидкость, которая содержит метан, удаляется как жидкость 29. Устройство 23 для разделения может быть барабаном для одноступенчатого мгновенного испарения или может включать множество теоретических ступеней разделения для обеспечения лучшего разделения компонентов между составляющими паром 27 и жидкостью 29. Соответствующие устройства для разделения жидкости и газа для обеспечения множества теоретических ступеней разделения могут включать перегонную колонну, которая может включать ребойлер, конденсатор или орошение или не включать их. В варианте осуществления изобретения, по меньшей мере часть исходного сырья 26 для генератора синтез-газа, которое подается в генератор 80 синтез-газа, отводится из по меньшей мере части пара 27. Исходное сырье 2 6 для генератора синтез-газа содержит по меньшей мере часть метана из пара 27. Метан в исходном сырье 2 6 для генератора синтез-газа может реагировать в генераторе 80 синтез-газа, чтобы образовать промежуточный или конечный синтез-газ 81.
Возможно, как показано на фиг.1, топливо 52 может быть получено из пара 27. Топливо 52 может быть использовано в качестве топлива на установке сжиженного природного газа или на установке синтез-газа, как например, для потребностей в топливе для газовой турбины, для потребностей в топливе для установки реформинга метана с водяным паром, в топливе для турбины объединенного цикла, или в печном топливе, как например, для нагревателей, обслуживающих оборудование для гидрокрекинга для переработки продуктов ГВЖ Фишера-Тропша. Топливо 52 может также быть использовано в городах, отдаленных местностях или деревнях для коммунальных услуг.
В соответствии с вариантом осуществления изобретения, проиллюстрированным на фиг.1, по меньшей мере часть жидкости 19 может быть расширена средством 21 для снижения давления, снижая давление до между 0,10 МПа (14,5 фунтов на кв. дюйм абс.) и 0,152 МПа (22 фунта на кв. дюйм абс.) и образуя пар 27 и жидкость 29. По меньшей мере часть продукта 24 сжиженного природного газа отводится из по меньшей мере части жидкости 29. Следовательно, продукт 24 сжиженный природный газ содержит по меньшей мере часть метана из жидкости 29.
В соответствии с вариантом осуществления изобретения, проиллюстрированным на фиг.2, 4 и 5, по меньшей мере часть жидкости 29 разделяется на пар 37 и жидкость 39. По меньшей мере часть жидкости 29 расширяется средством 31 для снижения давления так, чтобы снизить давление жидкости 29 и автоохладить жидкость до более низкой температуры, посредством этого образуя многофазную текучую среду 32. Хотя средство 31 для снижения давления проиллюстрировано как вентиль, средство 31 для снижения давления может быть одним или большим числом устройств для снижения давления, известных в этой области техники, как описано выше для средства 9 для снижения давления. По меньшей мере часть многофазной текучей среды 32 направляется в устройство 33 для отделения пара от жидкости. Пар, который содержит метан, удаляется, как пар 37, и жидкость, которая содержит метан, удаляется, как жидкость 39. Устройство 33 для разделения может быть барабаном для одноступенчатого мгновенного испарения, или оно может включать множество теоретических ступеней разделения для обеспечения лучшего разделения компонентов между составляющими паром 37 и жидкостью 39. Соответствующие устройства для разделения жидкость-газ для обеспечения множества теоретических ступеней разделения могут включать перегонную колонну, которая может включать ребойлер, конденсатор или орошение, или не включать их. Согласно изобретению, по меньшей мере часть исходного сырья для генератора 26 синтез-газа, которое снабжает генератор 80 синтез-газа, отводится из по меньшей мере части пара 37 и/или по меньшей мере части пара 27. Исходное сырье 26 для генератора синтез-газа содержит по меньшей мере часть метана из пара 27 и пара 37. По меньшей мере часть продукта 24 сжиженного природного газа отводится из по меньшей мере части жидкости 39. Следовательно, продукт 24 сжиженный природный газ содержит по меньшей мере часть метана из жидкости 39.
В соответствии с вариантами осуществления изобретения, проиллюстрированными на фиг.2, 4 и 5, средство 21 для снижения давления может снизить давление до значения, которое является большим, чем 0,152 МПа (22 фунта на кв. дюйм абс.), и средство 31 для снижения давления может снизить его до значения, которое является меньшим, чем 0,152 МПа (22 фунта на кв. дюйм абс.).
В соответствии с некоторыми вариантами осуществления изобретения, проиллюстрированными на фиг. от 3 до 5, по меньшей мере часть пара 42 может быть охлаждена в теплообменнике 47, посредством этого конденсируя по меньшей мере часть метана и посредством этого образуя многофазную текучую среду 44, имеющую компонент пар и компонент жидкость. По меньшей мере часть многофазной текучей среды 44 направляется в устройство 43 для отделения пара от жидкости. Пар, который содержит более высокую концентрацию гелия, чем жидкость, удаляется как пар 48, и жидкость, которая содержит метан, удаляется как жидкость 46. Устройство 43 для разделения может быть барабаном для одноступенчатого мгновенного испарения или может включать множество теоретических ступеней разделения для обеспечения лучшего разделения компонентов между составляющими жидкостью 46 и паром 48. Соответствующие устройства для разделения жидкость-газ для обеспечения множества теоретических ступеней разделения могут включать перегонную колонну, которая может включать ребойлер, конденсатор или орошение или не включать их. По меньшей мере часть сырого гелия 12 отводится из по меньшей мере части пара 48. Сырой гелий 12 содержит по меньшей мере часть гелия из пара 48. Сырой гелий 12 может быть дополнительно очищен любым способом, известным в этой области техники. В этих вариантах осуществления показана возможность, где по меньшей мере часть исходного сырья 26 для генератора синтез-газа отводится из по меньшей мере части жидкости 46. Синтез-газ 81 может быть образован по реакции по меньшей мере части метана из жидкости 46 после испарения. Следовательно, сырье 26 для генератора синтез-газа содержит по меньшей мере часть метана из жидкости 46.
Как показано на фиг. от 3 до 5, по меньшей мере часть пара 48 может быть возвращена в теплообменник 47 для испарения, обеспечивая дополнительное охлаждение для пара 42. Теплопередача может быть осуществлена прямотоком или противотоком с паром 48 при теплопередаче с потоком пара 42. Соответствующие устройства для выполнения функции теплопередачи включают пластинчатые, трубчатые или другие элементы теплопередачи для передачи тепла, но не массы, как известно в этой области техники.
В соответствии с некоторыми вариантами осуществления изобретения, проиллюстрированными на фиг. от 3 до 5, по меньшей мере часть жидкости 46 может быть расширена средством 45 снижения давления, образуя текучую среду 49 более низкого давления, и впоследствии возвращена в теплообменник 47, чтобы обеспечить охлаждение для пара 42. Хотя средство 4 5 для снижения давления проиллюстрировано как вентиль, средство 45 для снижения давления может быть одним или большим числом устройств для снижения давления, известных в этой области техники, как описано выше для средства 9 для снижения давления. Теплопередача может быть осуществлена прямотоком или противотоком при теплообмене с потоком пара 42. По меньшей мере часть полученной в результате нагретой текучей среды 50 подается в сырье 26 для генератора синтез-газа. По меньшей мере часть исходного сырья 26 для генератора синтез-газа отводится из по меньшей мере части нагретой текучей среды 50. Следовательно, исходное сырье 26 для генератора синтез-газа содержит по меньшей мере часть метана из нагретой текучей среды 50. Метан в исходном сырье 26 для генератора синтез-газа может реагировать в генераторе 80 синтез-газа, чтобы образовать промежуточный или конечный синтез-газ 81.
В соответствии с вариантом осуществления изобретения, показанным на фиг.4, пар 27, пар 48 и текучая среда 50 могут быть использованы, чтобы охладить хладагент 63 в одном или большем числе теплообменников 57. Охлаждающая текучая среда 3 может содержать хладагент 63. Альтернативно, по меньшей мере часть подачи 1 может быть охлаждена в теплообменнике (ах) 57 вместо холодильного агента 63. После прохода через теплообменник 57 полученные в результате пар 28 и пар 51 могут быть сжаты в компрессоре 58, образуя сжатый газ 59. В соответствии с этим вариантом осуществления, по меньшей мере часть сырья 26 для генератора синтез-газа, которым снабжается генератор 80 синтез-газа, отводится из по меньшей мере части сжатого газа 59. Сырье 26 для генератора синтез-газа содержит по меньшей мере часть метана из сжатого газа 59. Возможно, как показано на фиг.4, топливо 52 может быть получено из сжатого газа 59.
Как показано в варианте осуществления по фиг.5, жидкость 46 может быть расширена посредством множества средств 45 и 65 для снижения давления и впоследствии возвращена в теплообменник 47, чтобы обеспечить охлаждение для пара 42. Хотя средства 45 и 65 для снижения давления проиллюстрированы как вентили, средства 45 и 65 для снижения давления могут быть одним или большим числом устройств для снижения давления, известных в этой области техники, как описано выше для средства 9 для снижения давления. Теплопередача может быть осуществлена прямотоком или противотоком при теплообмене с потоком пара 42. По меньшей мере часть полученных в результате нагретых текучих сред 50 и 66 могут быть поданы в сырье 26 для генератора синтез-газа. По меньшей мере часть исходного сырья 26 для генератора синтез-газа отводится из по меньшей мере части текучей среды 50 и/или по меньшей мере части текучей среды 66. Следовательно, синтез-газ может быть образован по реакции по меньшей мере части метана из по меньшей мере одной из текучей среды 50 и текучей среды 66.
В соответствии с вариантом осуществления изобретения, показанным на фиг.5 и 6, пар 27 и текучая среда 66 могут быть объединены и впоследствии использованы, чтобы охладить хладагент 63 в одном или большем числе теплообменников 57. Текучая среда 50 и пар 37 могут быть объединены и впоследствии использованы, чтобы охладить хладагент 63 в одном или большем числе теплообменников 57. В варианте осуществления, показанном на фиг.5, пар 48, который содержит гелий, используется, чтобы охладить хладагент 63 в одном или большем числе теплообменников 57. Альтернативно, по меньшей мере часть подачи 1 может быть охлаждена в теплообменнике (ах) 57 вместо хладагента 63. После прохода через теплообменник 57 полученные в результате пар 28 и пар 51 могут быть сжаты в компрессоре 58, посредством этого образуя сжатый газ 59. В соответствии с этим вариантом осуществления, по меньшей мере часть исходного сырья 26 для генератора синтез-газа, которая подается в генератор 80 синтез-газа, отводится из по меньшей мере части сжатого газа 59. Исходное сырье 26 для генератора синтез-газа содержит по меньшей мере часть метана из сжатого газа 59. Возможно, как показано на фиг.5, топливо 52 может быть получено из сжатого газа 59. Это топливо может быть использовано в качестве топлива на установке сжиженного природного газа или на установке синтез-газа, как например, для потребностей в топливе для газовой турбины, для установки реформинга метана с водяным паром, для турбины объединенного цикла или в печном топливе, как например, для нагревателей, обслуживающих оборудование для гидрокрекинга для обработки продуктов ГВЖ Фишера-Тропша. Топливо 52 может также быть использовано в качестве газа в городах, отдаленных местностях или деревнях для коммунальных услуг.
Вариант осуществления по настоящему изобретению описан в подробностях в связи со следующими примерами, причем необходимо понять, что примеры приводятся с целью иллюстрации и не являются ограничительными.
ПРИМЕРЫ
Вариант осуществления настоящего изобретения моделировался посредством вычислительных средств. Подаваемый природный газ подается в объединенный процесс для производства сырого гелия, исходного сырья для генератора синтез-газа и продукта сжиженного природного газа в соответствии с вариантом осуществления настоящего изобретения, по существу, как показано на фиг.4. Моделирование основано, исходя из 10000 кг/ч природного газа, обеспечиваемого, как подача 1. Условия процесса и массовый баланс для ключевых текучих сред этого варианта осуществления изложены в Таблице 1 ниже. В Таблице 1 концентрация приведена как 0 мольных %, если концентрация меньше, чем 0,001%.
| Таблица 1 |
| Номер текучей среды |
7 |
10 |
19 |
29 |
39 |
42 |
| Фаза |
Жидкая |
Смешанная |
Жидкая |
Жидкая |
Жидкая |
Паровая |
| Температура (°С) |
-131.7 |
-133.2 |
-133.2 |
-147.2 |
-158.9 |
-133.2 |
| Давление, МПа |
1.12 |
0.76 |
0.76 |
0.31 |
0.12 |
0.76 |
| Полный расход (кг/час) |
10000 |
10000 |
9838 |
8671 |
7905 |
162 |
| Состав (мольные %) |
|
|
|
|
|
|
| Гелий |
0.042 |
0.042 |
0.005 |
0.000 |
0.000 |
2.389 |
| Азот |
2.095 |
2.095 |
1.894 |
0.781 |
0.273 |
14.783 |
| Метан |
95.410 |
95.410 |
95.610 |
96.400 |
96.640 |
82.806 |
| Этан |
1.599 |
1.599 |
1.624 |
1.835 |
2.012 |
0.021 |
| Пропан |
0.532 |
0.532 |
0.541 |
0.611 |
0.670 |
0.000 |
| Изобутан |
0.110 |
0.110 |
0.112 |
0.126 |
0.138 |
0.000 |
| Бутан |
0.179 |
0.179 |
0.182 |
0.205 |
0.225 |
0.000 |
| Изопентан |
0.017 |
0.017 |
0.017 |
0.019 |
0.021 |
0.000 |
| Пентан |
0.009 |
0.009 |
0.010 |
0.011 |
0.012 |
0.000 |
| Гексан |
0.004 |
0.004 |
0.004 |
0.004 |
0.005 |
0.000 |
| Гептан |
0.004 |
0.004 |
0.004 |
0.004 |
0.005 |
0.000 |
| Таблица 1 (продолжение) |
| Номер текучей среды |
27 |
37 |
44 |
46 |
48 |
59 |
| Фаза |
Паровая |
Паровая |
Смешанная Жидкая Паровая Паровая |
| Температура (°С) |
-147.2 |
-159.4 |
-169.3 |
-169.3 |
И 69.3 |
37.8 |
| Давление, МПа |
0.31 |
0.12 |
0.72 |
0.72 |
0.72 |
3.31 |
| Полный расход (кг/час) |
1166 |
767 |
162 |
158 |
4 |
2092 |
| Состав (мольные %) |
|
|
|
|
|
|
| Гелий |
0.046 |
0.000 |
2.390 |
0.036 |
63.350 |
0.028 |
| Азот |
10.445 |
6.033 |
14.743 |
14.199 |
29.930 |
9.062 |
| Метан |
89.499 |
93.963 |
82.845 |
85.742 |
6.720 |
90.901 |
| Этан |
0.010 |
0.004 |
0.021 |
0.022 |
0.000 |
0.009 |
| Пропан |
0.000 |
0.000 |
0.000 |
0.000 |
0.000 |
0.000 |
| Изобутан |
0.000 |
0.000 |
0.000 |
0.000 |
0.000 |
0.000 |
| Бутан |
0.000 |
0.000 |
0.000 |
0.000 |
0.000 |
0.000 |
| Изопентан |
0.000 |
0.000 |
0.000 |
0.000 |
0.000 |
0.000 |
| Пентан |
0.000 |
0.000 |
0.000 |
0.000 |
0.000 |
0.000 |
| Гексан |
0.000 |
0.000 |
0.000 |
0.000 |
0.000 |
0.000 |
| Гептан |
0.000 |
0.000 |
0.000 |
0.000 |
0.000 |
0.000 |
Температура охлажденной текучей среды 7 природного газа составляет примерно -131,7°С, что значительно выше, чем типичная температура примерно -151,1°С для процессов, производящих только сжиженный природный газ без сырья для генератора синтез-газа.
В этом моделировании жидкость 39, которая подается в продукт 24 сжиженный природный газ, составляет примерно 79% от подачи 1. Пар 48, который подается в сырой гелий 12, составляет примерно 0,04% от подачи 1. Остальную часть обеспечивает сжатый газ 59, который подается в сырье 26 для генератора синтез-газа и в топливо 52.
В соответствии с моделированием, пар 48, который подается в сырой гелий 12, составляет примерно 63,35 мольных % гелия и примерно 86,4% гелия в охлажденной текучей среде 7 природного газа извлекается в пар 48.
Азот концентрируется в сжатом газе 59, который подается в исходное сырье 26 для генератора синтез-газа, имеющее концентрацию примерно 9 мольных %, тогда как концентрация азота в жидкости 39, которая подается в продукт 24 сжиженный природный газ, составляет примерно 0,3 мольных %.
Для сравнения моделировался процесс в соответствии с конфигурацией, показанной на фиг.6. Моделирование было основано, исходя из 10000 кг/ч природного газа, обеспечиваемого в качестве подачи 101. Подача 101 разделяется, чтобы обеспечить подачу 104 природного газа для производства сжиженного природного газа и отдельно сырья 126 для генератора синтез-газа. Гелий извлекается только из подачи сжиженного природного газа. Условия процесса и материальный баланс для ключевых текучих сред этого варианта осуществления изложены в Таблице 2 ниже. В Таблице 2 концентрация приведена как 0 мольных %, если концентрация меньше, чем 0,001%.
| Таблица 2 |
| Номер текучей среды |
101 |
107 |
110 |
119 |
137 |
139 |
142 |
| Фаза |
Паровая |
Жидкая |
Смешанная |
Жидкая |
Паровая |
Жидкая |
Паровая |
| Температура (°С) |
22.0 |
-151.1 |
-151.1 |
-151.1 |
-161.0 |
-161,0 |
-151.1 |
| Давление, МПа |
5.86 |
1.10 |
0.33 |
0.33 |
0.12 |
0.12 |
0.33 |
| Полный расход (кг/час) |
10000 |
8619 |
8619 |
8594 |
695 |
7899 |
26 |
| Состав (мольные %) |
|
|
|
|
|
|
|
| Гелий |
0.042 |
0.042 |
0.042 |
0.006 |
0.073 |
0.000 |
12.700 |
| Азот |
2.095 |
2.095 |
2.095 |
2.035 |
16.920 |
0.825 |
22.460 |
| Метан |
95.410 |
95.410 |
95.410 |
95.500 |
83.010 |
96.510 |
64.840 |
| Этан |
1.599 |
1.599 |
1.599 |
1.604 |
0.003 |
1.734 |
0.005 |
| Пропан |
0.532 |
0.532 |
0.532 |
0.534 |
0.000 |
0.577 |
0.000 |
| Изобутан |
0.110 |
0.110 |
0.110 |
0.110 |
0.000 |
0.119 |
0.000 |
| Бутан |
0.179 |
0.179 |
0.179 |
0.179 |
0.000 |
0.194 |
0.000 |
| Изопентан |
0.017 |
0.017 |
0.017 |
0.017 |
0.000 |
0.018 |
0.000 |
| Пентан |
0.009 |
0.009 |
0.009 |
0.010 |
0.000 |
0.010 |
0.000 |
| Гексан |
0.004 |
0.004 |
0.004 |
0.004 |
0.000 |
0.004 |
0.000 |
| Гептан |
0.004 |
0.004 |
0.004 |
0.004 |
0.000 |
0.004 |
0.000 |
| Таблица 2 (продолжение) |
| Номер текучей среды |
144 |
146 |
148 |
104 |
126 |
150 |
| Фаза |
Смешанная |
Жидкая |
Паровая |
Паровая |
Паровая |
Паровая |
| Температура (°С) |
-176.1 |
-176.1 |
-176.1 |
22.0 |
22.0 |
-153.5 |
| Давление, МПа |
0.30 |
0.30 |
0.30 |
5.86 |
5.86 |
0.12 |
| Полный расход (кг/час) |
26 |
19 |
6 |
8619 |
1381 |
19 |
| Состав (мольные %) |
|
|
|
|
|
|
| Гелий |
12.700 |
0.007 |
46.380 |
0.042 |
0.042 |
0.007 |
| Азот |
22.460 |
13.670 |
45.800 |
2.095 |
2.095 |
13.670 |
| Метан |
64.840 |
86.320 |
7.817 |
95.410 |
95.410 |
86.320 |
| Этан |
0.005 |
0.007 |
0.000 |
1.599 |
1.599 |
0.007 |
| Пропан |
0.000 |
0.000 |
0.000 |
0.532 |
0.532 |
0.000 |
| Изобутан |
0.000 |
0.000 |
0.000 |
0.110 |
0.110 |
0.000 |
| Бутан |
0.000 |
0.000 |
0.000 |
0.179 |
0.179 |
0.000 |
| Изопентан |
0.000 |
0.000 |
0.000 |
0.017 |
0.017 |
0.000 |
| Пентан |
0.000 |
0.000 |
0.000 |
0.009 |
0.009 |
0.000 |
| Гексан |
0.000 |
0.000 |
0.000 |
0.004 |
0.004 |
0.000 |
| Гептан |
0.000 |
0.000 |
0.000 |
0.004 |
0.ОО4 |
0.000 |
Как показано на фиг.6, подача 104 природного газа подается в теплообменник 102 и охлаждается посредством охлаждающей текучей среды (сред) 103, производя охлажденную текучую среду 107 природного газа. Охлажденная текучая среда 107 природного газа расширяется средством 109 для снижения давления так, чтобы понизить давление текучей среды 107 природного газа и произвести автоохлаждение природного газа до более низкой температуры текучей среды 110 природного газа.
Текучая среда 110 природного газа направляется в устройство 111 для отделения пара от жидкости. Пар, который обогащается гелием, удаляется как пар 142, и жидкость, которая содержит метан, удаляется как жидкость 119.
Жидкость 119 расширяется посредством средства 131 для снижения давления так, чтобы снизить давление жидкости 119 и произвести автоохлаждение жидкости до более низкой температуры текучей среды 132 и посредством этого выработать пар и жидкость. Текучая среда 132 с более низкой температурой со стадии снижения давления направляется в устройство 133 для отделения пара от жидкости. Пар, который содержит метан, удаляется как пар 137, и жидкость, которая содержит метан, удаляется как жидкость 139. Жидкость 139 подается в продукт 124 сжиженный природный газ.
Пар 142 охлаждается в теплообменнике 147, посредством этого конденсируя по меньшей мере часть метана и посредством этого образуя многофазную текучую среду 144, имеющую компонент пар и компонент жидкость. Многофазная текучая среда 144 направляется в устройство 143 для отделения пара от жидкости. Пар, который содержит более высокую концентрацию гелия, чем жидкость, удаляется как пар 148, и жидкость, которая содержит метан, удаляется как жидкость 146. Сырой гелий 112 отводится из пара 148.
Как показано на фиг.6, пар 148 возвращается в теплообменник 147, чтобы испариться, посредством этого обеспечивая дополнительное охлаждение для пара 142. Жидкость 146 расширяется средством 145 для снижения давления, образуя текучую среду 149 с более низким давлением, и впоследствии возвращается в теплообменник 147, чтобы также обеспечить охлаждение для пара 142.
Оба моделирования были составлены так, чтобы 79% по весу входящего подаваемого газа производили сжиженный природный газ.
Температура охлажденной текучей среды 107 природного газа составляет примерно -151,1°С, что является типичным для процессов, производящих сжиженный природный газ без производства сырья для генератора синтез-газа. В связи с дополнительным переохлаждением для конфигурации по фиг.6 по сравнению с фиг.4 мощность для сжижения по конфигурации на фиг.4 рассчитывается, чтобы она была примерно на 14% меньше.
В соответствии с моделированием пар 148, из которого отводится сырой гелий 112, представляет собой примерно 4 6,38 мольных % гелия, и примерно 75,0% по весу гелия в подаче 101 извлекается в пар 148. Это сравнивается с 63,35 мольными % гелия и 8 6,4% по весу извлечения гелия в процессе по фиг.4. Более привлекательным по экономическим соображениям процесс будет, когда более высокий процент природного газа подается в сырье для генератора синтез-газа.
Азот, содержащийся в продукте сжиженном природном газе, является меньшим для конфигурации по фиг.4 по сравнению с конфигурацией по фиг.6. Азот, содержащийся в продукте сжиженном природном газе, рассчитывается, чтобы он был примерно 0,27 мольных % и 0,83 мольных % для конфигураций по фиг.4 и фиг.6 соответственно.
Другие варианты осуществления и выгоды от изобретения будут очевидными для специалистов в этой области техники из рассмотрения этого описания или практического применения изобретения, описанного здесь. Подразумевается, что это описание рассматривается как примерное, только с истинным объемом и сущностью изобретения, как указывается в следующих пунктах формулы изобретения.
Формула изобретения
1. Способ производства продуктов из природного газа, включающий охлаждение сжатого сырьевого природного газа, содержащего гелий в количестве менее чем 0,5 об.% и метан, с получением из по меньшей мере части природного газа сжиженной первой текучей среды, содержащей гелий и метан; снижение давления по меньшей мере части первой текучей среды с получением первой текучей среды при пониженном давлении и разделение первой текучей среды при пониженном давлении на первый пар, содержащий гелий и метан, и первую жидкость, содержащую метан, в молярном соотношении первого пара к первой жидкости от 0,0001 до 0,04; отведение по меньшей мере части сырого гелия из по меньшей мере части первого пара; снижение давления по меньшей мере части первой жидкости с получением текучей среды при пониженном давлении и разделение указанной среды с получением пара, содержащего метан, и жидкости, содержащей метан; реакцию по меньшей мере части метана из пара, содержащего метан, с получением по меньшей мере части синтез-газа; и отведение по меньшей мере части продукта сжиженного природного газа из по меньшей мере части жидкости, содержащей метан.
2. Способ по п.1, включающий охлаждение сжатого природного газа, содержащего гелий в количестве менее чем 0,5 об.% и метан, с получением первой текучей среды; снижение давления по меньшей мере части первой текучей среды с получением первой текучей среды при пониженном давлении и разделение первой текучей среды при пониженном давлении на первый пар, содержащий гелий и метан, и первую жидкость, содержащую метан, в молярном соотношении первого пара к первой жидкости от 0,0001 до 0,04; отведение по меньшей мере части сырого гелия из по меньшей мере части первого пара; снижение давления по меньшей мере части первой жидкости с получением текучей среды при пониженном давлении и разделение указанной среды на второй пар, содержащий метан, и вторую жидкость, содержащую метан; реакцию по меньшей мере части метана из второго пара с получением по меньшей мере части синтез-газа; и отведение по меньшей мере части продукта сжиженного природного газа из по меньшей мере части второй жидкости.
3. Способ по п.2, дополнительно включающий снижение давления по меньшей мере части второй жидкости с получением второй текучей среды при пониженном давлении и разделение указанной среды на третий пар, содержащий метан, и третью жидкость, содержащую метан; отведение по меньшей мере части продукта сжиженного природного газа из по меньшей мере части третьей жидкости.
4. Способ по п.1, включающий охлаждение сжатого сырьевого природного газа, содержащего гелий в количестве менее чем 0,5 об.% и метан, с получением из по меньшей мере части природного газа сжиженной первой текучей среды, содержащей гелий и метан; снижение давления по меньшей мере части гелия и метана из первой текучей среды с получением первой текучей среды при пониженном давлении и разделение первой текучей среды при пониженном давлении на первый пар, содержащий гелий и метан, и первую жидкость, содержащую метан, в молярном соотношении первого пара к первой жидкости от 0,0001 до 0,04; отведение по меньшей мере части сырого гелия из по меньшей мере части первого пара; снижение давления по меньшей мере части метана из первой жидкости с получением текучей среды при пониженном давлении и разделение указанной среды на второй пар, содержащий метан, и вторую жидкость, содержащую метан; снижение давления по меньшей мере части метана из второй жидкости с получением текучей среды при пониженном давлении и разделение указанной среды на третий пар, содержащий метан, и третью жидкость, содержащую метан; отведение по меньшей мере части продукта сжиженного природного газа из по меньшей мере части третьей жидкости; и реакцию по меньшей мере части метана из по меньшей мере второго пара и третьего пара с получением синтез-газа.
5. Способ по п.2, в котором давление второй жидкости составляет менее чем 0,15 МПа (22 psia).
6. Способ по любому одному из пп.3-5, в котором давление второй жидкости составляет менее чем 0,15 МПа (22 psia).
7. Способ по любому одному из пп.3-5, дополнительно включающий реакцию по меньшей мере части метана из третьего пара, чтобы производить по меньшей мере часть синтез-газа.
8. Способ по любому одному из пп.2-5, дополнительно включающий отведение газа для коммунальных услуг из по меньшей мере части по меньшей мере одного из второго пара и не обязательно третьего пара.
9. Способ по любому одному из пп.1-5, дополнительно включающий конденсацию по меньшей мере части первого пара, посредством этого образуя первую многофазную текучую среду, содержащую гелий и метан; разделение по меньшей мере части первой многофазной текучей среды на четвертый пар, содержащий по меньшей мере 40 об.% гелия, и четвертую жидкость, содержащую метан; и отведение по меньшей мере части сырого гелия из по меньшей мере части четвертого пара.
10. Способ по п.9, дополнительно содержащий реакцию по меньшей мере части метана из четвертой жидкости, чтобы производить по меньшей мере часть синтез-газа.
11. Способ по п.9, в котором стадия конденсации включает проход по меньшей мере части четвертого пара при теплообмене с по меньшей мере частью первого пара.
12. Способ по п.9, дополнительно включающий расширение по меньшей мере части четвертой жидкости, посредством этого образуя текучую среду с более низким давлением, и в котором стадия конденсации содержит проход по меньшей мере части текучей среды с более низким давлением при теплообмене с по меньшей мере частью первого пара.
13. Способ по любому одному из пп.1-5, 10, 11 или 12, в котором молярное отношение первого пара к первой жидкости составляет от 0,001 до 0,03.
14. Способ по любому одному из пп.1-5, 10, 11 или 12, в котором температура первой текучей среды составляет более чем -140°С.
15. Способ по п.14, в котором температура первой текучей среды составляет более чем -135°С.
16. Устройство для производства продуктов из природного газа по способу в соответствии с п.1, содержащее первый теплообменник (2) для по меньшей мере частичного сжижения сжатого природного газа (1), содержащего гелий в количестве менее чем 0,5 об.% и метан, причем указанный первый теплообменник имеет входное отверстие и выходное отверстие; первое устройство снижения давления (9), имеющее вход для текучей среды, связанный с выходом первого теплообменника, и выход; первое устройство для разделения (11), имеющее входное отверстие для текучей среды (7, 9, 10), связанное с выходным отверстием первого устройства снижения давления (9), выходное отверстие для пара для выпуска первого пара (42), содержащего гелий, и выходное отверстие для жидкости для выпуска первой жидкости (19), содержащей метан; второе устройство снижения давления (21), имеющее вход для текучей среды, связанный с выходом для жидкости первого устройства для разделения (11) и выход; второе устройство для разделения (23), имеющее входное отверстие для текучей среды (19, 21, 22), связанное с выходным отверстием для жидкости второго устройства снижения давления (21), выходное отверстие для пара для выпуска второго пара (27), содержащего метан, и выходное отверстие для жидкости для выпуска второй жидкости (29), содержащей метан; резервуар для хранения сжиженного природного газа (90), имеющий первое входное отверстие для текучей среды (29, 24), связанное с выходным отверстием для жидкости второго устройства для разделения; второй теплообменник (47) для образования первой многофазной текучей среды (44), имеющий входное отверстие для текучей среды (42), связанное с выходным отверстием для пара первого устройства для разделения, и выходное отверстие;
третье устройство для разделения (43), имеющее входное отверстие для текучей среды (44), связанное с выходным отверстием второго теплообменника, выходное отверстие для пара для выпуска пара сырого гелия (48) и выходное отверстие для жидкости для выпуска третьей жидкости (46); и генератор синтез-газа (80), имеющий входное отверстие (27, 26; 45, 49, 50) для текучей среды, связанное с метаном из, по меньшей мере, одного выходного отверстия для пара второго устройства для разделения.
17. Устройство по п.16, дополнительно содержащее третье устройство снижения давления (31), имеющее вход для текучей среды, связанный с выходом второго устройства для разделения (23), и выход; и четвертое устройство для разделения (33), имеющее входное отверстие (29, 31, 32) для текучей среды, связанное с выходным отверстием третьего устройства снижения давления (31), выходное отверстие для пара для выпуска третьего пара (37) и выходное отверстие для жидкости для выпуска четвертой жидкости (39), указанное выходное отверстие для жидкости для выпуска четвертой жидкости связано текучей средой (39, 24) с первым входным отверстием или вторым входным отверстием указанного резервуара для хранения сжиженного природного газа.
18. Устройство по п.17, в котором указанное выходное отверстие для пара для выпуска третьего пара связано с текучей средой (46, 45, 49, 50, 26) с входным отверстием указанного генератора синтез-газа.
19. Устройство по любому одному из пп.16-18, дополнительно содержащее устройство для очистки гелия (70), имеющее входное отверстие, связанное текучей средой (48, 12) с выходным отверстием для пара для выпуска пара сырого гелия.
РИСУНКИ
|
|