|
(21), (22) Заявка: 2007133835/11, 10.09.2007
(24) Дата начала отсчета срока действия патента:
10.09.2007
(46) Опубликовано: 27.03.2009
(56) Список документов, цитированных в отчете о поиске:
RU 2053138 C1, 27.01.1996. RU2177882 C2, 10.01.2002. JP 52148770 B1, 10.12.1977.
Адрес для переписки:
625000, г.Тюмень, ул. Володарского, 38, ТюмГНГУ, патентно-информационный отдел
|
(72) Автор(ы):
Некрасов Владимир Иванович (RU)
(73) Патентообладатель(и):
Государственное образовательное учреждение высшего профессионального образования “Тюменский государственный нефтегазовый университет” (RU)
|
(54) ШЕСТНАДЦАТИСТУПЕНЧАТАЯ ВАЛЬНОПЛАНЕТАРНАЯ КОРОБКА ПЕРЕДАЧ
(57) Реферат:
Изобретение относится к транспортному машиностроению, в частности к трансмиссии транспортных средств. Муфта переключения и зубчатый венец с внутренним и наружным зацеплениями, управляемые одним ползуном, обеспечивают работу планетарного механизма в трех режимах. Первый режим – прямая передача, второй режим – редуктор с максимальным передаточным числом при остановленном эпициклическом колесе и третий режим – редуктор с обратным направлением вращения выходного вала при остановленном водиле. Достигается улучшение эксплуатационных возможностей транспортного средства за счет увеличения числа передач переднего хода и повышение КПД. 2 ил.
Изобретение относится к транспортному машиностроению, в частности к трансмиссии транспортных машин.
Известны агрегаты трансмиссии со ступенчатым изменением передаточных чисел, содержащие шестерни, валы, опоры, устройства переключения передач, применяемые на отечественных и зарубежных автомобилях (автомобили: Конструкция, конструирование и расчет. Трансмиссия. / Под ред. А.И.Гришкевича. Мн.: Выш. шк., 1985. – 240 с.).
Эти агрегаты конструктивно сложны, металлоемки.
Наиболее близкой к предлагаемой коробке передач (КП) является КП по патенту RU 2053138 (Бюл. N 3 от 27.01.1996).
Коробка передач содержит корпус агрегата, в котором расположены трехвальный соосный редуктор с четырьмя парами взаимозацепленных шестерен внешнего зацепления, шестерни на первичном и вторичном валах редуктора установлены свободно, между ними расположены три муфты переключения передач, шестерни на промежуточном валу объединены в два блока, между этими блоками шестерен установлена еще одна муфта переключения, взаимосвязанная вилкой переключения с муфтой, расположенной на свободно установленной шестерне соосного вала, на выходе этого редуктора расположен простой трехзвенный планетарный механизм с водилом, сателлитами, солнечной шестерней и эпициклическим колесом, первичный, вторичный валы редуктора, выходной вал водила и выходной вал агрегата расположены соосно, корпус эпициклического колеса, выходной вал водила и выходной вал агрегата имеют рядом расположенные зубчатые венцы, на зубчатом венце выходного вала агрегата установлена муфта переключения.
Описанная КП проще типовых конструкций трансмиссионных агрегатов, приведенных в книге, обеспечивает достаточный диапазон передаточных чисел (отношение передаточных чисел низшей передачи к высшей), но имеет ограниченные эксплуатационные возможности при малых скоростях движения из-за большого интервала между первой и второй передачами, а также снижения кпд агрегата при работе планетарного механизма в суммирующем режиме, особенно при значительных передаточных числах (первая передача и задний ход).
Задача, на решение которой направлено заявляемое изобретение, заключается в расширении эксплуатационных возможностей транспортного средства.
Поставленная задача решается за счет увеличения числа передач как переднего хода с четырнадцати до шестнадцати, так и заднего хода с одной передачи до восьми, равномерного распределения передач по диапазону, исключения работы планетарного механизма в суммирующем режиме с низким КПД.
Указанный технический результат достигается тем, что шестнадцатиступенчатая вальнопланетарная коробка передач содержит корпус, в котором на параллельных валах свободно установлены четыре пары зацепленных шестерен внешнего зацепления, шестерни на промежуточном валу объединены в два блока, между парами шестерен расположены муфты переключения передач, средняя муфта сдвоенная, состоящая из двух противоположноразвернутых односторонних муфт переключения, установленных на шестернях и взаимосвязанных вилкой переключения, на выходе вала закреплена солнечная шестерня простого трехзвенного планетарного механизма, корпус эпициклического колеса, вал водила и выходной вал имеют рядом расположенные зубчатые венцы, на зубчатом венце выходного вала установлена трехпозиционная муфта переключения, солнечная шестерня закреплена на вторичном валу, соосном первичному валу, корпус эпициклического колеса трубчатым валом соединен с зубчатым венцом, зубчатый венец вала водила двухпозиционный, муфта переключения на зубчатом венце выходного вала имеет три внутренних зубчатых венца, на ползуне муфты переключения жестко закреплен зубчатый венец с внутренним и внешним зацеплениями, внешнее зацепление которого связано с трехпозиционным зубчатым венцом корпуса агрегата, расположенным напротив зубчатых венцов водила и корпуса эпициклического колеса.
Планетарный механизм (ПМ) коробки передач прототипа обеспечивает два режима работы: один, при котором крутящий момент поступает на два звена: солнечную шестерню и водило, а снимался с третьего звена – эпициклическое колесо; и второй, при котором два звена ПМ замыкаются между собой, ПМ блокируется и работает с передаточным числом U(bh)=1. Число передач агрегата равно удвоенному числу передач соосного редуктора минус одна – пятнадцать передач: четырнадцать передач переднего хода и одна – заднего хода. Распределение передач по диапазону неоптимально – интервалы между передачами увеличиваются в зоне низших передач, при больших передаточных числах резко снижается КПД агрегата. Возможен вариант подбора скоростей вращения ведущих звеньев, при котором выходное звено будет неподвижным – т.е. КПД КП в таком случае равен нулю.
Предлагаемое техническое решение позволяет реализовать три режима работы ПМ: Ub ah=К+1; U(bh)=1; Uh ab=-К. Число передач агрегата равно утроенному числу передач соосного редуктора – 24 передачи: 16 передач переднего хода и 8 передач заднего хода. Распределение передач по диапазону оптимально – обеспечиваются равные интервалы между передачами, исключены передачи в суммирующем режиме работы ПМ с низким КПД.
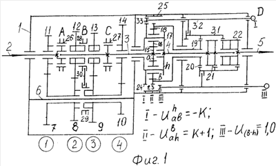
На фиг.1 изображена кинематическая схема КП, в нижней части приведены обозначения пар шестерен (1-4); на фиг.2 – лучевая диаграмма и таблицы положения муфт переключения на различных передачах переднего хода.
На осях лучевой диаграммы нанесены шкалы логарифма величины передаточных чисел. Верхняя шкала соответствует выходному валу на передачах переднего хода (16-1), нижняя шкала в правой части – передачи заднего хода (8R-1R), в левой части – на промежуточном валу. Точка 0 на средней горизонтали слева соответствует первичному валу, остальные точки – вторичному валу. Вертикальный луч соответствует передаточному числу, равному единице. Наклон луча направо указывает на замедляющий режим работы: чем больше наклон луча, тем выше величина передаточного числа. Наклон луча налево (см. фиг.2. слева внизу, лучи 2 и 3) характеризует работу зубчатой пары в ускоряющем режиме. В логарифмическом масштабе наклон луча постоянный на любом участке лучевой диаграммы. Лучи пар шестерен внешнего зацепления обозначены 1, 2, 3 и 4, а лучи, характеризующие режимы работы планетарного механизма, – U=1,0; Ub ah=K+1 и Uh ab – K.
В опорах корпуса агрегата 1 соосно расположены первичный вал 2, вторичный вал 3, вал водила 4 и выходной вал 5. Параллельно им установлен промежуточный вал (ось) 6, на котором расположены два блока шестерен внешнего зацепления 7, 8 и 9, 10. Эти шестерни взаимозацеплены соответственно с шестернями внешнего зацепления 11, 12, 13 и 14, свободно установленными на первичном 2 и вторичном 3 валах. На вторичном валу 3 закреплена солнечная шестерня 15, которая зацеплена с сателлитами 16, установленными на осях водила 17 и зацепленными с эпициклическим колесом 18.Трубчатым валом 19 корпус эпициклического колеса 18 соединен с зубчатым венцом 20. На валу водила 4 рядом с зубчатым венцом 20 закреплен двухпозиционный зубчатый венец 21. На выходном валу 5 рядом с зубчатыми венцами 20 и 21 закреплен трехпозиционный зубчатый венец 22. На корпусе эпициклического колеса 18 расположен зубчатый венец 23. На водиле 17 рядом с зубчатым венцом 23 расположен зубчатый венец 24. Трехпозиционный зубчатый венец 25 закреплен на внутренней стенке корпуса агрегата 1 напротив зубчатых венцов 23 и 24. Муфты переключения 26 (А) и 27 (С) установлены соответственно между шестернями 11-12 и 13-14. Муфта переключения В состоит из двух противоположно развернутых односторонних муфт 28 и 29. Односторонняя муфта 28 установлена на шестерне 12, противоположно развернутая односторонняя муфта 29 установлена на шестерне 9 и взаимосвязана вилкой переключения 30 с муфтой 28. Трехпозиционная муфта 31 (D) с тремя внутренними зубчатыми венцами расположена на зубчатом венце 22 выходного вала 5. Ползун 32 подвижно соединен с муфтой переключения 31, на ползуне закреплен зубчатый венец 33 с внутренним и внешним зацеплениями, наружное зацепление установлено на зубчатом венце 25 корпуса 1.
Вместо промежуточного вала 6 при малом межосевом расстоянии до валов 2 и 3 возможна установка оси с расположенными на ней двумя блоками шестерен: 7-8 и 9-10. Возможна установка муфты 28 на шестерне 13, а муфты 29 на шестерне 8.
Работа КП осуществляется следующим образом.
Нейтральное состояние (КП не работает) обеспечивается установкой муфты А (26) в среднее, нейтральное, положение, при котором крутящий момент от первичного вала 2 не передается на рядом расположенные шестерни 11 или 12.
Первая передача
Муфта переключения А (26) находится в левом положении (Л) – (см. фиг.2 таблица вверху справа), муфты переключения В (28 и 29) и С (27) – в правом положении (П), муфта переключения D (31) – в среднем положении (II – Ub ah=К+1). В этом случае муфта А соединяет шестерню 11 с первичным валом 2, муфта В: (28) – соединяет шестерни 12 и 13, (29) – разобщает шестерни 8 и 9 блоков шестерен промежуточного вала (оси) 6, муфта С (27) соединяет шестерню 14 с вторичным валом 3, ползун 32 зубчатым венцом 33 соединяет зубчатый венец 25 корпуса 1 с зубчатым венцом 23 и останавливает эпициклическое колесо 18 (b) относительно корпуса агрегата 1, а муфта D (31) соединяет зубчатый венец 21 вала водила 4 с зубчатым венцом 22 выходного вала 5. Планетарный механизм (ПМ) находится в режиме с передаточным числом Ub ah=К+1. Верхний символ указывает на остановленное звено – b, нижние символы – на звенья входа (а – солнечная шестерня) и выхода (h – водило) крутящего момента, К – внутренний параметр ПМ, равный отношению чисел зубьев эпициклического колеса и солнечной шестерен – для приведенного на лучевой диаграмме варианта исполнения ПМ он равен 3,6; а передаточное число ПМ равно 4,6.
Крутящий момент от первичного вала 2 муфтой переключения А передается на шестерню 11, от нее на шестерню 7 (пара шестерен 1), далее по трубчатому валу блока на пару шестерен 8-12 (2 пара), по муфте 28 на пару шестерен 13-9 (3 пара), по трубчатому валу блока на пару шестерен 10-14 (пара шестерен 4). От шестерни 14 муфтой переключения С (27) крутящий момент передается на вторичный вал 3 и солнечную шестерню 15. Солнечная шестерня 15 вращает сателлиты 16, которые, обкатываясь по остановленному эпициклическому колесу 18, передают увеличенный крутящий момент на водило 17, вал водила 4, зубчатый венец 21, муфту переключения D (31), зубчатый венец 22 и выходной вал 5.
На лучевой диаграмме этой передаче соответствуют пять последовательно соединенных лучей: из т.0 на средней шкале слева (см. фиг.2) луч 1 направо вниз, затем луч 2 направо вверх, луч 3 направо вниз, луч 4 направо вверх и далее пологий луч Ub ah к т.1 справа на верхней шкале.
Вторая передача
Перемещаем муфту В в левое положение – муфта 29 соединяет шестерни 8 и 9, муфта 28 разъединяет шестерни 12 и 13, при этом выключаются из работы пары шестерен 2 и 3.
Крутящий момент от первичного вала 2 передается муфтой А на шестерню 11, далее на шестерню 7 (1 пара), по трубчатому валу на шестерню 8, по муфте 29 на шестерню 9, далее по трубчатому валу на шестерни 10-14 (4 пара), затем как на предыдущей передаче.
На лучевой диаграмме этой передаче соответствуют три луча: 1 – направо вниз, 4 – направо вверх и Ub ah – также направо вверх к т.2.
Третья передача
Переключаем муфты А и В из левого положения в правое – муфта 26 (А) соединяет первичный вал 2 с шестерней 12 и муфтой В (28) соединяет шестерни 12 и 13 вторичного вала 3, при этом выключаются из работы пары шестерен 1 и 2.
От первичного вала крутящий момент муфтой А передается на шестерню 12, далее по муфте 28, по паре шестерен 13-9 (3 пара), по трубчатому валу и по паре шестерен 10-14 (4 пара), по муфте С на вторичный вал 3, затем, как на предыдущих передачах.
На лучевой диаграмме этой передаче соответствуют лучи 3, 4 и Ub ah, направленные от т.0 к т.3.
Четвертая передача
Перемещаем муфту В в левое положение – заменяем пару шестерен 3 на 2.
Крутящий момент от первичного вала 2 передается муфтой А на шестерни 12-8 (2 пара) в ускоряющем режиме, далее муфтой 29 на шестерню 9, по трубчатому валу на пару шестерен 10-14 (4 пара) и по муфте С (27) на вторичный вал 3, затем, как на предыдущих передачах.
На лучевой диаграмме этой передаче соответствует три луча: 2, 4 и Ub ah, направленные из т.0 к т.4.
Пятая передача
Переключаем муфты А и С из правого положения в левое, а муфту В из левого в правое. Муфты А и В возвращаются в состояние первой передачи. Муфта С (27) выходит из зацепления с шестерней 14 и соединяется с шестерней 13 – выключает из работы пару шестерен 4 и включает пару шестерен 3.
Крутящий момент от первичного вала муфтой А передается на пару шестерен 11-7 (1 пара), по трубчатому валу на пару шестерен 8-12 (2 пара) и муфте 28 на шестерню 13, по муфте С на вторичный вал 3 и далее, как на предыдущих передачах.
Три луча: 1, 2 и Ub ah от т.0 к т.5 представляют эту передачу.
Шестая передача
Переключаем муфту В в левое положение – заменяем пару шестерен 2 на пару шестерен 3.
До шестерни 7 крутящий момент передается, как на предыдущей передаче, муфтой 29 на пару шестерен 9-13 (3 пара) в ускоряющем режиме, и далее, как на предыдущей передаче.
Лучи 1, 3 и Ub ah от т.0 до т.6 соответствуют этой передаче.
Седьмая передача
Переключаем муфты А и В в правое положение – пары шестерен соосного редуктора выключены из работы.
Крутящий момент муфтой А передается от первичного вала 3 по шестерне 12, по муфте 28 на шестерню 13 и далее, как на предыдущих передачах.
Луч Ub ah от т.0 к т.7 соответствует этой передаче.
Восьмая передача
Переключаем муфту В в левое положение – включаем в работу пары шестерен 2 и 3 в ускоряющем режиме.
Крутящий момент от первичного вала 2 передается муфтой А на шестерни 12-8 (2 пара), муфтой 29 на шестерни 9-13 (3 пара), на муфту С и вторичный вал 3, далее, как на предыдущих передачах.
На лучевой диаграмме эта передача представлена лучами 2, 3 и Ub ah из т.0 к т.8.
Девятая передача
Муфты А, В и С возвращаем в положение первой передачи, а муфту 31 и зубчатый венец 33 ползуном 32 перемещаем в правое положение III – U=1,0 (см. фиг.1 справа внизу). Зубчатый венец 33 выходит из соединения с зубчатыми венцами 23 и 24 эпициклического колеса 18 и водила 17. Муфта 31 левым венцом соединяет зубчатый венец 20 эпициклического колеса 18 через средний венец с зубчатым венцом водила 21. При фиксированном соединении относительно друг друга двух звеньев ПМ он блокируется – все три звена вращаются с одинаковой частотой. Это состояние ПМ на лучевой диаграмме представлено вертикальными лучами – U=1,0.
Крутящий момент до ПМ передается, как на первой передаче, затем напрямую по ПМ и далее зубчатыми венцами 20 и 21, муфтой переключения 31 на зубчатый венец 22 и выходной вал 5.
На лучевой диаграмме эта передача представлена пятью лучами: четыре первых луча 1, 2, 3 и 4 соответствуют первой передаче, а пятый луч U=1,0 направлен вертикально вверх к т.9.
Десятая передача
Переключаем муфту В в левое положение – муфты находятся в состоянии второй передачи.
Крутящий момент до ПМ передается, как на второй передаче, а далее, как на предыдущей.
На лучевой диаграмме этой передаче соответствуют лучи 1, 4 и U=1,0.
Одиннадцатая передача
Перемещаем муфты А и В направо – в положение третьей передачи.
До ПМ крутящий момент передается, как на третьей передаче, далее, как на двух последних передачах.
На лучевой диаграмме луч 3 с наклоном направо вниз, луч 4 – направо вверх и луч U=1,0 вертикально вверх характеризуют эту передачу.
Двенадцатая передача
Переключаем муфту В в левое положение, все три муфты соответствуют четвертой передаче.
До ПМ крутящий момент передается, как на четвертой передаче, далее, как на предыдущих передачах.
На лучевой диаграмме лучи 2, 4 и U=1,0 представляют эту передачу.
Тринадцатая передача
Перемещаем муфты А и С влево, а муфты В направо – в положение пятой передачи.
До ПМ крутящий момент передается, как на пятой передаче, далее, как на предыдущих передачах.
Лучи 1, 2 и U=1,0 характеризуют эту передачу.
Четырнадцатая передача
Переключаем муфту В влево.
До ПМ крутящий момент передается, как на шестой передаче, далее, как на предыдущих передачах.
Лучи 1, 3 и U=1,0 соответствуют этой передаче.
Пятнадцатая передача – прямая
Переключаем муфты А и В направо.
Крутящий момент до ПМ передается, как на седьмой передаче, далее, как на предыдущих передачах.
Луч U=1,0 представляет эту передачу.
Шестнадцатая передача – ускоряющая
Передвигаем муфту В влево.
До ПМ крутящий момент передается, как на восьмой передаче, затем, как на последних передачах.
На лучевой диаграмме эта передача представлена лучами 2 и 3, а также вертикальным лучом U=1,0 от т.О к т.16.
Передачи заднего хода обеспечиваются ПМ при переключении муфты 31, ползуна 32 и зубчатого венца 33 в положение I – Uh ab=-К (см. фиг.1 справа вверху) – при этом зубчатый венец 33 ползуна 32 соединяет зубчатый венец 24 водила 17 с зубчатым венцом 25 корпуса 1 и останавливает водило, муфта 31 средним зубчатым венцом соединяет зубчатый венец 20 эпициклического колеса 18, а правым зубчатым венцом с зубчатым венцом 22 выходного вала 5. ПМ работает в режиме Uh ab=-К, солнечная шестерня 15 сателлитами 16, установленными на осях остановленного водила 17, медленно вращает эпициклическое колесо 18 в противоположном направлении.
Первый задний ход – 1R
Устанавливаем муфты А, В и С в положение первой передачи для движения вперед, а муфту 31 – в положение I.
До ПМ крутящий момент передается, как на первой и девятой передачах переднего хода, далее от солнечной шестерни 15 сателлитами 16 на эпициклическое колесо 18, затем по трубчатому валу 19, зубчатому венцу 20, муфте 31, зубчатому венцу 22 на выходной вал 5.
На лучевой диаграмме эта передача заднего хода представлена пятью лучами: 1, 2, 3, 4 и Uh ab=-К от т.0 к т.1 R.
Второй задний ход – 2R
Переключаем муфту В в левое положение.
Крутящий момент до ПМ передается, как на второй и десятой передачах переднего хода, затем, как на предыдущей передаче.
На лучевой диаграмме этой передаче соответствуют три луча: 1, 4 и Uh ab=-К.
Третий задний ход – 3R
Переключаем муфты А и В в правое положение. До ПМ крутящий момент поступает, как на третьей и одиннадцатой передачах переднего хода, далее, как на двух последних передачах.
На лучевой диаграмме три луча 3, 4 и Uh ab=-К характеризуют эту передачу.
Четвертый задний ход – 4R
Перемещаем муфту В в левое положение.
До ПМ крутящий момент передается, как на четвертой и двенадцатой передачах переднего хода, затем, как на последних передачах.
Лучи 2, 4 и пологий луч Uh ab=-К от т.0 до т.4R представляют эту передачу.
Пятый задний ход – 5R
Изменяем положения всех трех муфт.
Крутящий момент до ПМ передается, как на пятой и тринадцатой передачах переднего хода и далее, как на предыдущих передачах.
Лучи 1, 2 и Uh ab=-К соответствуют этой передаче.
Шестой задний ход – 6R
Переключаем муфту В в левое положение.
Крутящий момент до ПМ передается, как на шестой и четырнадцатой передачах переднего хода, далее, как на предыдущих передачах.
Лучи 1, 3 и Uh ab=-К соответствуют этой передаче.
Седьмой задний ход – 7R
Переключаем муфты А и В направо.
До ПМ крутящий момент передается, как на седьмой и пятнадцатой передачах переднего хода, затем, как на последних передачах.
Луч Uh ab=-К соответствует этой передаче.
Восьмой задний ход – 8R
Перемещаем муфту В в левое положение.
Крутящий момент передается до ПМ, как на восьмой и шестнадцатой передачах переднего хода, далее, как на предыдущих передачах.
На лучевой диаграмме лучи 2, 3 и Uh ab=-К соответствуют этой передаче.
При изменении параметров шестерен внешнего зацепления и ПМ распределение передач и наклон лучей тоже изменятся.
Положительный эффект выражается в расширении эксплуатационных возможностей транспортного средства за счет увеличения числа передач переднего хода с четырнадцати до шестнадцати и передач заднего хода с одной до восьми при удобном четырехходовом переключении передач и в повышении КПД при исключении суммирующего режима работы ПМ.
Формула изобретения
Шестнадцатиступенчатая вальнопланетарная коробка передач, содержащая корпус, в котором на параллельных валах свободно установлены четыре пары зацепленных шестерен внешнего зацепления, шестерни на промежуточном валу объединены в два блока, между парами шестерен расположены муфты переключения передач, средняя муфта сдвоенная, состоящая из двух противоположно развернутых односторонних муфт переключения, установленных на шестернях и взаимосвязанных вилкой переключения, на выходе вала закреплена солнечная шестерня простого трехзвенного планетарного механизма, корпус эпициклического колеса, вал водила и выходной вал имеют рядом расположенные зубчатые венцы, на зубчатом венце выходного вала установлена трехпозиционная муфта переключения, отличающаяся тем, что солнечная шестерня закреплена на вторичном валу, соосном первичному валу, корпус эпициклического колеса трубчатым валом соединен с зубчатым венцом, зубчатый венец вала водила двухпозиционный, муфта переключения на зубчатом венце выходного вала имеет три внутренних зубчатых венца, на ползуне муфты переключения жестко закреплен зубчатый венец с внутренним и внешним зацеплениями, внешнее зацепление которого связано с трехпозиционным зубчатым венцом корпуса агрегата, расположенным напротив зубчатых венцов водила и корпуса эпициклического колеса.
РИСУНКИ
|