|
| На основании пункта 1 статьи 1366 части четвертой Гражданского кодекса Российской Федерации патентообладатель обязуется заключить договор об отчуждении патента на условиях, соответствующих установившейся практике, с любым гражданином Российской Федерации или российским юридическим лицом, кто первым изъявил такое желание и уведомил об этом патентообладателя и федеральный орган исполнительной власти по интеллектуальной собственности. |
|
(21), (22) Заявка: 2007133353/02, 05.09.2007
(24) Дата начала отсчета срока действия патента:
05.09.2007
(46) Опубликовано: 27.03.2009
(56) Список документов, цитированных в отчете о поиске:
WO 2005/102574 A1, 03.11.2005. SU 1060322 A, 15.12.1983. SU 1715511 A1, 29.02.1992. RU 2201317 C2, 27.03.2003.
Адрес для переписки:
129366, Москва, до востребования, Н.А. Корюкиной
|
(72) Автор(ы):
Корюкина Нина Алексеевна (RU)
(73) Патентообладатель(и):
Корюкина Нина Алексеевна (RU)
|
(54) ТАНГЕНЦИАЛЬНАЯ РЕЖУЩАЯ ПЛАСТИНА
(57) Реферат:
Режущая пластина имеет форму прямой призмы с основаниями в виде квадратов и боковыми гранями в виде прямоугольников, углы граней которой скруглены радиусными поверхностями, оси которых расположены параллельно основаниям. Для расширения технологических возможностей на смежных вершинах призмы, ограничивающих одно ее ребро, оси указанных радиусных поверхностей расположены перпендикулярно друг другу. 4 ил.
Изобретение относится к области обработки материалов резанием, сборному режущему инструменту, оснащенному многогранными режущими пластинами.
Известна режущая пластина в форме прямой призмы с основаниями в виде квадратов и боковыми гранями в виде прямоугольников, углы граней которой скруглены радиусными поверхностями, оси которых расположены параллельно основаниям (см. WO 2005/102574, В23С 5/22, 2005).
Технологические возможности известной режущей пластины ограничены тем, что соотношение ее линейных размеров не подходит для изготовления стандартных режущих пластин с диаметрами вписанной окружности 9,525; 12,7; 15,875 мм, имеющих толщину 4,76 мм, кроме того, она не предназначена для обработки прямоугольных уступов на заготовке.
Задачей изобретения является расширение технологических возможностей режущих пластин указанных размеров посредством увеличения эффективности использования износостойкого инструментального материала (твердые сплавы, например Т15К6, Т30К4, карбидно-оксидная и оксидная керамика) и обеспечения возможности обработки прямоугольных уступов на заготовке.
Поставленная задача решается тем, что в режущей пластине в форме прямой призмы с основаниями в виде квадратов и боковыми гранями в виде прямоугольников, углы граней которой скруглены радиусными поверхностями, оси которых расположены параллельно основаниям, согласно изобретению на смежных вершинах призмы, ограничивающих одно ее ребро, оси указанных радиусных поверхностей расположены перпендикулярно друг другу.
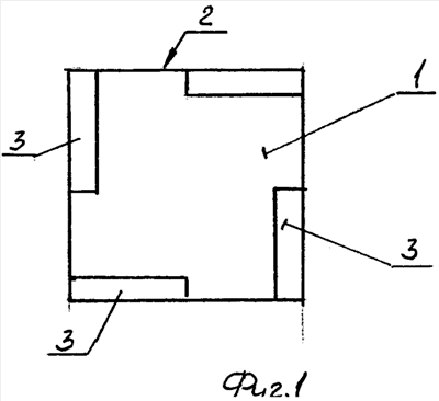
Предложенная режущая пластина представлена на фиг.1-4, на которых:
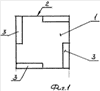
на фиг.1 представлен вид на основание режущей пластины;
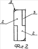
на фиг.2 представлен вид слева на фиг.1;
на фиг.3 представлен вид снизу на фиг.1;
на фиг.4 представлен вид сверху на сборный режущий инструмент с закрепленной на нем режущей пластиной при обработке прямоугольного уступа.
Режущая пластина имеет форму прямой призмы с основаниями 1 в виде квадратов и боковыми гранями 2 в виде прямоугольников. Углы граней скруглены радиусными поверхностями 3, оси которых расположены параллельно основаниям 1. На смежных вершинах призмы, ограничивающих одно ее ребро, оси указанных радиусных поверхностей 3 расположены перпендикулярно друг другу.
Большие грани призмы используются в качестве главных режущих кромок, а меньшие – в качестве вспомогательных режущих кромок. Длина радиусной поверхности вдоль большего ребра составляет примерно его половину. При этом перед радиусной поверхностью образуется ступенька (см. фиг.2, 3), величина которой зависит от размера радиусной поверхности, составляющего для указанных размеров пластин от 0,4 до 1,6 мм, и равна соответственно от 0,2 до 0,6 мм. При установке режущей пластины в гнезде сборного режущего инструмента указанная ступенька заходит внутрь контура, образуемого режущими кромками пластины, и не препятствует обработке заготовки.
Сборный режущий инструмент, оснащенный предложенной режущей пластиной (см. фиг.4), содержит корпус (державку) 4, в гнезде которого с помощью прихвата 5 закреплена режущая пластина 6, установленная с возможностью обработки прямого уступа на заготовке 7.
В сборном режущем инструменте на фиг.4 установлена предложенная режущая пластина без отверстия. В общем случае она может иметь сквозное отверстие для закрепления на корпусе 4, например, с помощью винта.
Расположение осей радиусных поверхностей на смежных вершинах призмы, ограничивающих одно ее ребро, перпендикулярно друг другу обеспечивает взаимную компенсацию напряженных состояний, возникающих на смежных вершинах, расположенных вдоль короткого ребра призмы, что повышает усталостную прочность режущей пластины. Кроме того, нерабочая радиусная поверхность 3 значительно уменьшает длину вспомогательной режущей кромки 8 (см. фиг.4), что позволяет использовать предложенную пластину для обработки прямоугольных уступов.
Формула изобретения
Режущая пластина, имеющая форму прямой призмы с основаниями в виде квадратов и боковыми гранями в виде прямоугольников, углы граней которой скруглены радиусными поверхностями, оси которых расположены параллельно основаниям, отличающаяся тем, что на смежных вершинах призмы, ограничивающих одно ее ребро, оси указанных радиусных поверхностей расположены перпендикулярно друг к другу.
РИСУНКИ
|
|