|
| На основании пункта 1 статьи 1366 части четвертой Гражданского кодекса Российской Федерации патентообладатель обязуется заключить договор об отчуждении патента на условиях, соответствующих установившейся практике, с любым гражданином Российской Федерации или российским юридическим лицом, кто первым изъявил такое желание и уведомил об этом патентообладателя и федеральный орган исполнительной власти по интеллектуальной собственности. |
|
(21), (22) Заявка: 2007133347/02, 05.09.2007
(24) Дата начала отсчета срока действия патента:
05.09.2007
(46) Опубликовано: 27.03.2009
(56) Список документов, цитированных в отчете о поиске:
FR 2066175 А, 06.08.1971. SU 1602614 A1, 30.10.1990. SU 1611583 A1, 07.12.1990. SU 1715511 A1, 29.02.1992. RU 2201317 C2, 27.03.2003.
Адрес для переписки:
129366, Москва, до востребования, Н.А. Корюкиной
|
(72) Автор(ы):
Корюкина Нина Алексеевна (RU)
(73) Патентообладатель(и):
Корюкина Нина Алексеевна (RU)
|
(54) РЕЖУЩАЯ ПЛАСТИНА И СБОРНЫЙ РЕЖУЩИЙ ИНСТРУМЕНТ
(57) Реферат:
Режущая пластина имеет форму прямой призмы, основания которой выполнены в виде квадратов, а боковые грани – в виде прямоугольников, четыре угла одного из квадратных оснований скруглены радиусными поверхностями, оси которых расположены перпендикулярно к этому основанию. Для расширения технологических возможностей вершины другого квадратного основания скруглены радиусными поверхностями, оси которых расположены параллельно к нему. Сборный режущий инструмент содержит державку, в гнезде которой, ограниченном основанием и боковыми опорными стенками, закреплена режущая пластина, установленная на опорной пластине, закрепляемой винтом, проходящим через ее центральное отверстие и взаимодействующим с резьбовым отверстием на основании гнезда. Для достижения того же технического результата по крайней мере на одной боковой опорной стенке гнезда выполнено дополнительное резьбовое отверстие для взаимодействии с упомянутым винтом, а сумма толщин режущей и опорной пластин выполнена равной длине ребра квадратного основания режущей пластины. 2 н. и 2 з.п. ф-лы, 11 ил.
Изобретение относится к области обработки материалов резанием, сборному режущему инструменту с механическим креплением многогранных режущих пластин, предназначенному в основном для обработки наружных цилиндрических поверхностей.
Известна режущая пластина в форме прямой призмы, основания которой выполнены в виде квадратов, а боковые грани – в виде прямоугольников, четыре угла одного из квадратных оснований скруглены радиусными поверхностями, оси которых расположены перпендикулярно к этому основанию (см. патент Франции 2066175, В23В 27/16, 1971) [1].
Известен сборный режущий инструмент, содержащий державку, в гнезде которой, ограниченном основанием и боковыми опорными стенками, закреплена режущая пластина, установленная на опорной пластине, закрепляемой винтом, проходящим через ее центральное отверстие и взаимодействующим с резьбовым отверстием на основании гнезда, режущая пластина имеет форму прямой призмы, основания которой выполнены в виде квадратов, а боковые грани – в виде прямоугольников, четыре угла одного из квадратных оснований скруглены радиусными поверхностями, оси которых расположены перпендикулярно к этому основанию (см. [1]).
Технологические возможности известных режущей пластины и сборного режущего инструмента ограничены тем, что они предназначены в основном для чистовой или получистовой обработки, при этом режущая пластина может быть установлена в гнезде корпуса сборного режущего инструмента только по передней поверхности и является односторонней.
Задача изобретения состоит в расширении технологических возможностей режущей пластины в основном с диаметром вписанной окружности 9,525; 12,7; 15,875 мм и сборного режущего инструмента, оснащенного этой режущей пластиной, за счет придания им наряду с чистовой и получистовой обработкой возможности получерновой обработки посредством размещения режущей пластины в гнезде державки сборного режущего инструмента как по передней, так и по задней грани (тангенциально) и выполнения режущей пластины двухсторонней.
Пластины указанных размеров имеют стандартную толщину 4,76 мм, что не позволяет использовать их в качестве двухсторонних тангенциальных пластин ввиду увеличения вероятности усталостного разрушения при переходе с одной стороны на другую. Таким образом, достигаемый технический результат заключается также в увеличении эффективности использования материала режущей пластины, особенно для режущих пластин, изготовленных из износостойких твердых сплавов, например Т15К6, Т30К4 и др., карбидно-оксидной и оксидной керамики.
Поставленная задача для режущей пластины решается тем, что она имеет форму прямой призмы, основания которой выполнены в виде квадратов, а боковые грани – в виде прямоугольников, четыре угла одного из квадратных оснований скруглены радиусными поверхностями, оси которых расположены перпендикулярно к этому основанию, при этом вершины другого квадратного основания скруглены радиусными поверхностями, оси которых расположены параллельно к нему.
Для расширения технологических возможностей в смежных углах оси радиусных поверхностей, параллельные квадратному основанию прямой призмы, могут совпадать или быть параллельны друг другу.
Для увеличения числа рабочих вершин в смежных углах оси радиусных поверхностей параллельные квадратному основанию прямой призмы расположены перпендикулярно друг к другу.
Поставленная задача для сборного режущего инструмента решается тем, что он содержит державку, в гнезде которой, ограниченном основанием и боковыми опорными стенками, закреплена режущая пластина, установленная на опорной пластине, закрепляемой винтом, проходящим через ее центральное отверстие и взаимодействующим с резьбовым отверстием на основании гнезда, режущая пластина имеет форму прямой призмы, основания которой выполнены в виде квадратов, а боковые грани – в виде прямоугольников, четыре угла одного из квадратных оснований скруглены радиусными поверхностями, оси которых расположены перпендикулярно к этому основанию, при этом вершины другого квадратного основания режущей пластины скруглены радиусными поверхностями, оси которых расположены параллельно к нему, при этом, по крайней мере, на одной боковой опорной стенке гнезда выполнено дополнительное резьбовое отверстие для взаимодействии с упомянутым винтом, а сумма толщин режущей и опорной пластин выполнена равной длине ребра квадратного основания режущей пластины.
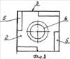
Предложенные режущая пластина и сборный режущий инструмент показаны на фиг.1-11, на которых:
на фиг.1 представлен вид сверху на режущую пластину, у которой в смежных углах оси радиусных поверхностей, параллельные квадратному основанию прямой призмы, совпадают или параллельны друг другу;
на фиг.2 представлен вид слева на фиг.1;
на фиг.3 представлен вид снизу на фиг.1;
на фиг.4 представлен вид А на фиг.3;
на фиг.5 представлен вид сверху на режущую пластину, у которой в смежных углах оси радиусных поверхностей, параллельные квадратному основанию прямой призмы, расположены перпендикулярно друг к другу;
на фиг.6 представлен вид слева на фиг.5;
на фиг.7 представлен вид снизу на фиг.5;
на фиг.8 представлен вид Б на фиг.7;
на фиг.9 представлен вид сверху на сборный режущий инструмент при установке режущей пластины по передней грани;
на фиг.10 представлено сечение В-В на фиг.9;
на фиг.11 представлен вид сверху на сборный режущий инструмент при установке режущей пластины по задней грани.
Режущая пластина имеет форму прямой призмы с основаниями 1, 2 в форме квадрата и боковыми гранями 3 в форме прямоугольника. При этом большая сторона прямоугольника равна стороне квадрата. Четыре угла одного из квадратных оснований 1 скруглены радиусными поверхностями 4, оси которых расположены перпендикулярно к этому основанию. При этом вершины другого квадратного основания скруглены радиусными поверхностями 5, оси которых расположены параллельно к нему. Между основаниями 1 и 2 расположено сквозное отверстие 6 для закрепления режущей пластины на сборном режущем инструменте.
На фиг.1-4 показан вариант, когда в смежных углах оси радиусных поверхностей параллельные квадратному основанию 2 прямой призмы совпадают или параллельны друг другу, что позволяет при обработке использовать поочередно две вершины для обточки поверху и подрезки торца.
На фиг.5-8 показан вариант, когда в смежных углах оси радиусных поверхностей параллельные квадратному основанию 2 прямой призмы расположены перпендикулярно друг к другу, что увеличивает количество рабочих вершин на основании 2 до четырех.
Сборный режущий инструмент (см. фиг.9-11) содержит державку 7, в гнезде которой ограниченном основанием 8 и боковыми опорными стенками 9 закреплена режущая пластина 10 по пп.1-3, установленная на опорной пластине 11, закрепляемой винтом 12, проходящим через ее центральное отверстие.
Для расширения технологических возможностей за счет установки режущей пластины 10 в гнезде державки 7 по крайней мере на одной боковой опорной стенке 9 гнезда выполнено дополнительное резьбовое отверстие для взаимодействии с упомянутым винтом 11, а сумма толщин режущей и опорной пластин h1 и h2 выполнена равной длине 1 ребра квадратного основания режущей пластины.
В предложенной режущей пластине на виде на основание 1 (см. фиг.1 и 5) над радиусной поверхностью образуется ступенька k, величина которой зависит от радиуса закругления, выбираемого для указанных выше размеров пластин (9,525; 12,7; 15,875) в диапазоне от 0,4 до 1,6 мм, и составляет примерно от 0,2 до 0,6 мм. При установке режущей пластины в гнезде державки для создания задних углов на режущих кромках она наклоняется и указанная ступенька уходит на виде сверху за контур режущих кромок пластины и не препятствует обработке.
Формула изобретения
1. Режущая пластина, имеющая форму прямой призмы, основания которой выполнены в виде квадратов, а боковые грани – в виде прямоугольников, четыре угла одного из квадратных оснований скруглены радиусными поверхностями, оси которых расположены перпендикулярно к этому основанию, отличающаяся тем, что вершины другого квадратного основания скруглены радиусными поверхностями, оси которых расположены параллельно к нему.
2. Режущая пластина по п.1, отличающаяся тем, что в смежных углах оси радиусных поверхностей, параллельные квадратному основанию прямой призмы, совпадают или параллельны друг другу.
3. Режущая пластина по п.1, отличающаяся тем, что в смежных углах оси радиусных поверхностей, параллельные квадратному основанию прямой призмы, расположены перпендикулярно друг к другу.
4. Сборный режущий инструмент, содержащий державку, в гнезде которой, ограниченном основанием и боковыми опорными стенками, закреплена режущая пластина, установленная на опорной пластине, закрепляемой винтом, проходящим через ее центральное отверстие и взаимодействующим с резьбовым отверстием на основании гнезда, режущая пластина имеет форму прямой призмы, основания которой выполнены в виде квадратов, а боковые грани – в виде прямоугольников, четыре угла одного из квадратных оснований скруглены радиусными поверхностями, оси которых расположены перпендикулярно к этому основанию, отличающийся тем, что вершины другого квадратного основания режущей пластины скруглены радиусными поверхностями, оси которых расположены параллельно к нему, при этом, по крайней мере, на одной боковой опорной стенке гнезда выполнено дополнительное резьбовое отверстие для взаимодействия с упомянутым винтом, а сумма толщин режущей и опорной пластин выполнена равной длине ребра квадратного основания режущей пластины.
РИСУНКИ
|
|