|
|
(21), (22) Заявка: 2006118161/12, 07.09.2004
(24) Дата начала отсчета срока действия патента:
07.09.2004
(30) Конвенционный приоритет:
05.11.2003 EP 03025219.1
(43) Дата публикации заявки: 20.12.2007
(46) Опубликовано: 27.03.2009
(56) Список документов, цитированных в отчете о поиске:
RU 2193442 С2, 27.11.2002. US 6361754 В1, 26.03.2002. US 6093380 А, 25.07.2000. SU 590005 А, 30.01.1978. RU 2040737 С1, 25.07.1995.
(85) Дата перевода заявки PCT на национальную фазу:
05.06.2006
(86) Заявка PCT:
EP 2004/009936 (07.09.2004)
(87) Публикация PCT:
WO 2005/049178 (02.06.2005)
Адрес для переписки:
107023, Москва, ул. Б.Семеновская, 49, оф.404, Фирма патентных поверенных ООО “ИННОТЭК”, пат.пов. О.В.Аргасову
|
(72) Автор(ы):
БРУНЕНГО Паоло (CH)
(73) Патентообладатель(и):
УРЕА КАЗАЛЕ С.А. (CH)
|
(54) СПОСОБ ОБРАБОТКИ ТОПОЧНОГО ГАЗА, ОБРАЗОВАННОГО ПРОДУКТАМИ СГОРАНИЯ
(57) Реферат:
Изобретение относится к способам очистки или кондиционирования топочного газа. Топочный газ, образованный продуктами сгорания, обрабатывают газообразным аммонием для уменьшения окислов азота. Газообразный аммоний генерируют по месту посредством реакции гидролиза водного раствора мочевины. Причем аммоний, генерируемый посредством гидролиза, накапливается в газообразном состоянии под давлением в накопителе. А давление, при котором накапливается газообразный аммоний, имеет значение между значением давления, при котором осуществляется реакция гидролиза, и значением давления, под которым его вводят в топочный газ. Таким образом, обеспечивается необходимое содержание аммония в зависимости от изменяющегося содержания окислов азота в кондиционируемом газе в конкретный момент времени. 6 з.п. ф-лы, 1 ил.
ОБЛАСТЬ ТЕХНИКИ, К КОТОРОЙ ОТНОСИТСЯ НАСТОЯЩЕЕ ИЗОБРЕТЕНИЕ
Настоящее изобретение в его самом общем аспекте относится к способу обработки (очистки) или кондиционирования топочного газа, образованного продуктами сгорания.
В частности, настоящее изобретение относится к способу уменьшения (удаления) окислов азота (NOх), представленных в топочном газе, образованном продуктами сгорания, путем их восстановления газообразным аммиаком (NH3).
Более конкретно, настоящее изобретение относится к способу вышеуказанного типа, где используемый газообразный аммоний генерируется по месту посредством гидролиза мочевины (NH2CONH2).
ПРЕДШЕСТВУЮЩИЙ УРОВЕНЬ ТЕХНИКИ
Как известно, на больших промышленных установках топочный газ, образованный продуктами сгорания, подвергают специальной очистке или кондиционированию для уменьшения загрязнения и его вредных выбросов в окружающую среду.
Из различных способов очистки также известно уменьшение или удаление окислов азота (NOx, где х – целое число, обычно равное 1 или 2), содержащихся в газе, путем восстановления указанных окислов газообразным аммонием (NH3).
Чтобы суметь быстро схватить газообразный аммоний, необходимый для способа этого типа, избегая опасностей, возникающих в процессе транспортировки и хранения аммония или его концентрированных растворов, предшествующий уровень техники обеспечивает способы уменьшения окислов аммония, в которых газообразный аммоний, используемый для такой цели, получают по месту, или другими словами в той же установке, где генерируется топочный газ, образованный продуктами сгорания, который содержит указанные окислы.
В таком способе газообразный аммоний генерируют посредством гидролиза водного раствора мочевины и затем удаляют из раствора горячим паром, например, как описано в патенте ЕР-А-1089804.
Однако предпочтительно, чтобы технология этого типа не имела недостатков, основным из которых является неспособность быстрого удовлетворения изменений в требовании газообразного аммония. Другими словами, величина содержания газообразного аммония в этот момент времени должна соответствовать содержанию газообразного аммония, необходимого в такой момент времени для полного восстановления окислов азота. То есть поскольку содержание окислов азота в кондиционируемом газе может изменяться во времени, должно меняться также содержание аммония.
Кроме того, например, кондиционируемый газ может поступать из многих мест сгорания в установке и содержать различные проценты разных возможных окислов азота с последующим различным требованием восстановительного газообразного аммония для каждого места, где имеет место генерирование топочного газа, образованного продуктами сгорания, то есть для каждого места, где такой газ очищается (кондиционируется).
СУЩНОСТЬ НАСТОЯЩЕГО ИЗОБРЕТЕНИЯ
Техническая проблема, лежащая в основе настоящего изобретения, заключается в разработке и обеспечении способа уменьшения окислов азота, содержащихся в топочном газе, образованном продуктами сгорания, путем очистки (обработки) газообразным аммонием, в котором указанный аммоний генерируется по месту посредством гидролиза водного раствора мочевины и имеет такие функциональные характеристики, чтобы указанные недостатки, связанные с предшествующим уровнем техники, полностью отсутствовали.
Такую проблему решают в соответствии с настоящим изобретением с помощью способа вышеописанного типа, отличающегося тем, что аммоний, генерируемый посредством указанного гидролиза, накапливается (собирается) в газообразном состоянии под давлением в накопителе (резервуаре).
Преимущества и особенности способа, соответствующего настоящему изобретению, станут более очевидными из описания его характерных вариантов осуществления, сделанного со ссылкой на сопроводительные чертежи, приведенные для иллюстрации, а не для ограничения настоящего изобретения.
КРАТКОЕ ОПИСАНИЕ ЧЕРТЕЖЕЙ
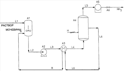
Чертеж – принципиальная схема способа кондиционирования, соответствующего настоящему изобретению.
ПОДРОБНОЕ ОПИСАНИЕ НАСТОЯЩЕГО ИЗОБРЕТЕНИЯ
Теперь со ссылкой на фиг.1 будет описан вариант осуществления способа уменьшения окислов азота, соответствующий настоящему изобретению.
В условиях работы (в условиях эксплуатации) концентрированный водный раствор (L1) мочевины, содержащий от 60 мас.% до 90 мас.% мочевины, а предпочтительно содержащий 80 мас.% мочевины, подают в смеситель (А1), где он разбавляется, как будет описано позднее в этой заявке, до концентрации, составляющей 10-70 мас.% мочевины, а предпочтительно до концентрации, равной 40 мас.% мочевины, для подачи к насосу (А2).
В указанном насосе (А2) к водному раствору (L2) мочевины, поступающему из смесителя (А1), прикладывают давление, величина которого находится в диапазоне 500-3000 кПа, а предпочтительно составляет 2500 кПа, то есть давление, равное рабочему давлению гидролиза, как станет более понятным из остального описания.
Находящийся под избыточным давлением раствор (L3) мочевины, поступающий из насоса (А2), затем подают в теплообменник (A3), где он нагревается до температуры, составляющей 100-240°С, так, как это описано в этой заявке ниже.
Горячий и находящийся под избыточным давлением раствор (L4), поступающий из теплообменника (A3), с содержанием мочевины, составляющим 40 мас.%, затем подают в гидролизатор (А4), который работает, например, под давлением, составляющим 2500 кПа, и при температуре 210°С.
Для достижения и поддержания такой температуры гидролизатор (А4) нагревают посредством косвенного теплообмена с помощью вспомогательного нагревающего агента (Н), подаваемого в гидролизатор, который, например, может быть водяным паром, маслом и подобными нагревающими агентами, или еще посредством электронагрева.
В указанном гидролизаторе (А4) происходит реакция гидролиза раствора (L4) мочевины, причем в течение протекания такой реакции 99,8% мочевины в водном растворе гидролизуется, генерируя в качестве продуктов гидролиза газообразный аммоний и диоксид углерода.
Указанные газообразные продукты гидролиза затем удаляют и отделяют от жидкой фазы посредством водяного пара, предпочтительно генерируемого путем испарения из водного раствора мочевины, как известно из предшествующего уровня техники, при этом предпочтительно, чтобы они удалялись так, как описано в Международной публикации WO 97/15388 самого заявителя, включенной в эту заявку в качестве ссылки, не говоря уже о том, что в этом примере удаляющее (очистительное) средство не вводится, а генерируется из самого водного раствора мочевины.
В соответствии с настоящим изобретением указанные газообразные продукты (L5) гидролиза, удаленные при подобном давлении гидролиза из водного раствора и поступающие из гидролизатора (А4), накапливаются под подобным давлением в накопителе (резервуаре) (А5).
Из указанного накопителя (А5) находящийся под давлением газообразный аммоний вводят в соответствии с потребностями через канал в клапане (А6) для регулировки давления (в редукционном клапане), в поток топочного газа, образованного продуктами сгорания, для кондиционирования, где в присутствии кислорода он восстанавливает окислы азота, содержащиеся в указанном газе, приводя к образованию азота и воды.
Во время реакции гидролиза также генерируется горячий водный раствор (L6) (гидролизный раствор), который содержит небольшой процент негидролизованной мочевины и небольшие количества газообразного аммония и диоксида углерода, оставшегося в растворе.
Указанный горячий водный раствор (L6), выходящий из гидролизатора (А4), предпочтительно подают в теплообменник (A3), в котором посредством теплообмена осуществляют вышеуказанный подогрев находящегося под избыточным давлением водного раствора (L3) мочевины и одновременное охлаждение указанного водного гидролизного раствора (L6).
Указанный водный гидролизный раствор предпочтительно используют в качестве водного рециркуляционного раствора (R), который подают в смеситель (А1), где он увеличивает величину давления смесителя (А1) и где он осуществляет разбавление концентрированного водного раствора (L1) мочевины, как описано выше.
Основное преимущество способа, соответствующего настоящему изобретению, заключается в возможности постоянно иметь переменное количество в зависимости от времени газообразного аммония, генерируемого по месту, благодаря его накоплению при избыточном давлении в накопителе (А5), обеспечивая в этом случае удовлетворение пиков потребления газообразного аммония.
На практике посредством накопителя (А5) можно менять в зависимости от времени (дозировать) введение газообразного аммония в газ, подлежащий кондиционированию, в соответствии с фактическим требованием аммония, необходимого для реакции восстановления окислов азота, причем это фактическое требование может быть непостоянным или в любом случае непостоянным в течение какого-либо периода времени, например, в связи с разными этапами работы установки, где генерируется указанный газ, подлежащий кондиционированию.
Другое преимущество способа, соответствующего настоящему изобретению, лежит в предоставлении возможности отведения газообразного аммония, генерируемого для многих пользователей, параллельно, например, для многих мест, где необходимо кондиционировать указанный газ, даже в том случае, если они потребуют независимо друг от друга переменное количество газообразного аммония, то это может быть осуществлено благодаря накоплению при избыточном давлении самого аммония в накопителе (А5), который, образуя резерв газообразного аммония, гарантирует его доступность в отношении фактического требования.
Кроме того, следует указать на то, что сказанное выше сделано возможным определенно в силу накоплении аммония под избыточным давлением, что обеспечивает газообразный аммоний при таком давлении, чтобы обеспечивать возможность преодоления возможных падений давления вследствие длины пути, отделяющего накопитель от точки введения газообразного аммония в поток газа, подлежащего кондиционированию.
Наконец, дополнительное преимущество способа, соответствующего настоящему изобретению, лежит в теплообмене, который имеет место в теплообменнике, с помощью которого осуществляется подогрев раствора мочевины с последующей экономией потребления энергии всего способа.
Кроме того, одновременно с указанным подогревом получают переохлаждение водного раствора, поступающего из реакции гидролиза, которое выгодно обеспечивает возможность избежания образования пара во время расширения в смесителе водного рециркуляционного раствора, который покидает теплообменник.
Квалифицированный специалист в этой области техники для удовлетворения вероятных и специальных требований может сделать многочисленные модификации, все из которых в любом случае содержатся в пределах объема защиты настоящего изобретения, ограниченного формулой изобретения, приведенной ниже.
Таким образом, газообразный аммоний, например, может накапливаться при более низком давлении, чем давление гидролиза. Газообразный аммоний предпочтительно может накапливаться при величине давления, при которой работает гидролизатор, и давлении ввода газообразного аммония в поток газа, подлежащего кондиционированию, для прохождения газообразного аммония через редукционный клапан, расположенный между гидролизатором и накопителем.
Кроме того, в способе кондиционирования, соответствующем настоящему изобретению, в смеситель (А1) может подаваться твердая мочевина, причем в этом случае внутри него растворение указанной твердой мочевины также имеет место посредством рециркуляционного раствора (R), который предпочтительно содержит средства для такого растворения.
Формула изобретения
1. Способ уменьшения окислов азота, содержащихся в топочном газе, образованном продуктами сгорания, путем обработки газообразным аммонием, причем указанный газообразный аммоний генерируют по месту посредством реакции гидролиза водного раствора (L4) мочевины, отличающийся тем, что аммоний, генерируемый посредством указанного гидролиза, накапливается в газообразном состоянии под давлением в накопителе (А5), причем давление, при котором накапливается указанный газообразный аммоний, имеет значение, находящееся между значением давления, при котором имеет место реакция гидролиза, и значением давления, под которым его вводят в топочный газ, образованный продуктами сгорания.
2. Способ уменьшения окислов азота по п.1, отличающийся тем, что указанный водный раствор (L3) мочевины предварительно нагревают в теплообменнике (A3) посредством теплообмена с горячим водным гидролизным раствором (L6), генерируемым в указанной реакции гидролиза, и указанный водный гидролизный раствор после указанного теплообмена переохлаждают и затем используют в качестве рециркуляционного раствора (R).
3. Способ уменьшения окислов азота по п.2, отличающийся тем, что указанный рециркуляционный раствор (R) подают в смеситель (А1) вместе с концентрированным водным раствором (L1) мочевины и/или твердой мочевиной для образования указанного водного раствора (L4) мочевины.
4. Способ уменьшения окислов азота по п.1, отличающийся тем, что, по меньшей мере, 99,8% указанной мочевины в водном растворе гидролизуют под давлением, генерирующим газообразный аммоний.
5. Способ уменьшения окислов азота по п.1, отличающийся тем, что водный раствор мочевины, подвергнутый указанной реакции гидролиза, имеет содержание мочевины, находящееся в диапазоне, составляющем 10-70 мас.%.
6. Способ уменьшения окислов азота по п.1, отличающийся тем, что температура, при которой имеет место указанная реакция гидролиза, находится в диапазоне, составляющем 100-240°С.
7. Способ уменьшения окислов азота по п.1, отличающийся тем, что давление, под которым имеет место указанная реакция гидролиза, находится в диапазоне, составляющем 500-3000 кПа.
РИСУНКИ
|
|