|
|
(21), (22) Заявка: 2006110930/12, 25.08.2004
(24) Дата начала отсчета срока действия патента:
25.08.2004
(30) Конвенционный приоритет:
05.09.2003 US 10/656,742
(43) Дата публикации заявки: 20.10.2007
(46) Опубликовано: 27.03.2009
(56) Список документов, цитированных в отчете о поиске:
US 1908128 А, 09.05.1933. US 4698861 А, 13.10.1987. US 35008 А, 27.08.1901. DE 9017654 U1, 21.11.1990. SU 626764 А, 05.10.1978.
(85) Дата перевода заявки PCT на национальную фазу:
05.04.2006
(86) Заявка PCT:
US 2004/027553 (25.08.2004)
(87) Публикация PCT:
WO 2005/025396 (24.03.2005)
Адрес для переписки:
129090, Москва, ул. Б.Спасская, 25, стр. 3, ООО “Юридическая фирма Городисский и Партнеры”, пат.пов. С.А.Дорофееву
|
(72) Автор(ы):
ПИАТТ Джеймс М. (US), ГОРДОН Уилльям Ф. (US)
(73) Патентообладатель(и):
КОУЛЕР КО. (US)
|
(54) УМЫВАЛЬНИК СО СЪЕМНЫМ ПОДДОНОМ ДЛЯ МЫТЬЯ
(57) Реферат:
Устройство для мытья содержит корпус, включающий в себя первую рабочую поверхность, имеющую первый периметр в форме эллипса и окруженную по периметру конструкцией из выступающих вверх стенок, удерживающей жидкость от стекания с первой рабочей поверхности. В первой рабочей поверхности имеется сливное отверстие, связанное с системой сброса сточных вод здания. На первой рабочей поверхности подвижно размещен поддон, не закрепленный на корпусе. Поддон имеет вторую рабочую поверхность со вторым периметром в форме эллипса, которая поднята над первой рабочей поверхностью с тем, чтобы располагаться над конструкцией из выступающих вверх стенок, когда поддон размещен на первой рабочей поверхности, при этом жидкость свободно стекает со второго периметра второй рабочей поверхности на первую рабочую поверхность. В качестве второго объекта предусмотрено водопроводное приспособление для мытья предметов. Изобретение обеспечивает удобство в пользовании, особенно в ситуациях с ограниченными площадями. 2 н. и 13 з.п. ф-лы, 14 ил.
Уровень техники изобретения
1. Область техники изобретения
Настоящее изобретение касается водопроводных приспособлений, а более конкретно умывальников и других устройств для мытья, пригодных для использования в ванных комнатах и кухнях, где моют предметы, такие как руки, пищу или посуду.
2. Описание предшествующего уровня техники
Обычный умывальник имеет вогнутую чашу с ободком, причем чаша выступает вниз, через отверстие в стойке, а ободок зацепляется за верхнюю поверхность стойки, обеспечивая опору для умывальника. Дно чаши имеет сливное отверстие, которое присоединено к системе сброса сточных вод здания, в котором находится умывальник. Для укупоривания сливного отверстия, с тем чтобы вода была удержана внутри чаши, обеспечен стопорный механизм любого из известных типов.
К умывальнику обычно подают воду струей из крана, который смонтирован сквозь отверстия в ободке умывальника или в стойке, примыкающей к умывальнику. Кран может иметь аэратор, который смешивает воздух с потоком воды, выходящим из выпускного патрубка крана. Аэратор вырабатывает турбулентную, непрозрачную струю воды. Однако в некоторых применениях желательно, чтобы струя воды из крана имела нетурбулентный и прозрачный внешний вид, очень похожий на прозрачный стеклянный стержень. Чтобы обеспечить такую струю, разработаны водопроводные приспособления, которые вырабатывают ламинарный поток воды. Термин «ламинарный поток», при употреблении здесь, обозначает поток жидкости, который в общем не является турбулентным, имея, по существу, постоянные местные скорости и давления такие, что результирующая струя выглядит как стержень.
Чтобы создать ламинарный поток, воду из источника водоснабжения подают сквозь ряд элементов сглаживания потока перед тем, как она выйдет через соответствующее выпускное отверстие. Элементы для сглаживания потока обычно представляют собой перфорированные диски, перегородки и фильтры, которые расположены последовательно, по ходу движения потока от соединения с источником водоснабжения. Элементы сглаживания потока меняют скорость потока и перераспределяют профиль скорости так, как это требуется для преобразования турбулентного потока в ламинарный поток.
В данной области техники также разработаны кухонные раковины, имеющие вогнутые чаши, связанные со встроенными боковыми рабочими/сливными участками, которые по боковым сторонам наклоняются к резервуару.
Однако все еще существует необходимость в улучшенных зонах для мытья, в особенности для ситуаций, где площадь стойки ограничена.
Сущность изобретения
Устройство для мытья включает в себя корпус, который имеет первую рабочую поверхность, окруженную конструкцией с вертикальными стенками, которая удерживает жидкость от стекания с первой рабочей поверхности. Сливное отверстие расположено в первой рабочей поверхности, и имеется соединитель для связи сливного отверстия с системой сброса сточных вод здания. На первой рабочей поверхности может быть съемным образом расположен поддон, который имеет вторую рабочую поверхность, выступающую наверх над первой рабочей поверхностью, причем жидкость, стекающая со второй рабочей поверхности, течет на первую рабочую поверхность.
В предпочтительном варианте первая рабочая поверхность является вогнутой, образуя, таким образом, чашу для сбора жидкости и направления ее к сливному отверстию, расположенному в центре дна чаши. Когда поддон расположен на первой рабочей поверхности, вокруг поддона и под ним образуется промежуток, чтобы вода, стекающая со второй рабочей поверхности, текла на вогнутую первую рабочую поверхность, к сливному отверстию.
Краткое описание чертежей
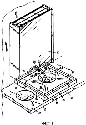
Фиг.1 – изометрический вид поддона для мытья и связанного с ним шкафа с выпускной трубой для воды согласно настоящему изобретению;
Фиг.2 – изометрический вид поддона для мытья, показанного на Фиг.1;
Фиг.3 – разрез части умывальника, иллюстрирующий желобок в нем;
Фиг.4 – изометрический вид одной из переносных чаш умывальника, показанных на Фиг.1;
Фиг.5 – вертикальный разрез одной из чаш, которая расположена на поддоне для мытья; и
Фиг.6 – вид дна чаши, изображенной на Фиг.4;
Фиг.7 – вертикальный вид в разрезе выпускной трубы, смонтированной на зеркале с фиг.1;
Фиг.8 – изометрический вид второго варианта осуществления поддона для мытья с переносной чашей умывальника, расположенной на нем; и
Фиг.9 – вид в разрезе второго варианта осуществления поддона для мытья;
Фиг.10 – вид с пространственным разделением деталей второго варианта осуществления поддона для мытья со съемным приподнятым поддоном;
Фиг.11 – вид в разрезе по линии 11-11 на Фиг.10;
Фиг.12 – изометрический вид варианта осуществления эллиптического умывальника со съемным поднятым поддоном;
Фиг.13 – вид сверху эллиптического умывальника и съемного поднятого поддона и
Фиг.14 – вид в разрезе эллиптического умывальника и съемного поднятого поддона.
Подробное описание изобретения
Как видно на Фиг.1, устройство 10 для мытья содержит умывальник с поддоном 12 для мытья из керамики, полимера, чугуна или другого материала умывальника и первую и вторую чаши 14 и 16 соответственно. Выпускное отверстие 18 для воды, проходящее сквозь зеркало 20, создает струю 22 воды, которая течет по дуговой траектории на поддон 12 для мытья. Струю 22 воды предпочтительно выпускают горизонтально из выпускной трубы 18, а затем она изгибается, по существу, на девяносто градусов перед столкновением с поддоном, в направлении прямо вниз. Это снижает тенденцию воды разбрызгиваться вперед, к пользователю. Выпускное отверстие связано с трубопроводами горячего и холодного водоснабжения с помощью смесительного клапана, смонтированного на зеркальном шкафу, с рычагом 23 управления клапаном, выступающим из него.
Поддон 12 для мытья обычно является прямолинейным, с передней и задней стенками 11 и 13 соответственно и двумя боковыми стенками 15. Однако поддон может принимать форму любых геометрических фигур. Нижняя поверхность 17 поддона 12 лежит на стойке 19 и опирается на нее. Конструкция из стенок, образованная четырьмя стенками 11, 13 и 15, ограничивает вытекание жидкости на стойку 19. Сливной соединитель 29 выходит из поддона под верхней частью стойки 19 и может быть, например, обычным сифоном, используемым в известных умывальниках.
Верхний участок поддона 12 имеет центральную рабочую поверхность 24 с краями, которые опускаются вниз, в желоб 26. Рабочая поверхность 24 является, по существу, плоской и горизонтальной. Однако предпочтительно, чтобы рабочая поверхность была слегка выпуклой, с выступающей наверх верхушкой в центре и наклоненной вниз, от центра к желобу 26, так что вода из струи 24 быстро течет к краям рабочей поверхности, по всем направлениям – в желоб. Более того, предпочтительно, чтобы желоб 26 полностью окружал рабочую поверхность 24, как показано. В предпочтительном варианте осуществления поток 22 воды из выпускной трубы 18 для воды течет по изогнутой траектории на вершину выпуклого поддона 12 для мытья, так что вода равномерно стекает в желоб 26 со всех сторон.
Однако альтернативный вариант осуществления умывальника 10 может иметь желоб, который лишь частично окружает рабочую поверхность (на 270 градусов), с приданием контуру этой рабочей поверхности подходящей формы, чтобы направлять воду в желоб. Хотя термин «умывальник» употреблен для обращения к предпочтительной конструкции настоящего изобретения, специалист в данной области техники поймет, что эта концепция изобретения может быть использована и для кухонной рабочей поверхности, душевого поддона или любой другой поверхности для мытья.
Как показано на Фиг.2, сливное отверстие 28 расположено в нижней поверхности желоба 26, сзади умывальника. Желоб 26 скошен таким образом, что вода потечет под действием силы тяжести к сливному отверстию 28, которое с помощью соединителя 29 и стандартного водопроводного сифона (не показан) присоединено к сточной трубе для ванной комнаты или кухни, в которых расположен поддон. Задний участок желоба 26 шире, чем другие участки, чтобы вмещать в себе объем воды, текущей к сливному отверстию 28.
Если обратиться к Фиг.3, нижняя поверхность 30 желоба 26 может (но не обязательно) иметь множество выступов 32, проходящих по длине каждого участка желоба. Выступы 32 замедляют воду, текущую от рабочей поверхности 24 в желоб 26. Вследствие этого поток воды дополнительно задерживается, чтобы он не тек наверх, по наружной стенке желоба 26 и через ободок 34 поддона на стойку 19.
Если обратиться к Фиг.4, первая чаша 14 имеет большой круглый ободок 40, от которого внутренняя поверхность 42 постепенно наклонно опускается к дну внутренней части чаши. Центр дна чаши имеет большое круглое отверстие 44, проходящее через него. Первую чашу 14 можно поместить в любом месте на рабочей поверхности 24 и снять оттуда, когда чаша не нужна. Первая чаша 14 имеет горизонтальную опорную поверхность менее 100 квадратных дюймов. Как показано на Фиг.5 и 6, нижняя поверхность первой чаши 14 имеет кольцевую прокладку 46 из упругого материала (например, резины), прикрепленную к ней вокруг центрального отверстия 44. Когда первую чашу 14 помещают на рабочую поверхность 24, как показано на Фиг.5, прокладка 46 обеспечивает, по существу, водонепроницаемое уплотнение между чашей и рабочей поверхностью. Могут иметься и другие средства, предотвращающие протекание воды в чаше между чашей и поверхностью поддона для мытья. Например, расположенные встык поверхности чаши и поддона для мытья могут быть выполнены очень гладкими, чтобы обеспечить плотное взаимодействие, в результате чего вода не может легко протечь. Эти расположенные встык поверхности также могут иметь взаимодействующие элементы, такие как ободок и канавка, чтобы задерживать поток воды.
Таким образом, когда поток воды 22 из выпускного отверстия 18 для воды течет в чашу, как показано на Фиг.1, вода собирается в чаше, так как прокладка 46 препятствует вытеканию значительного количества воды из круглого отверстия 44 в дне. Вся вода, которая перельется через ободок 40 первой чаши, будет направлена рабочей поверхностью 24 в желоб 26 и сквозь сливное отверстие 28.
Чтобы опорожнить первую чашу 14, когда собранная вода больше не нужна, пользователь может поднять эту чашу с рабочей поверхности 24, обеспечивая промежуток между прокладкой 46 и рабочей поверхностью. Этот промежуток позволяет воде течь на рабочую поверхность, в окружающий желоб 46 и сквозь сливное отверстие 28. Как вариант, пользователь может просто слегка наклонить чашу, чтобы создать такой промежуток. Согласно дополнительному приему опорожнения, пользователь может просто поступательно сдвинуть первую чашу 14 по рабочей поверхности 24, так что круглое отверстие 44 в дне будет проходить над частью желоба 26. Это позволяет воде вытекать из чаши и в желоб.
Вторая чаша 16 подобна первой чаше 14, за исключением того, что она имеет обычное закрытое дно и не имеет круглого отверстия 44. Это позволяет помещать вторую чашу 16 на рабочую поверхность 24 вблизи выпускной трубы 18 для воды, с тем, чтобы струя 22 воды наполнила вторую чашу. Затем вторую чашу можно снять с рабочей поверхности и отнести в место, удаленное от умывальника 12, в котором требуется присутствие чаши с водой. Как вариант, обе чаши 14 и 16 можно одновременно поместить на рабочую поверхность 24, наполнив одну горячей водой, а затем другую – холодной водой, или одну – мыльной водой, а другую – чистой водой для промывки. Так как чаши не имеют встроенного сливного отверстия, струю воды из выпускной трубы 18 нужно выключать, как только соответствующая чаша будет содержать нужное количество воды. Это позволяет экономить воду, по сравнению с обычными умывальниками с глубокими чашами.
Настоящий умывальник 10 также позволяет использовать поддон 12 без чаш 14 или 16. Это позволяет пользователю полностью использовать рабочую поверхность 24 для мытья рук или других предметов. Когда чаши сняты, струя 22 воды ударяется о рабочую поверхность 24 и течет по ней к расположенному по периметру желобу 26.
Как видно на Фиг.7, выпускная труба 18 смонтирована сквозь отверстие в поверхности зеркала 20 и включает в себя, в качестве своих главных элементов, крепежный корпус 50, контейнер 52 ламинарного потока и передний патрубок 54. Крепежный корпус 50 предпочтительно выполнен из латуни и имеет в общем трубчатую форму с задним соединительным элементом 58, к которому может быть присоединен трубопровод водоснабжения. Как вариант соединительный элемент 58 может быть расположен поперек продольной оси крепежного корпуса 50. Задний конец цилиндрического контейнера 52 ламинарного потока размещен в открытом конце цилиндрического крепежного корпуса 50, и уплотнительное кольцо обеспечивает водонепроницаемое уплотнение между ними. Открытый конец цилиндрического крепежного корпуса 50 ввинчивается в отверстие сзади переднего патрубка 54, и еще одно уплотнительное кольцо обеспечивает водонепроницаемое уплотнение между этими элементами.
Контейнер 52 ламинарного потока имеет цилиндрический наружный корпус 64 с круглой, открытой назад выемкой 66, которая сообщается с центральным впускным отверстием 68. Уравнивающий давление дисковый регулятор 70 потока, такой как серийно выпускаемый компанией Neoperl, Inc из Уотербури, Коннектикута, США, установлен в выемку 66. При повышении давления в соединительном элементе 58 регулятор 70 сгибается, уменьшая объем центрального впускного отверстия 68. Это поддерживает расход потока через регулятор относительно постоянным, так что колебания давления в трубопроводе водоснабжения не меняют изогнутой траектории струи 22, выходящей из выпускной трубы 18. Регулятор 70 потока, предпочтительно, обладает рабочим диапазоном давлений 12-145 фунтов на квадратный дюйм (0,8-10 бар).
Пластмассовый наружный корпус 64 содержит в себе ряд круглых или цилиндрических элементов для сглаживания потока, которые включают в себя фильтр 72 и четыре перегородки 74, разделенные двумя кольцевыми распорными деталями 75. Фильтр 72 предпочтительно представляет собой сетчатый диск из полиуретановой пены, размер пор которого составляет приблизительно 45 пор на дюйм, а экраны 74 предпочтительно изготовлены из сетки 20×20 из нержавеющей стали. Элементы для сглаживания потока могут быть расположены последовательно в наружном кожухе 64, в порядке, показанном на Фиг.7. Наружный корпус 64 имеет большое, на всю ширину, выпускное отверстие 77, находящееся вблизи выпускного отверстия переднего патрубка 54.
Выпускной конец патрубка 54 имеет наружный фланец 88, который упирается в зеркало 20. Патрубок 54 предпочтительно представляет собой кольцевой латунный корпус с выпускным отверстием 86 конической формы, которое сужается внутрь, по направлению от контейнера 52. Наклон нижнего участка отверстия 86 наверх в точке 90 задерживает воду в трубе 18 и не дает ей капать по зеркалу 20, когда водонапорный клапан перекрывается.
Крепежное кольцо 80 проходит вокруг цилиндрического внутреннего участка переднего патрубка 54 и упирается в деревянную опорную раму 85 за зеркалом 20. Опорная рама 85 и зеркало 20 зажаты между крепежным кольцом 80 и наружным фланцем 88 переднего патрубка 54. Крепежное кольцо 80 может быть расположено с возможностью скольжения по цилиндрическому внутреннему участку переднего патрубка 54, чтобы вмещать зеркала 20 и опорные рамы 86 различных размеров. Множество шурупов 84 прикрепляет крепежное кольцо 80 к опорной раме 86. Уплотнительное кольцо 82 в канавке в поверхности внутреннего диаметра крепежного кольца 80 обеспечивает фрикционную посадку с наружной поверхностью переднего патрубка 54, удерживая эти элементы вместе и обеспечивая при этом регулирование, необходимое для прикрепления патрубка 18 к зеркальным конструкциям различной толщины.
Вода из соединительного элемента 58 трубы 18, течет в полость 62 крепежного корпуса, а затем – в регулятор 70 потока, из которого вода продолжает течь в контейнер 52 сквозь впускное отверстие 68. Как описано выше, регулятор 70 потока реагирует на колебания расхода, регулируя проходимый размер впускного отверстия 68, с тем чтобы обеспечить относительно постоянный расход потока в контейнер 52.
Элементы для сглаживания потока (фильтр, перегородки), а также прокладки, выбраны и расположены так, чтобы сделать более равномерными параметры распределения скорости воды, проходящей сквозь впускное отверстие 68, по всему внутреннему диаметру корпуса 64 контейнера, и, по существу, устранить турбулентность и воздушные карманы. Более конкретно, вода, протекающая через впускное отверстие 68, входит в большую внутреннюю камеру корпуса контейнера, которая имеет значительно больший диаметр. Это внезапное расширение сечения предназначено для снижения скорости потока воды. При прохождении воды сквозь поры фильтра 72 неосевые векторы скорости (вызывающие турбулентность) блокируются пенистым материалом, так что вода покидает фильтр с векторами скорости, направленными по оси. При прохождении воды сквозь ряд перегородок 74 распределение скорости выравнивается, так что поток почти однороден от середины к краям проходного сечения. Прокладки 75 и 76 разделяют перегородки 74, с тем чтобы они работали поэтапно, обеспечивая восстановление воды перед вхождением в следующую перегородку.
Вода выходит из выпускной трубы 18 через патрубок 54. Острая кромка 92 патрубка обеспечивает достаточное разделение, чтобы образовать единственную струю воды ламинарного потока, с малым количеством боковых брызг или без них. Выходящая струя прозрачная и гладкая и имеет интересный внешний вид, напоминающий стеклянный стержень.
Если обратиться к Фиг.8, другой умывальник, или поддон для мытья, 100 имеет в общем прямоугольную, плоскую рабочую поверхность 102, которая окружена четырьмя стенками 104, 105, 106 и 107, которые выступают наверх из рабочей поверхности. Конструкция из стенок, образованная четырьмя стенками 104-107, удерживает жидкость на рабочей поверхности 102 от вытекания в наружную область, примыкающую к умывальнику 100. Следует понимать, что если рабочая поверхность 102 имеет не прямоугольную форму, другое количество стенок, и, возможно, одна стенка, в случае эллиптической рабочей поверхности, будут удерживать жидкость. Задняя стенка 107 может быть шире, чем другие стенки, с тем чтобы вмещать отверстия для размещения обычного крана (не показан). Как вариант, задняя стенка 107 может быть относительно мелкой, чтобы быть ближе к зеркалу 20, изображенному на Фиг.1, и принимать воду из выпускной трубы 18 для воды.
Если дополнительно обратиться к Фиг.9, рабочая поверхность 102 наклоняется вниз, к отверстию 110, сквозь которое жидкость спускается в соединитель 112. Этот соединитель 112 приспособлен для соединения с обычной системой сброса сточных вод в здании.
Как видно на Фиг.8, съемная чаша 14, как описано ранее, может быть помещена на рабочую поверхность 102, чтобы вмещать воду, текущую из крана или выпускной трубы. Прокладка 46 вокруг круглого отверстия 44 на нижней поверхности чаши сцепляется с рабочей поверхностью 102, задерживая воду в чаше 14 и не позволяя ей протекать между этой нижней поверхностью и рабочей поверхностью.
На Фиг.10 и 11 изображено использование вспомогательного поддона 120 для мытья с альтернативным умывальником 100. Съемный вспомогательный поддон 120 для мытья напоминает коробку с открытым дном. Термины «съемный» и «расположенный съемным образом», как они употребляются здесь, относятся к возможности для пользователя снять поддон с умывальника без использования инструментов или без влияния на способность использовать умывальник для мытья предметов. Вспомогательный поддон 120 для мытья имеет в общем горизонтальную вторую рабочую поверхность 122, поддерживаемую четырьмя боковыми стенками 124, 125, 126 и 127 с нижними краями, которые при использовании опираются на первую рабочую поверхность 102. Этот вспомогательный поддон для мытья, таким образом, образует рабочую поверхность 122, которая приподнята над первой рабочей поверхностью 102 и которая может быть выше высоты боковых стенок 124-127. Следует понимать, что вторая рабочая поверхность 122 может опираться лишь на две стенки с противоположных сторон множеством ножек или других опорных конструкций.
Когда вспомогательный поддон 120 для мытья расположен на первой рабочей поверхности 102, вокруг вспомогательной подставки для мытья образован желоб, для принятия жидкостей, стекающих со второй рабочей поверхности 122. Нижние края боковых стенок 124-127 имеют множество канавок 128, которые образуют сливные отверстия, с тем, чтобы вода под вторым поддоном 120 для мытья могла стекать по первой рабочей поверхности 102 к сливному отверстию 110. Как вариант, канавки 128 могут проходить наверх к пересечению соответствующей стенки и нижней поверхности второй рабочей поверхности 122. Ширина каждой канавки может отличаться от той, которая проиллюстрирована. Вторая рабочая поверхность 122 выполнена предпочтительно выпуклой, чтобы направлять находящуюся на ней жидкость к боковым сторонам и на первую рабочую поверхность 102.
Как видно из Фиг.12 и 13, третий вариант осуществления умывальника 130 согласно настоящему изобретению имеет вогнутую чашу 132 с эллиптическим периметром, из которого выступает кольцевой ободок 134. Ободок 134 опирается на верхнюю часть стойки или на другую поверхность, на которой установлен умывальник. Умывальник 130 может быть заменен поддоном 12 для мытья, показанным на Фиг.1, чтобы принимать воду, вытекающую из выпускной трубы 18. Съемный поддон 136 имеет такую же эллиптическую форму, в общем соответствующую форме чаши 132, но немного меньше него, с тем чтобы разместиться внутри чаши.
Как видно на Фиг.14, чаша 132 имеет вогнутую первую рабочую поверхность 135, которая загибается вниз, к центральному сливному отверстию 138. Сливное отверстие 138 ведет в трубчатый соединитель 140, предназначенный для присоединения к трубопроводу для сброса сточных вод здания, в котором расположен умывальник 130.
Съемный поддон 136 имеет вторую рабочую поверхность 142. Кольцевой край 144 проходит вокруг второй рабочей поверхности 142, выступая вниз, к чаше 132, когда поддон расположен на нем. Первая рабочая поверхность выполнена выпуклой, другими словами – имеет выпуклую вершину в средней точке, так что вода, текущая на нее из трубы, направляется к периметру и в чашу 132. Четыре ножки 145, 146, 147 и 148 выступают вниз с нижней стороны второй рабочей поверхности 142, причем пара ножек находится на каждой из осей – большой и малой оси – эллиптического поддона 136. Только две из ножек, 146 и 148, которые расположены на большой оси поддона, видны на Фиг.14. Множество ножек 145-148 поддерживают вторую рабочую поверхность 142 в положении, поднятом от первой рабочей поверхности 135, таким образом образуя промежуток между этими рабочими поверхностями, который позволяет воде стекать со второй рабочей поверхности на первую рабочую поверхность и по ней к сливному отверстию 138. По желанию пользователь может поднять поддон 136 с первой рабочей поверхности 135, таким образом создавая обычный резервуар умывальника.
Предшествующее описание направлено главным образом на предпочтительный вариант осуществления изобретения. Хотя было уделено некоторое внимание различным альтернативам в рамках объема изобретения, подразумевается, что специалист в данной области техники, вероятно, представит себе дополнительные альтернативы, которые теперь очевидны из раскрытия предпочтительных вариантов осуществления изобретения. Соответственно, объем изобретения должен быть определен из последующей формулы изобретения, и он не ограничен приведенным выше раскрытием.
Промышленная применимость
Настоящее изобретение обеспечивает поддоны для мытья, которые пригодны для очистки рук, лица и предметов и, например, могут быть задействованы в качестве умывальника или кухонной раковины.
Формула изобретения
1. Устройство для мытья, содержащее корпус, включающий в себя первую рабочую поверхность, имеющую первый периметр, имеющий форму эллипса, и окруженную по периметру конструкцией из выступающих вверх стенок, которая удерживает жидкость от стекания с первой рабочей поверхности, и имеющий сливное отверстие в первой рабочей поверхности, соединитель, предназначенный для связи сливного отверстия с системой сброса сточных вод здания, и поддон, который при мытье подвижно размещен на первой рабочей поверхности и не закреплен на корпусе, причем поддон имеет вторую рабочую поверхность со вторым периметром в форме эллипса, которая поднята над первой рабочей поверхностью с тем, чтобы располагаться над конструкцией из выступающих вверх стенок, когда поддон размещен на первой рабочей поверхности, при этом жидкость свободно стекает со второго периметра второй рабочей поверхности на первую рабочую поверхность.
2. Устройство для мытья по п.1, в котором первая рабочая поверхность выполнена вогнутой.
3. Устройство для мытья по п.1, в котором поддон дополнительно содержит множество опор, которые поднимают вторую рабочую поверхность над первой рабочей поверхностью.
4. Устройство для мытья по п.1, в котором поддон дополнительно содержит множество ножек, которые поднимают вторую рабочую поверхность над первой рабочей поверхностью.
5. Устройство для мытья по п.1, в котором вторая рабочая поверхность выполнена выпуклой для направления воды на первую рабочую поверхность.
6. Устройство для мытья по п.1, которое дополнительно содержит выпускную трубу, которая выпускает струю воды на первую рабочую поверхность.
7. Устройство для мытья по п.6, в котором выпускная труба выпускает ламинарную струю воды на первую рабочую поверхность.
8. Устройство для мытья по п.1, которое дополнительно содержит чашу для удержания жидкости, располагаемую с возможностью снятия на второй рабочей поверхности, причем чаша имеет нижний участок с отверстием, проходящим через него, и наружную нижнюю поверхность, имеющую уплотнительное средство, которое проходит вокруг отверстия, чтобы взаимодействовать со второй рабочей поверхностью, для предотвращения протекания жидкости наружу из чаши.
9. Устройство для мытья по п.8, в котором уплотнительное средство представляет собой прокладку, присоединенную к наружной нижней поверхности чаши.
10. Водопроводное приспособление для мытья предметов, содержащее корпус, включающий в себя первую рабочую поверхность, имеющую первый периметр, имеющий геометрическую форму, и окруженную конструкцией, предотвращающей течение жидкости наружу с первой рабочей поверхности и из водопроводного приспособления, и имеющий сливное отверстие для принятия жидкости, стекающей с первой рабочей поверхности, соединитель, предназначенный для подключения сливного отверстия к системе сброса сточных вод здания, и поддон, который при мытье подвижно размещен на первой рабочей поверхности и не закреплен на корпусе, причем поддон имеет вторую рабочую поверхность со вторым периметром, который имеет геометрическую форму, подобную форме первого периметра, выступающим наверх из первой рабочей поверхности так, чтобы располагаться над указанной конструкцией, когда поддон размещен на первой рабочей поверхности, при этом жидкость свободно стекает с периметра второй рабочей поверхности в сливное отверстие корпуса.
11. Водопроводное приспособление по п.10, в котором первая рабочая поверхность и вторая рабочая поверхность имеют эллиптические первый и второй периметры.
12. Водопроводное приспособление по п.11, в котором поддон дополнительно содержит множество ножек, поднимающих вторую рабочую поверхность над первой рабочей поверхностью.
13. Водопроводное приспособление по п.10, в котором поддон дополнительно содержит множество ножек, поднимающих вторую рабочую поверхность над первой рабочей поверхностью.
14. Водопроводное приспособление по п.10, в котором вторая рабочая поверхность имеет прямоугольный периметр, и жидкость свободно стекает с четырех краев прямоугольного периметра на первую рабочую поверхность.
15. Водопроводное приспособление по п.10, в котором вторая рабочая поверхность имеет выпуклость в центре и скосы, направленные от центра ко второму периметру, тем самым направляя жидкость на первую рабочую поверхность.
РИСУНКИ
|
|