|
| На основании пункта 1 статьи 1366 части четвертой Гражданского кодекса Российской Федерации патентообладатель обязуется заключить договор об отчуждении патента на условиях, соответствующих установившейся практике, с любым гражданином Российской Федерации или российским юридическим лицом, кто первым изъявил такое желание и уведомил об этом патентообладателя и федеральный орган исполнительной власти по интеллектуальной собственности. |
|
(21), (22) Заявка: 2007129073/09, 30.07.2007
(24) Дата начала отсчета срока действия патента:
30.07.2007
(46) Опубликовано: 20.03.2009
(56) Список документов, цитированных в отчете о поиске:
ЕА 008678 В1, 29.06.2007. RU 2178201 С1, 10.01.2002. RU 2207621 С1, 27.06.2003. RU 25615 U1, 10.10.2002. KR 20040100095 А, 02.12.2004. JP 2005071322 А, 17.03.2005.
Адрес для переписки:
109651, Москва, Батайский пр., 1, кв.139, А.А. Бурбе
|
(72) Автор(ы):
Бурба Александр Алексеевич (RU), Ананишнев Владимир Максимович (RU), Бочарова Наталья Борисовна (RU), Пищулин Николай Петрович (RU)
(73) Патентообладатель(и):
Бурба Александр Алексеевич (RU), Ананишнев Владимир Максимович (RU), Бочарова Наталья Борисовна (RU), Пищулин Николай Петрович (RU)
|
(54) УСТРОЙСТВО ДЛЯ ОЦЕНКИ И СРАВНИВАНИЯ ЭФФЕКТИВНОСТИ ФУНКЦИОНИРОВАНИЯ ОДНОТИПНЫХ ОРГАНИЗАЦИЙ
(57) Реферат:
Изобретение относится к вычислительной технике и может быть использовано для оценки и сравнивания эффективности функционирования однотипных организаций с целью выработки рекомендаций по улучшению качества их работы. Техническим результатом является повышение точности оценки и сравнивания эффективности функционирования однотипных организаций. Устройство содержит группу входных регистров, группу выходных регистров, блок выделения максимального числа, две группы элементов задержки, группу блоков вычитания, группу сумматоров, группу квадраторов, блок извлечения квадратного корня, группу коммутаторов, группу блоков индикации, генератор тактовых импульсов, распределитель импульсов, группу элементов ИЛИ, S групп регистров. 3 ил.
Изобретение относится к вычислительной технике и может быть использовано для оценки функционирования однотипных организаций с целью выработки рекомендаций по улучшению качества их работы.
Известно устройство для оценки и сравнения эффективности функционирования однотипных организаций, содержащее группы входных регистров, группу блоков вычитания, группу квадраторов, группу элементов задержки, группу сумматоров, блок извлечения квадратного корня, группу коммутаторов, группу выходных регистров, группу блоков индикации, генератор тактовых импульсов и распределитель импульсов (евразийский патент № 08678, кл. G06F 17/00, 15/00, 2007).
Оценка и сравнение эффективности функционирования однотипных организаций с помощью этого устройства осуществляется следующим образом. Определяется разность Wji между i-м компонентом вектора эффективности j-ой организации Wji:

где М – количество однотипных организаций;
S – число компонентов вектора эффективности.
Если организации являются образовательными (школы, колледжи, институты, университеты и т.д.), то в качестве величин Wji могут фигурировать, например, относительное число докторов и кандидатов наук из преподавательского состава, относительное количество выпускников, которые продолжили обучение на более высоком уровне и т.д.
Когда организации занимаются производством какой-либо продукции, то в качестве величин Wji могут выступать, например, относительное количество работников, имеющих высокий разряд, относительное количество продукции, имеющее высокое качество,и т.д.
Далее оценивается модуль разности Wj для j-ой организации по формуле:

Чем меньше Wj, тем лучше функционирует организация, так как ее эффективность наиболее близка к эффективности базовой организации.
Недостатком этого устройства является субъективизм, который проявляется в процессе выбора величины компонентов вектора эффективности базовой организации W j.
Техническим результатом заявленного изобретения является повышение объективности оценки и сравнения эффективности функционирования однотипных организаций. Повышение объективности обеспечивается тем, что величины W j не задаются заранее и не вводятся с помощью группы входных регистров в начале работы устройства. Величины W i определяются в процессе работы устройства путем поиска среди одноименных показателей вектора эффективности максимального значения, которое является одной из величин (компонент) вектора эффективности базовой организации.
Технический результат достигается тем, что устройство для оценки и сравнения эффективности функционирования однотипных организаций, содержащее группу входных регистров, группу блоков вычитания, группу квадраторов, первую группу элементов задержки (Э3), группу сумматоров, блок извлечения квадратного корня, группу коммутаторов, группу выходных регистров, группу блоков индикации, генератор тактовых импульсов и распределитель импульсов, вход которого соединен с выходом генератора тактовых импульсов, первый и второй выходы распределителя импульсов – соответственно с входами записи и входами считывания группы входных регистров, которая состоит из М элементов, информационный вход каждого из которых является входом задания исходной информации устройства, на который поступают значения Wji, характеризующие i-й компонент вектора эффективности j-й организации, выходы первого и второго элементов группы квадраторов, состоящей из S элементов, подключены соответственно к первому и второму входам первого элемента группы сумматоров, состоящей из (S-1) элементов, а выходы остальных квадраторов, начиная с третьего, соединены с входами соответствующих элементов группы Э3, состоящей из (S-2) элементов, выходы каждого из которых подключены к первым входам соответствующих элементов группы сумматоров, начиная со второго элемента, выходы каждого из которых, включая первый элемент и кроме последнего элемента, соединены со вторыми входами последующих элементов группы сумматоров, а выход последнего элемента, т.е. (S-1)-го сумматора подключен к входу блока извлечения квадратного корня, выход которого соединен с информационными входами каждого из элементов группы коммутаторов, состоящей из М элементов, выходы каждого элемента которой подключены к информационным входам соответствующих элементов группы выходных регистров, состоящей из М элементов, выходы каждого элемента которой соединены с входами соответствующих элементов группы блоков индикации, состоящей из М элементов, с (4+S)-й по (4+S+M)-й выходы распределителя импульсов подключены к управляющим входам соответственно с 1-го по М-ый элементов группы коммутаторов и к входам записи соответственно с 1-ого по М-й элементов группы выходных регистров, (5+S+M)-ый выход распределителя импульсов соединен с входами считывания каждого из М элементов группы выходных регистров, дополнительно содержит группу элементов ИЛИ, состоящую из S элементов, где S – число компонентов вектора эффективности, вторую группу Э3, состоящую из М элементов, где М – количество однотипных организаций, с 1-й по S-ю группы регистров, каждая из которых состоит из М элементов и блок выделения максимального числа, управляющий вход которого соединен со вторым выходом распределителя импульсов, а с 1-го по М-й информационные входы этого блока подключены к выходам соответствующих элементов группы входных регистров, эти же выходы которых соединены с входами соответствующих элементов второй группы Э3, выходы каждого из которых подключены к входам вычитаемого соответствующих элементов группы блоков вычитания, состоящей из М элементов, входы уменьшаемого каждого из которых соединены с выходом блока выделения максимального числа, а выходы – с информационными входами соответствующих элементов каждой группы регистров, выходы каждой из которых соединены с 1-го по М-й входами каждого из S элементов группы элементов ИЛИ, выходы каждого из которых подключены к входам соответствующих элементов группы квадраторов, третий, четвертый и (2+S)-й выходы распределителя импульсов соединены с входами записи каждого элемента соответственно первой, второй и третьей групп регистров, второй выход распределителя импульсов соединен с управляющим входом блока выделения максимального числа, (3+S)-й, (5+S)-й и (3+S+M)-й выходы распределителя импульсов подключены к входам считывания соответственно первых, вторых и М-х элементов каждой из S группы регистров.
Следует отметить, что блок выделения максимального числа не является стандартным. Однако, раскрывать его до уровня стандартных элементов необязательно, так как существуют источники информации, в которых это раскрытие осуществляется (например, авт. свид. СССР № 1345188, кл. 4 G06F 7/02, 1997).
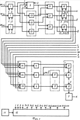
На фиг.1 и 2 представлена функциональная схема устройства для оценки и сравнивания эффективности функционирования однотипных организаций (для ликвидации громоздкости связи между распределителем импульсов и управляющими входами соответствующих блоков показаны не полностью, а обозначены путем нумерации входов и выходов); на фиг.3 изображена циклограмма работы заявленного устройства (по оси ординат обозначены номера выходов распределителя импульсов, а по оси абсцисс – число тактов, причем длительность различных вычислительных операций (сложения и вычитания – один такт, возведения в квадрат – восемь тактов, извлечения квадратного корня – двадцать тактов) – в верхней части фиг.3 (для возможности исполнения циклограммы принятого S=6, M=4, хотя эти величины могут принять произвольные значения).
Устройство для оценки и сравнения эффективности функционирования однотипных организаций (фиг.1 и 2) содержит группу 1 входных регистров, состоящую из М элементов, блок 2 выделения максимального числа, группу 3 блоков вычитания, состоящую из М элементов, группу 4 квадраторов, состоящую из S элементов, первую группу 5 Э3, состоящую из (S-2) элементов, группу 6 сумматоров, состоящую из (S-1) элементов, блок 7 извлечения квадратного корня, группу 8 коммутаторов, состоящую из М элементов, группу 9 выходных регистров, состоящую из М элементов, группу 10 блоков индикации, состоящую из М элементов, генератор 11 тактовых импульсов, распределитель 12 импульсов, вторую группу 13 Э3, состоящую из М элементов, группу 14 элементов ИЛИ, состоящую из S элементов, с первой по S-ую группы 15 регистров, каждая из которых состоит из М элементов, то есть имеет место матрица размерами S×М.
Устройство для оценки и сравнивания эффективности функционирования однотипных организаций работает следующим образом. На информационные входы каждого из элементов группы 1 регистров (фиг.1 и 2) засылаются величины первого компонента вектора эффективности каждой из М организаций: W11, W21, …, Wм1. При этом управляющий сигнал на входы записи этой группы подается с первого выхода распределителя 12 импульсов, темп работы которого задается генератором 11 тактовых импульсов.
По сигналу со второго выхода распределителя 12 импульсов на входы считывания каждого элемента 1 входных регистров величины Wj1 засылаются на информационные входы блока 2 выделения максимального числа, на управляющий вход которого подается сигнал для подготовки блока 2 к работе. С выхода этого блока максимальное значение первого компонента вектора эффективности каждой из М организаций направляется на входы уменьшаемого каждого из М элементов группы 3 блоков вычитания. Это значение будет являться первым компонентом вектора эффективности базовой организации W 1. На входы вычитаемого группы 3 через элементы второй группы 13 Э3 засылаются величины Wj1.
С выходов группы 3 блоков вычитания значения W1i, вычисленные в соответствии с формулой (1) подаются на информационные входы с 1-й по S-ю группы 15 регистров. Однако все М значений W1i запишутся только в элементах 1-й группы регистров за счет сигнала на ее входы записи с третьего выхода распределителя 12 импульсов.
В дальнейшем работа устройства повторяется в уже описанном порядке. Во второй группе из S группы 15 регистров фиксируется значение W2i за счет сигнала с четвертого выхода распределителя 12 импульсов. В S-ой группе 15 регистров появляется значение Wмi за счет сигнала с (2+S)-го выхода распределителя 12 импульсов. Следовательно, все элементы с 1-й по S-ю групп 15 регистров будут заполнены. Причем в первых элементах с 1-й по S-й групп 15 регистров записаны значения Wji ( W1i) для 1-й организации, а в последних М-х элементах с 1-й по S-ю групп 15 регистров фиксируются значения Wji ( Wмi) для М-ой организации.
По сигналу с (3+S)-го выхода распределителя 12 импульсов на выходы считывания первых элементов каждой с 1-й по S-ю групп 15 регистров значения W1i через соответствующие элементы группы 14 элементов ИЛИ подаются на входы группы 4 квадраторов, с выходов первых двух элементов которой значение W11 2 и W12 2 подаются соответственно на первый и второй входы первого сумматора группы 6 сумматоров. С выходов остальных элементов группы 4 квадраторов, начиная с третьего, величины W1i 2 направляются через соответствующие элементы первой группы 5 Э3 на первые входы соответствующих элементов группы 6 сумматоров, начиная со второго. С выхода последнего сумматора группы 6 значение засылается на вход блока 7 извлечения квадратного корня. С выхода блока 7 величина W1, характеризующая разность между эффективностями функционирования базовой организации и первой организацией, определенная по формуле (2), подается на информационные входы группы 8 коммутаторов.
Однако, благодаря наличию управляющего сигнала (4+S)-го распределителя 12 импульсов на управляющий вход первого элемента группы 8 коммутаторов и на вход записи первого элемента группы 9 входных регистров значение W1 будет зафиксировано в первом элементе группы 9. В дальнейшем работа устройства повторяется по уже описанной схеме.
Отличие будет в том, что на входы элементов группы 4 квадраторов будут подаваться значения компонентов вектора эффективности второй организации W2i. После завершения второго цикла работы устройства на информационный вход второго элемента группы 9 выходных регистров засылается величина W2. Процедура получения величин Wj наглядно представлена на циклограмме работы устройства (фиг.3).
После завершения М-го процесса работы устройства в М элементах группы 9 выходных регистров (фиг.2) будет зафиксировано М значений величины Wj. По сигналу с (5+S+M)-го выхода распределителя 12 импульсов на входы считывания элементов группы 9 выходных регистров М значений величины Wj поступают с выходов этой группы на соответствующие элементы группы 10 блоков индикации.
Путем визуального анализа за счет сравнения величины Wj определяют те организации, которые имеют наименьшую эффективность функционирования (наибольшее значение величины Wj) и нуждаются в выработке рекомендаций по улучшению качества их работы.
Таким образом, технический результат достигается не за счет математического аппарата, а за счет технических средств (блоков и элементов), упомянутых в процессе описания работы устройства, позволяющего повысить объективность оценки и сравнения эффективности функционирования однотипных организаций. Это дает возможность снизить субъективизм и влияние какого-либо индивидуального воздействия на конечный результат, что позволяет повысить качество оценки и сравнения эффективности.
Промышленная применимость изобретения обосновывается тем, что оно может быть использовано в разных областях (отраслях) при расчетах, связанных с выработкой рекомендаций по улучшению качества работы однотипных организаций.
Формула изобретения
Устройство для оценки и сравнения эффективности функционирования однотипных организаций, содержащее группу входных регистров, группу блоков вычитания, группу квадраторов, первую группу элементов задержки (Э3), группу сумматоров, блок извлечения квадратного корня, группу коммутаторов, группу выходных регистров, группу блоков индикации, генератор тактовых импульсов и распределитель импульсов, вход которого соединен с выходом генератора тактовых импульсов, первый и второй выходы распределителя импульсов – соответственно с входами записи и входами считывания группы входных регистров, которая состоит из М элементов, информационный вход каждого из которых является входом задания исходной информации устройства, на который поступают значения Wji, характеризующие i-й компонент вектора эффективности j-й организации, выходы первого и второго элементов группы квадраторов, состоящей из S элементов, подключены соответственно к первому и второму входам первого элемента группы сумматоров, состоящей из (S-1) элементов, а выходы остальных квадраторов, начиная с третьего, соединены с входами соответствующих элементов группы Э3, состоящей из (S-2) элементов, выходы каждого из которых подключены к первым входам соответствующих элементов группы сумматоров, начиная со второго элемента, выходы каждого из которых, включая первый элемент и кроме последнего элемента, соединены со вторыми входами последующих элементов группы сумматоров, а выход последнего элемента, то есть, (S-1)-го сумматора подключен к входу блока извлечения квадратного корня, выход которого соединен с информационными входами каждого из элементов группы коммутаторов, состоящей из М элементов, выходы каждого элемента которой подключены к информационным входам соответствующих элементов группы выходных регистров, состоящей из М элементов, выходы каждого элемента которой соединены с входами соответствующих элементов группы блоков индикации, состоящей из М элементов, с (4+S)-й по (4+S+M)-й выходы распределителя импульсов подключены к управляющим входам соответственно с 1-го по М-й элементов группы коммутаторов и к входам записи соответственно с 1-го по М-й элементов группы выходных регистров, (5+S+M)-й выход распределителя импульсов соединен с входами считывания каждого из М элементов группы выходных регистров, отличающееся тем, что оно дополнительно содержит группу элементов ИЛИ, состоящую из S элементов, где S – число компонентов вектора эффективности, вторую группу Э3, состоящую из М элементов, где М – количество однотипных организаций, с 1-й по S-ю группы регистров, каждая из которых состоит из М элементов и блок выделения максимального числа, управляющий вход которого соединен со вторым выходом распределителя импульсов, а с 1-го по М-й информационные входы этого блока подключены к выходам соответствующих элементов группы входных регистров, эти же выходы которых соединены с входами соответствующих элементов второй группы Э3, выходы каждого из которых подключены к входам вычитаемого соответствующих элементов группы блоков вычитания, состоящей из М элементов, входы уменьшаемого каждого из которых соединены с выходом блока выделения максимального числа, а выходы – с информационными входами соответствующих элементов каждой группы регистров, выходы каждой из которых соединены с 1-го по М-й входами каждого из S элементов группы элементов ИЛИ, выходы каждого из которых подключены к входам соответствующих элементов группы квадраторов, с третьего по (2+S)-й выходы распределителя импульсов соединены с входами записи всех элементов в группах регистров с первую по S-ую группу соответственно, второй выход распределителя импульсов соединен с управляющим входом блока выделения максимального числа, (3+S)-й, (5+S)-й и (3+S+M)-й выходы распределителя импульсов подключены к входам считывания соответственно первых, вторых и М-х элементов каждой из S группы регистров.
РИСУНКИ
|
|