|
(21), (22) Заявка: 2007130936/09, 13.08.2007
(24) Дата начала отсчета срока действия патента:
13.08.2007
(46) Опубликовано: 20.03.2009
(56) Список документов, цитированных в отчете о поиске:
ПЕРУНОВ Ю.М. и др. Радиоэлектронное подавление информационных каналов систем управления оружием. – М.: Радиотехника, 2003, фиг.1. RU 26716 U1, 10.12.2002. RU 2304287 С2, 10.08.2007. RU 2166200 С1, 27.04.2001. RU 2199824 С2, 27.02.2003. US 2007063886 А1, 22.03.2007. ЕР 1003049 А2, 24.05.2000.
Адрес для переписки:
105066, Москва, ул. Новая Басманная, 20, ФГУП “ЦНИРТИ им. Академика А.И. Берга”, БРИЗ
|
(72) Автор(ы):
Горбунов Юрий Николаевич (RU)
(73) Патентообладатель(и):
Федеральное Государственное Унитарное Предприятие “Центральный научно-исследовательский радиотехнический институт имени академика А.И. Берга” (RU)
|
(54) ЦИФРОВОЕ УСТРОЙСТВО СОЗДАНИЯ АКТИВНЫХ ПОМЕХ
(57) Реферат:
Изобретение относится к технике радиоэлектронного подавления. Заявленное устройство создания активных помех радиоэлектронным средствам (РЭС) содержит соединенные определенным образом между собой приемную и передающую антенну, выполненные в виде ФАР с М излучателями (М не менее двух) и М приемо-передающих каналов, блок анализа и управления, блок вычисления параметров модуляции помеховых сигналов, синтезатор опорных частот. Кроме того, в каждый канал входят: излучатель приемной ФАР, цифровой радиоприемник, М блоков цифровой памяти, амплитудно-фазовый модулятор, фазовращатель, радиопередатчик и излучатель передающей ФАР, соединенные последовательно. Достигаемым техническим результатом изобретения является формирование адекватного (когерентно-синхронного, согласованного с угловым направлением и доплеровской частотой) помехового сигнала для подавления РЭС по угловому каналу обнаружения и сопровождения. Кроме того, заявленное устройство создает помехи каналам обнаружения и сопровождения РЭС по дальности, скорости, пеленгу (азимуту и углу места). 3 ил.
Область применения
Изобретение относится к технике радиоэлектронного подавления (РЭП) и может быть использовано в радиолокации и радиотехнической разведке (РТР), в устройствах, предназначенных для измерения пеленга.
Описание аналогов
Известно цифровое запоминающее устройство (Filippo Neri, Introduction to Electronic Defense Systems. Apteeh House, Inc. Boston, London, 1991. Перевод Филиппо Нери, Введение в системы радиоэлектронной защиты, ФГУП «ЦНИРТИ», 2003, стр.317-319), которое содержит понижающий и повышающий квадратурные преобразователи, два аналого-цифровые (АЦП) и цифроаналоговые (ЦАП) преобразователи, цифровую память, гетеродин и тактовый генератор. Понижающий квадратурный преобразователь имеет сигнальный вход, вход гетеродина и два выхода для сигнала, совпадающего по фазе (прямой) с входным радиосигналом и квадратурный сигнал. АЦП и ЦАП прямого сигнала имеют входы синхронизирующего сигнала по одному входу и одному выходу. АЦП и ЦАП квадратурного сигнала имеют по сигнальному входу и входу синхронизирующего сигнала и одному выходу преобразованного входного сигнала. Цифровая память имеет входы и выходы прямого и квадратурного сигналов. Выходы понижающего квадратурного преобразователя соединены с входами соответствующих АЦП, выходы которых соединены с соответствующими входами цифровой памяти. Выходы цифровой памяти соединены с входами соответствующих ЦАП, выходы которых соединены с соответствующими входами повышающего квадратурного преобразователя. Входы понижающего и повышающего квадратурного преобразователя соединены с выходом гетеродина. Выход тактового генератора соединен с входами сигнала синхронизации АЦП и ЦАП квадратурного сигнала и принятого сигнала тоже.
Устройство работает следующим образом. На вход понижающего квадратурного преобразователя поступает радиосигнал, подлежащий преобразованию. Понижающий квадратурный преобразователь преобразует входной радиосигнал в два квадратурных сигнала промежуточной частоты. АЦП квадратурные сигналы преобразуют в цифровые сигналы, которые заносятся в память запоминающего устройства. Для воспроизведения радиосигнала достаточно извлечь из памяти с той же самой тактовой частотой два квадратурных сигнала, дубликаты запомненных сигналов. Эти сигналы на выходе повышающего квадратурного преобразователя позволяют сформировать радиосигнал, идентичный поступающему радиосигналу, с некоторыми ложными компонентами, вызванные выбором квантования.
Аналог работает только как ретранслятор сигнала и под управлением компьютера, т.е. любые преобразования над копией запомненного сигнала могут быть осуществлены только компьютером. А это приводит к невозможности формирования имитационных помех в реальном масштабе времени, за счет значительного увеличения времени задержки от момента записи сигнала до момента воспроизведения помехи.
Наиболее близким техническим решением является система радиоэлектронного подавления (РЭП) устройство цифровой радиочастотной памяти (DRFM) (фиг.1) (Перунов Ю.М., Фомичев К.И., Юдин Л.М., Радиоэлектронное подавление информационных каналов систем управления оружием. – М.: Радиотехника, 2003 г.). В состав этого устройства входят: приемная и передающая антенны, радиоприемник, блок цифровой памяти, блок анализа и управления, амплитудно-фазовый модулятор, блок вычисления параметров модуляции помеховых сигналов и радиопередатчик.
Недостатком этого устройства является невозможность создания помех радиоэлектронным средством (РЭС) в заданном угловом направлении (типа «адаптивный котофот») и помех угловому каналу обнаружения и сопровождения РЭС с моноимпульсным способом пеленгации (МИП) источников электромагнитного излучения (ЭМИ). Для создания таких помех, включая помехи типа «антипод», требуется подстилающая поверхность (земля или облако дипольных отражателей), а «негативные помехи», осуществляющие регулировку усиления по обратному закону амплитуды принимаемого сигнала, имеют ограниченную эффективность [2].
Технический результат изобретения
Техническим результатом изобретения является создание помехового сигнала для подавления РЭС по угловому каналу обнаружения и сопровождения путем наделения по-меховой модуляцией принятого от РЭС радиосигнала и переизлучения преобразованного радиосигнала в любом направлении, в том числе в направлении подавляемой РЭС – создание помех угловому каналу.
Изобретение поясняется чертежами.
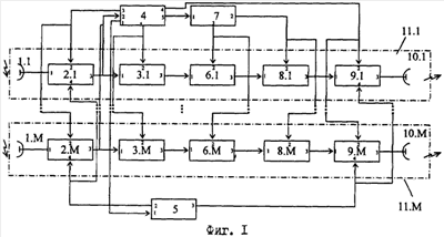
На фиг.1 представлена блок-схема цифрового устройства создания активных помех, на которой цифрами двенадцатого шрифта обозначены номера блоков, а цифрами шрифта 8 входы и выходы отдельных блоков. В тексте цифры шрифта 8 заключены в круглые скобки.
На фиг.2 приведена структурная схема ФАР во взаимодействии с подавляемой радиолокационной станцией 12 (РЭС).
На фиг.3 показана схема образования сдвига фаз  i при распространении волны от i-го излучателя ФАР к i+1 излучаателю.
Описание конструкции устройства
Технический результат изобретения достигается благодаря тому, что предлагаемое цифровое устройство создания активных помех содержит (фиг.1 и 2):
1 – приемная антенна – фазированная антенная решетка;
1.i – i-ый излучатель приемной ФАР 1, i=1, 2…М, М должно быть не менее двух;
2.i – i-ый цифровой радиоприемник (РПр);
3.i – i-ый блок цифровой памяти (БЦП);
4 – блок анализа и управления (БАУ);
5 – синтезатор опорных частот (СОЧ);
6.i – i-ый блок амплитудно-фазового модулятора (БАФМ);
7 – блок вычисления параметров модуляций помеховых сигналов (БПС);
8.i – i-ый фазовращатель;
9.i – i-ый радиопередатчик (РП);
10 – передающая антенна – фазированная антенная решетка;
10.i – i-ый излучатель передающей ФАР 10;
11.i – i-ый приемо-передающий канал;
12 – подавляемая радиолокационная станция (РЭС).
Цифровое устройство создания активных помех содержит М одинаковых приемо-передающих каналов (фиг.1). В каждый i-ый приемо-передающий канал входят: излучатель 1.i приемной ФАР, цифровой радиоприемник 2.i (РПр), блок цифровой памяти 3.i (БЦП), блок анализа и управления 4 (БАУ), синтезатор опорных частот 5 (СОЧ), блок амплитудно-фазового модулятора 6.i (БАФМ), блок вычисления параметров модуляций помеховых сигналов 7 (БПС), фазовращатель 8.i, радиопередатчик 9.i (РП), излучатель 10.i передающей ФАР. Все устройства и блоки в каналах соединены последовательно.
Все М излучателей приемной 1.i и передающей 10.i ФАР могут быть выполнены, например, в виде рупоров, параболических или спиральных антенн, иметь одинаковую конструкцию, и собраны в приемную 1 и передающую 10 плоские ФАР. При пеленговании в плоскости все излучатели располагают на одной линии, при этом число излучателей должно быть не менее двух. При пеленговании в трехмерном пространстве, по меньшей мере, один излучатель должен быть расположен в пространстве выше или ниже остальных излучателей, расположенных на одной линии (фиг.2), при этом число излучателей должно быть не менее трех. Электрические оси излучателей приемной 1 и передающей 10 ФАР в пространстве расположены параллельно друг другу и направлены в сторону подавляемой РЭС.
Излучатели собраны либо в виде линейной фазированной антенной решетки и расположены вдоль горизонтальной Х или вертикальной Y осей декартовой системы координат X, Y, Z, связанной с горизонтом и направлением их излучения Z, либо в виде плоскоэквидистантной фазированной решетки, расположенной в плоскости X, Y (фиг.2). Электрические оси излучателей ФАР 1 и 10 относительно друг друга располагаются линейно-эквидистантно с шагом d=k , где k 1/2; – минимальная длина рабочего диапазона длин радиоволн. Расстояния d между электрическими осями соседних излучателей ФАР выбирают с учетом требований электромагнитной совместимости (ЭМС) и требуемой между ними развязки для исключения взаимного влияния по боковым лепесткам диаграмм направленности излучателей ФАР. Возможны другие конфигурации размещения излучателей ФАР в пространстве, при этом изменятся диаграммы ФАР и алгоритм обработки их сигналов.
Все радиоприемники 2.i выполнены цифровыми и управляемые по усилению супергетеродинными приемниками и имеют один выход (3) и три входа: первый (1) – для радиосигнала, второй (2) для управления усилением сигнала промежуточной частоты и третий (4) – для сигналов опорных гетеродинов СОЧ 5.
Все блоки цифровой памяти 3.i (БЦП) имеют один выход (3) и два входа: первый (1) – для оцифрованного радиосигнала и второй (2) – для приема сигнала команды на запись. Блоки цифровой памяти предназначены для запоминания цифровых копий радиосигналов, представленных координатными составляющими Re(xi) и Im(xi).
Цифровые копии радиосигналов, как материальные носители информации о координатном положении (по пеленгу) и движении (доплеровской частоте), подвергаются преобразованиям, наделяющим ответные – преобразованные радиосигналы соответствующими помеховыми модуляциями.
Блок анализа и управления 4 имеет один вход (2) и пять выходов: первый (1) – для подачи сигнала команд на включение гетеродинов преобразования частоты 5, второй (3) – для сигнала управления усилением радиоприемными устройствами 2.i, третий (4) – для подачи сигнала команды о назначении вида помеховой модуляции и пятый (5) – для подачи сигнала команды об исполнении.
Синтезатор опорных частот 5 (СОЧ) имеет вход сигнала управления (1) и соответственно две группы выходов: первый (2) для радиоприемников и второй (3) для радиопередатчиков и выполнен в виде делителя опорной частоты fo на заданный коэффициент деления для образования требуемых номиналов частот гетеродинных сигналов для преобразования частот «на понижение» в РПр 2.i и на «повышение» в РП 9.i.
Все амплитудно-фазовые модуляторы 6.i (БАФМ) имеют один выход (3) и два входа: первый (1) для извлекаемого из БЦП 3.i сигнала и второй (2) – для сигнала выбранного вида модуляции.
Вычислитель параметров сигналов помеховых модуляций 7 имеет один вход (1) и два выхода: первый (3) для сигнала модулирующей функции по амплитуде и фазе (доплеровская модуляция) и модуляция по дальности и второй (2) для передачи сигнала модулирующей функции по фазе преобразованного излучаемого радиосигнала (поворот фронта его волны).
Фазовращатели 8.i имеют по одному выходу (3) и по два входа: первый (1) – для приема сигнала из устройства БАФМ 6.i и второй (2) – для приема сигнала модулирующей функции по амплитуде и фазе (доплеровская модуляция, модуляция по амплитуде, задержка по времени).
Радиопередатчики 9.i имеют по одному выходу (3) и по три входа: первый (1) – для преобразованного радиосигнала, второй (2) – для сигнала команды формирования радиосигнала и третий (4) – для сигналов гетеродинов синтезаторов частот 5.
Приемная ФАР 1 имеет эфирный вход для приема радиосигналов РЭС и М выходов сигналов излучателей 1.i.
Передающая ФАР 10 имеет эфирный выход и М входов по числу излучателей 10.i
Описание электрических связей
Связи устройств и блоков, входящих в приемо-передающие каналы 11.i идентичны.
В каждом приемо-передающем канале 11.i выход одного излучателя 1.i приемной ФАР 1 соединен с первым (1) входом радиосигнала радиоприемника 2.i (РПр), второй (2) управляющий вход которого соединен со вторым выходом (3) сигнала управления радиоприемником блока анализа и управления 4 (БАУ), третий вход (4) сигнала гетеродина радиоприемника соединен с первым (2) выходом сигнала синтезатора опорных частот 5 (СОЧ) (фиг.1).
Выход (3) радиоприемника 2.i соединен с входом (1) радиосигнала блока цифровой памяти 3.i (БЦП) и входом радиосигнала (2) блока анализа и управления 4 (БАУ). Вход сигнала (2) управления БЦП соединен с выходом (6) сигнала управления БАУ 4.
Выход (3) цифрового сигнала БЦП 3.i соединен с входом (1) блока амплитудно-фазового модулятора 6.i (БАФМ). Вход (1) БАФМ 6.i соединен с выходом (3) блока вычисления параметров модуляции помеховых сигналов 7 (БПС).
Выход (3) БАФМ 6.i сигнала, преобразованного – наделенного помехой цифрового сигнала, соединен с входом (1) фазовращателя 8.i, второй вход (2) которого соединен с выходом (2) сигнала управления БПС 7.
Выход (3) фазовращателя 8.i соединен с входом (1) преобразованного радиосигнала радиопередатчика 9.i. Вход (2) радиопередатчика 9.i соединен с выходом (4) сигнала управления БАУ 4. Вход (4) гетеродина радиопередатчика 9.i. соединен с выходом (3) СОЧ 5.
Выход (3) радиопередатчика 9.i. соединен с входом излучателя 10.i передающей ФАР 10.
Описание работы устройства
Устройство работает следующим образом.
Радиосигналы от РЭС через М излучателей приемной ФАР 1 поступают на первые (1) входы радиоприемников 2.1-2.М. Независимо от закона внутриимпульсной модуляции сигналов РЭС, на выходе устройств цифровой памяти 3.1-3.М формируются отсчеты сигналов РЭС, фазы которых соответствуют отсчетам сигнала пространственной частоты k=sin m(2 / ) k-ой РЭС (фиг.3).
Сдвиг фазы  i в точке i+1 по отношению к фазе в точке i при равномерном шаге d пространственного квантования постоянен и равен (для направления k прихода падающей волны) значению  i= = d=(2 d/ ) sin k.
Таким образом, внешние радиосигналы от нескольких РЭС через излучатели 1.i приемной ФАР поступают на входы (1) радиоприемников 2.i. При этом независимо от закона внутриимпульсной модуляции сигнала k-ой РЭС, на выходе цифровых приемников 2.i, формируются отсчеты сигналов, фазы которых соответствуют отсчетам сигнала пространственной частоты k=sin k(2 / ).
Пространственная частота k однозначно связана с пеленгом k k-ой РЭС. Например, если взять два отсчета i и i+m, то сформированные, соответственно, приемниками 2.i с номерами i и i+m будут иметь относительную разность фаз  i,i+m=k kd, в которой содержится информация о пеленге k k-ой РЭС.
Совокупность всех разностей фаз  i,i+m, i=1, 2…M, m>i позволяет уточнить оценку k, а следовательно повысить точность измерения пеленга k k-ой РЭС. В целом, по совокупности М отсчетов на среднеквадратичную ошибку измерения пеленга можно уменьшить (СКО) в М раз [4].
В каждом радиоприемнике 2.i осуществляется фильтрация по обычным (временным) частотам f, например, с помощью применения алгоритма N-точечного дискретного преобразования Фурье (ДПФ), в результате чего в N раз может быть увеличена чувствительность системы ее разрешения по частоте [4]. Это есть обычные спектральные преобразования.
Блок анализа и управления 4 (БАУ) по второму выходу (3) управляет необходимой аттенюацией входного сигнала с целью увеличения входного амплитудного динамического диапазона РПр 2.i, чтобы осуществлять обработку сигналов без ограничения по амплитуде (фиг.1).
В радиоприемниках 2.i осуществляется аналого-цифровое преобразование с помощью аналого-цифровых преобразователей (АЦП), входящих в цифровые радиоприемники, а также по выходу (3), эти сигналы поступают в БАУ 4, проводится пространственно-временной анализ сигналов и измеряется пеленг 1 сигналов РЭС.
В радиоприемниках осуществляется разделение радиосигналов на квадратурные составляющие. Сигналы цифровых копий (ЦК) квадратурных составляющих радиосигнала с выхода (3) радиоприемников 2.i записываются в цифровую память БЦП 3.i по команде БАУ 4, поступающей на входы 3.i с пятого выхода (6). Сигналы с выходов БЦП 3.i поступают на входы (1) БАФМ 6.i, где наделяются соответствующей помеховой составляющей амплитудно-фазовой модуляцией по доплеровским признакам, амплитудам, задержкам и другим параметрам радиосигнала.
Управление БАФМ 6.i осуществляется БПС 7 по выходу (3), сигналы с которого поступают на управляющие входы БАФМ 6.i.
БАФМ 6.i предназначено для амплитудной и фазовой модуляции сигналов в приемо-передающих каналах с целью введения требуемых функциональных помеховых модуляций в цифровые копии радиосигналов.
В первую очередь такая необходимость возникает в связи с организацией доплеровских (скоростных) уводов с целью срыва сопровождения, а также для имитации ложных сигнальных отметок на этапе обнаружения и целеуказания.
Введение доплеровского смещения частоты Fд в радиосигналы xi, i=1, 2…М осуществляется векторным умножением комплексных отсчетов сигнала хi на множитель
,
где Re(j Fдt)=cos( Fдt), а Im(j Fдt)=sin( Fдt).
Сигнал в комплексном виде xi=aiexp(j i), а в декартовой системе координат в виде
,
где Re(j Fдt) и Im(j Fдt) – действительная и мнимая квадратурные компоненты входного сигнала xi, то речь идет о выполнении операции произведения формул (1) и (2), что осуществляется с использованием известных тригонометрических преобразований косинуса и синуса суммы Fдt и i.


где yi – комплексный отсчет радиосигнала на выходе БЦМ 3.i, который учитывает помеховую модуляцию типа увода по скорости, параметры которой задаются БПС 7 по выходу (3). По этой же цепи (шине) может быть задана программа «согласованного увода» по дальности и скорости, а также другие виды модуляции в пределах возможностей модуляции амплитуды ai и фазы i сигналов БАФМ 6.i.
Кроме того, алгоритм управления БАФМ 6.i может предусматривать создание имитационных помех, в которых задействованы амплитудная модуляция и задержка по дальности.
Параметры сигналов помех, задаваемые в БАФМ 6.i, вычисляются БПС 7, вход, которого (1) связан с выходом (5) БАУ 4. По команде БАУ 4, которое, кроме осуществления пространственно-временного анализа радиосигналов, выявляет степень опасности каждого 1-го РЭС, осуществляет их ранжирование, определяет очередность на обслуживание, назначает адекватное помеховое воздействие для каждого из них, т.е. БПС 7 выполнено в виде сигнального процессора.
Амплитудная модуляция выходного помехового сигнала может осуществляться как на «низком» уровне мощности в БАФМ 6.i, так и на «высоком» уровне мощности в радиопередатчиках 9.i по входам (1), что отражено связью выхода (4) с входом (2) радиопередатчиков 9.i, которая представляет собой шину.
Особым образом в предлагаемом устройстве решается вопрос создания помех угловому каналу, для чего в устройство создания помех введены фазовращатели 8.i, которые обеспечивают для каждой РЭС «комплексный доворот» вектора помехового воздействия yi на значение частоты пространственно-частотного смещения 1=(2 / )sin( i).
Технический эффект изобретения обусловлен введением фазовращателей 8.i, которые изменяют направление переизлучения радиосигналов на заданный угол (аддитивный поворот), либо искажают фронт переизлученного сигнала для формирования угловых ошибок сопровождения в РЭС с моноимпульсными пеленгаторами.
Алгоритм поворота вектора-излучения по углу на значение  k реализует операции (1)-(3) только для пространственной частоты .
Учет углового направления каждой k-ой РЭС при формировании «адресного» ответа учитывается путем выполнения операции комплексного сопряжения «*» над отсчетом yi, что позволяет «выровнять» фазы i и за счет этого отправить ответный сигнал туда, откуда он пришел, либо, куда нужно (по типу, многолучевой линзы «R-2R» [4], «адаптивного котофота» или решетки Ван-Уатта [5]).
Запоминание пространственной частоты с заданного направления осуществляется путем реализации принципа «согласованной фильтрации» сигналов по пространственным частотам (угловым направлениям), что обеспечивается преобразованием действительных и мнимых компонент в блоках прохождения БАФМ 6.i и М 8.i и БАУ 4 и БПС 7 по известным соотношениям «свертки» и «сопряжения» [3, 7].
Синтезатор опорных частот 5, управление которым осуществляет БАУ 4 через вход (6), выполняет функции опорных гетеродинов при реализации принципа многоступенчатого супергетеродинирования.
Прохождение сигнала и их преобразование осуществляется с применением обычных смесителей стандартным образом путем фильтрации «разностных» или «суммарных» частот.
Формирование квадратурных составляющих осуществляется с целью необходимости выполнения операции векторного перемножения комплексных чисел для организации уводов Fд по скорости, либо поворота угла направления излучения на заданный угол  1 режима «адаптивного котофота», что обеспечивается применением «квадратурных схем». Поворот вектора излучения помехового сигнала осуществляется с помощью фазовращателей 8.i, которые обеспечивают поворот фазы фронта волны преобразованного радиосигнала на значение Ф1i= 1id, i=1, 2…М, где d – шаг пространственной ФАР 14 по координате Х (для азимута) или Y (для угла места).
Реализация компонент преобразования частот в радиопередатчиках 9.i аналогична соответствующих компонент радиоприемников 2.i, за исключением настройки фильтров (на «повышение частоты» для РП 9.i и «понижение частоты» для РПР 2.i).
Сигналы с выходов РП 9.i поступают на излучатели 10.i передающей ФАР, которые с учетом запрограммированных фазовых соотношений излучаются в направлении 1 1-ой РЭС.
Признаки изобретения общие с прототипом
Приемная и передающая антенны, радиоприемник, блок цифровой памяти, блок анализа и управления, амплитудно-фазовый модулятор, блок вычисления параметров модуляции помеховых сигналов и радиопередатчик.
Пример конкретного выполнения цифрового устройства создания активных помех
Устройство выполнено по блок-схеме на фиг.1, работает в диапазоне частот 2,5-4,5 ГГц, и имеет одинаковые приемную 1 и передающую 10 ФАР (фиг.2). Каждая ФАР имеет по два плоских спиральных излучателя (М=2) в виде плоских спиральных антенн. Расстояние между излучателями d=0,707 средней рабочей длины волны, что обеспечивает рабочий сектор углов пеленга 1±45°.
Радиоприемники 2.1 и 2.2 выполнены по схеме цифрового супергетеродинного приемника с двойным преобразованием радиочастоты в диапазоне 1±0,25 ГГц. Радиоприемники включают типовые элементы: малошумящие входные усилители высокой частоты (ВЧ), смесители, полосовые фильтры, усилители промежуточной частоты (ПЧ), фазовые детекторы, которые обесмпечивают необходимое усиление, фильтрацию, понижение частоты до ПЧ, включая формирование квадратурных составляющих. Усилители радиоприемников выполнены с логарифмической характеристикой усиления на микросхемах типа ERA и делителях QBA12 [6].
Блоки цифровой памяти 3.1 и 3.2 выполнены на стандартных микросхемах памяти типа триггерной ячейки с адресацией записи и считывания по запросу.
Канальные устройства БЦП 3.i, БАФМ 6.i и фазовращатели 8.i выполнены на микросхемах 1879 ВМЗ, БАУ 4.i и БПС 7.i и на сигнальном процессоре типа TMS-320 [5]. БАУ 4.i выполнен в виде сигнального процессора.
Синтезатор опорных частот 5 выполнен кварцованным с умножителями частоты кварца.
Амплитудно-фазовые модуляторы 6.1 и 6.2. выполнены по схеме безинерционных тригонометрических преобразователей сигналов, пропорциональных sin( ± ) и cos( ± ), где – промежуточная частота (1 ГГц),  – девиация промежуточной частоты ±0,25 ГГц. При изготовлении таких преобразователей были использованы умножители, сумматоры и вычитатели на микросхемах [5, 6].
Вычислитель параметров помеховых модуляций БПС 7.i выполнен как сигнальный процессор [5].
Фазовращатели 8.i выполнены аналогично амплитудно-фазовым модуляторам 6.1 и 6.2, но в этом случае для пространства частот ± , =±6 ГГц.
Радиопередатчики 9.1 и 9.2 выполнены как повышающие квадратурные преобразователи с усилением и двукратным преобразованием частоты «на повышение» в квадратурных каналах [5, 6].
Испытание опытного образца устройства показало, что технический результат изобретения достигнут. Устройство формирует адекватный (когерентно-синхронный согласованный с угловым направлением и доплеровской частотой) помеховый сигнал для подавления РЭС по угловому каналу обнаружения и сопровождения.
Опытный образец устройства создает помехи каналам обнаружения и сопровождения РЭС по дальности, скорости, пеленгу (азимуту и углу места).
Источники информации
1. Перунов Ю.М., Фомичев К.И.. Юдин Л.М. Радиоэлектронное подавление информационных каналов систем управления оружием. – М.: Радиотехника, 2003.
2. Горбунов Ю.Н. Технология цифрового запоминания пространственных частот DRFM – S и перспективы ее внедрения в авионику нового поколения. Радиотехника, 2003, №1.
3. Горбунов Ю.Н., Галашин М.Е., Мельников М.Ю. Оценка возможностей учета угловых направлений приема и излучения сигналов с использованием технологии цифрового запоминания частоты (DRFM). Вопросы радиоэлектроники, 2004, вып.1. Системы и средства автоматизированной обработки информации специальной техники (СОИУ).
4. Van Brunt L.V.B. Applied ECM. E.W. Engineering, USA. 1978, V 1.
5. Фирма Texas Instrument. Сайт в Интернете: www.tms.com.
6. Сайт в Интернете: www.hittitt, www.agilent.com.
7. Горбунов Ю.Н. Цифровые системы СДЦ. Учебное пособие. – Челябинский политехнический институт. 1985.
Формула изобретения
Цифровое устройство создания активных помех, содержащее приемную и передающую антенну, блок анализа и управления, блок вычисления параметров модуляции помеховых сигналов, отличающийся тем, что в него введены М радиопередатчиков, М радиоприемников, М блоков цифровой памяти, М амплитудно-фазовых модуляторов, М фазовращателей, синтезатор опорных частот, имеющий вход сигнала управления и соответственно две группы выходов сигналов гетеродинов – первую для М радиоприемников и вторую для М радиопередатчиков, при этом приемная и передающая антенны выполнены в виде плоских линейных фазированных антенных решеток с М излучателями каждая, М радиоприемников выполнены цифровыми, причем i-й излучатель приемной фазированной антенной решетки, где i=1, 2, …, М, соединен с первым входом i-го радиоприемника, выход i-го радиоприемника соединен с соответствующим входом блока анализа и управления для проведения пространственно-временного анализа с выходов М радиоприемников и измерения пеленгов сигналов радиоподавляемых средств, а также соединен с первым входом i-го блока цифровой памяти, выход которого соединен с первым входом i-го амплитудно-фазового модулятора, выход которого соединен с первым входом i-го фазовращателя, выход которого соединен с первым входом i-го радиопередатчика, выход которого соединен с i-м излучателем передающей фазированной антенной решетки, кроме того, первый выход блока анализа и управления соединен с входом сигнала управления синтезатора опорных частот для подачи команд на включение гетеродинов преобразования частоты, второй выход блока анализа и управления соединен со вторыми входами М радиоприемников для управления усилением сигналов промежуточной частоты, третий выход блока анализа и управления соединен со вторыми входами М радиопередатчиков для подачи сигнала команды формирования радиосигнала и о назначении вида помеховой модуляции, четвертый выход блока анализа и управления соединен с входом блока вычисления параметров модуляции помеховых сигналов для подачи сигнала команды об исполнении, пятый выход блока анализа и управления соединен с входом сигнала команды на запись i-го блока цифровой памяти, кроме того, первая группа выходов синтезатора опорных частот соединена с третьими входами М радиоприемников, вторая группа выходов синтезатора опорных частот соединена с третьими входами М радиопередатчиков, первый выход блока вычисления параметров модуляции помеховых сигналов, являющийся выходом сигнала выбранной модулирующей функции по амплитуде и фазе и модуляции по дальности, соединен со вторым входом i-го амплитудно-фазового модулятора, второй выход блока вычисления параметров модуляции помеховых сигналов соединен со вторым входом i-го фазовращателя для передачи сигнала модулирующей функции по фазе преобразованного излучаемого радиосигнала.
РИСУНКИ
|