|
|
(21), (22) Заявка: 2007125455/28, 05.07.2007
(24) Дата начала отсчета срока действия патента:
05.07.2007
(46) Опубликовано: 20.03.2009
(56) Список документов, цитированных в отчете о поиске:
RU 2119159 С1, 20.09.1998. SU 309296 А1, 15.09.1971. SU 1673951 А1, 30.08.1991. DE 3836343 А1, 01.06.1989.
Адрес для переписки:
606030, Нижегородская обл., г. Дзержинск, ул. Попова, 28Б, кв.83, В.Д. Ефимову
|
(72) Автор(ы):
Ефимов Владимир Дмитриевич (RU)
(73) Патентообладатель(и):
Ефимов Владимир Дмитриевич (RU)
|
(54) УСТРОЙСТВО ДЛЯ ХРОМАТОГРАФИЧЕСКОГО РАЗДЕЛЕНИЯ СМЕСИ ГАЗОВ И ПАРОВ
(57) Реферат:
Изобретение относится к устройствам для разделения смеси газов и паров методом газовой хроматографии. Техническим результатом является повышение эффективности и производительности разделения сложных многокомпонентных смесей. Устройство для хроматографического разделения смеси газов и паров содержит три колонки, одна из которых служит для регенерации слоя сорбента от тяжелой фракции смеси, а две другие – для разделения смеси и вывода легкой фракции, колонки разделены на секции, каждая из которых заполнена селективным к компонентам разделяемого вещества сорбентом. При этом в линии вывода легких и тяжелых фракций после сборников фракций через коллектор и управляемые переключающие элементы устанавливаются хроматографические модули, содержащие по три колонки, одна из которых служит для регенерации слоя сорбента от более тяжелой фракции, а две другие – для разделения смеси и вывода компонентов легкой фракции, колонки разделены на секции, заполненные селективным к компонентам разделяемой фракции сорбентом, подвижным под напором газа-носителя, ввод которого осуществляется с первой секции, а отвод – с последней по отводному каналу, проходящему через колонку и заполненному слоем неподвижного сорбента, количество хроматографических модулей для разделения бинарных фракций пропорционально количеству этих фракций в многокомпонентной разделяемой смеси, причем технологические параметры модулей: температура, объем разделяемых фракций, селективность сорбента, диаметр и длина колонок – индивидуальны. 1 ил.
Изобретение относится к устройствам для разделения смеси газов и паров методом газовой хроматографии и может быть использовано при глубокой переработке углеводородного сырья, каталитическом крекинге, производстве нефтеполимерных смол.
Известно устройство (1) для хроматографического разделения бинарных смесей газов и паров, содержащее три хроматографические колонки, одна из которых служит для регенерации слоя сорбента от тяжелой фракции смеси, а две другие – для разделения смеси и вывода легкой фракции. Хроматографические колонки соединены друг с другом переходными каналами, в которых установлены переключающие элементы, каждая из колонок дополнительными газовыми каналами с установленными переключающими элементами соединена с источником разделяемой смеси и с системой приемников для сбора фракций. Недостатком устройства (1) является использование хроматографических колонок со стационарным слоем сорбента при заданной чистоте выделяемого продукта.
Известно устройство (2) для хроматографического разделения смеси газов и паров, содержащее три хроматографические колонки, одна из которых служит для регенерации слоя сорбента от тяжелой фракции смеси, а две другие – для разделения смеси и вывода разделяемой фракции, соединенные друг с другом переходными каналами, в которых установлены переключающие элементы. Каждая из колонок дополнительными газовыми каналами с установленными в них управляемыми переключающими элементами соединена с системой дозирования и испарения жидкой пробы разделяемой смеси, состоящей из расходной емкости, нагнетателя, испарителя и нагревателя газа-носителя, и с системой приемников для сбора фракций. Колонки разделены на секции, каждая из которых заполнена селективным к компонентам разделяемого вещества сорбентом, подвижным под напором газа-носителя. Ввод газа-носителя осуществляется с первой секции, а отвод – с последней секции по отводному каналу, проходящему через колонку и заполненному слоем неподвижного сорбента. Устройство может работать в комбинированном режиме с подвижным и неподвижным слоем сорбента.
Недостаток устройства (2) – малая глубина переработки на уровне бинарных смесей, а следовательно, и невысокая эффективность и производительность.
Целью изобретения является более глубокое хроматографическое разделение сложных многокомпонентных смесей с высокой эффективностью и производительностью.
Поставленная цель достигается тем, что в предлагаемое устройство для хроматографического разделения смеси газов и паров в линии вывода легких и тяжелых фракций после сборников фракций через коллектор и управляемые переключаемые элементы устанавливаются хромотографические модули, содержащие по три колонки, одна из которых служит для регенерации от более тяжелой фракции, а две другие – для разделения смеси и вывода легкой фракции. Каждая из колонок модуля дополнительными каналами с установленными в них управляемыми переключающими элементами соединена со сборником фракций, разделяемая смесь в котором находится в газообразном состоянии и подается в колонки импульсно по времени. Колонки разделены на секции, заполненные селективным к компонентом разделяемого вещества сорбентом, подвижным под напором газа-носителя. Ввод газа-носителя осуществляется с первой секции, а отвод – с последней секции по отводному каналу, проходящему через колонку и заполненному слоем неподвижного сорбента. Происходит более глубокий процесс разделения многокомпонентной смеси в непрерывном режиме. Естественно, что физико-химические свойства компонентов или фракций разделяемой сложной смеси различны, поэтому технические параметры устанавливаемых модулей: температура, объем разделяемых фракций, селективность сорбентов, диаметр и длинна колонок – индивидуальны.
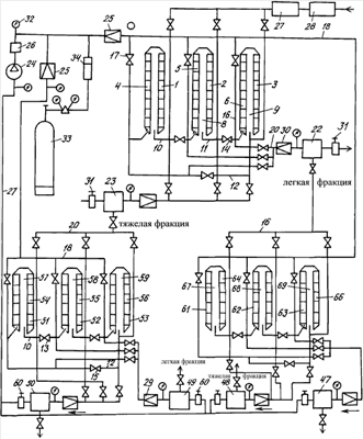
На чертеже представлена принципиальная газовая схема устройства. Устройство содержит хроматографические колонки 1, 2, 3, разделенные сетками на секции 4, 5, 6, каждая из которых заполнена сорбентом, позволяющим работать в псевдоожиженном режиме. Часть сечения колонок в виде отводных каналов 7, 8, 9, с последней секции колонки выводят разделяемую смесь через переходные каналы 10, 11, 12, в которых установлены переключающие элементы, выполненные, например, в виде малогабаритных мембранных клапанов 13, 14, 15, управляемых с помощью сжатого воздуха. Для подвода и вывода газовых потоков в каждой колонке предусмотрены каналы 16 с управляемыми переключающими элементами 17. Устройство содержит также сборник легкой фракции 22 и тяжелой фракции 23, выводимых из хромотографических колонок 1, 2, 3 в газообразном состоянии через коллекторы 19 и 20. Потоки формируются регуляторами давления 29, 30 с манометрами 32. На сборниках фракций 22, 23 установлены предохранители 31.
Для более глубокой переработки разделяемой смеси к сборникам 22, 23 подключаются модули, содержащие колонки 51, 52, 53 и 61, 62, 63. Колонки разделены на секции 54, 55, 56 и 64, 65, 66, каждая из которых заполнена сорбентом, позволяющим работать в псевдоожиженном режиме. Часть сечения колонок в виде отводных каналов 57, 58, 59, 67, 68, 69, заполненных неподвижным слоем сорбента, с последней секции колонок выводят тяжелые и легкие фракции разделяемой смеси. Для конденсации и сбора тяжелых фракций имеются сборники 48, 50, а легких фракций – сборники 47, 49. Количество ступеней разделения устанавливается в зависимости от глубины переработки исходной смеси и количества полезных компонентов.
Регулируемые потоки газа-носителя из сборников фракций 47, 48, 49, 50 объединяются и поступают через коллектор 27 на компрессор 24, проходя очистку в установленных на линии нагнетания 18 фильтрах 26, образуя при этом замкнутую систему рециркуляции газа-носителя. Возможные потери газа-носителя при конденсации выделяемых фракций компенсируются потоками газа из баллона высокого давления 33. Поток газа-носителя из источника 33 контролируется измерителем расхода 34.
Разделяемая смесь перед подачей ее в коллектор 21 с помощью нагнетающего устройства 28 вводится в систему 27 для подготовки разделяемой смеси, которая может включить испаритель для испарения жидкости (если разделяемая смесь жидкая) или устройство для нагрева газа до температуры колонки (если разделяемая смесь газообразная).
В начальный момент поток газа-носителя (w2), обеспечивающий работу сорбента в псевдоожиженном режиме, из общего коллектора 18 подается на вход хроматографической колонки 1, осуществляя ее регенерацию от тяжелой фракции, при этом переходный канал 12 между колонками 1 и 3 перекрыт клапаном 15. С последней секции колонки поток через отводной канал 7 возвращается к началу колонки и часть его (w1) сбрасывается в коллектор 19 для сбора тяжелой фракции смеси. Оставшаяся часть потока (w2-w1) проходит через колонки 2 и 3 и с выхода колонки 3 направляется в коллектор 20 для сбора легкой фракции разделяемой смеси.
Введенная порция смеси, подхваченная потоком w2 газа-носителя, перемещается вдоль слоя сорбента в колонке 3 в направлении выхода потока w2 газа-носителя. В тот момент времени, когда определенное сечение перемещающейся хроматографической полосы пройдет половину длины колонки 3, автоматически переключают клапаны на каналах для подвода и вывода газовых потоков, при этом места ввода и вывода газа-носителя перемещаются вдоль колонок на расстояние, равное длине одной колонки. В этом положении газ-носитель (поток w2) подается на вход колонки 2, осуществляя ее регенерацию. Клапан 13 в переходном канале между колонками 1 и 2 перекрывается, а выход колонки 3 подсоединяется ко входу колонки 1. При этом часть потока газа-носителя (w1) после прохождения через колонку 2 сбрасывается в коллектор 19 для сбора тяжелой фракции смеси, а остальная часть потока (w2-w1) проходит через колонки 3 и 1 и выводится в коллектор 20 для сбора легкой фракции смеси.
w1 – скорость потока газа-носителя, соответствующая началу псевдоожижения сорбента,
w2 – скорость потока газа-носителя, соответствующая концу псевдоожижения сорбента, причем w2-w1 w1.
Хроматографическая полоса, в которой происходит разделение компонентов смеси за счет различия в скоростях перемещения их вдоль слоя сорбента, переходит из колонки 3 в колонку 1 с потоком (w2-w1) газа-носителя. В момент, когда среднее сечение хроматографической полосы пройдет через колонку 3 и начнет переходить колонку 1, вводят свежую порцию смеси в это сечение. После того как среднее сечение суммарной хроматографической полосы, образованной после двух последовательных вводов порций смеси, пройдет половину длины колонки 1, перемещают точки ввода и вывода газа-носителя вдоль колонок на расстояние, равное длине одной колонки. При этом с помощью клапана 14 перекрывают переходной канал между колонками 2 и 3 и одновременно выход колонки 1 соединяют со входом колонки 2. В этом положении поток газа-носителя (w2) вводится на вход колонки 3, осуществляя ее регенерацию, и часть w1 потока выводится с выхода этой колонки в коллектор 19 для сбора тяжелой фракции смеси, а остальная часть w2-w1 потока выходит из колонки 2 в коллектор 20 для сбора легкой фракции смеси.
Таким образом, при каждой фазе цикла прохождения хроматографической полосы через три колонки в одной из колонок при наибольшей скорости газа-носителя w2 осуществляется регенерация от тяжелой фракции, а две других служат для разделения смеси и вывода легкой фракции. Хроматографическая полоса, фронт которой обогащен по легкой фракции разделяемой смеси, а хвост – по тяжелой, перемещается в потоке газа-носителя вдоль слоя сорбента и постепенно переходит из колонки 1 в колонку 2. В момент, когда среднее сечение хроматографической полосы, концентрация разделяемых компонентов в котором близка к концентрации компонентов в исходной смеси, прошло через колонку 1 и начинает переходить в колонку 2, вводят свежую порцию смеси в переходный канал.
Суммарная хроматографическая полоса продолжает перемещаться с потоком газа-носителя из колонки 1 в колонку 2, и в момент, когда среднее сечение ее пройдет половину длины колонки 2, перемещают точки ввода и вывода газовых потоков в направлении перемещения хроматографической полосы на расстояние, равное длине колонки. Одновременно с перемещением точек ввода и вывода газовых потоков выход колонки 2 соединяют со входом колонки 3, а переходный канал между колонками 1 и 3 перекрывают. В этом положении газ-носитель подают на вход колонки 1, после прохождения через которую часть w1 потока сбрасывается в коллектор 19 для сбора тяжелой фракции, другая часть w2-w1 потока проходит через колонки 2 и 3 и выводится с выхода колонки 3 в коллектор для сбора легкой фракции.
Начиная с этого момента, схема возвращается в исходное состояние, и цикл перемещения точек ввода и вывода газовых потоков, а также циклы подпитки хроматографической полосы свежими порциями разделяемой смеси повторяются в описанной последовательности.
Процесс осуществляют без отбора разделяемых компонентов смеси до тех пор, пока длина суммарной хроматографической полосы на слое сорбента в процессе ее циркуляции, сопровождающемся расширением ее, не станет равной длине колонки. Начиная с этого момента, каждое перемещение мест ввод и вывода газовых потоков в направлении движения хроматографической полосы сопровождается отбором продуктов с концевых частей полосы, обогащенных по разделяемым компонентам.
Например, если схема находится в положении, при котором ширина хроматографической полосы на слое сорбента больше длины колонки, то к этому моменту передняя часть хроматографической полосы, обогащенная по легкому компоненту, пройдет колонку 2 и будет выведена с потоком газа-носителя в коллектор 20 для сбора легкой фракции. Оставшаяся в колонке 1 задняя часть хроматографической полосы, обогащенная по тяжелому компоненту, в следующий момент при перемещении места ввода и вывода газа-носителя будет сбрасываться с частью w1 потока в коллектор 19.
Время между перемещениями точек ввода и вывода газовых потоков в направлении движения хроматографической полосы равно времени, за которое среднее сечение хроматографической полосы проходит расстояние, равное длине колонки. Оно может быть легко определено из предварительных опытов по периодическому разделению порций смеси. Промежуток времени между моментами перемещения мест ввода и вывода потоком газа-носителя и моментом подачи свежей порции смеси в среднее сечение хроматографической полосы равен половине промежутка времени между двумя последующими перемещениями точек ввода и вывода.
В начале многокомпонентная смесь делится в колонках 1, 2, 3 на легкую фракцию, образованную легкими компонентами, и тяжелую фракцию, образованную тяжелыми компонентами. Первая ступень разделения многокомпонентной газообразной смеси на легкие и тяжелые фракции в хроматографических колонках 1, 2, 3 заканчивается сборниками фракций 22, 23, к которым подключается вторая ступень разделения, состоящая из хроматографических колонок 51, 52, 53, и третья ступень разделения, состоящая из хроматографнческнх колонок 61, 62, 63. Дозирование газообразной смеси из сборников 22, 23 осуществляется импульсно через коллектор 16, 20 и управляемые клапаны 17. Последовательность работы хроматографических колонок второй и третьей ступени подобна работе препоративных колонок 1, 2, 3, так как они объединены общим потоком газа-носителя.
Однако температура, сорбент, объем разделяемых фракций, диаметр и длина хроматографических колонок индивидуальны в зависимости от физико-химических свойств компонентов, входящих в выделяемые фракции.
Количество степеней разделения зависит от количества фракций и заданной глубины переработки исходной многокомпонентной смеси. Предлагаемая схема позволяет эффективно перерабатывать многокомпонентные сложные смеси в непрерывном режиме разделения с высокой производительностью.
Источники информации
1. Авторское свидетельство СССР №309 296, Кл G 01 №31/08
2. Патент №2119159 на изобретение «Устройство для хроматографического разделения смеси газов и паров», заявка 97102466 от 17.02.1997 г. – прототип.
Формула изобретения
Устройство для хроматографического разделения смеси газов и паров, содержащее три колонки, одна из которых служит для регенерации слоя сорбента от тяжелой фракции смеси, а две другие – для разделения смеси и вывода легкой фракции, колонки разделены на секции, каждая из которых заполнена селективным к компонентам разделяемого вещества сорбентом, подвижным под напором газа-носителя, ввод которого осуществляется с первой секции, а отвод – с последней секции по отводному каналу, проходящему через колонку и заполненному слоем неподвижного сорбента, колонки соединены друг с другом переходными каналами с установленными в них переключающими элементами, каждая из колонок каналами с установленными в них управляемыми переключающими элементами соединена с устройством подготовки и ввода пробы разделяемой смеси и сборниками фракций, отличающееся тем, что, с целью повышения эффективности и производительности разделения сложных многокомпонентных смесей, в линии вывода легких и тяжелых фракций после сборников фракций через коллектор и управляемые переключающие элементы устанавливаются хроматографические модули, содержащие по три колонки, одна из которых служит для регенерации слоя сорбента от более тяжелой фракции, а две другие – для разделения смеси и вывода компонентов легкой фракции, колонки разделены на секции, заполненные селективным к компонентам разделяемой фракции сорбентом, подвижным под напором газа-носителя, ввод которого осуществляется с первой секции, а отвод – с последней по отводному каналу, проходящему через колонку и заполненному слоем неподвижного сорбента, количество хроматографических модулей для разделения бинарных фракций пропорционально количеству этих фракций в многокомпонентной разделяемой смеси, причем технологические параметры модулей: температура, объем разделяемых фракций, селективность сорбента, диаметр и длина колонок индивидуальны.
РИСУНКИ
|
|