|
|
(21), (22) Заявка: 2007134888/06, 19.09.2007
(24) Дата начала отсчета срока действия патента:
19.09.2007
(30) Конвенционный приоритет:
22.09.2006 DE 102006044820.0
(46) Опубликовано: 20.03.2009
(56) Список документов, цитированных в отчете о поиске:
DE 10246807 A1, 22.04.2004. DE 3608294 A1, 17.09.1987. FR 2582723 A1, 05.12.1986. SU 676743 A1, 30.07.1979. SU 530102 A1, 30.09.1976. SU 1333796 A1, 30.08.1987.
Адрес для переписки:
129090, Москва, ул. Б.Спасская, 25, стр. 3, ООО “Юридическая фирма Городисский и Партнеры”, пат.пов. А.В.Мицу
|
(72) Автор(ы):
РААБ Готтфрид (AT), КИСЛИНГЕР Петер (AT), БАУЭР Хайдрун (AT)
(73) Патентообладатель(и):
МАН НУТЦФАРЦОЙГЕ ЭСТЕРРАЙХ АГ (AT)
|
(54) СИСТЕМА И СПОСОБ ОХЛАЖДЕНИЯ ДВИГАТЕЛЯ ВНУТРЕННЕГО СГОРАНИЯ
(57) Реферат:
Изобретение относится к системам охлаждения двигателя внутреннего сгорания. Предложены способ и система для охлаждения двигателя внутреннего сгорания, имеющего линию подачи воздуха наддува, включающую в себя первый и второй охлаждающие контуры; причем первый охлаждающий контур работает на более высоком температурном уровне, чем второй охлаждающий контур; при этом линия подачи воздуха наддува имеет, по меньшей мере, одно устройство промежуточного охлаждения, имеющее тепловую связь со вторым охлаждающим контуром, выполненным с возможностью регулирования расхода хладагента. Система характеризуется тем, что второй охлаждающий контур имеет, по меньшей мере, один перекрывающий элемент, с помощью которого расход хладагента во втором охлаждающем контуре можно дросселировать до 0 (нуля), то есть можно перекрывать, при работе двигателя внутреннего сгорания в зависимости от рабочего параметра компонента транспортного средства. Изобретение обеспечивает повышение эксплуатационных характеристик за счет минимального расхода хладагента в низкотемпературном контуре охлаждения в выборочных рабочих режимах. 2 н., 7 з.п. ф-лы, 2 ил.
Изобретение относится к способу и системе охлаждения двигателя внутреннего сгорания, имеющего линию подачи наддува воздуха; причем система охлаждения имеет первый охлаждающий контур и второй охлаждающий контур; при этом первый охлаждающий контур работает на более высоком температурном уровне, чем второй охлаждающий контур, и линия подачи воздуха с наддувом имеет, по меньшей мере, одно устройство промежуточного охлаждения, которое имеет тепловую связь со вторым охлаждающим контуром, выполненным с возможностью регулирования охлаждающей мощности.
Современные двигатели внутреннего сгорания, в частности дизельные двигатели, имеют промежуточное охлаждение, с помощью которого охлаждается воздух, используемый для наддува в двигатель внутреннего сгорания. Промежуточное охлаждение требуется, с одной стороны, в связи с нагреванием турбонагнетателя выхлопными газами двигателя. Это нагревание обусловлено совместным расположением турбины и компрессора на одном валу и тепловым контактом двух кожухов, соединенных с ним. По причине теплового контакта имеет место теплопередача от турбонагнетателя выхлопных газов в компрессор наддува воздуха.
С другой стороны, воздух, отбираемый компрессором наддува воздуха, обычно нагревается до температуры около 180°С, или даже выше, двухступенчатым сжатием. Отбираемый воздух наддува расширяется с повышением температуры, в результате чего уменьшается доля кислорода в единице объема. Это снижение доли кислорода является причиной снижения характеристик работы двигателя. Для устранения этого последствия в двигателях транспортных средств также используются упомянутые выше промежуточные охладители. Промежуточный охладитель охлаждает нагретый воздух, и в результате этого повышается плотность заряда топливной смеси, поступающей на сгорание в цилиндре. Таким образом, благодаря повышенному содержанию кислорода в воздухе наддува из расчета на единицу объема обеспечивается возможность сгорания большего количества топлива. В результате этого повышаются характеристики работы, и это повышение может доходить до приблизительно 30%. При этом выделение окиси азота снижается за счет промежуточного охлаждения, поскольку также обеспечивается более низкая температура сгорания в связи с более низкой входной температурой воздуха наддува.
В свете вышеизложенного система охлаждения для двигателя внутреннего сгорания с косвенным промежуточным охлаждением также известна из документа DE 10246807 А1. Эта система охлаждения содержит два охлаждаемых воздухом теплообменника и промежуточный охладитель. Система охлаждения имеет единый охлаждающий контур для охлаждения двигателя внутреннего сгорания, содержащий главный охлаждающий контур, имеющий основной охладитель хладагента, и вспомогательный охлаждающий контур для охлаждения вспомогательного носителя. Вспомогательный охлаждающий контур ответвляется в точке ветвления от главного контура охлаждения и проходит обратно в точку ветвления, расположенную между основным охладителем хладагента и насосом нагнетания хладагента. Помимо этих двух охладителей также имеется промежуточный охладитель, при помощи которого охлаждается воздух наддува, поступающий в двигатель внутреннего сгорания. Технический результат этого решения заключается в том, что охлаждающие контуры работают на разных температурных уровнях, причем нагнетающий насос охлаждения выполнен с возможностью регулирования сообразно объему нагнетаемого потока, характеристикам нагнетания и/или давлению нагнетания.
Помимо упомянутой публикации также известна, например, система охлаждения для двигателей с наддувом, раскрытая в DE 102006010247, в которой устройство промежуточного охлаждения имеет промежуточный охладитель воздуха наддува и основной охладитель воздуха наддува. Поскольку воздух наддува сжимается в этом техническом решении двумя ступенями, воздух наддува охлаждается между компрессором низкого давления и компрессором высокого давления с помощью промежуточно-промежуточного охладителя, при этом основной промежуточный охладитель охлаждает воздух наддува, выходящий из компрессора высокого давления.
Упоминаемые выше системы имеют тот недостаток, что на охлаждающий контур, работающий в каждом случае на более низком температурном уровне, и с которым также соединены промежуточные охладители, например во всех рабочих режимах, попадает хладагент, вследствие чего соответствующие компоненты двигателя всегда охлаждаются при работе двигателя внутреннего сгорания. Однако, независимо от минимальной охлаждающей мощности в низкотемпературном охлаждающем контуре имеются такие рабочие режимы двигателя внутреннего сгорания, как, например, стадия пуска или определенные фазы для восстановления компонентов обработки выхлопных газов, во время которых (режимов) необходимы повышенные температуры.
Целью настоящего изобретения является создание системы охлаждения для двигателя внутреннего сгорания с нагнетателем, в которой его охлаждение, выполняемое минимальным расходом хладагента в низкотемпературном контуре охлаждения, надежно предотвращено в определенных, выборочных рабочих режимах. В частности, этапы работы двигателя внутреннего сгорания в прогретом состоянии сокращены, и временное повышение температурного уровня воздуха наддува обеспечивается в кратчайшее возможное время, прежде всего – за счет определенной методики восстановления компонентов обработки выхлопного газа. Заявляемая система охлаждения прежде всего имеет сравнительно простое техническое исполнение, и выполнена с возможностью незамедлительного реагирования на изменения рабочих параметров двигателя внутреннего сгорания, расположенной после него системы обработки выхлопных газов, и на переменные величины состояния охлаждающих контуров.
Упомянутая цель достигнута посредством создания системы охлаждения двигателя внутреннего сгорания с линией подачи наддува воздуха, имеющей первый и второй охлаждающие контуры, причем первый охлаждающий контур работает на более высоком температурном уровне, чем второй охлаждающий контур; при этом линия подачи воздуха наддува имеет, по меньшей мере, одно устройство промежуточного охлаждения, имеющее тепловую связь со вторым охлаждающим контуром, выполненным с возможностью регулирования проходящего через него хладагента, характеризующейся тем, что второй охлаждающий контур имеет, по меньшей мере, один перекрывающий элемент, с помощью которого хладагент, проходящий во втором охлаждающем контуре, может быть дросселирован до нуля, то есть перекрыт, при работе двигателя внутреннего сгорания в зависимости от рабочего параметра компонента транспортного средства и/или от других влияющих переменных, таких как температура окружающей среды.
Предпочтительно, компонентом транспортного средства является двигатель внутреннего сгорания, по меньшей мере, один из охлаждающих контуров и/или система обработки выхлопного газа.
Предпочтительно, линия подачи воздуха наддува имеет компрессор низкого давления и компрессор высокого давления, а устройство промежуточного охлаждения имеет промежуточный охладитель и основной охладитель, при этом промежуточный охладитель подключен между компрессором низкого давления и компрессором высокого давления в направлении потока воздуха наддува, и основной охладитель подключен после компрессора высокого давления.
Предпочтительно, устройство промежуточного охлаждения имеет, по меньшей мере, один температурный датчик и клапан, функционально связанный управляющими средствами с температурным датчиком, подключенным после него в направлении потока хладагента.
Предпочтительно, перекрывающий элемент скомбинирован с функцией снижения или ограничения давления либо подключен последовательно к редуктору давления или клапану ограничения давления.
Упомянутая цель также достигнута посредством создания способа охлаждения двигателя внутреннего сгорания с наддувом, поступающим по линии подачи наддува воздуха, в которой хладагент циркулирует в первом и втором охлаждающих контурах, причем первый охлаждающий контур работает на более высоком температурном уровне, чем второй охлаждающий контур; при этом линия подачи воздуха наддува имеет, по меньшей мере, одно устройство промежуточного охлаждения, которое передает тепло от воздуха наддува во второй охлаждающий контур, выполненный с возможностью регулирования проходящего через него хладагента. Способ характеризуется тем, что хладагент, проходящий во втором охлаждающем контуре, дросселируют до нуля, то есть перекрывают, при работе двигателя внутреннего сгорания в зависимости от рабочего параметра или изменения состояния компонента транспортного средства и/или от других влияющих переменных, таких как температура окружающей среды.
Предпочтительно, поток хладагента перекрывают в зависимости от рабочего параметра или изменения состояния двигателя внутреннего сгорания, по меньшей мере, одного из охлаждающих контуров и/или, по меньшей мере, одного компонента системы обработки выхлопных газов.
Таким образом, согласно изобретению система охлаждения двигателя внутреннего сгорания, имеющая линию подачи воздуха наддува, содержащую первый и второй охлаждающие контуры, из которых первый охлаждающий контур работает на более высоком температурном уровне, чем второй охлаждающий контур; и упомянутая линия подачи воздуха наддува имеет, по меньшей мере, одно устройство промежуточного охлаждения, имеющее тепловую связь со вторым охлаждающим контуром, выполненным с возможностью регулирования расхода хладагента, при этом система имеет, по меньшей мере, один перекрывающий элемент во втором охлаждающем контуре, при помощи которого расход хладагента во втором охлаждающем контуре можно дросселировать до нуля, то есть перекрывать, при работе двигателя внутреннего сгорания в зависимости от рабочего параметра или изменения состояния, по меньшей мере, одного компонента транспортного средства и/или других влияющих переменных величин. Перекрытие второго охлаждающего контура, то есть низкотемпературного контура охлаждения предпочтительно осуществляют в зависимости от рабочего параметра или изменения состояния двигателя внутреннего сгорания, одного из охлаждающих контуров, и/или, по меньшей мере, одного компонента системы обработки выхлопных газов.
Охарактеризованное выше изобретение характеризуется тем, что расход хладагента в низкотемпературном контуре можно перекрывать полностью в зависимости от рабочих параметров или изменений состояния определенных компонентов транспортного средства, например, двигателя внутреннего сгорания, системы охлаждения или системы обработки выхлопных газов, которые (параметры или изменения) выбираются или запоминаются в центральном управляющем блоке. При помощи системы охлаждения в соответствии с изобретением обеспечивается возможность, даже при работе двигателя внутреннего сгорания, полного перекрывания обычного минимального расхода хладагента в низкотемпературном контуре, по меньшей мере, временно в зависимости от заданного критерия выбора решения для определенного характера эксплуатации. Таким образом, в определенных заданных состояниях эксплуатации, надежным образом исключается охлаждение двигателя и определенных компонентов транспортного средства, имеющих тепловую связь с низкотемпературным контуром, например, компонентов системы обработки выхлопных газов, которое в других случаях осуществляется минимальным расходом хладагента.
В предпочтительном варианте осуществления изобретения система охлаждения скомбинирована с двухступенчатым сжатием воздуха наддува. Этот технический результат изобретения отличается тем, что линия подачи воздуха наддува имеет компрессор низкого давления и компрессор высокого давления, а устройство промежуточного охлаждения имеет промежуточный охладитель и основной охладитель. Промежуточный охладитель подключен между компрессором низкого давления и компрессором высокого давления в направлении потока воздуха наддува; и основной охладитель установлен после компрессора высокого давления. При этом управляемый термостатом клапан предпочтительно установлен после промежуточного охладителя и/или основного охладителя в низкотемпературном охлаждающем контуре, в результате чего расход хладагента в двух охладителях регулируется в зависимости от температуры или температур во втором охлаждающем контуре в направлении потока хладагента после охладителей.
Согласно предпочтительному варианту осуществления изобретения перекрывающий элемент во втором охлаждающем контуре имеет предохранительный клапан. Этот предохранительный клапан ограничивает давление во втором охлаждающем контуре, и поэтому в случае необходимости охлаждаемый воздухом низкотемпературный теплообменник, то есть теплообменник, по которому тепло выводится из второго охлаждающего контура в окружающую среду, защищен от недопустимых всплесков давления.
Кроме того, в соответствии со способом согласно настоящему изобретению в двигатель внутреннего сгорания поступает воздух наддува по линии подачи воздуха наддува, и хладагент циркулирует в первом и втором охлаждающих контурах. Первый охлаждающий контур работает на более высоком температурном уровне, чем второй охлаждающий контур, и линия подачи воздуха наддува имеет, по меньшей мере, одно устройство промежуточного охлаждения, которое передает тепло от воздуха наддува во второй охлаждающий контур, в котором расход хладагента предпочтительно регулируется в зависимости от рабочих параметров данного транспортного средства. Согласно способу при работе двигателя внутреннего сгорания расход хладагента во втором охлаждающем контуре дросселируют до нуля, то есть перекрывают, в зависимости от рабочего параметра или изменения состояния компонента транспортного средства и/или других влияющих переменных. Перекрытие предпочтительно выполняют в зависимости от рабочего параметра или изменения состояния двигателя внутреннего сгорания, по меньшей мере, одного из охлаждающих контуров, и/или, по меньшей мере, одного компонента системы обработки выхлопных газов.
Далее настоящее изобретение будет описано более подробно со ссылкой на прилагаемые чертежи, иллюстрирующие неограничивающий вариант осуществления изобретения. На чертежах:
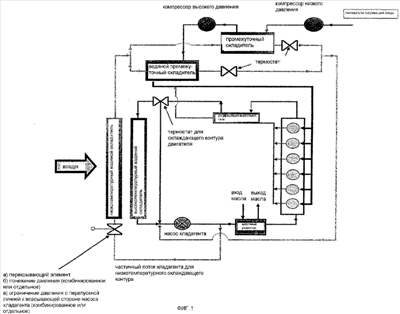
Фиг.1 – система охлаждения с высоко- и низкотемпературными охлаждающими контурами, а также с перекрывающим элементом в низкотемпературном охлаждающем контуре; и
Фиг.2 – система охлаждения с высоко- и низкотемпературными охлаждающими контурами, без перекрывающего элемента в низкотемпературном охлаждающем контуре.
На Фиг.1 показана система охлаждения согласно изобретению, имеющая первый охлаждающий контур, выполненный как высокотемпературный охлаждающий контур, и второй охлаждающий контур, выполненный как низкотемпературный охлаждающий контур. В приводимом в качестве примера варианте осуществления системы охлаждения транспортного средства или автомобиля, используемой, например, в современных коммерческих транспортных средствах, таких как грузовые автомобили и автобусы, двигатель внутреннего сгорания, масляный теплообменник, теплообменник выхлопных газов, насос хладагента и охлаждаемый воздухом высокотемпературный теплообменник гидравлически и теплотехнически входят в состав высокотемпературного охлаждающего контура. Тепло рассеивается от упомянутых компонентов транспортных средств и передается посредством высокотемпературного теплообменника в окружающий воздух хладагентом, проходящим в первом охлаждающем контуре, то есть в высокотемпературном охлаждающем контуре.
Термостат установлен в первом охлаждающем контуре и регулирует расход хладагента, проходящего через высокотемпературный теплообменник. Система охлаждения согласно Фиг.1 имеет второй охлаждающий контур, выполненный как низкотемпературный охлаждающий контур, состоящий из промежуточного охладителя и охлаждаемого воздухом низкотемпературного теплообменника, гидравлически и теплотехнически входящих в его состав. В этом втором охлаждающем контуре хладагент охлаждается до температуры, значительно более низкой, чем температура хладагента в охлаждающем контуре при работе двигателя внутреннего сгорания.
Оптимальное осуществление наддува воздуха двигателя внутреннего сгорания осуществляется двухступенчатым компрессором; при этом компрессор состоит из компрессора низкого давления и компрессора высокого давления. Воздух наддува охлаждается при помощи устройства промежуточного охлаждения, имеющего промежуточный охладитель и основной охладитель. Промежуточный охладитель и основной охладитель гидравлически установлены параллельно во втором охлаждающем контуре и охлаждают воздух наддува: воздух наддува выходит из компрессора низкого давления и проходит через промежуточный охладитель; и воздух наддува из компрессора высокого давления проходит через основной охладитель.
Регулирующий клапан термостата, посредством которого регулируется распределение расхода хладагента в устройстве промежуточного охлаждения, в каждом случае гидравлически подключен после промежуточного охладителя и основного охладителя во втором охлаждающем контуре.
Клапан, выполненный в виде перекрывающего элемента, установлен после охлаждаемого воздухом низкотемпературного теплообменника в направлении потока хладагента во втором охлаждающем контуре. Расход хладагента можно перекрывать в зависимости от рабочего параметра или изменения состояния компонента транспортного средства и/или других влияющих переменных. Таким образом, минимальный расход можно свести к нулю, например, при работе под небольшой нагрузкой, или во время пуска двигателя внутреннего сгорания. Таким образом, надежно предотвращается нежелательное охлаждение двигателя внутреннего сгорания или удлинение этапа прогревания по причине обычно обеспечиваемого минимального расхода хладагента.
Помимо этого, перекрывающий элемент можно скомбинировать с функцией ограничения давления или снижения давления, за счет чего будет подавляться недопустимое повышение давления во втором охлаждающем контуре, которое может повредить низкотемпературный теплообменник. При этом также возможно комбинирование перекрывающего элемента, имеющего, или не имеющего, функцию ограничения или снижения давления, с перепускной линией на стороне насоса хладагента. Перекрывающий элемент срабатывает от сигналов, формируемых при реагировании на измеряемые значения, регистрируемые датчиками транспортного средства.
По сравнению с Фиг.1 Фиг.2 показывает систему охлаждения согласно известному уровню техники. В этом варианте осуществления системы охлаждения перепускной клапан, выполненный с возможностью частичного или полного перепуска по отношению к низкотемпературному теплообменнику, расположен в направлении потока хладагента во втором охлаждающем контуре перед низкотемпературным теплообменником. Эти варианты выполнения компоновки контуров также обеспечивают более быстрое прогревание двигателя внутреннего сгорания и предотвращение нежелательного охлаждения. В противоположность техническому эффекту объекта согласно изобретению комбинирование перепускного клапана с соответствующей схемой линий приводит к значительным ощутимым затратам. Помимо этого, перепускной клапан в виде трехходового клапана может и не предотвратить минимальный расход в основной магистрали.
Формула изобретения
1. Система охлаждения двигателя внутреннего сгорания с линией подачи наддува воздуха, имеющая первый и второй охлаждающие контуры, причем первый охлаждающий контур работает на более высоком температурном уровне, чем второй охлаждающий контур; при этом линия подачи воздуха наддува имеет, по меньшей мере, одно устройство промежуточного охлаждения, имеющее тепловую связь со вторым охлаждающим контуром, выполненным с возможностью регулирования проходящего через него хладагента, отличающаяся тем, что второй охлаждающий контур имеет, по меньшей мере, один перекрывающий элемент, с помощью которого хладагент, проходящий во втором охлаждающем контуре, может быть дросселирован до 0 (нуля), то есть перекрыт, при работе двигателя внутреннего сгорания в зависимости от рабочего параметра компонента транспортного средства и/или от других влияющих переменных, таких, как температура окружающей среды.
2. Система по п.1, отличающаяся тем, что линия подачи воздуха наддува имеет компрессор низкого давления и компрессор высокого давления, а устройство промежуточного охлаждения имеет промежуточный охладитель и основной охладитель, при этом промежуточный охладитель подключен между компрессором низкого давления и компрессором высокого давления в направлении потока воздуха наддува и основной охладитель подключен после компрессора высокого давления.
3. Система по п.1, отличающаяся тем, что компонентом транспортного средства является двигатель внутреннего сгорания, по меньшей мере, один из охлаждающих контуров и/или система обработки выхлопного газа.
4. Система по п.3, отличающаяся тем, что линия подачи воздуха наддува имеет компрессор низкого давления и компрессор высокого давления, а устройство промежуточного охлаждения имеет промежуточный охладитель и основной охладитель, при этом промежуточный охладитель подключен между компрессором низкого давления и компрессором высокого давления в направлении потока воздуха наддува и основной охладитель подключен после компрессора высокого давления.
5. Система по любому из пп.1-4, отличающаяся тем, что устройство промежуточного охлаждения имеет, по меньшей мере, один температурный датчик и клапан, функционально связанный управляющими средствами с температурным датчиком, подключенным после него в направлении потока хладагента.
6. Система по п.5, отличающаяся тем, что перекрывающий элемент скомбинирован с функцией снижения или ограничения давления или подключен последовательно к редуктору давления или клапану ограничения давления.
7. Система по любому из пп.1-4, отличающаяся тем, что перекрывающий элемент скомбинирован с функцией снижения или ограничения давления или подключен последовательно к редуктору давления или клапану ограничения давления.
8. Способ охлаждения двигателя внутреннего сгорания с наддувом, поступающим по линии подачи наддува воздуха, в которой хладагент циркулирует в первом и втором охлаждающих контурах, причем первый охлаждающий контур работает на более высоком температурном уровне, чем второй охлаждающий контур; при этом линия подачи воздуха наддува имеет, по меньшей мере, одно устройство промежуточного охлаждения, которое передает тепло от воздуха наддува во второй охлаждающий контур, выполненный с возможностью регулирования проходящего через него хладагента, отличающийся тем, что хладагент, проходящий во втором охлаждающем контуре, дросселируют до 0 (нуля), то есть перекрывают, при работе двигателя внутреннего сгорания в зависимости от рабочего параметра или изменения состояния компонента транспортного средства и/или от других влияющих переменных, таких, как температура окружающей среды.
9. Способ по п.8, отличающийся тем, что поток хладагента перекрывают в зависимости от рабочего параметра или изменения состояния двигателя внутреннего сгорания, по меньшей мере, одного из охлаждающих контуров и/или, по меньшей мере, одного компонента системы обработки выхлопных газов.
РИСУНКИ
|
|