|
|
(21), (22) Заявка: 2006135555/12, 10.10.2006
(24) Дата начала отсчета срока действия патента:
10.10.2006
(43) Дата публикации заявки: 20.04.2008
(46) Опубликовано: 20.03.2009
(56) Список документов, цитированных в отчете о поиске:
RU 2091316 C1, 27.09.1997. RU 21146228 C1, 10.03.2000. RU 2144905 C1, 27.01.2000. SU 854421 A, 15.08.1981. JP 58139783 A, 19.08.1983. JP 2001246366 A, 11.09.2001. MX 9702796 A, 28.02.1998.
Адрес для переписки:
117321, Москва, а/я 118, ООО “Стройинжиниринг СМ”
|
(72) Автор(ы):
Пономарев Виктор Георгиевич (RU), Улановский Яков Бенедиктович (RU), Ханнанов Рифкат Гаязович (RU)
(73) Патентообладатель(и):
ООО “Стройинжиниринг СМ” (RU)
|
(54) ФЛОТАТОР
(57) Реферат:
Изобретение относится к области очистки сточных вод, содержащих мелкодисперсные нефтепродукты, масла и другие флотируемые загрязнения, в частности к устройствам для глубокой очистки, имеющим высокие требования к степени очистки. Сущность изобретения заключается в том, что флотатор с импеллерной флотацией, содержащей аванкамеру, камеры импеллерной флотации, отстаивания и сбора очищенной воды и узел удаления нефтепродуктов, снабжен узлом насыщения воды водовоздушной смесью и узлом напорной флотации, а также в их выполнении и взаимосвязи с камерами импеллерной флотации, отстаивания и сбора очищенной воды. Объединение двух систем флотационной очистки в одном корпусе – импеллерной и напорной обеспечивает основную и дополнительную очистки воды и повышает глубину очистки, повышает производительность и надежность процесса очистки. 7 з.п. ф-лы, 6 ил.
Изобретение относится к области очистки сточных вод, содержащих мелкодисперсные нефтепродукты, масла и другие флотируемые загрязнения, в частности к устройствам для глубокой очистки, имеющей высокие требования по степени очистки, и может применяться в нефтеперерабатывающей, нефтехимической, нефтедобывающей и других отраслях промышленности, где в технологических процессах образуется сточная вода, содержащая мелкодисперсные нефтепродукты, и требуется глубокая очистка воды.
Известен импеллерный флотатор, содержащий корпус, разделенный перфорированными перегородками на аванкамеру, камеры с импеллерными диспергаторами, установленными в центре каждой камеры, и камеру отстаивания с элементами тонкослойного отстаивания, а также механизм удаления пенопродуктов, устройства для подвода исходящей и отвода очищенной воды (патент РФ №2146228).
Использование данного флотатора в ряде случаев не обеспечивает требуемую степень очистки воды.
Наиболее близким по технической сущности является известный флотатор, содержащий корпус, последовательно разделенный перфорированными перегородками на сообщающиеся между собой аванкамеру, камеры флотации с импеллерными диспергаторами воздуха, камеру отстаивания с блоком тонкослойного отстаивания в виде параллельно расположенных пластин, камеру сбора очищенной воды, узел удаления нефтепродуктов, имеющий расположенный на боковой внешней поверхности корпуса карман и приспособление в виде скребка, а также узел отвода очищенной воды (патент РФ №2091316).
Одним из важнейших недостатков указанного флотатора является низкая степень очистки – только до 22,7 мг/л нефтепродуктов в очищенной воде, что вызывает необходимость повторной очистки, невозможность поддержания постоянного уровня воды в корпусе при резком колебании количества подаваемой воды ведет к снижению надежности работы установки и большой потере воды с удаляемыми пенопродуктами. Применение скребка для удаления нефтепродуктов не обеспечивается надежности самого процесса удаления, что снижает эффективность очистки воды. Это ведет к увеличению продолжительности очистки и тем самым к удорожанию самого процесса.
Перечисленные флотаторы в ряде случаев не могут быть использованы для получения высокой степени очистки воды.
Техническим результатом данного изобретения является обеспечение высокой степени очистки воды от мелкодисперсных нефтепродуктов, повышение надежности очистки и тем самым повышение производительности самого флотатора, а также повышение качества выхода очищенной воды.
Технический результат достигается тем, что флотатор, содержащий корпус, последовательно разделенный перфорированными перегородками на сообщающиеся между собой аванкамеру, камеры флотации с импеллерными диспергаторами воздуха, камеру отстаивания с блоком отстаивания в виде параллельно расположенных пластин и камеру сбора очищенной воды, узел удаления нефтепродуктов, имеющий карман, расположенный на боковой внешней поверхности корпуса, и приспособление для удаления пенопродуктов, узел отвода очищенной воды, согласно изобретению флотатор снабжен узлом насыщения воды воздухом и расположенным между камерой отстаивания и камерой сбора очищенной воды узлом напорной флотации, имеющим разделенные между собой перегородками камеры хлопьеобразования, смешения потока воды и водовоздушной смеси и отстаивания с тонкослойным блоком отстаивания, при этом пластины каждого блока установлены поперек камеры под углом к ее днищу, последняя пластина в блоке установлена над перегородкой, смежной с камерой хлопьеобразования, с образованием регулируемого зазора, обеспечивающего изменение скорости выхода потока в камеру хлопьеобразования, а в таком же блоке камеры отстаивания узла напорной флотации последняя пластина блока расположена без зазора на перегородке, смежной с камерой сбора очищенной воды, причем каждая камера отстаивания выполнена с дополнительной перфорированной перегородкой для распределения потока воды, расположенной над первой пластиной блока отстаивания, узел насыщения воды воздухом выполнен в виде продольно размещенных в камере отстаивания под тонкослойным блоком перфорированных труб для отбора воды и соединенного с ними через насос сатуратора и перфорированной трубы подачи водовоздушной смеси, установленной в камере смешения воды с водовоздушной смесью, а узел отвода очищенной воды в камере отстаивания узла напорной флотации выполнен в виде продольно размещенных под блоком отстаивания перфорированных труб, выходные концы которых выведены с возможностью демонтажа в перегородку, смежную с камерой сбора очищенной воды, а приспособление для удаления пенопродуктов размещено в камерах импеллерной флотации и камерах отстаивания, при этом камеры соединены с карманом узла удаления пенопродуктов; камера смешения воды с водовоздушной смесью образована перегородками, ограничивающими ее объем, одна из которых, смежная с камерой хлопьеобразования, не доходит до дна корпуса, образуя канал прохода потока, а другая перегородка размещена смежно с камерой отстаивания узла напорной флотации, при этом в пространстве между перегородками размещена перфорированная труба подачи водовоздушной смеси; приспособление для удаления пенопродуктов выполнено в виде поворотных лотков для сбора пенопродуктов, каждый из которых расположен в камерах импеллерной флотации у перегородки, смежной с последующей камерой, а в камерах отстаивания – у последней пластины тонкослойного блока, соединен с карманом через патрубок, вмонтированный в боковую стенку каждой камеры, при этом приспособление для удаления пенопродуктов дополнительно имеет размещенный в каждой камере импеллерной флотации направляющий щит, плотно примыкающий и расположенный под углом к перегородке, смежной с предыдущей камерой, а импеллерный диспергатор вмонтирован в направляющий щит; угол наклона направляющего щита равен 20°-45°; приспособление для удаления пенопродуктов выполнено в виде скребковых механизмов, каждый из которых расположен у боковой стенки камеры, смежной с карманом, в котором выполнены соединительные окна для слива пенопродуктов, и установленного на противоположной стороне камеры перфорированного трубопровода подачи направленного потока воды в сторону скребкового механизма, при этом скребковый механизм в каждой камере отстаивания размещен между дополнительной перфорированной перегородкой и последней пластиной тонкослойного блока, импеллерные диспергаторы установлены в центре камер импеллерной флотации; угол расположения пластин в тонкослойном блоке отстаивания равен 45°-70°; площадь отверстий в каждой дополнительной перегородке камеры отстаивания составляет 7-10% от общей площади живого сечения, перегороженного перегородкой; крайние пластины каждого тонкослойного блока камер отстаивания имеют длину, большую, чем остальные, при этом нижний конец первой пластины блока упирается в днище корпуса, а верхний конец последней пластины блока в камере отстаивания расположен на одном уровне с боковыми стенками корпуса флотатора, а в камере отстаивания узла напорной флотации верхний конец последней пластины размещен выше уровня торцевой стенки камеры сбора очищенной воды.
Сущность изобретения заключается в применении узла насыщения воды водовоздушной смесью и узла напорной флотации и его выполнении во взаиморасположении и взаимосвязи камер импеллерной флотации, камеры отстаивания, узла напорной флотации, узлов насыщения воды воздухом, отвода насыщенной воды и удаления нефтепродуктов.
Объединение двух систем флотационной очистки – импеллерной и напорной обеспечивает основную и дополнительную очистки воды и повышает глубину очистки, так как каждая система имеет свою камеру отстаивания. Также объединение в одном корпусе камер импеллерной и напорной флотации через отбор воды с помощью узла насыщения воды воздухом и расположение перфорированных труб отбора очищенной воды под блоком отстаивания позволяет обеспечить рассредоточенный отвод части воды из-под блока тонкослойного отстаивания и тем самым повышает эффективность распределения водного потока; благодаря регулируемому зазору между последней пластиной блока отстаивания и перегородкой появляется возможность создания регулируемого гидравлического режима в камере хлопьеобразования, способствующего смешению воды с реагентами и самому процессу хлопьеобразования.
Применение узла насыщения воды воздухом позволяет выделить дополнительное количество микропузырьков в забираемом потоке воды из камеры и подачу насыщенного потока в камеру смешения узла напорной флотации, что способствует повышению эффективности процесса очистки воды.
Наличие регулируемого зазора между пластиной блока отстаивания и перегородкой и последовательное расположение камер хлопьеобразования и смешения воды с водовоздушной смесью обеспечивает улучшение процессов смешения, хлопьеобразования и флотации.
Ярусное расположение пластин блока тонкослойного отстаивания, введение перфорированной дополнительной перегородки и продольное размещение под блоком отстаивания перфорированных труб отбора очищенной воды, узла насыщения воды воздухом обеспечивает равномерное распределение воды, что приводит к увеличению эффективности очистки воды.
Наклонное расположение каждого яруса блока отстаивания в пределах 45°-70° повышает эффективность процесса очистки. Так, при снижении угла менее 45° возможно зашламление ярусов блока, а при увеличении угла более 70° приводит к уменьшению расстояния между пластинами, приводит к повышению скорости сползания осадка по пластине блока, его взмучиванию и вторичному загрязнению воды, а также снижается эффект тонкослойного отстаивания.
Выполнение дополнительных перегородок с площадью отверстий в пределах 7-10% от площади самой перегородки создает сопротивление движению потока воды и обеспечивает равномерное распределение потока по сечению. При уменьшении процента соотношения 7% ведет к увеличению потери напора в перегородке и скорости прохождения потока через отверстия, что вызывает снижение процесса очистки, а увеличение более 10% – снижает эффективность равномерного распределения потока по сечению тонкослойного блока, что также снижает эффективность процесса очистки.
Выполнение узла удаления нефтепродуктов с приспособлениями (с наклонными направляющими щитами и сочетание скребкового механизма и направленного потока) позволяет обеспечивать надежное и своевременное удаление пены в процессе очистки за счет надежности работы узла и его простоты. При наклоне направляющего щита в пределах 20°-45° обеспечивается устойчивый циркуляционный поток, обеспечивающий транспортировку нефтепродуктов по поверхности воды в сторону кармана. При снижении 20° или увеличении 45° циркуляционный поток либо пропадает, либо становится неустойчивым.
Выполнение каждого блока отстаивания с первой и последней пластинами большей длины, чем остальные, приводит к использованию их как струенаправляющих перегородок.
Технической задачей данного изобретения является создание флотатора с комбинированной системой очистки, позволяющей проводить глубокую очистку, имеющую высокие требования по степени очистки, повысить производительность и надежность процесса очистки.
Изобретение поясняется чертежами, где:
на фиг.1 изображен продольный разрез флотатора,
на фиг.2 – вид А фиг.1,
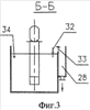
на фиг.3 – разрез по Б-Б фиг.1,
на фиг.4 – продольный разрез флотатора с вариантом выполнения приспособления для удаления нефтепродуктов,
на фиг.5 – разрез по В-В фиг.1,
на фиг.6 – вид Г фиг.1.
Флотатор содержит прямоугольный корпус 1, герметично перекрытый крышкой с люками для наблюдения за его работой (не показана) и последовательно разделенный перегородками 2-6 на аванкамеру 7, камеры 8 импеллерной флотации с импеллерными диспергаторами 9, камеру 10 отстаивания с тонкослойным блоком 11 отстаивания, камеру 12 сбора очищенной воды, узел напорной флотации в виде расположенных между камерами 10 и 12 и разделенных между собой перегородками 13-16 камеры 17 хлопьеобразования, камеры 18 смешения потока воды с водовоздушной смесью, камеры 19 отстаивания с тонкослойным блоком 20 отстаивания, узел удаления пенопродуктов, узел отвода очищенной воды и узел насыщения воды воздухом. Перегородки 2-6 выполнены перфорированными.
Каждый тонкослойный блок отстаивания установлен поперек камеры под углом к ее днищу с углом наклона в пределах 45°-70° и выполнен в виде тонкослойного блока параллельных пластин отстаивания, крайние пластины каждого блока имеют длину, большую, чем остальные, при этом нижний конец первой пластины блока упирается в днище корпуса, образуя зону отбора потока воды, а верхний конец последней пластины блока в камере 10 отстаивания расположен на одном уровне с боковыми стенками корпуса, а в камере отстаивания узла напорной флотации верхний конец последней пластины размещен выше уровня торцевой стенки камеры 12 сбора очищенной воды.
В камере 10 основного отстаивания последняя пластина тонкослойного блока 11 установлена над торцевой поверхностью перегородки 13 с образованием регулируемого зазора, обеспечивающего изменение скорости выхода потока в камеру хлопьеобразования и подачи реагента. Под тонкослойным блоком 11 образуется камера отвода воды.
В камере 19 отстаивания узла напорной флотации последняя пластина тонкослойного блока 20 нижним концом закреплена на торцевой поверхности перегородки, смежной между камерой 19 отстаивания и камерой 12 сбора очищенной воды, образуя камеру отвода очищенной воды.
Каждая камера 10 и 19 отстаивания имеет дополнительную перфорированную перегородку 21 и 22 для распределения потока воды, расположенную у перегородки, смежной с предыдущей камерой, и установленную над первой пластиной блока тонкослойного отстаивания, расположенной у перегородки, смежной с предыдущей камерой. Дополнительная перегородка выполнена с расчетной площадью отверстия, позволяющей более равномерно распределить поток в тонкослойном объеме блока отстаивания, что создает поток воды над блоком, который транспортирует пенопродукты к узлу удаления нефтепродуктов. Площадь отверстий в каждой перегородке составляет 7-10% от общей площади перегородки.
Узел отвода очищенной воды выполнен в виде продольно размещенных в камере отстаивания 19 узла напорной флотации под блоком 20 отстаивания перфорированных труб 23, выходные концы которых выведены с возможностью демонтажа съема в перегородку 16, смежную с камерой 12 сбора очищенной воды.
Узел насыщения воды воздухом выполнен в виде продольно размещенных под тонкослойным блоком 11 камеры 10 отстаивания перфорированных труб 24 для отвода заданного объема воды и соединенного с ними через насос 25 сатуратора 26 для приготовления водовоздушной смеси и перфорированной трубы 27 подачи водовоздушной смеси, установленной в камере 18.
Камера 18 смешения воды с водовоздушной смесью образована перегородками 14 и 15, ограничивающими ее объем, одна из которых, смежная с камерой 17 хлопьеобразования, не доходит до дна корпуса, образуя канал прохода потока, а другая перегородка выполнена смежной с камерой 19 отстаивания узла напорной флотации, при этом в пространстве между перегородками размещена перфорированная труба 27 подачи водовоздушной смеси.
Узел удаления пенопродуктов выполнен в виде прикрепленного на внешней поверхности одной из боковых сторон корпуса 1 кармана 28 и приспособлений, установленных в камерах импеллерной флотации и в камерах отстаивания.
Каждое приспособление для удаления пенопродуктов выполнено в виде поворотных лотков 29 для сбора пенопродуктов, каждый из которых расположен в камерах импеллерной флотации у перегородки, смежной с последующей камерой, а в камерах отстаивания – у последней пластины тонкослойного блока, выполняющего роль полупогруженной перегородки, и соединен с карманом 28 через патрубок 30, вмонтированный в боковую стенку каждой камеры, и содержит размещенный в каждой камере импеллерной флотации направляющий щит 31, плотно примыкающий и расположенный под углом к перегородке, смежной с предыдущей камерой. Направляющие щиты 31 наклонены под углом 20°-45°. При таком выполнении приспособления импеллерные диспергаторы 9 вмонтированы в направляющие щиты 31 и размещены у противоположной перегородки.
Приспособление для удаления нефтепродуктов может быть выполнено в виде скребковых механизмов 32, каждый из которых расположен у боковой стенки камер 8, 10 и 19, смежной с карманом, в котором выполнены окна 33 для слива пенопродуктов, и установленного на противоположной стороне камеры перфорированного трубопровода 34 подачи направленного потока воды в сторону скребкового механизма 32. Скребковый механизм 32 в каждой камере отстаивания размещен между дополнительной перфорированной перегородкой и последней пластиной тонкослойного блока, выполняющего роль полупогруженной перегородки. Импеллерные диспергаторы установлены в центре камер 8 импеллерной флотации. Флотатор работает следующим образом.
Сточная вода, содержащая нефтепродукты, подается в аванкамеру 6, куда также подаются растворы реагентов. Через перфорированную перегородку 2 поток воды поступает в первую камеру 8 импеллерной флотации с диспергатором 9 воздуха, проходит через направляющий щит 31, благодаря которому в камере образуется циркуляционный поток воды, транспортирующий пенопродукты к противоположной перегородке, к поворотному лотку 29, по которому пена через патрубок 30 транспортируется в карман 28. При другом варианте выполнения приспособления удаления нефтепродуктов диспергатор 9 расположен в центре камеры 8, и транспортирование пенопродуктов производится выходящим из перфорированной трубы 34 поверхностно направленным потоком воды в сторону скребкового механизма 32, который продвигает нефтепродукты к окну 33 и далее в карман 28. После проведения многоступенчатой импеллерной флотации через перфорированную перегородку равномерно распределенный поток воды направляется в камеру 10 над тонкослойным блоком 11 отстаивания в камере 19, образованным параллельно расположенными пластинами, объем которых рассчитан на выделение воздушных пузырьков заданной крупности с адсорбированными нефтепродуктами. Выделенные на поверхности воды пенопродукты, содержащие нефть, потоком воды подгоняются к лотку 29 и по нему транспортируются в карман 28. Образованный регулируемый зазор между перегородкой и последней пластиной тонкослойного блока 10 позволяет обеспечивать заданную скорость выходящего потока воды, способствующую процессу хлопьеобразования в камере 17, куда подаются реагенты перед камерой 18 смешения воды с водовоздушной смесью, поток, обработанный реагентами, несущий оставшиеся от импеллерной флотации микропузырьки воздуха, смешивается с водовоздушной смесью, подающейся через перфорированную трубу 24 из сатуратора 26. Далее образованный поток проходит дополнительную перфорированную перегородку 23 в камере 19 отстаивания в объем тонкослойного блока 20 отстаивания, где происходит процесс флотации пузырьков воздуха с нефтепродуктами. Далее поток из дополнительной перфорированной перегородки 22 распределяется в зоне тонкослойного отстаивания, в которой происходит доочистка воды за счет выделения мелкодиспергированных пузырьков воздуха с адсорбированными пенопродуктами. Пройдя эту зону, очищенная вода поступает в камеру 11 приема очищенной воды через установленные под блоком отстаивания перфорированные трубы, выходные концы которых через перегородку выведены в камеру перед водосливом. Далее вода, переливаясь, поступает в водоприемный карман 28 и отводится из сооружения. При промышленных испытаниях этого флотатора на сточной воде нефтеперерабатывающего завода, содержащей мелкодисперсные нефтепродукты (ЭЛОУ), их содержание было снижено до 4,2 мг/л при начальной концентрации 142,2 мг/л.
Таким образом, применение данного изобретения позволяет повысить эффективность очистки воды с высокой степенью очистки, повысить производительность и надежность самого процесса.
Формула изобретения
1. Флотатор, содержащий корпус, последовательно разделенный перфорированными перегородками на сообщающиеся между собой аванкамеру, камеры флотации с импеллерными диспергаторами воздуха, камеру отстаивания с блоком отстаивания в виде параллельно расположенных пластин и камеру сбора очищенной воды, узел удаления пенопродуктов, имеющий карман, расположенный на боковой внешней поверхности корпуса, и приспособление для удаления пенопродуктов, узел отвода очищенной воды, отличающийся тем, что он снабжен узлом насыщения воды воздухом и расположенным между камерой отстаивания и камерой сбора очищенной воды узлом напорной флотации, имеющим разделенные между собой перегородками камеру хлопьеобразования, камеру смешения потока воды и водовоздушной смеси и камеру отстаивания с тонкослойным блоком отстаивания, при этом пластины каждого тонкослойного блока установлены поперек камеры под углом к ее днищу, последняя из которых в камере отстаивания установлена над перегородкой смежной с камерой хлопьеобразования с образованием регулируемого зазора, обеспечивающего изменение скорости выхода потока в камеру хлопьеобразования, а в камере отстаивания узла напорной флотации последняя пластина тонкослойного блока расположена без зазора на перегородке смежной с камерой сбора очищенной воды, причем каждая камера отстаивания выполнена с дополнительной перфорированной перегородкой для распределения потока воды, расположенной над первой пластиной тонкослойного блока отстаивания, узел насыщения воды воздухом выполнен в виде продольно размещенных в камере отстаивания под тонкослойным блоком перфорированных труб для отбора воды и соединенного с ними через насос сатуратора и перфорированной трубы подачи водовоздушной смеси, установленной в камере смешения воды с водовоздушной смесью, а узел отвода очищенной воды камеры отстаивания узла напорной флотации выполнен в виде продольно размещенных под тонкослойным блоком отстаивания перфорированных труб, выходные концы которых выведены с возможностью демонтажа в перегородку, смежную с камерой сбора очищенной воды, а приспособление для удаления пенопродуктов размещено в камерах импеллерной флотации и камерах отстаивания, при этом камеры соединены с карманом узла удаления пенопродуктов.
2. Флотатор по п.1, отличающийся тем, что камера смешения воды с водовоздушной смесью образована перегородками, ограничивающими ее объем, одна из которых смежная с камерой хлопьеобразования не доходит до дна корпуса, образуя канал прохода потока, а другая перегородка размещена смежно с камерой отстаивания узла напорной флотации, при этом в пространстве между перегородками размещена перфорированная труба подачи водовоздушной смеси.
3. Флотатор по п.1, отличающийся тем, что приспособление для удаления пенопродуктов выполнено в виде поворотных лотков для сбора пенопродуктов, каждый из которых расположен в камерах импеллерной флотации у перегородки, смежной с последующей камерой, и в камерах отстаивания – у последней пластины тонкослойного блока, и соединен с карманом через патрубок, вмонтированный в боковую стенку каждой камеры, при этом приспособление для удаления пенопродуктов дополнительно имеет размещенный в каждой камере импеллерной флотации направляющий щит, плотно примыкающий и расположенный под углом к перегородке, смежной с предыдущей камерой, а импеллерный диспергатор вмонтирован в направляющий щит.
4. Флотатор по п.3, отличающийся тем, что угол наклона направляющего щита равен 20-45°.
5. Флотатор по п.1, отличающийся тем, что приспособление для удаления пенопродуктов выполнено в виде скребковых механизмов, каждый из которых расположен у боковой стенки камеры, смежной с карманом, в котором выполнены соединительные окна для слива пенопродуктов, и установленного на противоположной стороне камеры перфорированного трубопровода подачи направленного потока воды в сторону скребкового механизма, при этом скребковый механизм в каждой камере отстаивания размещен между дополнительной перфорированной перегородкой и последней пластиной тонкослойного блока, импеллерные диспергаторы установлены в центре камер импеллерной флотации.
6. Флотатор по п.1, отличающийся тем, что угол установки пластин тонкослойного блока отстаивания равен 45-70°.
7. Флотатор по п.1, отличающийся тем, что площадь отверстий в каждой дополнительной перегородке камеры отстаивания составляет 7-10% от общей площади самой перегородки.
8. Флотатор по п.1, отличающийся тем, что крайние пластины каждого блока отстаивания имеют длину большую, чем остальные, при этом нижний конец первой пластины блока упирается в днище корпуса, а верхний конец последней пластины блока в камере отстаивания расположен на одном уровне с боковыми стенками корпуса, а в камере отстаивания узла напорной флотации верхний конец последней пластины размещен выше уровня торцевой стенки камеры сбора очищенной воды.
РИСУНКИ
|
|