|
(21), (22) Заявка: 2007117237/28, 08.05.2007
(24) Дата начала отсчета срока действия патента:
08.05.2007
(46) Опубликовано: 20.03.2009
(56) Список документов, цитированных в отчете о поиске:
RU 2228900 С1, 20.05.2004. RU 2206642 С2, 20.06.2003. RU 2151737 С1, 27.06.2000. US 7045205 В1, 16.05.2006. US 6627597 В1, 30.09.2003.
Адрес для переписки:
443086, г.Самара, Московское ш., 34, СГАУ, отдел интеллектуальной собственности
|
(72) Автор(ы):
Мурзин Сергей Петрович (RU), Трегуб Валерий Иванович (RU), Меженин Андрей Викторович (RU), Никифоров Аркадий Михайлович (RU), Осетров Евгений Леонидович (RU)
(73) Патентообладатель(и):
Государственное образовательное учреждение высшего профессионального образования Самарский государственный аэрокосмический университет имени академика С.П. Королева (СГАУ) (RU)
|
(54) СПОСОБ ФОРМИРОВАНИЯ НАНОРАЗМЕРНЫХ ПОРИСТЫХ СТРУКТУР ТВЕРДОКРИСТАЛЛИЧЕСКИХ МАТЕРИАЛОВ
(57) Реферат:
Изобретение относится к изготовлению наноразмерных пористых структур твердокристаллических материалов и может применяться при получении нанопористых структур в приповерхностных слоях металлических сплавов, а также сквозных нанопор в металлических фольгах и пленках. Сущность изобретения: в способе формирования наноразмерных пористых структур твердокристаллических материалов осуществляют энергетическое воздействие лазерным излучением на участки выбранных форм и размеров, а формирование наноразмерных пористых структур проводят в вакууме путем сублимации атомов компонента сплава с более высокой упругостью пара при температуре 723±15 К в течение 36…48 часов, контроль процесса сублимации осуществляют неразрушающими методами. Техническим результатом изобретения является расширение функциональных возможностей способа получения наноструктур за счет активизации процесса сублимации одного из компонентов твердокристаллических материалов типа твердый раствор, а также сокращения числа операций за счет исключения операций травления наноструктуры ионами и облучения в вакууме участков материала пучком сфокусированных электронов. 2 ил.
Изобретение относится к изготовлению наноразмерных пористых структур твердокристаллических материалов и может применяться при получении нанопористых структур в приповерхностных слоях металлических сплавов, а также сквозных нанопор в металлических фольгах и пленках.
Известен способ обработки изделий, выполненных из титана и его сплавов, заключающийся в помещении изделия в водный раствор электролита и возбуждении на поверхности изделия микродуговых разрядов для образования пористой структуры с заданным элементным составом (Патент РФ №2206642, C25D 11/26. Опубл. 20.06.2003 г.).
Недостатком известного способа являются ограниченные функциональные возможности, обусловленные его применимостью только для титана и его сплавов, а также невозможностью получения сквозных пор в металлических фольгах и пленках. Пористые структуры не являются наноразмерными, что существенно ограничивает область применения полученных материалов в качестве фильтрующих мембран, сорбентов, коагулянтов и катализаторов, а также для повышения антифрикционных свойств узлов трения и прирабатываемости трущихся поверхностей.
Наиболее близким техническим решением является способ получения наноструктур, заключающийся в нанесении в вакууме на подложку фуллеритной пленки, облучении пучком электронов участков пленки выбранных формы и размера до требуемых структурных изменений и последующем удалении необлученных участков прогревом до температуры, достаточной для сублимации фуллерита (Патент РФ №2228900, В82В 3/00. Опубл. 10.09.2004 г.).
Недостатком известного технического решения являются ограниченные функциональные возможности, обусловленные применимостью только для фуллеритных пленок, а также сложность его реализации, обусловленная необходимостью нанесения, последующего удаления фуллеритной пленки заданной толщины и травления ионами на заданную глубину.
В основу изобретения поставлены задачи расширения функциональных возможностей способа получения наноструктур за счет активизации процесса сублимации одного из компонентов твердокристаллических материалов типа твердый раствор, а также сокращения числа операций за счет исключения операций травления наноструктуры ионами и облучения в вакууме участков материала пучком сфокусированных электронов.
Данные задачи решаются за счет того, что в способе формирования наноразмерных пористых структур твердокристаллических материалов, заключающемся в энергетическом воздействии на предварительно очищенные участки поверхности, энергетическое воздействие осуществляют лазерным излучением на участки выбранных форм и размеров, а формирование наноразмерных пористых структур проводят в вакууме путем сублимации атомов компонента сплава с более высокой упругостью пара при температуре 723±15 К в течение 36…48 часов, контроль процесса сублимации осуществляют неразрушающими методами.
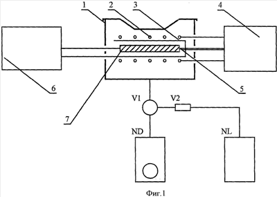
На фиг.1 изображена схема предлагаемого способа формирования наноразмерных пористых структур твердокристаллических материалов.
На фиг.2 представлена микроструктура приповерхностного слоя образца из сплава Л63 после обработки по предлагаемому способу формирования наноразмерных пористых структур твердокристаллических материалов (увеличение 500).
Устройство для реализации способа формирования наноразмерных пористых структур твердокристаллических материалов состоит из вакуумной камеры 1, внутри которой размещены нагревательный элемент 2 и экран 3, выполняющий роль катода. Камера снабжена форвакуумным насосом (NL) и диффузионным насосом (ND) с системой коммутации, содержащей клапаны V1 и V2. Блок 4 контроля и регулирования температур содержит элемент 5 контроля температуры, в качестве которого могут использоваться термопара или пирометрический датчик, а также систему регулирования температуры с преобразователем подаваемого на нагревательный элемент электропитания. Высоковольтный блок 6 служит для создания разности потенциалов между технологическим объектом и экраном.
На участки выбранных форм и размеров технологического объекта 7 предварительно осуществляют энергетическое воздействие лазерным излучением. Характерные высокие скорости охлаждения из зоны лазерного нагрева металлических материалов обуславливают большую неоднородность и повышенную дисперсность структуры, увеличение плотности дислокации и других дефектов кристаллической решетки.
Предварительная обработка лазерным излучением позволяет формировать мелкодисперсную структуру материалов, что предоставляет возможность увеличить концентрацию пор и более равномерно распределить их в объеме. Для формирования требуемого пространственного распределения мощности воздействующих лазерных потоков используются системы транспортировки и формирования излучения, включающие в свой состав элементы дифракционной оптики (фокусаторы).
Формирование наноразмерных пористых структур проводят путем сублимации атомов компонента сплава с более высокой упругостью пара. Технологический объект 7 помещают в вакуумную камеру 1, позиционируя внутри нагревательного элемента 2 и экрана 3, выполняющего роль катода. Используя форвакуумный насос (NL) и диффузионный насос (ND) через клапаны коммутации вакуумной системы V1, V2 осуществляют вакуумирование объема внутри вакуумной камеры. Блок 4 контроля и регулирования температуры с элементом 5 контроля температуры с помощью нагревательных элементов обеспечивает нагрев технологического объекта до температуры ниже порога рекристаллизации сплава, а также ее контроль. Нагрев технологического объекта осуществляется с целью активации процесса сублимации, т.е. переноса атомов материала из приповерхностного слоя во внешнюю среду.
При использовании высоковольтного блока 6 путем создания разности потенциалов между технологическим объектом 7 и экраном 3 осуществляется ускорение процесса сублимации атомов компонента сплава с более высокой упругостью пара. Контроль процесса сублимации осуществляют неразрушающими методами, при этом оценивают изменение массы технологического объекта и изменение электрического сопротивления приповехностного слоя технологического объекта.
В условиях лаборатории Научно-образовательного центра лазерных систем и технологий СГАУ проведены экспериментальные исследования влияния высокотемпературного нагрева в вакууме на структуру и свойства поверхностного и приповерхностного (глубиной до 10…20 мкм) слоев сплавов типа твердых растворов.
Для проведения исследований применялись образцы, изготовленные из сплава Л63 толщиной 2 мм. Одну из поверхностей образцов шлифовали. Осуществляли предварительное энергетическое воздействие на участки выбранных форм и размеров лазерным излучением. Затем образцы помещали в вакуумную камеру, позиционируя внутри нагревательного элемента и экрана, проводили вакуумирование объема внутри вакуумной камеры и нагревали образцы до температуры 723±15 К. Осуществляли изотермическую выдержку в течение 36…48 часов. Контроль процесса сублимации выполняли неразрушающими методами. Для оценки изменения веса образцов за счет сублимации цинка в процессе изотермической выдержки образцы взвешивали на весах типа WA-31 с точностью 0,05 мг.
При использовании предлагаемого способа формирования наноразмерных пористых структур твердокристаллических материалов после изотермической выдержки при температуре 723±15 К в течение 36…48 часов зафиксировано уменьшение массы образцов до 1,5…2%. Зафиксировано изменение химического состава, т.е. концентрации компонентов сплава, в приповерхностном слое. Поверхность образцов после обработки представляла собой слой, обогащенный медью, что установлено результатами спектографического анализа и рентгенографических исследований фазового состава поверхностного слоя образцов. После длительной выдержки в вакууме на рентгенограммах исчезают линии латуни и появляются линии, характерные для меди. Нагрев твердокристаллических материалов в вакууме вызывает изменение рельефа поверхности, который состоит из углублений в виде канавок с клинообразным ассиметричным поперечным сечением. В зависимости от температуры нагрева, времени выдержки и состояния поверхности эти изменения проявляются как в развитии, так и в сглаживании рельефа.
При значениях температуры выше указанного диапазона происходит зарастание пор вследствие интенсификации процессов диффузии материала и рекристаллизации. Уменьшение температуры ниже указанного диапазона приводит к существенному замедлению процесса образования пор вследствие снижения скорости сублимации. При длительности выдержки, превышающей указанный диапазон, происходит укрупнение пор. Их размер становится субмикрометрическим (более 100 нм), а не нанометрическим. При снижении времени изотермической выдержки в вакууме при температуре 723±15 К не происходит образование сквозных пор в металлических пленках и фольгах, в объемных образцах углубления не имеют форму канавок с клинообразным ассиметричным поперечным сечением.
Результаты проведенных исследований позволяют сделать вывод о том, что вплоть до температур порога рекристаллизации металлического сплава сублимация более легко испаряющегося компонента является основным механизмом создания точечных дефектов и наноразмерных пор в приповерхностном слое. Формирование пор вызывает изменение соотношения компонентов и структуры материала.
Формула изобретения
Способ формирования наноразмерных пористых структур твердокристаллических материалов, заключающийся в энергетическом воздействии на предварительно очищенные участки поверхности, отличающийся тем, что энергетическое воздействие осуществляют лазерным излучением на участки выбранных форм и размеров, а формирование наноразмерных пористых структур проводят в вакууме путем сублимации атомов компонента сплава с более высокой упругостью пара при температуре 723±15 К в течение 36…48 ч, контроль процесса сублимации осуществляют неразрушающими методами.
РИСУНКИ
MM4A – Досрочное прекращение действия патента СССР или патента Российской Федерации на изобретение из-за неуплаты в установленный срок пошлины за поддержание патента в силе
Дата прекращения действия патента: 09.05.2009
Извещение опубликовано: 10.06.2010 БИ: 16/2010
NF4A – Восстановление действия патента СССР или патента Российской Федерации на изобретение
Дата, с которой действие патента восстановлено: 20.06.2010
Извещение опубликовано: 20.06.2010 БИ: 17/2010
|