|
|
(21), (22) Заявка: 2007109569/06, 15.03.2007
(24) Дата начала отсчета срока действия патента:
15.03.2007
(43) Дата публикации заявки: 20.09.2008
(46) Опубликовано: 10.03.2009
(56) Список документов, цитированных в отчете о поиске:
Руководство по эксплуатации двигателя ТВ7-117С, ЛНПО им. В.Я.Климова. – Ленинград: 1988. SU 1090083 A1, 27.01.1996. SU 1625095 A1, 15.06.1994. RU 2194178 C1, 10.12.2002. RU 2285816 С2, 27.03.2006. US 2006213200 А, 28.09.2006. FR 2875542 А, 24.03.2006.
Адрес для переписки:
614990, г.Пермь, ГСП, ул. Куйбышева, 140А, ОАО “СТАР”
|
(72) Автор(ы):
Дудкин Юрий Петрович (RU), Гладких Виктор Александрович (RU), Фомин Геннадий Викторович (RU)
(73) Патентообладатель(и):
ОТКРЫТОЕ АКЦИОНЕРНОЕ ОБЩЕСТВО “СТАР” (RU)
|
(54) СПОСОБ УПРАВЛЕНИЯ ГАЗОТУРБИННЫМ ДВИГАТЕЛЕМ
(57) Реферат:
Изобретение относится к области авиационного двигателестроения и может быть использовано в электронно-гидромеханических системах (САУ) автоматического управления ГТД. Сущность изобретения заключается в том, что дополнительно измеряют и контролируют частоту вращения ротора двигателя, если частота вращения превышает наперед заданное значение, формируют команду и с помощью селектора отсекают управляющее воздействие ЭР, а управляющее воздействие ГМР подают на ИЭ и осуществляют управление двигателем от ГМР. Технический результат изобретения – повышение надежности работы САУ и, как следствие, повышение надежности ГТД и безопасности ЛА. 1 ил.
Изобретение относится к области авиационного двигателестроения и может быть использовано в электронно-гидромеханических системах (САУ) автоматического управления газотурбинными двигателями (ГТД).
Известен способ управления ГТД, реализованный в электронно-гидромеханической САУ супервизорного типа (Кеба И.В. Летная эксплуатация вертолетных ГТД, Москва, Транспорт, 1976). Способ заключается в том, что с целью повышения точности управления управляющее воздействие гидромеханического регулятора корректируется в ограниченном диапазоне электронным корректором.
Недостатком известного способа является его низкая эффективность.
Наиболее близким к данному изобретению по технической сущности является способ управления ГТД, реализованный, например, в электронно-гидромеханической САУ двигателя ТВ7-117, входящего в силовую установку (СУ) самолета Ил-114 (Руководство по эксплуатации двигателя ТВ7-117С, ЛНПО им. В.Я.Климова, Ленинград, 1988).
САУ содержит электронный регулятор (ЭР), резервный гидромеханический регулятор (ГМР), селектор и блок исполнительных элементов (ИЭ).
Способ заключается в том, что в ЭР с помощью датчиков ЭР измеряют положение рычага (РУД) управления двигателем и параметры СУ, в зависимости от положения РУД и значения параметров СУ по законам управления, реализованным в ЭР, формируют управляющее воздействие ЭР, в ГМР с помощью датчиков ГМР измеряют положение РУД и параметры СУ, в зависимости от положения РУД и значения параметров СУ по законам управления, реализованным в ГМР, формируют управляющее воздействие ГМР, при исправном ЭР с помощью селектора отсекают управляющее воздействие ГМР, а управляющее воздействие ЭР подают на ИЭ и осуществляют управление двигателем, при отказе ЭР с помощью селектора отсекают управляющее воздействие ЭР, а управляющее воздействие ГМР подают на ИЭ и осуществляют управление двигателем.
Недостатком этого способа является следующее.
Исправность ЭР контролируется блоком встроенного контроля (БВК). Эффективность БВК, хотя и очень высока (вероятность обнаружения отказа в современных САУ встроенными средствами контроля не ниже 0,99), но допускает:
– возникновение и необнаружение одиночных отказов (необнаруженные отказы);
– непарирование двух и более отказов, возникающих одновременно (нелокализованные отказы).
Эти так называемые необнаруженные или нелокализованные отказы ЭР имеют разное влияние на работоспособность самого регулятора, а через него на работоспособность двигателя и безопасность летательного аппарата (ЛА).
Например, к тяжелым (вплоть до катастрофических) последствиям может привести неконтролируемый отказ БЦВМ, являющейся ядром любого современного ЭР (например, отказ, приводящий к невозможности начала очередного цикла работы ЭР после окончания предыдущего). Аналогичные последствия может иметь двойной отказ, заключающийся в одновременном отказе ЭР, требующем перевода управления на ГМР, и отказе селектора (например, отказ механической части электромагнита, управляющего золотником селектора).
Целью изобретения является повышение надежности работы САУ и, как следствие, повышение надежности ГТД и безопасности ЛА.
Поставленная цель достигается тем, что в способе управления газотурбинным двигателем, заключающийся в том, что в электронном регуляторе (ЭР) с помощью датчиков ЭР измеряют положение рычага (РУД) управления двигателем и параметры силовой установки (СУ), в зависимости от положения РУД и значения параметров СУ по законам управления, реализованным в ЭР, формируют управляющее воздействие ЭР, в гидромеханическом регуляторе (ГМР) с помощью датчиков ГМР измеряют положение РУД и параметры СУ, в зависимости от положения РУД и значения параметров СУ по законам управления, реализованным в ГМР, формируют управляющее воздействие ГМР, при исправном ЭР с помощью селектора отсекают управляющее воздействие ГМР, а управляющее воздействие ЭР подают на блок исполнительных элементов (ИЭ) и осуществляют управление двигателем, дополнительно измеряют и контролируют частоту вращения ротора двигателя, если частота вращения превышает наперед заданное значение, формируют команду и с помощью селектора отсекают управляющее воздействие ЭР, а управляющее воздействие ГМР подают на ИЭ и осуществляют управление двигателем от ГМР.
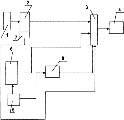
На чертеже представлена схема устройства, реализующая заявляемый способ.
Устройство содержит последовательно соединенные первый блок 1 датчиков (БД), электронный регулятор 2 (ЭР), селектор 3 «электроника – гидромеханика», блок 4 исполнительных элементов (ИЭ), последовательно соединенные второй блок 5 датчиков, гидромеханический регулятор 6 (ГМР), выход которого подключен к селектору 3, блок 7 встроенного контроля (БВК), выход которого подключен к управляемому входу селектора 3, устройство сравнения 8, вход которого подключен к выходу БД 5, а выход – ко входу селектора 3.
Устройство работает следующим образом. Электронный регулятор 2 по сигналам датчиков из блока 1 по известным зависимостям (см., например, Шляхтенко С.М. Теория двухконтурных ТРД, Москва, Машиностроение, 1979) формирует управляющее воздействие на ИЭ 4, которые осуществляют требуемые изменения расхода топлива в камеру сгорания двигателя, положения лопаток входного направляющего аппарата (ВНА) компрессора и клапанов (КПВ) перепуска воздуха.
Работоспособность ЭР 2 оценивается БВК 12 по известным принципам (см., например, Бодлер В.А. и др. Системы автоматического управления двигателями летательных аппаратов, Москва, Машиностроение, 1973).
При исправном ЭР 2 селектор 3 находится в положении «электроника» и пропускает в блок 4 ИЭ управляющие команды ЭР 2.
При отказе элемента ЭР 2, или датчика из блока 1, или ИЭ 4, обнаруженном БВК 7, по команде БВК 7 селектор 3 перекладывается в положение «гидромеханика» и управление двигателем переводится на ГМР 6.
Независимо от работы ЭР 2 и БВК 7 дополнительно в устройстве сравнения 8 постоянно контролируется частота вращения ротора двигателя: при превышении наперед заданной величины на выходе устройства 8 формируется гидравлическая команда, по которой селектор 3 перекладывается в положение «гидромеханика», и управление двигателем переводится на ГМР 6 независимо от выходного сигнала БВК 7.
Таким образом, обеспечивается повышение качества работы САУ и, как следствие, повышение надежности ГТД и безопасности ЛА.
Формула изобретения
Способ управления газотурбинным двигателем, заключающийся в том, что в электронном регуляторе (ЭР) с помощью датчиков ЭР измеряют положение рычага (РУД) управления двигателем и параметры силовой установки (СУ), в зависимости от положения РУД и значения параметров СУ по законам управления, реализованным в ЭР, формируют управляющее воздействие ЭР, в гидромеханическом регуляторе (ГМР) с помощью датчиков ГМР измеряют положение РУД и параметры СУ, в зависимости от положения РУД и значения параметров СУ по законам управления, реализованным в ГМР, формируют управляющее воздействие ГМР, при исправном ЭР с помощью селектора отсекают управляющее воздействие ГМР, а управляющее воздействие ЭР подают на блок исполнительных элементов (ИЭ) и осуществляют управление двигателем, отличающийся тем, что дополнительно измеряют и контролируют частоту вращения ротора двигателя, если частота вращения превышает наперед заданное значение, формируют команду и с помощью селектора отсекают управляющее воздействие ЭР, а управляющее воздействие ГМР подают на ИЭ и осуществляют управление двигателем от ГМР.
РИСУНКИ
|
|