|
|
(21), (22) Заявка: 2007114842/15, 19.04.2007
(24) Дата начала отсчета срока действия патента:
19.04.2007
(43) Дата публикации заявки: 27.10.2008
(46) Опубликовано: 10.03.2009
(56) Список документов, цитированных в отчете о поиске:
RU 57872 U1, 27.10.2006. SU 917493 A, 15.06.1985. RU 2116106 C1, 27.07.1998. FR 2376894 A, 04.08.1978.
Адрес для переписки:
443110, г.Самара, ул. Ново-Садовая, 38, кв.154, ООО “НЦИ”, В.Ф. Нагайцеву
|
(72) Автор(ы):
Аверьянов Владимир Юрьевич (RU), Еремеев Андрей Иванович (RU), Ефремов Игорь Анатольевич (RU), Кудрявцев Андрей Владимирович (RU), Аверьянов Александр Юрьевич (RU)
(73) Патентообладатель(и):
Аверьянов Владимир Юрьевич (RU), Еремеев Андрей Иванович (RU), Ефремов Игорь Анатольевич (RU), Кудрявцев Андрей Владимирович (RU), Аверьянов Александр Юрьевич (RU)
|
(54) УСТАНОВКА ТЕРМИЧЕСКОЙ ПЕРЕРАБОТКИ НЕФТЕЗАГРЯЗНЕННЫХ ГРУНТОВ
(57) Реферат:
Изобретение относится к переработке нефтезагрязненных шламов и грунтов. Установка термической переработки нефтезагрязненных грунтов, содержит топку, печь с барабаном, выполненную с возможностью вращения, загрузочное и разгрузочное устройства, дымовую камеру, холодильник, сепаратор, сборники воды, конденсата, газа, кека и приемник шлама. Топка включает поворотную трубу, выполненную с возможностью осуществления ею угловых и линейных движений, при этом давление в ней поддерживают на 10-20% ниже атмосферного, и связана с загрузочным устройством для исходного нефтезагрязненного грунта. Разгрузочное устройство связано с осадительной камерой, снабженной аппаратом воздушного охлаждения и жидкоструйной компрессорной установкой, предназначенной для перекачивания жидкой и газообразной фаз под давлением выше атмосферного, как минимум, на 1-2 атм, причем давление на входе жидкоструйной компрессорной установки равно давлению в рабочей полости барабана печи. Технический результат состоит в получении продуктов и воды, пригодных к коммерческой реализации. 1 ил.
Изобретение относится к области переработки нефтешламовых, ловушечных и дренажных эмульсий, а более конкретно к переработке шлама.
К прототипу относится изобретение по патенту № 2116106 B01D 17/04, C02F 1/40 от 09.13.1996 года. К недостаткам известного технического решения следует отнести неясность дальнейшего ведения технологического процесса в части переработки шлама, которым засоряются природные земли в течение 35-60 лет, после проведения сбора нефти.
Задачей нового технического решения является превращение разлитой нефти в отдельные фракции, потребные на рынке, но и сведению окончательной операции по подготовке кека в процессе его доработки, к знакомым для потребителя нефтепродуктам, реализуемым, на рынке сбыта и освобождающих природную поверхность к прежнему виду, привычному для живых обитателей, включая человека.
Поставленная задача достигается тем, что, установка термической переработки нефтезагрязненных грунтов, содержащая топку, печь с барабаном, выполненную с возможностью вращения, загрузочное и разгрузочное устройства, отличающаяся тем, что установка снабжена топкой, включающей поворотную трубу, выполненную с возможностью осуществления ею угловых и линейных движений, дымовой камерой, холодильником, сепаратором, сборниками воды, конденсата, газа и кека и приемником шлама, при этом топка, давление в которой поддерживают на 10-20% ниже атмосферного, связана с загрузочным устройством для исходного нефтезагрязненного грунта, разгрузочное устройство связано с осадительной камерой, снабженной аппаратом воздушного охлаждения и жидкоструйной компрессорной установкой, предназначенной для перекачивания жидкой и газообразной фаз под давлением выше атмосферного, как минимум, на 1-2 атм, причем давление на входе жидкоструйной компрессорной установки равно давлению в рабочей полости барабана печи.
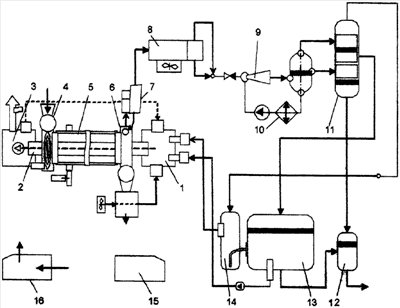
На чертеже показана принципиальная схема установки термической переработки нефтезагрязненных грунтов.
Описание позиций в графических изображениях: установка (1); топка (2); дымовая камера (3); загрузочное устройство (4); барабан (5) вращающейся печи; разгрузочное устройство (6); осадительная камера (7); аппарат воздушного охлаждения (8); жидкоструйная компрессорная установка (9); камера холодильника (10); сепаратор (11); сборники (12-14), соответственно воды, конденсата и газа; сборник кека (15); приемник шлама (16). Описание установки.
Установка термической переработки нефтезагрязненных грунтов, содержащая топку, печь с барабаном (5), выполненную с возможностью вращения, загрузочное и разгрузочное устройства, отличающаяся тем, что:
– установка (1) снабжена топкой (2), включающей поворотную трубу, выполненную с возможностью осуществления ею угловых и линейных движений, дымовой камерой (3), холодильником (10), сепаратором (11), сборниками (12-15) воды, конденсата, газа и кека и приемником шлама (16);
– топка (2), давление в которой поддерживают на 10-20% ниже атмосферного, связана с загрузочным устройством (4) для исходного нефтезагрязненного грунта;
– разгрузочное устройство (6) связано с осадительной камерой (7), снабженной аппаратом воздушного охлаждения (8) и жидкоструйной компрессорной установкой, предназначенной для перекачивания жидкой и газообразной фаз под давлением выше атмосферного, как минимум, на 1-2 атм;
– давление на входе жидкоструйной компрессорной установки (9) равно давлению в рабочей полости барабана (5) печи.
Пример выполнения установки.
Установка термической переработки нефтезагрязненных грунтов, содержащая топку, печь с барабаном (5), выполненную с возможностью вращения, загрузочное и разгрузочное устройства, изготовлена таким образом, что:
– установка (1) снабжена топкой (2), включающей поворотную трубу, выполненную с возможностью осуществления ею угловых и линейных движений, дымовой камерой (3), холодильником (10), сепаратором (11), сборниками (12-15) воды, конденсата, газа и кека и приемником шлама (16);
– топка (2), давление в которой поддерживают на 10-20% ниже атмосферного, связана с загрузочным устройством (4) для исходного нефтезагрязненного грунта;
– разгрузочное устройство (6) связано с осадительной камерой (7), снабженной аппаратом воздушного охлаждения (8) и жидкоструйной компрессорной установкой, предназначенной для перекачивания жидкой и газообразной фаз под давлением выше атмосферного как минимум на 1-2 атм;
– давление на входе жидкоструйной компрессорной установки (9) равно давлению в рабочей полости барабана (5) печи.
Промышленная полезность нового технического решения заключается в возможности получения шлама, кека, и разделения их на технологические составляющие, продаваемые на рынке вторичного сырья.
Экономическая эффективность изобретения заключается в эффективном использовании современных технологий нагрева, механических и кавитационных движений частиц обрабатываемых нефтешламовых отходов.
Формула изобретения
Установка термической переработки нефтезагрязненных грунтов, содержащая топку, печь с барабаном, выполненную с возможностью вращения, загрузочное и разгрузочное устройства, отличающаяся тем, что установка снабжена топкой, включающей поворотную трубу, выполненную с возможностью осуществления ею угловых и линейных движений, дымовой камерой, холодильником, сепаратором, сборниками воды, конденсата, газа и кека и приемником шлама, при этом топка, давление в которой поддерживают на 10-20% ниже атмосферного, связана с загрузочным устройством для исходного нефтезагрязненного грунта, разгрузочное устройство связано с осадительной камерой, снабженной аппаратом воздушного охлаждения и жидкоструйной компрессорной установкой, предназначенной для перекачивания жидкой и газообразной фаз под давлением выше атмосферного как минимум на 1-2 атм, причем давление на входе жидкоструйной компрессорной установки равно давлению в рабочей полости барабана печи.
РИСУНКИ
|
|