|
|
(21), (22) Заявка: 2007103728/09, 13.07.2005
(24) Дата начала отсчета срока действия патента:
13.07.2005
(30) Конвенционный приоритет:
13.07.2004 US 10/890,085
(43) Дата публикации заявки: 27.08.2008
(46) Опубликовано: 20.02.2009
(56) Список документов, цитированных в отчете о поиске:
SU 1035719 A, 15.08.2008. DE 19749558 A1, 20.05.1999. US 5982645 A, 09.11.1999.
(85) Дата перевода заявки PCT на национальную фазу:
13.02.2007
(86) Заявка PCT:
US 2005/024804 (13.07.2005)
(87) Публикация PCT:
WO 2006/017328 (16.02.2006)
Адрес для переписки:
119034, Москва, Пречистенский пер., 14, стр. 1, 4-й этаж, “Гоулингз Интернэшнл Инк.”, пат.пов. Ю.В.Дементьевой, рег.№ 560
|
(72) Автор(ы):
МЕРФИ Майкл А. (US)
(73) Патентообладатель(и):
ЭЛСТЕР ЭЛЕКТРИСИТИ ЭлЭлСи. (US)
|
(54) СИСТЕМА ЗАЩИТЫ УСТРОЙСТВА ПОСТОЯННОГО ТОКА
(57) Реферат:
В настоящей заявке описываются схемы и системы для использования в многофазных источниках питания для защиты от токов переходных процессов. Металлооксидные варисторы между каждыми из двух фаз и между каждой фазой и нейтральной точкой заменяются единственным варистором, соединенным с источником питания постоянного тока. При этом токи переходных процессов ограничиваются резисторами, которые включены последовательно входам каждой из трех фаз. Защита от переходных процессов между любыми из четырех входов обеспечивается с помощью одного металлооксидного варистора, подключенного к источнику питания постоянного тока. Токи переходных процессов между фазами и между фазами и нейтральной точкой направляют через диоды в металлооксидный варистор, включенный между положительным и отрицательным выходными клеммами источника питания постоянного тока. Технический результат – упрощение. 3 н. и 14 з.п. ф-лы, 5 ил.
ОБЛАСТЬ ТЕХНИКИ
Настоящее изобретение относится в целом к защите от мощных переходных процессов. Более конкретно изобретение относится к схемам для использования в источниках питания для защиты от мощных переходных процессов.
УРОВЕНЬ ТЕХНИКИ
Расширение использования чувствительных полупроводниковых приборов в современных электрических системах, в частности в компьютерах, усилило значимость проблемы переходных процессов. Эта проблема связана с тем, что полупроводниковые приборы очень чувствительны к случайным электрическим переходным процессам, которые могут возникать в электрической сети. Переходные процессы в электрической сети могут происходить в результате неожиданного высвобождения ранее накопленной энергии. Опасность таких переходных процессов и, соответственно, связанный с ними ущерб зависят от частоты их возникновения, величин пиковых переходных токов, напряжений и характера их изменения во времени.
Обычной практикой для источников питания является использование схем, которые обеспечивают защиту от мощных переходных процессов, возникающих на их входе. В состав таких схем защиты обычно входит металлооксидный варистор (далее варистор), включенный между входным проводником с элементом сопротивления, обычно резистором, включаемым последовательно с входным проводником для ограничения тока через варистор.
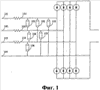
Проблема обеспечения защиты от переходных процессов усложняется для источников питания, работающих от многофазной сети. При традиционном подходе, который проиллюстрирован на фигуре 1, используется шесть варисторов: три – между каждой фазой и нейтральной точкой и три – между фазами. Для ограничения тока в каждый фазовый провод включен последовательно резистор. Такая схема обеспечивает защиту от переходных процессов между любыми из четырех входов.
Более конкретно, на фигуре 1 иллюстрируется известная схема защиты от переходных процессов в трехфазном источнике питания. Схема имеет четыре входа. Это следующие входы: фаза А, фаза В, фаза С и вход нейтральной точки, которые обозначены 101, 102, 103 и 104 соответственно. Хотя фигура 1 иллюстрирует случай трехфазного источника питания, однако для специалистов в данной области техники ясно, что эта схема может быть распространена на источники питания, имеющие на входе более трех фаз.
В схеме используются шесть варисторов для защиты от больших бросков напряжения переходных процессов между фазами. Три варистора включены между каждой фазой и нейтральной точкой и три варистора включены между фазами. Варистор 151 включен между фазой А и фазой В, варистор 152 включен между фазой А и фазой С, и варистор 153 включен между фазой А и нейтральной точкой. Варистор 154 включен между фазой В и фазой С, варистор 155 включен между фазой В и нейтральной точкой, и варистор 156 включен между фазой С и нейтральной точкой. Характеристики варисторов обычно выбираются с таким расчетом, чтобы они обеспечивали защиту от максимально возможного напряжения переходного процесса между любыми фазами и между любой фазой и нулевой точкой.
Такая схема способна обеспечить защиту от переходных процессов, которые могут возникнуть между любыми из четырех входов. Схема эффективно подавляет мощные переходные процессы между любыми фазами и между любой из фаз и нулевой точкой, используя шесть варисторов для ослабления воздействия переходных процессов на последующие компоненты источника питания.
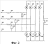
На фигуре 2 представлен вариант другой известной схемы, используемой для защиты от переходных процессов в трехфазном источнике питания. Схема имеет четыре входа: фаза А, фаза В, фаза С и нейтральная точка, которые на фигуре 2 обозначены 201, 202, 203 и 204 соответственно. Хотя фигура 2 иллюстрирует случай трехфазного источника питания, однако для специалистов в данной области техники ясно, что эта схема может быть распространена на источники питания, имеющие на входе более трех фаз.
Схема содержит четыре варистора для защиты от бросков напряжения мощных переходных процессов между четырьмя входами: по одному варистору между каждой фазой и нейтральной точкой и один варистор, подключенный между положительной и отрицательной выходными клеммами источника питания постоянного тока. Варистор 251 подключен между фазой А и нейтральной точкой, варистор 252 подключен между фазой В и нейтральной точкой, и варистор 253 подключен между фазой С и нейтральной точкой. Варистор 254 подключен к каждой из трех фаз через диоды 261, 262, 263, 264, 271, 272, 273 и 274.
Для ограничения тока в каждый фазовый провод включен последовательно резистор. Резистор 231 включен последовательно входу фазы А, резистор 232 включен последовательно входу фазы В, и резистор 233 включен последовательно входу фазы С.
Диоды 261, 262, 263, 264, 271, 272, 273 и 274 вместе с варистором 254 соединяют все три фазы. В результате переходные процессы между любыми из трех фаз направляются на варистор 254, в результате чего они ослабляются до уровня, допустимого для последующих компонентов источника питания. Используются такие типы диодов, которые способны работать в условиях прохождения через них больших токов, могущих возникать при переходных процессах.
Пары диодов 261, 272 и 262, 271 формируют контур для токов переходных процессов между входами 201 и 202. Токи переходных процессов между входами 201 и 202 направляются в варистор 254 через пары диодов 261, 272 или 262, 271 в зависимости от полярности переходного процесса. Варистор 254 подключен между парами диодов 261, 272 и 262, 271 и вместе с резисторами 231 и 232 ограничивает напряжение переходного процесса до уровня, допустимого для остальных компонентов схемы.
Аналогично, пары диодов 261, 273 и 263, 271 формируют контур для токов переходных процессов между входами 201 и 203. Токи переходных процессов между входами 201 и 203 направляются в варистор 254 через пары диодов 261, 273 или 263, 271 в зависимости от полярности переходного процесса. Варистор 254 подключен между парами диодов 261, 273 и 263, 271 и вместе с резисторами 231 и 233 ограничивает напряжение переходного процесса до уровня, допустимого для остальных компонентов схемы.
Аналогично, пары диодов 262, 273 и 272, 263 формируют контур для токов переходных процессов между входами 202 и 203. Токи переходных процессов между входами 202 и 203 направляются в варистор 254 через пары диодов 262, 273 или 272, 263 в зависимости от полярности переходного процесса. Варистор 254 подключен между парами диодов 262, 273 и 272, 263 и вместе с резисторами 232 и 233 ограничивает напряжение переходного процесса до уровня, допустимого для остальных компонентов схемы.
Однако эти известные схемы имеют существенные недостатки. Например, варисторы стоят дорого. Они существенно дороже остальных компонентов схемы. Кроме того, варисторы, обеспечивающие ослабление переходных процессов в источнике питания в большинстве случаев имеют большие размеры, особенно в сравнении с другими компонентами схем, такими как резисторы и конденсаторы. Сокращение количества варисторов, используемых в данной схеме, могло бы значительно уменьшить общие размеры схемы и снизить требования к месту размещения платы со схемой.
То есть имеется потребность в создании схемы, которая могла бы обеспечить защиту от переходных процессов в многофазных источниках питания и в то же время была бы гораздо дешевле, менее сложной и имела бы меньше компонентов по сравнению с известными схемами.
СУЩНОСТЬ ИЗОБРЕТЕНИЯ
Настоящее изобретение относится к схемам и системам для использования в многофазных источниках питания для подавления токов переходных процессов. Предлагаемая в настоящем изобретении система обеспечивает ослабление токов переходных процессов до уровня, допустимого для последующих цепей источника питания, и в то же время она дешевле и имеет меньшие размеры по сравнению с известными схемами и системами такими, как представлены на фигурах 1 и 2.
В соответствии с изобретением варисторы, подключаемые между фазами и между фазами и нейтральной точкой, заменяются единственным варистором, подключенным к источнику питания постоянного тока. При этом токи переходных процессов между фазами ограничиваются резисторами, которые включены последовательно входу каждой из фаз. Схема с единственным варистором, подключенным к источнику питания постоянного тока, обеспечивает защиту от переходных процессов между любыми из четырех входов. Токи переходных процессов между фазами и между фазами и нейтральным проводом направляются предпочтительно через диоды в варистор, подключенный между положительной и отрицательной выходными клеммами источника питания постоянного тока. Единственный варистор предпочтительно имеет такие же характеристики, как и варисторы, используемые в известных схемах. Иллюстративные варианты предлагаемой в изобретении схемы и системы обеспечивают снижение расходов и могут быть осуществлены на платах, занимающих гораздо меньшее пространство по сравнению с известными техническим решениями.
Дополнительные особенности и достоинства изобретения станут ясными из нижеприведенного подробного описания иллюстративных вариантов осуществления изобретения со ссылками на прилагаемые чертежи.
КРАТКОЕ ОПИСАНИЕ ЧЕРТЕЖЕЙ
Вышеприведенное краткое изложение сущности изобретения, а также приведенное ниже подробное описание предпочтительных вариантов осуществления изобретения станет более ясным из рассмотрения прилагаемых чертежей. Приведенные варианты осуществления изобретения даны лишь в иллюстративных целях, то есть изобретение не ограничивается конкретными схемами и способами, приведенными в описании. На чертежах представлены:
Фигура 1 – известная схема, обеспечивающая защиту от переходных процессов трехфазного источника питания.
Фигура 2 – еще одна известная схема, обеспечивающая защиту от переходных процессов трехфазного источника питания.
Фигура 3 – схема иллюстративного варианта предлагаемой в настоящем изобретении схемы, обеспечивающей защиту от переходных процессов трехфазного источника питания.
Фигура 4 – блок-схема компонентов, из которых состоит иллюстративный вариант предлагаемой в настоящем изобретении схемы.
Фигура 5 – блок-схема алгоритма работы иллюстративного варианта предлагаемого в настоящем изобретении способа защиты.
ПОДРОБНОЕ ОПИСАНИЕ ВАРИАНТОВ РЕАЛИЗАЦИИ ИЗОБРЕТЕНИЯ
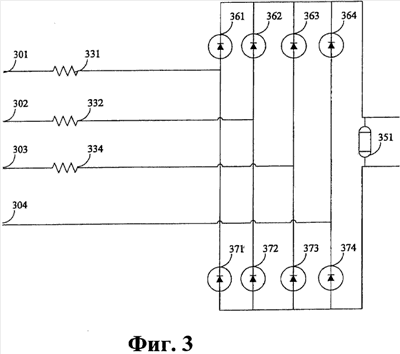
На фигуре 3 представлена схема иллюстративного варианта предлагаемой в настоящем изобретении схемы, обеспечивающей защиту от переходных процессов для трехфазного источника питания. В схеме используется только один варистор 351. Такое сокращение количества варисторов приводит к значительному снижению стоимости и уменьшению объема, занимаемого схемой. Схема имеет четыре входа: фаза А, фаза В, фаза С и нейтральная точка, которые на фигуре 3 обозначены 301, 302, 303 и 304 соответственно. Хотя фигура 3 иллюстрирует случай трехфазного источника питания, однако для специалистов в данной области техники ясно, что эта схема может быть распространена на источники питания, имеющие на входе больше трех фаз.
В схеме используется только один варистор для защиты от бросков напряжения, вызванных мощными переходными процессами, между фазами и между каждой из фаз и нейтральной точкой. Варистор 351 включен между выходными клеммами источника питания постоянного тока. Варистор 351 подключен через диоды 361, 362, 363, 364, 371, 372, 373 и 374 между каждой из трех фаз и между каждой фазой и нейтральной точкой. Значительное сокращение стоимости происходит за счет исключения дополнительных варисторов, используемых в известных схемах. Кроме того, схемы имеют меньшие размеры, и поэтому экономится пространство, занимаемое платами, на которых размещаются схемы.
Для ограничения тока в каждый фазовый провод предпочтительно включается последовательно резистор. Резистор 331 включен последовательно входу фазы А, резистор 332 включен последовательно входу фазы В, и резистор 334 включен последовательно входу фазы С. Хотя это на фигуре 3 не показано, последовательно входу нейтральной точки может быть включен элемент сопротивления для обеспечения дополнительного ослабления энергии переходных процессов.
Подходящие резисторы в общем случае имеют мощность от 1 до 5 Вт и сопротивление от 20 до 100 Ом. Предпочтительным является использование композиционных резисторов, например угольных или керамических резисторов, или специальных проволочных резисторов.
Диоды 361, 362, 363, 364, 371, 372, 373, 374 вместе с варистором 351 составляют схему, в которой осуществляется соединение между каждой из фаз и соединение каждой из фаз и нейтральной точки. В этом иллюстративном варианте схемы токи переходных процессов шунтируются варистором 351, в результате чего их величина снижается до уровня, допустимого для последующих компонентов источника питания постоянного тока. Предпочтительно используются такие типы диодов, которые способны работать в условиях возникновения на них больших бросков напряжений мощных переходных процессов.
Подходящие диоды должны иметь максимальное обратное напряжение, равное или превышающее максимальное напряжение, которое может возникать на варисторе, и выдерживать одиночные импульсы прямого тока (“Ifsm”), имеющие величину не менее 40 А. Такие характеристики имеет, например, диод DGP-15 компании General Semiconductor.
Пары диодов 361, 372 и 371, 362 формируют контур для токов переходных процессов между входами 301 и 302. Токи переходных процессов между входами 301 и 302 направляются в варистор 351 через пары диодов 361, 372 или 371, 362, в зависимости от полярности переходного процесса. Варистор 351 включен между парами диодов 361, 372 и 371, 362 и эффективно ограничивает напряжение переходного процесса до уровня, допустимого для последующих компонентов источника питания постоянного тока.
Пары диодов 361, 373 и 371, 363 формируют контур для токов переходных процессов между входами 301 и 303. Токи переходных процессов между входами 301 и 303 направляются в варистор 351 через пары диодов 361, 373 или 371, 363, в зависимости от полярности переходного процесса. Варистор 351 включен между парами диодов 361, 373 и 371, 363 и эффективно ограничивает напряжение переходного процесса до уровня, допустимого для последующих компонентов источника питания постоянного тока.
Пары диодов 361, 374 и 371, 364 формируют контур для токов переходных процессов между входами 301 и 304. Токи переходных процессов между входами 301 и 304 направляются в варистор 351 через пары диодов 361, 374 или 371, 364, в зависимости от полярности переходного процесса. Варистор 351 включен между парами диодов 361, 374 и 371, 364 и эффективно ограничивает напряжение переходного процесса до уровня, допустимого для последующих компонентов источника питания постоянного тока.
Пары диодов 362, 373 и 372, 363 формируют контур для токов переходных процессов между входами 302 и 303. Токи переходных процессов между входами 302 и 303 направляются в варистор 351 через пары диодов 362, 373 или 372, 363, в зависимости от полярности переходного процесса. Варистор 351 включен между парами диодов 362, 373 и 372, 363 и эффективно ограничивает напряжение переходного процесса до уровня, допустимого для последующих компонентов источника питания постоянного тока.
Пары диодов 362, 374 и 372, 364 формируют контур для токов переходных процессов между входами 302 и 304. Токи переходных процессов между входами 302 и 304 направляются в варистор 351 через пары диодов 362, 374 или 372, 364, в зависимости от полярности переходного процесса. Варистор 351 включен между парами диодов 362, 373 и 372, 363 и эффективно ограничивает напряжение переходного процесса до уровня, допустимого для последующих компонентов источника питания постоянного тока.
Пары диодов 363, 374 и 373, 364 формируют контур для токов переходных процессов между входами 303 и 304. Токи переходных процессов между входами 303 и 304 направляются в варистор 351 через пары диодов 363, 374 или 373, 364, в зависимости от полярности переходного процесса. Варистор 351 включен между парами диодов 363, 374 и 373, 364 и эффективно ограничивает напряжение переходного процесса до уровня, допустимого для последующих компонентов источника питания постоянного тока.
Предпочтительно используется варистор 351 такого же типа, как варистор, используемый в известных схемах, представленных, например, на фигурах 1 и 2. В схеме, представленной на фигуре 3, вместо всех варисторов, используемых в схемах фигур 1 и 2, используется всего один варистор 351. Предпочтительно варистор 351 имеет характеристики, обеспечивающие работу в случае одновременного возникновения переходных процессов между каждой из трех фаз. Подходящие варисторы в большинстве случаев должны иметь допустимую рассеиваемую мощность в диапазоне 50-350 Дж и значение напряжения среза порядка 900-1000 В.
На фигуре 4 изображена блок-схема компонентов, составляющих другой иллюстративный вариант предлагаемой в настоящем изобретении схемы. Такая иллюстративная схема, которая может быть аналогична схеме, описанной со ссылками на фигуру 3, содержит несколько компонентов, в том числе входной компонент 404, компонент 423 сопротивления, компонент 423 диодной схемы, компонент 448 защиты от переходных процессов и выходной компонент 455 источника питания постоянного тока.
Во входной компонент 404 поступает напряжение многофазной сети, и предпочтительно входная часть содержит входы фазы А, фазы В, фазы С и нейтральной точки. Может использоваться любой способ, технология или система, применяемые в данной области техники для подключения многофазной сети к источнику питания. Хотя иллюстративный вариант осуществления изобретения описан в отношении фазы А, фазы В и фазы С, однако настоящее изобретение применимо в источниках питания, имеющих большее число фаз. Иллюстративный вариант входного компонента, представленный на фигуре 3, имеет входы 301-303 фаз и вход 304 нейтральной точки.
Компонент 423 сопротивления формирует сопротивление последовательно каждому входу фазы для ограничения бросков напряжения, вызванных переходными процессами. Элемент сопротивления также может быть подключен последовательно входу нейтральной точки для обеспечения дополнительного ослабления энергии переходных процессов. Может использоваться любой способ, любая система или технология, известные в технике для создания сопротивления в цепи, в частности резистор. Иллюстративный вариант компонента 423 сопротивления показан на фигуре 3, в форме резисторов 331-333.
Компонент 434 диодной схемы направляет токи переходных процессов между любыми из трех входов фаз и любым из трех входов фаз и входом нейтральной точки. Кроме того, компонент диодной схемы устроен так, чтобы осуществлять выпрямление полуволн переменного тока для получения постоянного тока на выходе источника питания. Компонент 434 диодной схемы может содержать в общей сложности восемь диодов: по два диода, включенных последовательно между каждым из входов фаз, и два диода, включенных последовательно между входами фаз и входом нейтральной точки. Иллюстративный вариант компонента 434 диодной схемы приведен на фигуре 3, например, в форме диодов 361-364 и диодов 371-374.
Компонент 448 защиты от переходных процессов предпочтительно снижает токи переходных процессов, протекающих между любыми из трех входов фаз и любым входом фазы и входом нейтральной точки, до уровня, допустимого для последующих компонентов источника питания постоянного тока. Компонент 448 защиты от переходных процессов может содержать единственный варистор, включенный, например, последовательно через компонент 434 диодной схемы между каждым из входов фаз и каждым входом фазы и входом нейтральной точки.
Предпочтительно любой переходный процесс будет направляться через единственный варистор для подавления. Например, компонент 448 защиты от переходных процессов иллюстративного варианта осуществления изобретения показан на фигуре 3 в форме 351.
Выходной компонент 455 источника питания постоянного тока запитывает постоянным током подключенное устройство.
На фигуре 5 изображена блок-схема алгоритма работы иллюстративного варианта предлагаемого в настоящем изобретении способа защиты. Входной ток поступает в многофазный источник питания на стадии 504, и этот ток может содержать переходные процессы между любым из входов фаз и любым из входов фаз и входом нейтральной точки. Сопротивление, подключенное последовательно к каждому входу фазы, ограничивает ток переходного процесса на стадии 517. Токи переходных процессов между любыми из входов фаз и любым входом фазы и входом нейтральной точки протекают через диодную схему на стадии 536. Токи переходных процессов протекают через варистор на стадии 546, и варистор эффективно ослабляет энергию переходного процесса до уровня, допустимого для последующих компонентов источника питания постоянного тока. На стадии 558 переходный процесс, имеющий допустимый уровень, поступает на выход схемы в форме выхода источника питания постоянного тока.
Более конкретно, например, входной ток, который получают на стадии 504, при необходимости может иметь входы трех фаз и вход нулевой точки, как показано на фигуре 3 в форме входов 301-304. Ток переходного процесса может возникнуть между любыми из трех входов фаз и любым входом фазы и входом нейтральной точки, и предпочтительно он ослабляется на стадии 517 применением сопротивления. Применяемое сопротивление может содержать резисторы, ограничивающие ток, которые подключены последовательно каждому из трех входов фаз для снижения токов переходных процессов, которые могут поступать на вход схемы. Также может быть включен дополнительный резистор последовательно с входом нейтральной точки. На фигуре 3 показан иллюстративный набор резисторов 331, 332 и 334.
На стадии 536 принятый ток и токи любых переходных процессов направляются через диодную схему (например, схему на фигуре 3, которая содержит диоды 361-364 и 371-374). Диоды предпочтительно подключаются последовательно с каждым из входов фаз и входом нейтральной точки. При таком устройстве, необходимом для выпрямления полной волны входного переменного тока, токи любых переходных процессов протекают через варистор (например, варистор 351 на фигуре 3), подключенный к выходным клеммам источника питания постоянного тока, и на стадии 546 они предпочтительно ослабляются до приемлемого уровня. В результате выход источника питания постоянного тока (стадия 558) содержит уровни переходных процессов, которые допустимы для других схем, подключенных к выходу.
Необходимо понимать, что сущность изобретения, описанного в настоящей заявке, не ограничивается описанными компонентами или схемами. Необходимо понимать, что принципы, идеи, системы и способы, раскрытые в настоящей заявке, могут быть реализованы на элементах, которые отличаются от описанных в заявке, без выхода за пределы объема изобретения.
Хотя изобретение иллюстрируется и описывается здесь со ссылками на некоторые конкретные варианты его осуществления, однако, тем не менее, оно не ограничивается конкретными элементами, указанными в описании. Более того, возможны различные изменения элементов в пределах эквивалентов признаков формулы изобретения без изменения сущности изобретения.
Формула изобретения
1. Система защиты устройства постоянного тока, подключенного к многофазному источнику питания, которая содержит входы фаз для приема фаз источника питания; вход нейтральной точки; положительный и отрицательный выходы для подключения устройства постоянного тока; сопротивления; один металлооксидный варистор, который включен последовательно между положительным и отрицательным выходами; диоды, обеспечивающие соединение между входами фаз, и между входом каждой фазы и входом нейтральной точки, причем металлооксидный варистор соединяет через диоды входы фаз между собой и вход каждой из фаз с входом нейтральной точки.
2. Система по п.1, в которой каждое сопротивление включено последовательно каждому из входов фаз.
3. Система по п.1, в которой каждое сопротивление подключено последовательно каждому из входов фаз и входу нейтральной точки.
4. Система по п.1, в которой металлооксидный варистор имеет характеристики, достаточные для того, чтобы обеспечить защиту от наибольшего переходного напряжения между входами фаз и между входом каждой из фаз и входом нейтральной точки.
5. Система по п.1, в которой каждый диод имеет характеристики, достаточные для пропускания тока переходного напряжения между любыми входами фаз и между входом любой из фаз и входом нейтральной точки.
6. Способ подавления токов переходных процессов в системе, содержащий следующие стадии: прием тока переходного процесса на входе многофазного источника питания, где вход состоит из входов фаз и входа нейтральной точки; применение сопротивления к току переходного процесса; направление тока через диодную схему в единственный металлооксидный варистор, который через диодную схему соединяет входы фаз между собой, и вход каждой из фаз с входом нейтральной точки; и ослабление металлооксидным варистором направленного в него тока переходного процесса до приемлемого уровня.
7. Способ по п.6, в котором применение сопротивления к току переходного процесса содержит направление тока переходного процесса через резистор, включенный последовательно входу фазы.
8. Способ по п.6, в котором применение сопротивления к току переходного процесса содержит направление тока переходного процесса через резистор, включенный последовательно входу фазы или входу нейтральной точки.
9. Способ по п.6, в котором диодная схема содержит диоды, включенные последовательно между входами фаз и между входом каждой из фаз и входом нейтральной точки.
10. Способ по п.6, в которой металлооксидный варистор имеет характеристики, достаточные для того, чтобы обеспечить защиту от наибольшего тока переходных процессов, который может возникнуть между входами любых фаз и между входом любой фазы и входом нейтральной точки.
11. Схема защиты от токов переходных процессов, которая содержит входной компонент, содержащий входы фаз и вход нейтральной точки; компонент сопротивления, подсоединенный к входному компоненту; компонент диодной схемы, подсоединенный к компоненту сопротивления; компонент защиты от переходных процессов, подсоединенный к компоненту диодной схемы, причем компонент защиты от переходных процессов содержит один металлооксидный варистор, который через диодную схему соединяет входы фаз между собой и вход каждой из фаз с входом нейтральной точки; и выходной компонент источника питания постоянного тока, подсоединенный к компоненту защиты от переходных процессов.
12. Схема по п.11, в которой компонент сопротивления содержит резисторы, причем по меньшей мере по одному резистору включено последовательно входу каждой фазы.
13. Схема по п.11, в которой компонент сопротивления содержит резисторы, причем по меньшей мере по одному резистору включено последовательно входу каждой фазы и входу нейтральной точки.
14. Схема по п.11, в которой металлооксидный варистор включен последовательно между положительным и отрицательным выходными компонентами источника питания постоянного тока.
15. Схема по п.14, в которой металлооксидный варистор имеет характеристики, достаточные для того, чтобы обеспечить защиту от наибольшего переходного напряжения между входами любых двух фаз и между входом каждой из фаз и входом нейтральной точки.
16. Схема по п.14, в которой диоды обеспечивают соединение между входами каждой фазы и между входом каждой фазы и входом нейтральной точки, причем соединение осуществляется через указанный металлооксидный варистор, подключенный последовательно между положительным и отрицательным выходами.
17. Схема по п.16, в которой каждый диод имеет характеристики, достаточные для пропускания токов переходных процессов, которые могут возникнуть между входами любых двух фаз и между входом каждой из фаз и входом нейтральной точки.
РИСУНКИ
|
|